欢迎来到第壹文秘! | 帮助中心 分享价值,成长自我!
第壹文秘
全部分类
  • 幼儿/小学教育>
  • 中学教育>
  • 高等教育>
  • 研究生考试>
  • 外语学习>
  • 资格/认证考试>
  • 论文>
  • IT计算机>
  • 法律/法学>
  • 建筑/环境>
  • 通信/电子>
  • 医学/心理学>
  • ImageVerifierCode 换一换
    首页 第壹文秘 > 资源分类 > DOCX文档下载
    分享到微信 分享到微博 分享到QQ空间

    69.0MPa6BX1-1316”法兰质量计划PSL1AATPR1.docx

    • 资源ID:753024       资源大小:31.26KB        全文页数:4页
    • 资源格式: DOCX        下载积分:5金币
    快捷下载 游客一键下载
    账号登录下载
    三方登录下载: 微信开放平台登录 QQ登录
    下载资源需要5金币
    邮箱/手机:
    温馨提示:
    快捷下载时,如果您不填写信息,系统将为您自动创建临时账号,适用于临时下载。
    如果您填写信息,用户名和密码都是您填写的【邮箱或者手机号】(系统自动生成),方便查询和重复下载。
    如填写123,账号就是123,密码也是123。
    支付方式: 支付宝    微信支付   
    验证码:   换一换

    加入VIP,免费下载
     
    账号:
    密码:
    验证码:   换一换
      忘记密码?
        
    友情提示
    2、PDF文件下载后,可能会被浏览器默认打开,此种情况可以点击浏览器菜单,保存网页到桌面,就可以正常下载了。
    3、本站不支持迅雷下载,请使用电脑自带的IE浏览器,或者360浏览器、谷歌浏览器下载即可。
    4、本站资源下载后的文档和图纸-无水印,预览文档经过压缩,下载后原文更清晰。
    5、试题试卷类文档,如果标题没有明确说明有答案则都视为没有答案,请知晓。

    69.0MPa6BX1-1316”法兰质量计划PSL1AATPR1.docx

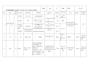
    69.0MPa6BX1-13/16”法兰质量计戈IJ文件编号:XXXXPSLlAATPRl页数共4页序号流程控制特性工序名称制造用设备控制特性依据文件评价方法样本/频次记录执行部门失控时应对措施1进货检验钢锭/钢棒H尺寸检脸卡尺,卷尺材料规格300±2产品及材料试验规定、原材料牌号代用原则、钢材原材料取样制度、产品机械性能测试作业指导书测量Il级AQL1.5理化试验委托单理化试验报告原材料进厂检测记录理化室退货外观检验E视表面质量:无裂纹,灰点,气孔,叠层J视100%化学实脸(化学成分检测)直读光谱仪C0.30Mn1.60Si:0.150.35S0.025P0.025yF定1次/炉力学性能万能试验机里氏硬度计冲击试脸机采购技术协议或材料标准y可定2下料R下料切割R人卷尺116404kg下料作业指导书工艺卡切M量首件3支Il级AQL1.5抽检产品跟踪卡生技部复检/不合格品控制程序3锻制R4段制夹杆锤、加热炉、工装模具始锻温度1250±30、终锻温度800°C±30、加热温度每小时200±20°C毛坯关键尺寸:外径195+35"内径36.35、片厚52",总高138+仆、咀径73+六、根径95+仆工序质量标准与检验规程锻造程序作业指导书热处理工序作业指导书J5可量首检1件按AQLl.5抽检产品跟踪卡锻加工温度记录生技部复检和不合格品控制程序69.0MPa6BX1-13/16”法兰质量计划文件编号:XXXXPSLlAATPRl页数共4页序号流程控制特性工序名称制造用设备控制特性依据文件评价方法样本/频次记录执行部门失控时应对措施4热处理H热处理热处理炉、热电偶、圆盘记录仪、温度显示仪、里氏硬度计热处理方式:淬火+回火热处理工艺:热处理温度920±8°Cs保温时间1.5小时、升温速度每小时150冷却:空冷冷却速度:200°Ch硬度热处理作业指导书上验力量按AQL4.0抽样检脸热处理现场记录硬度检测记录理化试脸报告生技部复检和不合格品控制程序5机加工R车削车床、游标卡尺、盒尺关键尺寸控制最大孔径:23.1WAO§外径:185,最大倒角:3.2*450凸面直径:105.2”3.6法兰总厚:42.8%轮毂大径:90.4o.3轮毂小径:65.5*°5-o5轮毂长度:87.5*°5.05轮毂圆弧半径:10环槽:槽深:5.56,05o夕卜径:77.77+0'°°宽度:11.84"Klo粗糙度W0.8um(Ra)车工工艺作业指导书钻孔工艺作业指导书测量、目视首检3支按AQLl.5Il级抽样产品跟踪卡成品检脸记录生技部复检和不合格品控制程序69.0MPa6BX1-13/16”法兰质量计划文件编号:XXXXPSLlAATPRl页数共4页序号流程控制特性工序名称制造用设备控制特性依据文件评价方法样本/频次记录执行部门失控时应对措施钻孔钻床、游标卡尺、盒尺中心距:146.2±°s孔径:23.1MO孔教:8测量首检3支按AQLl.511级抽样生技部复检和不合格品控制程序6理化检测H理化检测万能实脸机、显微镜、冲击试验机、低温槽、硬度计抗拉强度MPa:25860.2%残余变形屈服强度MPa:241450mm的伸长率%:218断面收缩率:235HBW:2174平均冲击值J:e20硬度冲击试样要求:横向1OmmX1Omm温度要求:-46°C产品机械性能测试作业指导书钢材原材料取样规定(脸1次/热处理批理化试脸报告理化室7超声探伤(当需要时)H超声探伤超声探伤机、测试样块探头测试方法:探头扫查速度不超过IoOms,自动化探伤,探伤速度和脉冲持续时间要相适应所示块陷的尺寸和长度,不应漏掉检脸时,不应有表面干扰波,每次扫查探头应有15的重复覆盖。无损检测控制规定超声波探伤作业指导书£测按AQLl.5II级抽样超声波检验记录质检部不合格品控制程序69.0MPa6BX1-13/16”法兰质量计划文件编号:XXXXPSLlAATPRl页数共4页序号流程控制特性工序名称制造用设备控制特性依据文件评价方法样本/频次记录执行部门失控时应对措施8成品检验W成品检验卡尺、超声波测厚仪、游标卡尺、万能角度尺、硬度计、直角尺同5要求工序质量标准与检验规程超声波探伤作业指导书检测按AQLl.511级抽样成品检脸记录终检记录质检部不合格品控制程序9标识、打包W标识低应力钢印、包装箱打字要求:公司LOgO1-13/1610000AATBX151API6A6BXPSL1Q+TXXXXXX(炉号)XXXXXX(日期)XXXdT单号)硬度值API会标使用控制程序、标识和可追溯性管理制度包装工序作业指导书方则按AQLl.5Il级抽样API会标使用记录装箱单生技部不合格品控制程序10入库R入库黑漆学测按AQLl.511级抽样生技部注:R(reportpoint)点是文件检查点,也叫报告点。W(witnesspoint)点:见证点。H(holdPOint)点:停工待检点编制人批准人

    注意事项

    本文(69.0MPa6BX1-1316”法兰质量计划PSL1AATPR1.docx)为本站会员(p**)主动上传,第壹文秘仅提供信息存储空间,仅对用户上传内容的表现方式做保护处理,对上载内容本身不做任何修改或编辑。 若此文所含内容侵犯了您的版权或隐私,请立即通知第壹文秘(点击联系客服),我们立即给予删除!

    温馨提示:如果因为网速或其他原因下载失败请重新下载,重复下载不扣分。




    关于我们 - 网站声明 - 网站地图 - 资源地图 - 友情链接 - 网站客服 - 联系我们

    copyright@ 2008-2023 1wenmi网站版权所有

    经营许可证编号:宁ICP备2022001189号-1

    本站为文档C2C交易模式,即用户上传的文档直接被用户下载,本站只是中间服务平台,本站所有文档下载所得的收益归上传人(含作者)所有。第壹文秘仅提供信息存储空间,仅对用户上传内容的表现方式做保护处理,对上载内容本身不做任何修改或编辑。若文档所含内容侵犯了您的版权或隐私,请立即通知第壹文秘网,我们立即给予删除!

    收起
    展开