欢迎来到第壹文秘! | 帮助中心 分享价值,成长自我!
第壹文秘
全部分类
  • 幼儿/小学教育>
  • 中学教育>
  • 高等教育>
  • 研究生考试>
  • 外语学习>
  • 资格/认证考试>
  • 论文>
  • IT计算机>
  • 法律/法学>
  • 建筑/环境>
  • 通信/电子>
  • 医学/心理学>
  • ImageVerifierCode 换一换
    首页 第壹文秘 > 资源分类 > DOCX文档下载
    分享到微信 分享到微博 分享到QQ空间

    硬脂酰苯甲酰甲烷生产工艺.docx

    • 资源ID:751742       资源大小:86.47KB        全文页数:4页
    • 资源格式: DOCX        下载积分:5金币
    快捷下载 游客一键下载
    账号登录下载
    三方登录下载: 微信开放平台登录 QQ登录
    下载资源需要5金币
    邮箱/手机:
    温馨提示:
    快捷下载时,如果您不填写信息,系统将为您自动创建临时账号,适用于临时下载。
    如果您填写信息,用户名和密码都是您填写的【邮箱或者手机号】(系统自动生成),方便查询和重复下载。
    如填写123,账号就是123,密码也是123。
    支付方式: 支付宝    微信支付   
    验证码:   换一换

    加入VIP,免费下载
     
    账号:
    密码:
    验证码:   换一换
      忘记密码?
        
    友情提示
    2、PDF文件下载后,可能会被浏览器默认打开,此种情况可以点击浏览器菜单,保存网页到桌面,就可以正常下载了。
    3、本站不支持迅雷下载,请使用电脑自带的IE浏览器,或者360浏览器、谷歌浏览器下载即可。
    4、本站资源下载后的文档和图纸-无水印,预览文档经过压缩,下载后原文更清晰。
    5、试题试卷类文档,如果标题没有明确说明有答案则都视为没有答案,请知晓。

    硬脂酰苯甲酰甲烷生产工艺.docx

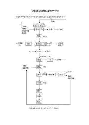
    硬脂酰苯甲酰甲烷生产工艺硬脂酰苯甲酰甲烷的生产工艺流程图及对各工艺步骤的方案说明如下:图3.5-1硬脂酰苯甲酰甲烷的生产流程图操作工序简介:(1)缩合反应二甲苯进入反应釜J常煤入高位槽,再加入甲醇钠,通氮气保护,升温至110,加入硬脂酸甲酯,再加入苯乙酮,抽真空,此时,物料在反应釜中发生聚缩合反应,负压0.04MPa,反应2.5h,保温0.5h。反应生成SBM钠盐及甲醇气体,收集冷凝,得到甲醇。缩合反应:(转化率95%)CH3Ci6H32COOCH3(硬脂酸甲酯)+O0Na(甲醇钠)+C6H5COCH3(乙酰苯)=CH3Ci6H32CO-CHNa-C6H5CO(硬脂酰苯甲酰钠)+2CH3OH(甲醇)(2)降温反应完成后用循环冷却水将釜内物料降温至40C。(3)酸化反应98%浓硫酸和水预先调配成20%的硫酸,加入至反应釜,温度维持在50C,常压下反应搅拌0.5h,得到SBM反应液。酸化反应:(转化率100%)2CH3Ci6H32CO-CHNa-C6H5CO+H2SO4=2CH3C16H32CO-CH2-C6H5CO(硬脂酰苯甲酰甲烷)+Na2SO4副反应:2CH3Ci6H32COOCH3+H2SO4=2CH3Ci6H32COOH(硬月备酸)+(CH3)2SO4n(C6H5COCH3)=(C6H5COCH3-COCh3C6H5)11(苯乙酮自聚物)(4)水洗酸反应/S,SBM反向夜下层水放½K,为盐废水IWpH,水洗3次,每次水洗2h,加水500L。(5)蒸储将反应釜内的上层有机相,蒸储升温至110,真空度0.095MPa,将水和二甲苯分别蒸出来,放入各自的接收槽中。(6)结晶蒸储后的有机相,在反应釜内温度降到70度,加入结晶剂甲醇和醋酸乙酯,使产品溶解在结晶溶剂中,并泵入结晶釜。离心产品在结晶溶剂中降到20度,开始送入离心机离心8h,母液进入中转储槽,进行蒸储,回收甲醛和醋酸乙酯。(8)干燥筛分结晶后的产品送到沸腾干燥器内在50度热风的条下进行干燥,再通过粉碎机和振动筛进行筛分。(9)包装成品干燥后的产品按照20斤的单位和客户的要求进行包装。

    注意事项

    本文(硬脂酰苯甲酰甲烷生产工艺.docx)为本站会员(p**)主动上传,第壹文秘仅提供信息存储空间,仅对用户上传内容的表现方式做保护处理,对上载内容本身不做任何修改或编辑。 若此文所含内容侵犯了您的版权或隐私,请立即通知第壹文秘(点击联系客服),我们立即给予删除!

    温馨提示:如果因为网速或其他原因下载失败请重新下载,重复下载不扣分。




    关于我们 - 网站声明 - 网站地图 - 资源地图 - 友情链接 - 网站客服 - 联系我们

    copyright@ 2008-2023 1wenmi网站版权所有

    经营许可证编号:宁ICP备2022001189号-1

    本站为文档C2C交易模式,即用户上传的文档直接被用户下载,本站只是中间服务平台,本站所有文档下载所得的收益归上传人(含作者)所有。第壹文秘仅提供信息存储空间,仅对用户上传内容的表现方式做保护处理,对上载内容本身不做任何修改或编辑。若文档所含内容侵犯了您的版权或隐私,请立即通知第壹文秘网,我们立即给予删除!

    收起
    展开