欢迎来到第壹文秘! | 帮助中心 分享价值,成长自我!
第壹文秘
全部分类
  • 幼儿/小学教育>
  • 中学教育>
  • 高等教育>
  • 研究生考试>
  • 外语学习>
  • 资格/认证考试>
  • 论文>
  • IT计算机>
  • 法律/法学>
  • 建筑/环境>
  • 通信/电子>
  • 医学/心理学>
  • ImageVerifierCode 换一换
    首页 第壹文秘 > 资源分类 > DOCX文档下载
    分享到微信 分享到微博 分享到QQ空间

    炼钢厂动力车间工艺技术规程.docx

    • 资源ID:751426       资源大小:124.10KB        全文页数:58页
    • 资源格式: DOCX        下载积分:5金币
    快捷下载 游客一键下载
    账号登录下载
    三方登录下载: 微信开放平台登录 QQ登录
    下载资源需要5金币
    邮箱/手机:
    温馨提示:
    快捷下载时,如果您不填写信息,系统将为您自动创建临时账号,适用于临时下载。
    如果您填写信息,用户名和密码都是您填写的【邮箱或者手机号】(系统自动生成),方便查询和重复下载。
    如填写123,账号就是123,密码也是123。
    支付方式: 支付宝    微信支付   
    验证码:   换一换

    加入VIP,免费下载
     
    账号:
    密码:
    验证码:   换一换
      忘记密码?
        
    友情提示
    2、PDF文件下载后,可能会被浏览器默认打开,此种情况可以点击浏览器菜单,保存网页到桌面,就可以正常下载了。
    3、本站不支持迅雷下载,请使用电脑自带的IE浏览器,或者360浏览器、谷歌浏览器下载即可。
    4、本站资源下载后的文档和图纸-无水印,预览文档经过压缩,下载后原文更清晰。
    5、试题试卷类文档,如果标题没有明确说明有答案则都视为没有答案,请知晓。

    炼钢厂动力车间工艺技术规程.docx

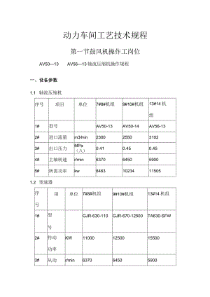
    动力车间工艺技术规程第一节鼓风机操作工岗位AV5013AV5613轴流压缩机操作规程一、设备参数1.1 轴流压缩机序号项目单位7#8#机组9#10#机组13#14机组1#型号AV50-13AV50-14AV56-132#进口流量m3min2300255031023#出口压力MPa(八)0.410.450.454#主轴转速r/min6370645059005#所需功率kw846310234115051.2 变速器序号项单位7#8#机组9#10#机组13#14机组1#型号GJR-630-110GJR-670-12500TA630-SFW2#传动功率KW1100012500155003#从动r/min637064505900转速4#主轴转速r/min1489148714885#速比kw4.294.3333.9741.3 主电机序号项H单位7#8#机组9#10#机组13#14机组1#型号YGF1000-4YGF1000-4YGF1000-42#功率KWIlOOO12500155003#电压V1000010000100004#电流A71482110045#主轴转速r/min1489148714886#温升1051051051.4 机组运行参数序号运行参数单位正常范围报警值停机值1润滑油压MPa0.15-0.20.110.082润滑油温3540453风机轴承温度854变速箱轴承755风机轴振动um76936电机定子温度21257电机轴承温度808风机轴位移mm±0.4±0.89动力油压MPa1212.5119IO动力油温304555二、轴流风机启动前的检查与准备工作1、确认启动机组的编号,对启动机组设备进行详细检查。2、启动电动润滑油泵,调整油压在正常范围值,缓慢打开去高位油箱的注油阀,待高位油箱视窗有回油时应立即关闭注油阀。3、通过各轴承的回油管路上的视油窗检查润滑系统应畅通无阻。并无泄漏现象。同时检查油箱油位不得低于最低油位或报警值。油温应保持在2530之间否则应对油加热。4、对电动润滑油泵进行自动连锁试验。确认正常后、一运一备。5、启动电动盘车前的检查:油质标准320#工业闭式齿轮油。齿轮箱液位标准:离齿轮箱顶面70mm为合格。低于100nIrn时应加油。5.1启动电动盘车(或手动盘车)前:AV50系列要把行程手柄推到位。再在电机上端手动盘车1/2圈后在现场启动电动盘车。(AV56-13盘车启动后手按轴系位移按钮再复位一次)确认电动盘车工作正常。同时侦听机组内部应无磨刮声和异常声音。并确认转动部分正常。6、动力油系统检查,油箱油位不得低于最低油位线或报警值。油温不得低于25否则应对油进行加热。7、启动动力油泵调整油压值在正常范围,进行自动连锁试验,确认正常后一运一备。8、检查蓄能器内氮气压力,不得低于65MPa否则需充氮。蓄能器一运一备。9、检查润滑油系统、动力油系统畅通正常无泄漏,检查油冷却器、主电机空气冷却器的冷却水系统正常。应畅通并无泄漏现象。10、检查送风管路上的各电动阀门、手动阀门是否灵活好用应在关闭位置。逆止阀应在关闭位置。防喘阀、旁通电动阀应全开11、检查空气过滤器、滤芯无破损、无杂物、氮气压力正常无泄漏。反吹正常。无异常现象。12、按照AV5013、AV5014、AV5613机组PLC开机画面要求进行操作试验,并确认PLC各画面工作正常、KG221操作控制柜各指示灯、按钮操作正常。三、机组的启动1、启动机组前:应同动力厂调度、炼铁厂调度、所属变电站、高配电工联系经同意后发给高配允许启动执令、(指示灯亮)。值班人员操作启动按钮。约2045秒启动完毕,运转指示灯亮。用鼠标点击“静叶释放”风机静叶将从14。快速释放到22°-24°、点击自动操作逆止阀闭锁解除、可进行静叶、防喘阀操作调整。(AV56-13风机启动完毕后、手按轴系位移再复位一次)2、机组启动升速过程中要仔细侦听机组内部的声音,同时监视轴系画面、和报警画面。如发现不正常的声音或振动时应立即采取措施,直至停机。(或自动连锁停机)排除故障后再启动机组。3、对机组进行全面检查:各参数、各PLC画面、振动、润滑系统、动力油系统是否正常。4、油冷却器出口油温达到40时,应打开油冷却器冷却水进出口阀门,调整冷却水压、水的流量保持油冷却器出口油温在3540,要求冷却器内水压低于油压。5、动力油箱温度W45。时应打开油冷却器水进出口阀门调整水压,保持油温在3545(AV56-13开再循环油泵调整油温)。6、调整主电动机空气冷却器进出水阀,使电机温升低于105。7、观察压缩机的外壳在受热膨胀时,是否正常。侦听机组内部的声音是否正常。8、确认机组各参数正常。设备运行正常后,可以联系高炉送风。四、机组给高炉的送风操作1、送风时首先打开送风管路上的电动阀门,然后逐渐关闭旁通电动放风阀调整防喘阀开度和静叶角度(14°-79°),注意观察逆止阀是否打开,按照微机运行工况画面进行工况调整,注意排气压力送风流量的变化满足高炉用风要求,以上操作应注意风压上升不宜过快,注意各参数的变化。2、高炉发生放风时同高炉及时联系,操作人员应及时调整机组负荷,检查机组运行状况和各参数的变化情况。3、高炉休风时。全开防喘振阀,同时调整静叶角度到24°-25°4、风机出现喘振、或“安全运行”时要及时通知高炉并同时操作调整供风工况点消除喘振。或解除“安全运行”闭锁、点击“存储器复位”点击“自动操作”、逆止阀闭锁解除。可进行静叶、防喘阀操作调整恢复正常供风。五、机组的停车1、接道高炉主控室值班工长(姓名)允许停机的指令后,同动力厂调度所属变电站、厂调度、配电工取得联系经同意。2、降低负荷,逐渐全开防喘振阀,电动放风阀,关闭送风蝶阀,调整静叶角度为24°25°o3、手动操作主电机停止按钮。4、在停机过程中,要仔细观察机组的振动并细听有无异常声音,记录机组的惰走时间。5、机组转子完全停止转动后,进行自动盘车或手动盘。手动盘车的时间要求:5. 12小时内每15分钟风机转子旋转180oO5.2 2小时至6小时内每30分钟风机转子旋转180。5.3 6小时后每小时风机转子旋转180°。5.4 12小时后每2小时风机转子旋转180。,直至机壳温度均为冷却到接近室温,可停止盘车。5.5 电动盘车停止后,可停止润滑油泵工作,油温低于30时,应切断油冷却器的冷却水(冬季应排净油冷却器内积水做好防东工作)。6、机组转子完全停止转动后5分钟,可停止动力油泵,关闭油冷却器的冷却水(冬季应排净油冷却器内积水做好防东工作)。六、运行中的检查维护1、每2小时对运行机组各温度点、压力表、振动点、机组内部声音、油系统、风系统、水系统、空气过滤器、泄漏等情况全面检查一次。发现问题和异常现象,如本班不能处理应立即汇报,并做好记录。2、油冷却器的切换操作:在切换前先开备用冷却器的排空阀(溢流阀),然后打开平衡阀(注油阀),当排空阀的视油窗(或溢流管)有油溢流时,可关闭排空阀,待5分钟后上下油冷却器压力平衡,可进行冷却器切换,切换完毕后可关闭平衡阀。同时打开冷却水进出口阀门,调整油温在3040范围内。3、润滑油站滤油器的切换操作:在切换前先开备用滤油器的排空阀,然后打开平衡阀(注油阀),当排空阀的或溢流管有油溢出时,可关闭排空阀,待2分钟压力平衡后,可进行滤油器切换。切换完毕后可关闭平衡阀。注:动力油站滤油器的切换操作同上。4、润滑油站、动力油站油箱补充新油时,必须使用滤油机补充新油,本机使用32#汽轮机油,补充新油时要保持清洁无污染,严禁其它油品混入。七、常见故障及处理措施:1、开机时,手动不能转换开关、高压开关合不上:序号故障原因处理措施1水电阻极板未复位,允许启动灯未亮水电阻极板复位2合闸保险是否已供或损坏检查或更换3控制保险不良检查或更换4开关及其操作机构故障检查或更换2、油温高与滤油器前后压差大:序号故障原因处理措施1冷却水量小开大出水阀门,检查进水阀应全开2冷却水温高通知泵房增开凉水塔3油冷器效果不佳切换另一台油冷器或停机检修4滤油器效果不佳切换另一台滤油器3、电动辅助油泵,指示灯亮但无油压指示:序号故障原因处理措施1油泵电源未供电送电2电机故障检修4、某一轴承温度升高序号故障原因处理措施1温度检测元件故障检修或更换2通本轴承油管路堵塞轻敲无效,停机3本轴承故障,伴有异常声音停机5、轴承温度升高:序号故障原因处理措施1油温高降低油温,加大冷水流量2油压低提高油压,检查过滤器压差或切换过滤器3轴承损坏停机更换4缺油加油6、风机声音异常、振动大:序号故障原因处理措施1高炉鳖返风打开放风阀门2转子有故障停机检修3推力轴承或支撑轴承故障停机检修7、电机定子温度高序号故障原因处理措施1温度检测元件故障检修或更换2冷却器有气阻(回水管上半管发热)在电机冷却器顶部放气3冷却效果不佳开大进水阀门或停机检修七、机组的安全防护1、准备在装置上进行工作维护之前,应该拉开隔离开关,如果采用了任何单独的控制线时,也要将它断开。2、在未消除整个系统的压力之前,切勿拆卸任何鼓风机的零部件。3、机组还在运行时,切勿维护任何零部件。4、不得让鼓风机的运行压力超过鼓风机铭牌上所标明的额定值。5、切勿让鼓风机的转速超过驱动电机铭牌上所标明的额定值。6、鼓风机正在运行时,不得取下任何保护装置,屏敝件或滤网。7、定期检查所有安全设备,看是否运转正常。8、要确保没有工具,抹布或松动的零件留在鼓风机内。9、切勿使用易燃溶剂清洗零部件。10、切勿用压缩气体打斗嬉戏,有压力的空气会严重伤人。11、在维修时,可以用干净的布块或牛皮纸,盖住零件或暴露在外的孔口,使污物不落入鼓风机内。12、当未安装好保护,屏敝和滤网时切勿让鼓风机运行。13、不要让鼓风机在可能会吸入易燃或有毒烟雾的地方运行。14、千万不要将排放的空气用于通气。15、带有压力的油或空气会造成人身严重伤亡或死亡,在拆下任何盖帽或插塞之前,先要把鼓风机停下来。八、应急处理1、机组突然发生强烈振动或机壳内有磨刮声时,应立即停车。2、任一轴承或密封处发现冒烟时,应立即停车。3、进油管上的油压下降至0.05MPa时,而连锁的

    注意事项

    本文(炼钢厂动力车间工艺技术规程.docx)为本站会员(p**)主动上传,第壹文秘仅提供信息存储空间,仅对用户上传内容的表现方式做保护处理,对上载内容本身不做任何修改或编辑。 若此文所含内容侵犯了您的版权或隐私,请立即通知第壹文秘(点击联系客服),我们立即给予删除!

    温馨提示:如果因为网速或其他原因下载失败请重新下载,重复下载不扣分。




    关于我们 - 网站声明 - 网站地图 - 资源地图 - 友情链接 - 网站客服 - 联系我们

    copyright@ 2008-2023 1wenmi网站版权所有

    经营许可证编号:宁ICP备2022001189号-1

    本站为文档C2C交易模式,即用户上传的文档直接被用户下载,本站只是中间服务平台,本站所有文档下载所得的收益归上传人(含作者)所有。第壹文秘仅提供信息存储空间,仅对用户上传内容的表现方式做保护处理,对上载内容本身不做任何修改或编辑。若文档所含内容侵犯了您的版权或隐私,请立即通知第壹文秘网,我们立即给予删除!

    收起
    展开