欢迎来到第壹文秘! | 帮助中心 分享价值,成长自我!
第壹文秘
全部分类
  • 幼儿/小学教育>
  • 中学教育>
  • 高等教育>
  • 研究生考试>
  • 外语学习>
  • 资格/认证考试>
  • 论文>
  • IT计算机>
  • 法律/法学>
  • 建筑/环境>
  • 通信/电子>
  • 医学/心理学>
  • ImageVerifierCode 换一换
    首页 第壹文秘 > 资源分类 > DOCX文档下载
    分享到微信 分享到微博 分享到QQ空间

    施工试验新doc.docx

    • 资源ID:751026       资源大小:40.95KB        全文页数:7页
    • 资源格式: DOCX        下载积分:5金币
    快捷下载 游客一键下载
    账号登录下载
    三方登录下载: 微信开放平台登录 QQ登录
    下载资源需要5金币
    邮箱/手机:
    温馨提示:
    快捷下载时,如果您不填写信息,系统将为您自动创建临时账号,适用于临时下载。
    如果您填写信息,用户名和密码都是您填写的【邮箱或者手机号】(系统自动生成),方便查询和重复下载。
    如填写123,账号就是123,密码也是123。
    支付方式: 支付宝    微信支付   
    验证码:   换一换

    加入VIP,免费下载
     
    账号:
    密码:
    验证码:   换一换
      忘记密码?
        
    友情提示
    2、PDF文件下载后,可能会被浏览器默认打开,此种情况可以点击浏览器菜单,保存网页到桌面,就可以正常下载了。
    3、本站不支持迅雷下载,请使用电脑自带的IE浏览器,或者360浏览器、谷歌浏览器下载即可。
    4、本站资源下载后的文档和图纸-无水印,预览文档经过压缩,下载后原文更清晰。
    5、试题试卷类文档,如果标题没有明确说明有答案则都视为没有答案,请知晓。

    施工试验新doc.docx

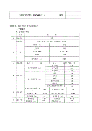
    技术交底记录(表式C2-2-1)编号交底提要:施工试验技术交底交底内容:一、工程概述1、建筑设计概况项目内容1建筑功能住宅建筑特点本楼立面设计造型简洁,色彩明快,并注重2断也破蹄(m2)(m2)143503800地±面R(m2)地下瞭(m2)121542195桶W粉酬(m2)660.83建筑层数地下3层地上18层,局部21层4建筑层高地下部分层高(m)地下3层3.35地下2层3.05地下1层2.6地上部分层局(m)首层2.8标准层2.818层2.9膨胀水箱间2.5隔离层2.5消防水箱间和电梯机房3.35建筑高度±0相对于绝对标高(m)46.9室内外高差(m)1.2基底标高(In)-10.085最大基坑深度(In)-10.785檐口高度(In)53.1建筑总高(m)60.56建筑平面横轴编号127纵轴编号AQ横轴距离(m)26.1纵轴距离(m)27.9技术交底记录(表式C2-2-1)编号交底提要:施工试验技术交底交底内容:7建筑防火耐火等级为二级,每层为一个防火分区,均有两个安全出口,防火分区之间的门为甲级防火门,楼梯为防烟楼梯间,自然排烟,两部电梯中一部兼做消防梯,地下二层设自动喷洒和自动火灾报警系统,其余各层设干粉灭火器8墙面保温地上部分外墙做50mm厚增强水泥聚苯复合板内保温9外装修檐口湖兰色涂料外墙装修除二层以下为青色剁斧石,阳台栏板为乳白色涂料外,其余为砖红色涂料门窗工程塑钢门窗屋面工程不上人屋面80mm厚聚苯板保温,水泥焦渣找坡,SBSI型改性沥青防水卷材,3mm厚,二层,苯丙乳液保护层上人屋面保温、防水层同上,缸石专面层主入口水泥砂浆台阶和无障碍坡道,阳光板雨棚10内装修顶棚地下二层厕所、盥洗室为PVC板吊顶,物业管理、会议室、走道为硅钙板吊顶,水箱间和电梯机房走道为石膏板吊顶,其余主要为水性耐擦洗涂料地面工程地下部分主要为细石混凝土地面,地上部分主要为水泥地面内墙除卫生间、厨房墙面为釉面砖,其余为水性耐擦洗涂料门窗工程普通门木夹板门、木百页门、木折叠门特种门人防悬板活门、密闭门、木质防火门楼梯为水泥砂浆面层,结构施工时直接做至面层公用部分水泥砂浆和细石混凝土地面,水性耐擦洗涂料墙面11防水地下室两道设防,一道为抗渗标号为P8钢筋碎自防水,一道为两层SBSI型改性沥青防水卷材。屋面两层SBSI型改性沥青防水卷材。室内为1.5mm聚氨酯涂膜防水技术交底记录(表式C2-2-1)编号交底提要:施工试验技术交底交底内容:2、结构设计概况序号项目内容1结构形式基础结构形式钢筋混凝土筏板基础主体结构形式全现浇剪力墙结构屋盖结构形式现浇钢筋混凝土楼板2土质、水位土质概况土层主要由人工填土、粘质粉土、中砂、圆砾、砂质粉土、砾岩等组成,属永定河冲洪积扇中部地貌,场地土类型属中软场地区,建筑场地类别为11类地下水位地下水埋深7.88.4m,属于潜水,对混凝土无侵蚀性标准冻结深度0.8m3建筑物地基地基土质层地基持力层为层中砂地基承载力300KPa4人防等级五级设防5地下防水系统混凝土自防水2P8柔性防水SBSn型改性沥青防水卷材6混凝土强度等级十层以下墙体C30十层以上墙体C25地下部分顶板C30地上部分顶板C257抗震等级工程设防烈度8度剪力墙抗震等级三层以下一级,三层以上二级8钢筋类别I级66、68、610、12II级12、14、16、18、20、22、25技术交底记录(表式C2-2T)编号交底提要:施工试验技术交底交底内容:8钢筋类别I级66、4>8、10>12H级中12、014、中16、GI8、中20、22.259钢筋接头电渣压力焊暗柱主筋滚轧直螺纹基础及其他部位水平向钢筋直径222绑扎基础底板、顶板、墙体钢筋10结构断面尺寸地下外墙300mm内墙200mm»局部300m楼板负三层顶板为40OnIn1,其余为20Omm地上墙体180mm,局部200mm楼板13OnInI,屋面板125mm二、具体的试验计划详见附页“材料试验计划”。三、取样方法1、钢筋原材试验(I)每批同一厂别,同一规格,同一炉罐号,同一交货状态,同一进场时间60T为一批,不足60T仍按一批取样。(2)对同一牌号,同一冶炼和浇铸方法的不同炉罐号的钢筋组成混合批,各炉罐号的含碳量差不超过0.02%,含镒量差不能超过0.15%o(3)每组试件取拉伸、弯曲试件各2个。2、钢筋机械连接(1)钢筋机械连接分为工艺检验和现场检验,在正式施工前,按同批钢筋、同种机械连接形式的试件不少于3根做抗拉强度试验。同时对应截取接头试件的钢筋母材,进行抗拉强度试验。现场检验的验收批进行取样,同一施工条件下,采技术交底记录(表式C2-2T)编号交底提要:施工试验技术交底交底内容:用同一批材料的同等级、同形式、同规格接头,以500个为一个验收批,不足500个也作为一个验收批。每一验收批,必须在工程结构中随机截取3个试件做抗拉强度试验。3、电渣压力焊接头(1)电渣压力焊分班前焊和现场检验试件。在正式焊接前按同一焊工、同批钢筋、同焊接形式取样批试件1组,试验数量和试验项目与现场检验试件相同。现场检验试件以每一流水段的同级别钢筋接头300个作为一个验收批,每一个验收批取3个拉力试件。4、混凝土(1)混凝土标养试块在罐车卸料处取样,混凝土同条件试块在浇筑地点取样。(2)普通混凝土强度试验以同一混凝土强度等级,同一配合比,同种原材料,每样别100nA每一工作台班,每一流水段取样不得少于一次。每次取样墙体留置1组标养试块,1组同条件试块;顶板留置1组标养试块,2组同条件试块。(3)抗渗混凝土连续浇筑量为500?以下时,留置2组抗渗试块(1组标养,1组同条件养护),每增加500n时增留2组抗渗试块。如使用的原材料、配合比或施工方法有变化时,均应另行留置试块。5、水泥结构施工全部采用预拌碎,本工程所用水泥主要为陶粒砖砌块墙、地面轻集料碎垫层和水泥砂浆、屋面防水找平层等部位。对同一水泥厂同品牌、同强度等级、同一出厂编号每W200T为一验收批,随机的从不少于20袋中各取同等数量的水泥,经搅拌均匀后,再从中取不少于12kg水泥作为检验试样。技术交底记录(表式C2-2-1)编号工程名称北京铁路局1#住宅楼工程施工单位铁建一处第四项目部交底提要:施工试验技术交底交底内容:6、砂子以同一产地、同一规格W400n或600T为一验收批,每一验收批取样1组(20kg),取样部位均匀分布,在料堆上8个不同部位抽取等量试样(每份Ukg),然后用四分法缩至20kg。7、石子以同一产地、同一规格W400?或600T为一验收批取样1组,1组40kg(最大粒径10、16、20mm),取样部位应均匀分布,在料堆上从5个不同部位抽取大致相等的试样15份,每份5-40kg,然后缩分至40kg。8、轻集料同一品种,同一密度等级每200n?为一验收批,每一验收批取样1组,最大粒径W2001111时取样0.()811?。试样可以从料堆自上到下不同部位,不同方向任选10点。9、陶粒碎砌块每Wl万块为一验收批,每一验收批取样1组(5块)。10、烧结多孔砖每W5万块为一验收批,每一验收批取样1组(10块)。11砌筑砂浆取样应在搅拌机出料口处,以同一砂浆强度等级,同一配合比,同种原材料每一楼层或250m2砌体为一个取样单位,每个取样单位标养试块留置不得少于1组(6块)。12、SBSI型改性沥青防水卷材大于100o卷抽5卷,每500-1000卷抽4卷,100-499卷抽3卷,100卷以下抽2卷,进行规格尺寸和外观质量检查,在外观检查合格的卷材中,技术负责人交底人接受交底人本表由施工单位填写,交底单位与接受交底单位各存一份。技术交底记录(表式C2-2-1)编号交底提要:施工试验技术交底交底内容:任取1卷做物理性能检验。13、聚氨酯防水涂料以同一生产厂甲组份每W5T为一验收批,乙组份按产品重量配比相应增力口。每一验收批按产品的配比取样,甲乙组份样品总重为2kg。14、回填土(1)(2)按取样点布置图取样、编号、取土后连同环刀一并送试,每层100-500m2,取1点,但不少于1点。四、见证取样对钢筋原材、钢筋机械连接及电渣焊接头,碎试件,SBSI型防水卷材和聚氨酯涂料等需100%进行复试,其中不小于30%为见证取样。五、试验记录1、佐浇筑记录:对碎浇筑要记录好出站时间,浇筑结束时间和总耗时间。浇筑时间超过3小时及时通知技术室,碎出厂到浇筑完不得超过3小时。2、养护测温记录:标养室测温记录每天不少于3次,温度20°C±3,湿度不小于90%。3、同条件砂养护试块要保证试块与结构环境的同条件,在常温施工中试块与结构面放在一起,同现场养护相同。同条件试块必须在结构面浇筑地点留置,不得在试验室留置后吊入结构面。4、试验室所做试验项目,试验合格后及时作好记录和通知技术室、施工室,并及时发放拆模强度通知单,碎强度报告单,所有原材试验报告,试验报告单两日内报送资料室,新进厂材料要及时做好向监理材料报验工作。5、现场试验如遇到不合格,及时通知技术主管部门。

    注意事项

    本文(施工试验新doc.docx)为本站会员(p**)主动上传,第壹文秘仅提供信息存储空间,仅对用户上传内容的表现方式做保护处理,对上载内容本身不做任何修改或编辑。 若此文所含内容侵犯了您的版权或隐私,请立即通知第壹文秘(点击联系客服),我们立即给予删除!

    温馨提示:如果因为网速或其他原因下载失败请重新下载,重复下载不扣分。




    关于我们 - 网站声明 - 网站地图 - 资源地图 - 友情链接 - 网站客服 - 联系我们

    copyright@ 2008-2023 1wenmi网站版权所有

    经营许可证编号:宁ICP备2022001189号-1

    本站为文档C2C交易模式,即用户上传的文档直接被用户下载,本站只是中间服务平台,本站所有文档下载所得的收益归上传人(含作者)所有。第壹文秘仅提供信息存储空间,仅对用户上传内容的表现方式做保护处理,对上载内容本身不做任何修改或编辑。若文档所含内容侵犯了您的版权或隐私,请立即通知第壹文秘网,我们立即给予删除!

    收起
    展开