欢迎来到第壹文秘! | 帮助中心 分享价值,成长自我!
第壹文秘
全部分类
  • 幼儿/小学教育>
  • 中学教育>
  • 高等教育>
  • 研究生考试>
  • 外语学习>
  • 资格/认证考试>
  • 论文>
  • IT计算机>
  • 法律/法学>
  • 建筑/环境>
  • 通信/电子>
  • 医学/心理学>
  • ImageVerifierCode 换一换
    首页 第壹文秘 > 资源分类 > DOCX文档下载
    分享到微信 分享到微博 分享到QQ空间

    电气--检验批质量验收记录全套模板.docx

    • 资源ID:749457       资源大小:245.15KB        全文页数:37页
    • 资源格式: DOCX        下载积分:5金币
    快捷下载 游客一键下载
    账号登录下载
    三方登录下载: 微信开放平台登录 QQ登录
    下载资源需要5金币
    邮箱/手机:
    温馨提示:
    快捷下载时,如果您不填写信息,系统将为您自动创建临时账号,适用于临时下载。
    如果您填写信息,用户名和密码都是您填写的【邮箱或者手机号】(系统自动生成),方便查询和重复下载。
    如填写123,账号就是123,密码也是123。
    支付方式: 支付宝    微信支付   
    验证码:   换一换

    加入VIP,免费下载
     
    账号:
    密码:
    验证码:   换一换
      忘记密码?
        
    友情提示
    2、PDF文件下载后,可能会被浏览器默认打开,此种情况可以点击浏览器菜单,保存网页到桌面,就可以正常下载了。
    3、本站不支持迅雷下载,请使用电脑自带的IE浏览器,或者360浏览器、谷歌浏览器下载即可。
    4、本站资源下载后的文档和图纸-无水印,预览文档经过压缩,下载后原文更清晰。
    5、试题试卷类文档,如果标题没有明确说明有答案则都视为没有答案,请知晓。

    电气--检验批质量验收记录全套模板.docx

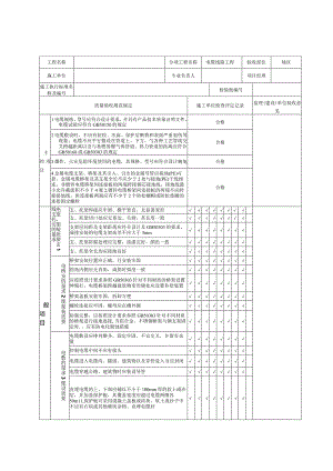
    工程名称分项工程名称电缆线路工程验收部位场区施工单位专业负责人项目经理施工执行标准名称及编号检验批编号质量验收规范规定施工单位检查评定记录监理(建设)单位验收意见主控项目1电缆规格、型号应符合设计要求,并具有产品技术质量证明文件,电缆试验应符合GB50150的规定合格2电缆敷设时,不应有扭绞、压扁、保护层断裂和表面严重划伤等现象;电缆不应平行敷设在管道上、下方,勺各种工艺管线交叉跨越距离以及与易燃易爆气体管道、热力管道的距离应符合GB50168或GB50303的规定合格3爆炸、火灾危险环境使用的电缆,其规格、型号应符合设计婉兔合格4金属电缆支架、桥架及其引入、引出的金属导管应接地(PE)可靠,金属电缆桥架及其支架全长不应少于2处与接地(PE)干线相连。非镀锌电缆桥架间连接板的两端跨接铜芯接地线,接地线最小允许截面积不小于4廊2,镀锌电缆桥架间连接板的两端不应跨接接地线,但连接板两端应有不少于2个防松螺帽或防松垫圈的连接固定螺栓合格般项目电宽、架装质要玄1线支托安的量求支、托架焊接应牢固、横平竖直,无显著变形支、托架切口处应无卷边、毛刺,其长度一致支架层间距及支架距离应符合设计及GB50303的要求,成排安装的电缆支架高差不应大于5mm支、托架防腐处理应完整,油漆完好,颜色一致支、托架全长均应接地良好电桥安的量求2缆架装质要桥架安装位置应正确,且安装牢固拐角内侧应无直角,成排时弧度一致应按照设计要求参照GB50303针对不同材质的桥架设置伸缩打,电缆桥架跨越建筑物变形缝处应设置补偿装置桥架盖板安装牢固,拆卸方便螺栓连接应牢固,螺母应在槽外侧防腐完整,应按照设计要求参照GB50303针对不同材质的桥架进行接地连接,当铝合金、不锈钢桥架与钢支架固定时.,应有防电化腐蚀措施电敷的量求3缆设质要电缆敷设应排列整齐,固定牢固,不宜交叉,并留有余量控制电缆中间不应有接头电缆进入电缆沟、隧道、建筑物以及穿管进入Il应封闭电缆穿越公路、建筑物时应装设导管直埋电缆的上、下部应铺以不小于100mm厚的软土或沙层,并加盖保护板,其覆盖宽度应超过电缆两侧各50m11,保护板可采用混凝土盖板或砖块。软土或沙子中不应有石块或其他硬质杂物。直埋电缆回工程名称分项工程名称电缆线路工程验收部位场区施工单位专业负责人项目经理施工执行标准名称及编号检验批编号质量验收规范规定施工单位检查评定记录监理(建设)单位验收意见填土时,应分层夯实直埋电缆在直线段每隔50m100m处、电缆接头处、拐弯处、进入建筑物等处应设置明显的方位标志桩水底电缆敷设的质量要求见条款7.3.3.7爆炸、火灾危险环境电缆敷设的质量要求见条款7.3.3.8电缆最小允许弯曲半径与电缆外径的比值:控制电缆叮橡皮绝缘电力电缆、聚氯乙烯绝缘电力电缆不应小于10;多芯交联聚乙烯绝缘电力电缆不应小了15,单芯交联聚乙烯绝缘电力电缆不应小了20终电头作质要4端缆制的量求电缆头芯线应连接紧密,相位一致冷、热缩电缆头制作应符合产品技术要求电缆头固定应牢固,排列应整齐,金属护层接地应良好7在防爆区域使用填料函时,填料函的选用规格应合适,电缆的金属防护层与填料函之间应压紧电线、电缆的回路标记应清晰,编号应准确中电接制的量求5间缆头作质要制作前应检查电缆型号、规格、电压等级,均应符合设计规定:绝缘应良好:电缆中间接头盒及其配件应齐全、无损伤电缆中间接头制作工艺应符合工艺规程规定,连接管压模尺寸应与芯线规格相符,外观应完好接地线与电缆屏蔽层、铠装层连接应符合GB50168的要求,锡焊外观应平整,无毛刺施工单位检查评定结果项目专业质量检查员:年月日监理(建设)单位验收结论专业监理工程师:(建设单位项目代表)年月日工程名称分项工程名称电缆线路工程验收部位变频装置室施工单位专业负责人项目经理施工执行标准名称及编号检验批编号-01-04-01-01-02质量验收规范规定施工单位检查评定记录监理(建设)单位验收意见主控项目1电缆规格、型号应符合设计要求,并具有产品技术质量证明文件,电缆试验应符合GB50150的规定合格2电缆敷设时,不应有扭绞、压扁、保护层断裂和表面严重划伤等现象;电缆不应平行敷设在管道上、卜方,与各种工艺管线交叉跨越距离以及与易燃易爆气体管道、热力管道的距离应符合GB50168或GB50303的规定合格3爆炸、火灾危险环境使用的电缆,其规格、型号应符合设计规定合格4金属电缆支架、桥架及其引入、引出的金属导管应接地(PE)可靠,金属电缆桥架及其支架全长不应少于2处与接地(PE)干线相连。非镀锌电缆桥架间连接板的两端跨接铜芯接地线,接地线最小允许截面积不小于mm2,镀锌电缆桥架间连接板的两端不应跨接接地线,但连接板两端应有不少于2个防松螺帽或防松垫圈的连接固定螺栓合格般项目电宽、架装质要货1级支托安的量求支、托架焊接应牢固、横平竖直,无显著变形支、托架切口处应无卷边、毛刺,其长度致支架层间距及支架距离应符合设计及GB50303的要求,成排安装的电缆支架高差不应大于5mm支、托架防腐处理应完整,油漆完好,颜色一致支、托架全长均应接地良好电桥安的量求2缆架装质要桥架安装位置应正确,且安装牢固拐角内侧应无直角,成排时孤度一致应按照设计要求参照GB50303针对不同材质的桥架设置伸缩节,电缆桥架跨越建筑物变形缝处应设置补偿装置桥架盖板安装牢固,拆卸方便螺栓连接应牢固,螺母应在槽外侧防腐完整,应按照设计要求参照GB50303针对不同材质的桥架进行接地连接,当铝合金、不锈钢桥架与钢支架固定时,应有防电化腐蚀措施7电敷的量求3缆设质要电缆敷设应排列整齐,固定牢固,不宜交叉,并留有余量控制电缆中间不应有接头电缆进入电缆沟、隧道、建筑物以及穿管进入口应封闭电缆穿越公路、建筑物时应装设导管直埋电缆的上、下部应铺以不小于100mm厚的软土或沙层,并加盖保护板,其覆盖宽度应超过电缆两侧各50r三,保护板可采用混凝土盖板或砖块。软土或沙子中不应有石块或其他硬质杂物IJ直埋电缆回续表A.1.1电缆线路工程检验批质量验收记录工程名称分项工程名称电缆线路工程验收部位变频装置室施工单位专业负责人项目经理施工执行标准名称及编号检验批编号-01-04-01-01-02质量验收规范规定施工单位检查评定记录监理(建设)单位验收意见填土时,应分层夯实V直埋电缆在直线段每隔50m10(处、电缆接头处、拐弯处、进入建筑物等处应设置明显的方位标志桩V水底电缆敷设的质量要求见条款7.3.3.7V爆炸、火灾危险环境电缆敷设的质量要求见条款7.3.3.8电缆最小允许弯曲半径与电缆外径的比值:控制电缆与橡皮绝缘电力电缆、聚氯乙烯绝缘电力电缆不应小于10:多芯交联聚乙烯绝缘电力电缆不应小于15,单芯交联聚乙烯绝缘电力电缆不应小于207终电头作质要4端缆制的量求电缆头芯线应连接紧密,相位致V冷、热缩电缆头制作应符合产品技术要求V电缆头固定应牢固,排列应整齐,金属护层接地应良好7在防爆区域使用填料函时,填料函的选用规格应合适,电缆的金属防护层与填料函之间应压紧V电线、电缆的回路标记应清晰,编号应准确7中电接制的量求5间缆头作质要制作前应检查电缆型号、规格、电压等级,均应符合设计规定;绝缘应良好;电缆中间接头盒及其配件应齐全、无损伤V电缆中间接头制作工艺应符合工艺规程规定,连接管压模尺寸应与芯线规格相符,外观应完好V

    注意事项

    本文(电气--检验批质量验收记录全套模板.docx)为本站会员(p**)主动上传,第壹文秘仅提供信息存储空间,仅对用户上传内容的表现方式做保护处理,对上载内容本身不做任何修改或编辑。 若此文所含内容侵犯了您的版权或隐私,请立即通知第壹文秘(点击联系客服),我们立即给予删除!

    温馨提示:如果因为网速或其他原因下载失败请重新下载,重复下载不扣分。




    关于我们 - 网站声明 - 网站地图 - 资源地图 - 友情链接 - 网站客服 - 联系我们

    copyright@ 2008-2023 1wenmi网站版权所有

    经营许可证编号:宁ICP备2022001189号-1

    本站为文档C2C交易模式,即用户上传的文档直接被用户下载,本站只是中间服务平台,本站所有文档下载所得的收益归上传人(含作者)所有。第壹文秘仅提供信息存储空间,仅对用户上传内容的表现方式做保护处理,对上载内容本身不做任何修改或编辑。若文档所含内容侵犯了您的版权或隐私,请立即通知第壹文秘网,我们立即给予删除!

    收起
    展开