欢迎来到第壹文秘! | 帮助中心 分享价值,成长自我!
第壹文秘
全部分类
  • 幼儿/小学教育>
  • 中学教育>
  • 高等教育>
  • 研究生考试>
  • 外语学习>
  • 资格/认证考试>
  • 论文>
  • IT计算机>
  • 法律/法学>
  • 建筑/环境>
  • 通信/电子>
  • 医学/心理学>
  • ImageVerifierCode 换一换
    首页 第壹文秘 > 资源分类 > DOCX文档下载
    分享到微信 分享到微博 分享到QQ空间

    幼儿园维修改造项目水电安装工程施工方案及技术措施.docx

    • 资源ID:748090       资源大小:91.89KB        全文页数:18页
    • 资源格式: DOCX        下载积分:5金币
    快捷下载 游客一键下载
    账号登录下载
    三方登录下载: 微信开放平台登录 QQ登录
    下载资源需要5金币
    邮箱/手机:
    温馨提示:
    快捷下载时,如果您不填写信息,系统将为您自动创建临时账号,适用于临时下载。
    如果您填写信息,用户名和密码都是您填写的【邮箱或者手机号】(系统自动生成),方便查询和重复下载。
    如填写123,账号就是123,密码也是123。
    支付方式: 支付宝    微信支付   
    验证码:   换一换

    加入VIP,免费下载
     
    账号:
    密码:
    验证码:   换一换
      忘记密码?
        
    友情提示
    2、PDF文件下载后,可能会被浏览器默认打开,此种情况可以点击浏览器菜单,保存网页到桌面,就可以正常下载了。
    3、本站不支持迅雷下载,请使用电脑自带的IE浏览器,或者360浏览器、谷歌浏览器下载即可。
    4、本站资源下载后的文档和图纸-无水印,预览文档经过压缩,下载后原文更清晰。
    5、试题试卷类文档,如果标题没有明确说明有答案则都视为没有答案,请知晓。

    幼儿园维修改造项目水电安装工程施工方案及技术措施.docx

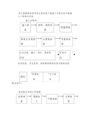
    幼儿园维修改造项目水电安装工程施工方案及技术措施1.l给排水系统施工总程序:"防腐材“交工验料收水压试验、灌水、通水、通球等试验系统冲洗各类设备、卫生洁具、消防器具等的安装与管道安装配合进行。室内给水系统工艺流程主要施工方法及技术措施本工程给水管用PPR聚丙烯塑料管热熔连接,消防管、喷淋管用镀锌管丝扣连接,大于DNloo的采用法兰连接,二次热镀锌。(1)管道系统在安装前,应检查管材、管件的质量保证文件是否齐全,是否符合设计要求;且应对材料外观和接头配合进行仔细检查,必须清除管材和管件内污垢和杂物。(2)管道系统安装过程中,应防止油漆、沥青等有机物与PVCU、管件接触。施工安装时应复核冷、热水管压力等级和使用场合。管道标记应面向外侧,处于显眼位置。管道穿墙壁、楼板及嵌墙暗敷时,应配合土建预留孔槽及预埋套管。其尺寸设计无规定时,应按下列规定执行:a:预留孔洞及套管尺寸宜比安装管道的公称外径大二八规格;b:嵌墙暗管墙槽应顺通,槽壁与外径净距宜取15-20mm,且墙槽表面平整,不得有尖角等突出物;C:管道穿越墙壁、楼板时,必须加套管,套管可采用塑料管;穿越地下室、地下构筑物、屋面及水箱时,应采用钢管套管。套管高出楼面30一50mm,高出屋面不小于100mm.(3)管道系统的横管宜有2%。一5%。的坡度坡向泄水装置。管道系统坐标、标高的允许偏差应符合下表的规定。管道系统坐标和标高的允许偏差(mm)项目允许偏差坐标埋地15架空或地沟10标高埋地+10架空或地沟+5(4)水平管道的纵、横方向的弯曲,立管垂直度,平行管道的成排阀门的安装应符合下表规定。管道和阀门安装允许偏差(mm)项目允许偏差水平管道纵横方向每米5每10米10立管垂直度每米3高度超过5米1010米以上,每10米10平行管道成排阀门在同一直线上间距3配管应符合下列规定:a断管工具选用细齿锯,割刀或专用断管机具b断管时,断口应平整,并垂直于管轴线;c应去掉断口处的毛刺和毛边,并倒角,倒角坡度宜为10-15度,倒角宽度宜为1-1.5mm.(7)同种材料的给水聚丙烯管及配件之间,应采用热熔连接,使用专用的热熔工具加热.(8)热熔工具接通电源,达到工作温度指示灯亮后方可能开始操作.(9)管材和管件的承口和插口应清洁,干燥,无油垢.(10)用卡尺和合适的笔在管端测量并标绘出热熔插接深度,热熔连(三)接技术要求应符合下表规定.热熔连接技术要求公称外经(mm)熔接深度(mm)加热时间(s)接插时间(三)冷却时间(mm)20145432516743322084440211264(12)熔接弯头或三通时,按设计图纸要求,应注意其方向在管件和管材的直线方向上,用辅助标志标出其位置.连接时,无旋转地把管端插入加热套内,插入到所标志的深度,同时无旋转地把管件推到加热头上,达到规定标志处,加热时间必须满足热熔连接技术要求的规定.(13)达到加热时间后,立即把管材和管件从加热套与加热头上同时取下,迅速无旋转到直线均匀插入到所标深度,使接头处形成均匀凸缘.在表内规定的加工时间内,刚熔好的接头还可校正,但严禁旋转.(14)聚丙烯管的立管和水平管的支吊架间距不得大于下表规定.支吊架最大间距(mm)公称外径202532405063水平管5006007008009001000立管90010001200140016001700(15)管道敷设严禁有轴向扭曲,穿墙或楼板时不得强制校正.管道暗敷在地坪面层内,应按设计图纸位置进行,如现在施工有更正,应有图纸记录,且管道上壁距离地坪层不得小于20mm.室内暗敷的聚丙烯管墙槽必须采用1:3水泥砂浆填补.(16)室内地坪+0.00以下聚丙烯管道铺设宜分为两阶段进行.先进行地坪+0.00以下至基础墙外壁段的铺设;待土建施工结束后,在进行户外连接管的铺设.室内地坪以下管道铺设应在土建工程回填土夯实以后,重新开挖进行.严禁在回填土前或为经夯实的土层铺设.铺设管道的沟底应平整,不得有突出的坚硬物体.土壤的颗粒径不宜大于12mm,必要时可铺IOomm厚的砂垫层.(17)埋地管道回填时,管周回填土不得夹杂坚硬物直接和聚丙烯管接触.应先用砂土和颗粒径不大于12mm的土壤回填至顶上侧30Omm处,经夯实后方可回填原土.室内埋地管道的埋深度不宜小于300mm.管端出地坪处应设置护套管,其高度应高出地坪100nlnl.管道在穿基础时,应设置金属套管.套管与基础墙顶埋孔上方的净空高度,若设计无规定时不应小于100mm.(18)管道连接使用热熔工具时,应遵守电器工具安全操作规程,严禁非操作人员使用,注意防潮和赃物污染.操作现场不得有明火,严禁对聚丙烯管材进行明火烘弯.(19)丝扣连接的管道,管螺纹加工精度符合规定要求,螺纹清洁,规整,断口或缺口不大于螺纹全扣数的10%,连接牢固,管螺纹根部有外螺纹漏出部分要刷防锈漆接口处无外露油麻等缺陷.(20)断管,根据现场测绘草图,在选好的管材上画线,按线断管;用砂轮锯断管后,要将管口断面的管膜,毛刺清除干净;当用手工锯断管时,锯口要锯到底,不许扭断或折断,以防管口断面变形。(21)套丝:将断好的管材,按管径尺寸分次套制丝扣,管径15-32mm者套二次,40-50mm者套三次,7OmnI以上者套3-4次为宜.(22)配装管件:根据现场测绘草图,将以套好丝扣的管材,配装管件时应将所需管件带入管丝扣,试试松紧度(一般用手带入3扣为宜),在丝扣处涂铅油,缠麻后带入管件,然后用管钳将管件拧紧,使丝扣外露2-3扣,去掉麻头,插净铅油,同时将根部外露的螺纹,刷防锈漆.(23)法兰连接,焊接的管道.管道法兰,焊缝及其它连接件的位置应便于检修,并不得贴紧,墙壁,楼面或管架上,严禁将开口设在墙壁内,套管内及混凝土板内.(24)当管段与管段采用法兰连接或管道与法兰阀门连接,按照设计要求和工作压力选用标准法令盘,同时法兰盘的连接螺栓直径,长度应符合规范要求,紧固法兰盘螺栓时要对称拧紧,紧固好的螺栓外露扣应为2-3扣,不宜大于螺栓直径的1/2,法兰盘连接衬垫与管径同心,不得放偏.(25)管道焊接时,两管口轴线对中,应无错位,并将两管端部点焊牢,管间留有1.5-2mm间隙,管壁厚度25mm时管口必须开“V"形坡口焊接,焊接加强面的高度,宽度应符合施工规范要求.(26)管道支架,吊架,托架的安装应符合设计要求和施工规范规定,构造正确,支架间距均匀,埋设平整牢固,排列整齐,支架与管道接触紧密.安装完毕后应设计要求除去金属表面的锈污,刷红丹防锈漆二度.(27)在给水管段中安装的阀门必须符合设计要求,规格,型号,耐压强度和严密性试验等都有应符合有关规定.安装的位置,进出口方向正确;连接牢固,紧密,启闭灵活,朝向合理,表面洁净.(28)管道安装完后要进行水压试验,并要甲方,监理在现场检查,作好记录,办理好签证手续,本工程的水压试验压力为LOMPa.在10分钟内压力不大于0.05MPa,且无渗透现象,则认为试验合格.(29)所有的生活用水管道在交付使用时必须进行管道冲洗,冲洗应用自来水连续进行,同时应保证有充足的水量,以保证管内的清洁,冲洗结束后办理验收手续.排水系统A、工艺流程安装准,加工干管安"装立管安装支管安二I卡件固定>封口岩洞闭水试验通水通球试检B、主要施工方法及技术措施排水系统采用UPVC管粘接.管材及管件应符合建筑排水硬聚氯乙烯管材和管件的规定,粘接剂应选用相应的厂家的产品,不得混用.安装时应用建筑排水硬聚氯乙烯管道施工及验收规范CJJ30-89进行施工,严格控制设计的标高和坡度,严禁倒坡.横管与横管,横管与立管的连接,应采用45度三通+45度弯头的形式或90度斜三通,立管与排水管端部的连接,采用两个45度弯头.按设计要求及规范设置检查口,清扫口,按(CJJ29-89)要求设置伸缩节.管道的连接采用粘接a管材或管件在粘合前用棉纱将承口内侧和插口外侧擦拭干净,如表面仍有污垢,用棉纱蘸丙酮等清洁剂擦净.B粘接剂涂刷采用油刷蘸粘接剂,沿插口外侧及承口内侧同向涂刷,动作要迅速,涂刷要均匀,适量,不得漏涂或涂抹过厚,施工时先涂承口,后涂插口.C管子插入时应注意保持管子之间的同轴度,管端插入深度:DN50为25mm,DN70为40mm,DNlOO为50mm.I)插接完毕后,要根据粘接剂的性能和气候条件静置至接口固化为止.立管的固定支架每层设置两个,且上下对称设置,横管长度大于500mm的应有支吊架固定,90度弯头处应有吊架或托架,横管固定间距,DN50不大于06m,DN75不大于0.8m,DNlOO不大于1.0m.及时做好灌水,通水,通球试验.消防水系统工艺流程系统通水试压主要施工方法及技术措施1管径大于等于DNlOO的采用无缝钢管焊接预制安装后镀锌(二次安装),小于DNlOO的采用镀锌管丝扣连接.2加工罗纹指派专人进行.加工罗纹时,无论手工套丝还是机械套丝,都应该先将管件夹紧,管口端面应平整,切削时要控制切削量,并加以润滑和冷却,防止烂牙,加工出的螺纹应端正,光滑,无毛刺,不断丝,不乱扣,长度及牙数符合规范.安装罗纹接头时,应做到松紧适度,填料均匀,操作时应选用合适的管钳,尤其应该注意用力的掌握,合适的支撑点.螺纹连接后,进行外观检查,清除外露麻丝,并对破坏的镀锌层进行防腐处理.3无缝钢管镀锌二次安装时,无缝管管子与法兰,弯头,碳钢内丝接头,管子之间的连接采用焊接的形式.焊接前严格按规定对焊件进行坡口清理,对接时坡口采用“V”型坡口,坡口角度为60+5度,焊口附近的油,锈,水要清理干净,氧化层用磨光机打磨去除.对口点固时应有1.5-3的间隙.焊接管道分支管,端面与主管表面间隙不得大于2mm,并不得将分支管插入主管的管孔中,碳钢内丝接头的插入端应加工成马鞍形.焊接时应注意选择合理的焊接参数,适当的运条角度和运条速度,尤其应该防止未熔和未焊透.焊后应及时进行检查和清理,如清不干净,不但影响焊接质量,而且镀锌也会受到很大影响.4支架支架的位置形式应正确合理,间距及型钢的尺寸应根据标准图集选用,同一系统,部位的支吊架形式应尽量相同.在管道的三通,四通等位置应有固定支架.5消防水管进入消防箱应横平竖直,不得斜进箱内,消火栓栓口朝外,阀门距地面高度为IlOO+20阀门距箱侧面为14Omm,距箱后内表面为IoOmm,允许偏差5mm.6消防箱的安装应与土建,装潢密切配合,等土建和装潢标高和坐标确定后,一次到位.7试压工作,消火栓系统分强度试验和严密性试验,届时指定详细的试压方案,经工程师审批后进行.8试压合格后进行清洗,防腐油漆工作.卫生器具安装1、工艺流程安装准备I卫生洁具及说件检验Im洁具安装卫生洁具配件菽亲II卫生洁具稳装洁具与墙地给除处理I任生洁具外观检查通水盛水试验2、主要施工方法和技术措施a所有的卫生器具安装除地漏和清扫口配合土建施工安装外,其余应在墙面,地坪,饰面施工完毕后进行.b大便器,小便器等的排水口与排水支管,管口暗装的应视情况在排水支管上抹一圈油灰或玻璃胶,使洁具的排水寓于油灰或玻璃胶中,接口间隙应无渗漏,也可以纸筋,石灰,

    注意事项

    本文(幼儿园维修改造项目水电安装工程施工方案及技术措施.docx)为本站会员(p**)主动上传,第壹文秘仅提供信息存储空间,仅对用户上传内容的表现方式做保护处理,对上载内容本身不做任何修改或编辑。 若此文所含内容侵犯了您的版权或隐私,请立即通知第壹文秘(点击联系客服),我们立即给予删除!

    温馨提示:如果因为网速或其他原因下载失败请重新下载,重复下载不扣分。




    关于我们 - 网站声明 - 网站地图 - 资源地图 - 友情链接 - 网站客服 - 联系我们

    copyright@ 2008-2023 1wenmi网站版权所有

    经营许可证编号:宁ICP备2022001189号-1

    本站为文档C2C交易模式,即用户上传的文档直接被用户下载,本站只是中间服务平台,本站所有文档下载所得的收益归上传人(含作者)所有。第壹文秘仅提供信息存储空间,仅对用户上传内容的表现方式做保护处理,对上载内容本身不做任何修改或编辑。若文档所含内容侵犯了您的版权或隐私,请立即通知第壹文秘网,我们立即给予删除!

    收起
    展开