欢迎来到第壹文秘! | 帮助中心 分享价值,成长自我!
第壹文秘
全部分类
  • 幼儿/小学教育>
  • 中学教育>
  • 高等教育>
  • 研究生考试>
  • 外语学习>
  • 资格/认证考试>
  • 论文>
  • IT计算机>
  • 法律/法学>
  • 建筑/环境>
  • 通信/电子>
  • 医学/心理学>
  • ImageVerifierCode 换一换
    首页 第壹文秘 > 资源分类 > DOCX文档下载
    分享到微信 分享到微博 分享到QQ空间

    SF6 断 路 器 试 验 报 告5.docx

    • 资源ID:747992       资源大小:41KB        全文页数:5页
    • 资源格式: DOCX        下载积分:5金币
    快捷下载 游客一键下载
    账号登录下载
    三方登录下载: 微信开放平台登录 QQ登录
    下载资源需要5金币
    邮箱/手机:
    温馨提示:
    快捷下载时,如果您不填写信息,系统将为您自动创建临时账号,适用于临时下载。
    如果您填写信息,用户名和密码都是您填写的【邮箱或者手机号】(系统自动生成),方便查询和重复下载。
    如填写123,账号就是123,密码也是123。
    支付方式: 支付宝    微信支付   
    验证码:   换一换

    加入VIP,免费下载
     
    账号:
    密码:
    验证码:   换一换
      忘记密码?
        
    友情提示
    2、PDF文件下载后,可能会被浏览器默认打开,此种情况可以点击浏览器菜单,保存网页到桌面,就可以正常下载了。
    3、本站不支持迅雷下载,请使用电脑自带的IE浏览器,或者360浏览器、谷歌浏览器下载即可。
    4、本站资源下载后的文档和图纸-无水印,预览文档经过压缩,下载后原文更清晰。
    5、试题试卷类文档,如果标题没有明确说明有答案则都视为没有答案,请知晓。

    SF6 断 路 器 试 验 报 告5.docx

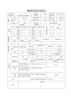
    SF6断路器试验报告工程名称试验性质交接试验日期2015.08.27系统名称GlS设备间1#主变间隔湿度(%)/温度()15铭牌型号ELH1-126开断电流(KA)40制造厂家天水长城电压(KV)126操作电压(V)DC220出厂日期2014.10电流(八)2500出厂编号20140409D065绝缘试验相别分闸状态合闸状态导电回路电阻相别项目绝缘电阻(M)交流耐压(KV)绝缘电阻(M)交流耐压(KV)主触头(口Q)A100OOO/100000160A/B100000/100000160B/C100000/100000160C/机械特性合闸(ms)分闸(ms)合闸速度(ms)分闸速度(ms)时间同期差时间同期差81.1/33.6/操动试验合闸线圈电阻(Q)分闸线圈电阻(C)操作类型线圈端电压(V)操作次数动作情况最低合闸电压81.23可靠动作113.911L4最低分闸电压72.53可靠动作气体检验使用仪器微水测试仪SF6气体捡漏仪型号编号型号编号GE-MlOOOMTS5LI070320922TIF5750A03060747926检测项目判断标准检测结果微水含量试验与灭弧室相通的气室,大修后应小于150LL,运行中应小于300UL/L47ppm不与灭弧室相通的气室,大修后应小于250UL/L,运行中应小于500uL/L/密封性试验用检漏仪对断路器各密封部位、管道接头等处进行检测时,检漏仪应不报警无报警备注依据厂家标准导电回路电阻不大于300结论试验员:SF6断路器试验报告工程名称试验性质交接试验日期2015.08.27系统名称GlS设备间1#进线间隔湿度(%)/温度()15铭牌型号ELH1-126开断电流(KA)40制造厂家天水长城电压(KV)126操作电压(V)DC220出厂日期2014.10电流(八)2500出厂编号20140409D066绝缘试验相别分闸状态合闸状态导电回路电阻相别项目绝缘电阻(MQ)交流耐压(KV)绝缘电阻(M)交流耐压(KV)主触头(口Q)A100OOO/100000160A/B100000/100000160B/C100000/100000160C/机械特性合闸(InS)分闸(ms)合闸速度(ms)分闸速度(ms)时间同期差时间同期差75.2/32.9/操动试验合闸线圈电阻(Q)分闸线圈电阻(Q)操作类型线圈端电压(V)操作次数动作情况最低合闸电压86.83可靠动作113.4112.2最低分闸电压76.33可靠动作气体检验使用仪器微水测试仪SF6气体捡漏仪型号编号型号编号GE-MlOOOMTS5LI070320922TIF5750A03060747926检测项目判断标准检测结果微水含量试验与灭弧室相通的气室,大修后应小于150uL/L,运行中应小于300uLL55ppm不与灭弧室相通的气室,大修后应小于250L/L,运行中应小于500L/L/密封性试验用检漏仪对断路器各密封部位、管道接头等处进行检测时,检漏仪应不报警无报警备注依据厂家标准导电回路电阻不大于300结论试验员:SF6断路器试验报告工程名称试验性质交接试验日期2015.08.27系统名称GTS设备间分段间隔湿度(%)/温度()15铭牌型号ELH1-126开断电流(KA)40制造厂家天水长城电压(KV)126操作电压(V)DC220出厂日期2014.10电流(八)2500出厂编号20140409D068绝缘试验相别分闸状态合闸状态导电回路电阻相别项目绝缘电阻(M)交流耐压(KV)绝缘电阻(M)交流耐压(KV)主触头(口Q)A100OOO/100000160A/B100000/100000160B/C100000/100000160C/机械特性合闸(ms)分闸(ms)合闸速度(ms)分闸速度(ms)时间同期差时间同期差78.5/32.6/操动试验合闸线圈电阻(Q)分闸线圈电阻(C)操作类型线圈端电压(V)操作次数动作情况最低合闸电压74.43可靠动作112.9110.9最低分闸电压74.43可靠动作气体检验使用仪器微水测试仪SF6气体捡漏仪型号编号型号编号GE-MlOOOMTS5LI070320922TIF5750A03060747926检测项目判断标准检测结果微水含量试验与灭弧室相通的气室,大修后应小于150LL,运行中应小于300UL/L66ppm不与灭弧室相通的气室,大修后应小于250UL/L,运行中应小于500uL/L/密封性试验用检漏仪对断路器各密封部位、管道接头等处进行检测时,检漏仪应不报警无报警备注依据厂家标准导电回路电阻不大于300结论试验员:SF6断路器试验报告工程名称试验性质交接试验日期2015.08.27系统名称GTS设备间2#进线间隔湿度(%)/温度()15铭牌型号ELH1-126开断电流(KA)40制造厂家天水长城电压(KV)126操作电压(V)DC220出厂日期2014.10电流(八)2500出厂编号20140409D069绝缘试验相别分闸状态合闸状态导电回路电阻相别项目绝缘电阻(M)交流耐压(KV)绝缘电阻(M)交流耐压(KV)主触头(口Q)A100OOO/100000160A/B100000/100000160B/C100000/100000160C/机械特性合闸(ms)分闸(ms)合闸速度(ms)分闸速度(ms)时间同期差时间同期差76.6/37.0/操动试验合闸线圈电阻(Q)分闸线圈电阻(C)操作类型线圈端电压(V)操作次数动作情况最低合闸电压65.23可靠动作113.511L5最低分闸电压69.73可靠动作气体检验使用仪器微水测试仪SF6气体捡漏仪型号编号型号编号GE-MlOOOMTS5LI070320922TIF5750A03060747926检测项目判断标准检测结果微水含量试验与灭弧室相通的气室,大修后应小于150LL,运行中应小于300UL/L69ppm不与灭弧室相通的气室,大修后应小于250UL/L,运行中应小于500uL/L/密封性试验用检漏仪对断路器各密封部位、管道接头等处进行检测时,检漏仪应不报警无报警备注依据厂家标准导电回路电阻不大于300结论试验员:SF6断路器试验报告工程名称试验性质交接试验日期2015.08.27系统名称GTS设备间2#主变间隔湿度(%)/温度()15铭牌型号ELH1-126开断电流(KA)40制造厂家天水长城电压(KV)126操作电压(V)DC220出厂日期2014.10电流(八)2500出厂编号20140409D071绝缘试验相别分闸状态合闸状态导电回路电阻相别项目绝缘电阻(M)交流耐压(KV)绝缘电阻(M)交流耐压(KV)主触头(口Q)A100OOO/100000160A/B100000/100000160B/C100000/100000160C/机械特性合闸(ms)分闸(ms)合闸速度(ms)分闸速度(ms)时间同期差时间同期差75.2/33.1/操动试验合闸线圈电阻(Q)分闸线圈电阻(C)操作类型线圈端电压(V)操作次数动作情况最低合闸电压75.43可靠动作111.5110.9最低分闸电压74.83可靠动作气体检验使用仪器微水测试仪SF6气体捡漏仪型号编号型号编号GE-MlOOOMTS5LI070320922TIF5750A03060747926检测项目判断标准检测结果微水含量试验与灭弧室相通的气室,大修后应小于150LL,运行中应小于300UL/LIOlppm不与灭弧室相通的气室,大修后应小于250UL/L,运行中应小于500uL/L/密封性试验用检漏仪对断路器各密封部位、管道接头等处进行检测时,检漏仪应不报警无报警备注依据厂家标准导电回路电阻不大于300结论试验员:

    注意事项

    本文(SF6 断 路 器 试 验 报 告5.docx)为本站会员(p**)主动上传,第壹文秘仅提供信息存储空间,仅对用户上传内容的表现方式做保护处理,对上载内容本身不做任何修改或编辑。 若此文所含内容侵犯了您的版权或隐私,请立即通知第壹文秘(点击联系客服),我们立即给予删除!

    温馨提示:如果因为网速或其他原因下载失败请重新下载,重复下载不扣分。




    关于我们 - 网站声明 - 网站地图 - 资源地图 - 友情链接 - 网站客服 - 联系我们

    copyright@ 2008-2023 1wenmi网站版权所有

    经营许可证编号:宁ICP备2022001189号-1

    本站为文档C2C交易模式,即用户上传的文档直接被用户下载,本站只是中间服务平台,本站所有文档下载所得的收益归上传人(含作者)所有。第壹文秘仅提供信息存储空间,仅对用户上传内容的表现方式做保护处理,对上载内容本身不做任何修改或编辑。若文档所含内容侵犯了您的版权或隐私,请立即通知第壹文秘网,我们立即给予删除!

    收起
    展开