欢迎来到第壹文秘! | 帮助中心 分享价值,成长自我!
第壹文秘
全部分类
  • 幼儿/小学教育>
  • 中学教育>
  • 高等教育>
  • 研究生考试>
  • 外语学习>
  • 资格/认证考试>
  • 论文>
  • IT计算机>
  • 法律/法学>
  • 建筑/环境>
  • 通信/电子>
  • 医学/心理学>
  • ImageVerifierCode 换一换
    首页 第壹文秘 > 资源分类 > DOCX文档下载
    分享到微信 分享到微博 分享到QQ空间

    05钢筋电渣压力焊接工程.docx

    • 资源ID:747450       资源大小:20.06KB        全文页数:2页
    • 资源格式: DOCX        下载积分:5金币
    快捷下载 游客一键下载
    账号登录下载
    三方登录下载: 微信开放平台登录 QQ登录
    下载资源需要5金币
    邮箱/手机:
    温馨提示:
    快捷下载时,如果您不填写信息,系统将为您自动创建临时账号,适用于临时下载。
    如果您填写信息,用户名和密码都是您填写的【邮箱或者手机号】(系统自动生成),方便查询和重复下载。
    如填写123,账号就是123,密码也是123。
    支付方式: 支付宝    微信支付   
    验证码:   换一换

    加入VIP,免费下载
     
    账号:
    密码:
    验证码:   换一换
      忘记密码?
        
    友情提示
    2、PDF文件下载后,可能会被浏览器默认打开,此种情况可以点击浏览器菜单,保存网页到桌面,就可以正常下载了。
    3、本站不支持迅雷下载,请使用电脑自带的IE浏览器,或者360浏览器、谷歌浏览器下载即可。
    4、本站资源下载后的文档和图纸-无水印,预览文档经过压缩,下载后原文更清晰。
    5、试题试卷类文档,如果标题没有明确说明有答案则都视为没有答案,请知晓。

    05钢筋电渣压力焊接工程.docx

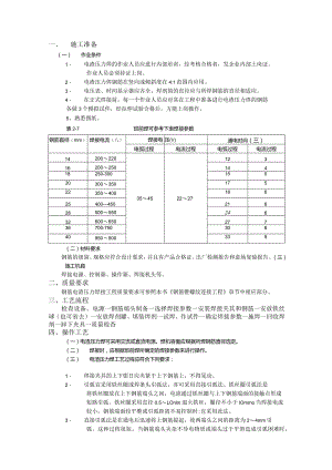
    一、施工准备(一) 作业条件1、 电渣压力焊的作业人员应进行内部培训,经考核合格者,发企业内部上岗证。作业人员必须持证上岗。2、 电渣压力焊钢筋在竖向或倾斜度在4:1范围内应用。3、 电压表、时间显示器应齐全,焊剂简的直径应与所焊钢筋的直径相适应。4、 在正式焊接前,每一个作业人员应对其在工程中准备进行电渣压力焊的钢筋各做3个模拟试件,经拉伸试验合格后,方能上岗操作。5、熟悉图纸。表2-7班前焊可参考下表焊接参数钢筋直径(mm)焊接电流(八)焊接电压(V)通电时间(三)电弧过程电流过程电弧过程电流过程14200220354522271231620025014418250-300155203003501752235040018625400450216285005502463260065027736700-75030840950900339(二)材料要求钢筋的级别、规格应符合设计要求,并且有产品合格证、出厂检测报告和进场复验报告。(三)施工机具焊接电源、控制箱、操作箱、焊接机头等。二、质量要求钢筋电渣压力焊接工程质量要求可参照本书钢筋锥螺纹连接工程章节中相应部分。三、工艺流程检查设备、电源一钢筋端头制备一选择焊接参数一安装焊接夹其和钢筋一安放铁丝球(也可省去)一安放焊剂罐、填装焊剂一试焊、作试件一确定焊接参数一施焊一回收焊剂一卸下夹具一质量检查四、操作工艺(一)电渣压力焊可采用交流或直流电源。焊机容量应根据所焊钢筋直径选定。(二) 焊接时,应根据班前焊所确定的焊接参数来进行操作。(三) 电渣压力焊工艺过程应符合下列要求:1、 焊接夹具的上下钳日应夹紧于上下钢筋上,不得晃动。2、 引弧宜采用铁丝圈或焊条头引弧法,亦可采用直接引弧法。铁丝圈引弧法是将铁丝圈放在上下钢筋端头之间,电流通过铁丝圈与上下钢筋端面的接触点形成短路引弧。铁丝圈采用直径0.5LOnlm退火铁丝,圈径不小于IOmmo当焊接电流较小,钢筋端面较平整或引弧距离不易控制时;宜采用此法。3、 直接引弧法是在通电后迅速将上钢筋提起,使两端头之问的距离为24mm引弧。这种过程很短。当钢筋端头夹杂不导电物质或端头过于平滑造成引弧困难时,可以多次把上钢筋移下与下钢筋短接后再提起,达到引弧目的。4、 引燃电弧后,靠电弧的高温作用,将钢筋端头凸出部分不断烧化,同时将接口周围的焊剂充分熔化,形成一定深度的渣池。5、 渣池形成一定深度后,将上钢筋缓缓插入渣池中。由于电流直接通过渣池,产生大量的电阻热,使渣池温度升到近2000°C,将钢筋端头迅速而均匀地溶化。6、 在停止供电的瞬间,对钢筋施加挤压力,把焊口部分熔化的金属、熔渣及氧化物等杂质全部挤出结合面。完成挤压过程。7、 将熔渣清理干净。五、应注意的质量问题注意焊接操作过程避免钢筋晃动,力求挺直。焊毕,适当延长扶持上钢筋的时间。装焊剂时,力求钢筋四周均匀一致。防止焊剂局部泄露。

    注意事项

    本文(05钢筋电渣压力焊接工程.docx)为本站会员(p**)主动上传,第壹文秘仅提供信息存储空间,仅对用户上传内容的表现方式做保护处理,对上载内容本身不做任何修改或编辑。 若此文所含内容侵犯了您的版权或隐私,请立即通知第壹文秘(点击联系客服),我们立即给予删除!

    温馨提示:如果因为网速或其他原因下载失败请重新下载,重复下载不扣分。




    关于我们 - 网站声明 - 网站地图 - 资源地图 - 友情链接 - 网站客服 - 联系我们

    copyright@ 2008-2023 1wenmi网站版权所有

    经营许可证编号:宁ICP备2022001189号-1

    本站为文档C2C交易模式,即用户上传的文档直接被用户下载,本站只是中间服务平台,本站所有文档下载所得的收益归上传人(含作者)所有。第壹文秘仅提供信息存储空间,仅对用户上传内容的表现方式做保护处理,对上载内容本身不做任何修改或编辑。若文档所含内容侵犯了您的版权或隐私,请立即通知第壹文秘网,我们立即给予删除!

    收起
    展开