欢迎来到第壹文秘! | 帮助中心 分享价值,成长自我!
第壹文秘
全部分类
  • 幼儿/小学教育>
  • 中学教育>
  • 高等教育>
  • 研究生考试>
  • 外语学习>
  • 资格/认证考试>
  • 论文>
  • IT计算机>
  • 法律/法学>
  • 建筑/环境>
  • 通信/电子>
  • 医学/心理学>
  • ImageVerifierCode 换一换
    首页 第壹文秘 > 资源分类 > DOCX文档下载
    分享到微信 分享到微博 分享到QQ空间

    质量目标考核方法.docx

    • 资源ID:747253       资源大小:23.09KB        全文页数:4页
    • 资源格式: DOCX        下载积分:5金币
    快捷下载 游客一键下载
    账号登录下载
    三方登录下载: 微信开放平台登录 QQ登录
    下载资源需要5金币
    邮箱/手机:
    温馨提示:
    快捷下载时,如果您不填写信息,系统将为您自动创建临时账号,适用于临时下载。
    如果您填写信息,用户名和密码都是您填写的【邮箱或者手机号】(系统自动生成),方便查询和重复下载。
    如填写123,账号就是123,密码也是123。
    支付方式: 支付宝    微信支付   
    验证码:   换一换

    加入VIP,免费下载
     
    账号:
    密码:
    验证码:   换一换
      忘记密码?
        
    友情提示
    2、PDF文件下载后,可能会被浏览器默认打开,此种情况可以点击浏览器菜单,保存网页到桌面,就可以正常下载了。
    3、本站不支持迅雷下载,请使用电脑自带的IE浏览器,或者360浏览器、谷歌浏览器下载即可。
    4、本站资源下载后的文档和图纸-无水印,预览文档经过压缩,下载后原文更清晰。
    5、试题试卷类文档,如果标题没有明确说明有答案则都视为没有答案,请知晓。

    质量目标考核方法.docx

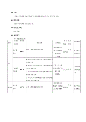
    1.0目的:明确公司的质量目标及各部门分解的质量目标内容,使之有努力的方向。2.0适用范围:适应本公司质量目标达成计算。3.0相关责任单位:相关单位。4.0作业程序:4.1质量目标内容:部门质量目标项目目标值评价标准计算方法统计部门统计频次资料来源公司客户满意率90%参照顾客满意度调查表回收调查表分数之和十调查表总分数×100%销售部每年客户满意度调查表产品交付合格率100%A、每次产品客户交付后客户验收合格的为合格的产品B、每次产品完成交付后客户验收不通过的为不合格的产品C、产品合格次数等于每个考核周期产品交付合格次数之和D、总的产品交付次数等于每个考核周期提供所有产品次数之和产品交付合格次数+总的产品交付次数XlOO%产品部每月客户验收合格统计表销售部客户满意率90%参照顾客满意度调查表回收调查表分数之和+调查表总分数×100%销售部每年客户满意度调查表采购合格率100%A、每次产品验收合格的为合格的产品B、每次产品验收不通过的为不合格的产品C、产品合格次数等于每个考核周期产品验收合格次数之和D、总的产品验收次数等于每个考核周期提供所有产品次数之和验收合格次数+总的验收次数XlO0%销售部每月验收报告技术部软件研发及时率100%A、每次软件按时设计完成提交后合格的为及时研发的软件B、每次软件未按时设计完成提交为不及时研发的软件C、软件研发及时次数等于软件研发及时合格次数之和D、软件研发率等于每个考核周期提供软件研发次数之和软件按时设计提交次数子总的软件设计提交次数X100%技术部每年软件设计提交情况统计表行政部培训合格率95%A、每人次参加每批次培训的课目口试回答正确的为培训合格的人次。B、每人次有一个课目口试回答错误的为不合格的培训人次。C、培训合格的总人次等于当月参加每批次培训合格的人次之和D、总的培训人次等于当月参加每次培训的人次之和培训合格的人次÷总的培训人次X100%行政部每月培训I记录考核表培训计划按时率100%A、每次按照培训计划参加培训的为按时培训次数。B、每次晚于培训计划参加培训的为不按时培训次数。C、培训按时的总次数等于当月按时次培训的次之和D、总的培训次数等于当月培训计划的次数之和按时培训次数+总培训次数Xlo0%行政部每月年度培训计划、培训记录考核表废弃物排放达标率100%A废弃物排放量B废弃物排放处理量C废弃物排放量等于每个考核周期废弃物排放量之和D总的废弃物排放量等于每个考核周期总排废弃物排放处理量之和废弃物排放量+废弃物处理量Xloo%行政部每月废弃物排放达标统计表产品部产品交付合格率100%A、每次产品客户交付后客户验收合格的为合格的产品B、每次产品完成交付后客户验收不通过的为不合格的产品C、产品合格次数等于每个考核周期产品交付合格次数之和D、总的产品交付次数等于每个考核周期提供所有产品次数之和产品交付合格次数+总的产品交付次数XlOO%产品部每力客户验收合格统计表4.2质量目标的考核:4.2.1 各单位统计出上月质量目标达成情况,当未能达到目标值时,由单位主管负责组织相关人员分析原因,制定纠正措施(可只针对主要超标产品进行纠正,对于一些生产数量少或现时无生产,无订单的产品,可不做分析改善对策)并负责效果验证.4.2.2 当质量目标统计显示趋近于目标值时,由单位主管负责组织相关人员分析原因,制定预防措施,并负责效果验证。4.2.3 纠正措施、预防措施的实施验证情况记录于“纠正预防措施报告”。4.2.4 各单位质量目标统计报表及相应的“纠正预防措施报告”由相关单位保存两年。5 .相关文件和资料:5.1 纠正措施控制程序5.2 预防措施控制程序6 .相关记录表格:“年度质量目标达成统计表”“服务反馈表”“客户投诉反馈记录”“培训考核记录”“验收报告”“客户满意度调查表”“废弃物排放达标统计表”“软件设计提交情况统计表”日期:制定:审核:

    注意事项

    本文(质量目标考核方法.docx)为本站会员(p**)主动上传,第壹文秘仅提供信息存储空间,仅对用户上传内容的表现方式做保护处理,对上载内容本身不做任何修改或编辑。 若此文所含内容侵犯了您的版权或隐私,请立即通知第壹文秘(点击联系客服),我们立即给予删除!

    温馨提示:如果因为网速或其他原因下载失败请重新下载,重复下载不扣分。




    关于我们 - 网站声明 - 网站地图 - 资源地图 - 友情链接 - 网站客服 - 联系我们

    copyright@ 2008-2023 1wenmi网站版权所有

    经营许可证编号:宁ICP备2022001189号-1

    本站为文档C2C交易模式,即用户上传的文档直接被用户下载,本站只是中间服务平台,本站所有文档下载所得的收益归上传人(含作者)所有。第壹文秘仅提供信息存储空间,仅对用户上传内容的表现方式做保护处理,对上载内容本身不做任何修改或编辑。若文档所含内容侵犯了您的版权或隐私,请立即通知第壹文秘网,我们立即给予删除!

    收起
    展开