欢迎来到第壹文秘! | 帮助中心 分享价值,成长自我!
第壹文秘
全部分类
  • 幼儿/小学教育>
  • 中学教育>
  • 高等教育>
  • 研究生考试>
  • 外语学习>
  • 资格/认证考试>
  • 论文>
  • IT计算机>
  • 法律/法学>
  • 建筑/环境>
  • 通信/电子>
  • 医学/心理学>
  • ImageVerifierCode 换一换
    首页 第壹文秘 > 资源分类 > DOCX文档下载
    分享到微信 分享到微博 分享到QQ空间

    泸电MC-21-J电阻箱使用说明书.docx

    • 资源ID:721889       资源大小:50.04KB        全文页数:3页
    • 资源格式: DOCX        下载积分:5金币
    快捷下载 游客一键下载
    账号登录下载
    三方登录下载: 微信开放平台登录 QQ登录
    下载资源需要5金币
    邮箱/手机:
    温馨提示:
    快捷下载时,如果您不填写信息,系统将为您自动创建临时账号,适用于临时下载。
    如果您填写信息,用户名和密码都是您填写的【邮箱或者手机号】(系统自动生成),方便查询和重复下载。
    如填写123,账号就是123,密码也是123。
    支付方式: 支付宝    微信支付   
    验证码:   换一换

    加入VIP,免费下载
     
    账号:
    密码:
    验证码:   换一换
      忘记密码?
        
    友情提示
    2、PDF文件下载后,可能会被浏览器默认打开,此种情况可以点击浏览器菜单,保存网页到桌面,就可以正常下载了。
    3、本站不支持迅雷下载,请使用电脑自带的IE浏览器,或者360浏览器、谷歌浏览器下载即可。
    4、本站资源下载后的文档和图纸-无水印,预览文档经过压缩,下载后原文更清晰。
    5、试题试卷类文档,如果标题没有明确说明有答案则都视为没有答案,请知晓。

    泸电MC-21-J电阻箱使用说明书.docx

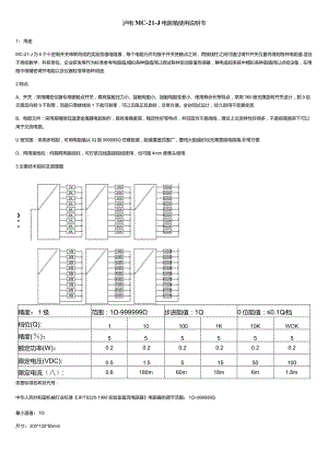
    泸电MC-21-J电阻箱使用说明书1:用途MC-21-J为6个十进制开关串联而成的实验型值电阻器,每个电阻元件均接于开关各触点之间,两接线柱之间可通过调节开关位置而得到各种电阻值.适合于高校教学、科研单位、企业研发等作为标准参考电阻值,模拟各种阻值用以调试各种变动阻值传感器,静电监控系统中模拟各种阻值用以点检设备,在电路中做精密调节电阻以及仪器校准等各种用途.2:特点A、开关:采用精密仪器专用银触点开关,具有接触压力小、接触电阻小、接触电阻变差小、使用寿命长等特点,采用360度无限旋转开关设计,到9后无需反向转9下到零,而是只需继续转1下就可到零,可以无限正反旋转,非常方便。全封闭式设计,经久耐用不受潮变质.B、电阻元件:采用高精度低温漂金属膜电阻制作,具有准确度高,稳定性好等特点,并且因为不是绕线,理论上交流特性好得多,不是很高频率下可以用于交流电路。U宽范围:采用多档制,可用电阻值从IQ到999999Q任意阻值,阻值覆盖范围广,要用大阻值时也无需更换电阻箱,非常方便.D、两用接线柱:纯铜两用接线柱,可拧紧压线直接接线使用,也可插4mm香蕉头使用.3:主要技术指标及原理图9H U666666精度:1级范围:1-999999步进阻值:1Q0位阻值:0.1Q档档位(Q):1101001K10KWOK精度():555555额定功率(W):0.20.20.20.20.20.2限定电压(VDC):0.51.551550100限定电流(八):0.6180m60m18m6m1.8m依据标准名称及代号:中华人民共和国机械行业标准JP/T8225-1999实验室直流电阻器电阻器的调节范围:1Q999999Q最小溺值:1尺寸:200*120*85mm重量:约550g标称环境条件:斯范围:20oC±0.5oC相对湿度:40%60%使用环境条件:温度范围:-20oC40oC相对湿度:30%80%使用功率及电压:A、额定功率短时间使用可超25%,不可长时间超.B、表中限定电压为对应档最低阻值下根据功率算出,实际使用根据你使用的实际阻值计算。比如10欧档限定电压L5V是根据电阻功率0.25W,阻值IOQ,电流。16A这样标出的,实际如果打在90欧上,则电压可以是4.5V.并且限定电压是指电压直接加在电阻箱上,实际使用中,你的电压并不是直接加在电阻箱上的,所以标的限定电压仅为极限情况下电阻箱可承受的,而不是只可以用这么大电压,实际可加电压根据你接电路实际根据欧姆定律计算.U本款不适用于高压,需要使用高压的请选择MC-21-C或者D款。5电阻器的标称精度、额定功率及限定电压参见上边标签图表。允许变差:A、温度引起的变差B、相对湿度引起的变差U使用功率引起的变差D、高压下寄生电感寄生电容引起的变差E、使用久了开关触点接触电阻引起的变差安全指标:A、绝缘电阻:电阻器在标称条件下,电路外壳之间绝缘电阻之500M(试验电压500V)B、电压i式验:电阻器在标称条件下,电路对外壳之间能经受4565HZ正弦波AC2kv电压1分钟而不出现击穿和放电现象.4:使用方法和注意事项A、电阻器在使用前应将各旋钮自始点至终点来回旋转数次,使开关接触良好.B、电阻器由3个接线柱引出,左边黑色为公共端,右边红色为满量程端,中间黄色为小阻值端。正常使用接红黑两个即可。小于100欧小阻值使用时,接于红色和黄色,因为少走后边档位的开关和电路,可减少0位阻值,以使小阻值更准确.U档位全部打零时,每档约有0.03欧电阻,低阻值使用时请注意扣除该阻值。各个开关的值相加就是阻值,比如要352KC,把100K档打到3.把IoK档打到5,把IK档打到2即可.D、电阻器使用时,不要超过额定功率,否则可能会造成永久性损坏。E、电阻器使用时,调好需要的阻值后再上电接进电路。F、电阻器应储存于环境温度为5°C35°C相对湿度低于75%的环境中,储存环境不应该含有有腐蚀性的气体和物质,避免阳光直射.G、需要非常精确阻值时,可以打到对应阻值,用精密台表测试,然后在小阻值位微调输出阻值为你想要的。比如需要12.5K电阻,打好档位后,台表测试为12.3K,实测偏小,则可以在IK档把5换成更大的值,然后看台表测出的值,不对以此思路继续换IoOC档,甚至IC档,直到台表测出的是自己要的值.如果实测偏大则相反操作.H、因为一般万用表精度有限,不要用普通万用表测试结果来认为误差过大。应使用高精度台表或更专业的设备来判断。并且确保测试线接触良好,测试方法正确。1.实际精度高于标称精度,因为有的客户要拿去第三方检测拿报告,测试环境,测试方法,测试设备这些会导致一定偏差,所以干脆把精度标低确保送检能正常拿到合格报告。具体实际精度请去官网下载出厂检测报告查看。其实很多学校,大企业都有买去使用,实际在使用过程中配合其他档位调节,使用是足够的,不要纠结于那百分之一百分之二的精度.5:售后说明用户在遵守使用规则并不拆封的条件下,自购买之日起一年内,产品因质量问题而发生故障时,本厂负责三包。6:选型参考型号范围最小步进最高使用电压特点适用范围MC-21-A0.1999.M0.1DClOOV常用款适合大部分用途高校教学,学生实验,实蛉室实睑产品研发过程替代电阻式传感器,ESD监控器、人体综合测试仪点检等等MC-21-B0.1-9.G0.1DClOOV常用款在A款的基¾出上多G档MC-21-C1-9.G1DC/AC3000V高压款需要高压使用的场合,比如校准、点检高压仪表等MC-21-D199.G1DC/AC3000V高压款在C款的基础上多IOG档MC-21-E0.19.G0.1DClOOV程控款高端实验室及需要程控的环境MC-21-J19999991DClOOV撤出款职校教学演示,职校学生实验等制造商:泸州泸电科技有限公司地址:6号电话:官网:

    注意事项

    本文(泸电MC-21-J电阻箱使用说明书.docx)为本站会员(p**)主动上传,第壹文秘仅提供信息存储空间,仅对用户上传内容的表现方式做保护处理,对上载内容本身不做任何修改或编辑。 若此文所含内容侵犯了您的版权或隐私,请立即通知第壹文秘(点击联系客服),我们立即给予删除!

    温馨提示:如果因为网速或其他原因下载失败请重新下载,重复下载不扣分。




    关于我们 - 网站声明 - 网站地图 - 资源地图 - 友情链接 - 网站客服 - 联系我们

    copyright@ 2008-2023 1wenmi网站版权所有

    经营许可证编号:宁ICP备2022001189号-1

    本站为文档C2C交易模式,即用户上传的文档直接被用户下载,本站只是中间服务平台,本站所有文档下载所得的收益归上传人(含作者)所有。第壹文秘仅提供信息存储空间,仅对用户上传内容的表现方式做保护处理,对上载内容本身不做任何修改或编辑。若文档所含内容侵犯了您的版权或隐私,请立即通知第壹文秘网,我们立即给予删除!

    收起
    展开