欢迎来到第壹文秘! | 帮助中心 分享价值,成长自我!
第壹文秘
全部分类
  • 幼儿/小学教育>
  • 中学教育>
  • 高等教育>
  • 研究生考试>
  • 外语学习>
  • 资格/认证考试>
  • 论文>
  • IT计算机>
  • 法律/法学>
  • 建筑/环境>
  • 通信/电子>
  • 医学/心理学>
  • ImageVerifierCode 换一换
    首页 第壹文秘 > 资源分类 > DOCX文档下载
    分享到微信 分享到微博 分享到QQ空间

    建筑施工现场应急预案.docx

    • 资源ID:721263       资源大小:33.78KB        全文页数:13页
    • 资源格式: DOCX        下载积分:5金币
    快捷下载 游客一键下载
    账号登录下载
    三方登录下载: 微信开放平台登录 QQ登录
    下载资源需要5金币
    邮箱/手机:
    温馨提示:
    快捷下载时,如果您不填写信息,系统将为您自动创建临时账号,适用于临时下载。
    如果您填写信息,用户名和密码都是您填写的【邮箱或者手机号】(系统自动生成),方便查询和重复下载。
    如填写123,账号就是123,密码也是123。
    支付方式: 支付宝    微信支付   
    验证码:   换一换

    加入VIP,免费下载
     
    账号:
    密码:
    验证码:   换一换
      忘记密码?
        
    友情提示
    2、PDF文件下载后,可能会被浏览器默认打开,此种情况可以点击浏览器菜单,保存网页到桌面,就可以正常下载了。
    3、本站不支持迅雷下载,请使用电脑自带的IE浏览器,或者360浏览器、谷歌浏览器下载即可。
    4、本站资源下载后的文档和图纸-无水印,预览文档经过压缩,下载后原文更清晰。
    5、试题试卷类文档,如果标题没有明确说明有答案则都视为没有答案,请知晓。

    建筑施工现场应急预案.docx

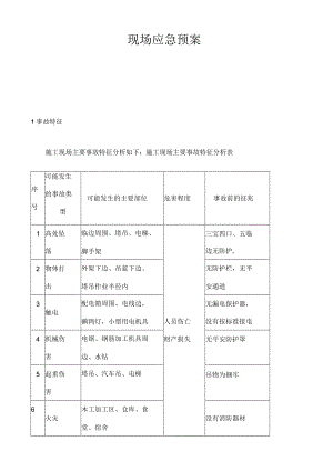
    现场应急预案1事故特征施工现场主要事故特征分析如下:施工现场主要事故特征分析表序号可能发生的事故类型可能发生的主要部位危害程度事故前的征兆1高处坠落临边周围、塔吊、电梯、脚手架人员伤亡财产损失三宝四口、五临边无防护,2物体打击外架下边、吊蓝下边、塔吊作业半径内无防护栏,无平安通道3触电配电箱周围、电线边,碘鸨灯,小型用电机具无漏电保护器,没有按标准接电4机械伤害电锯、钢筋加工机具周边、水钻无平安防护罩5起重伤害塔吊、汽车吊、电梯吊物为捆牢6火灾木工加工区、仓库、食堂、宿舍没有消防器材序号可能发生的事故类型可能发生的主要部位危害程度事故前的征兆7中毒食堂急性食物中毒使用过期的食品2应急组织与职责施工现场成立现场应急自救队,队长:工程经理副队长为:成员:2.1 现场应急自救队职责应急领导小组职责:建设工地发生平安事故时,负责指挥工地抢救工作,向各抢救小组下达抢救指令任务,协调各组之间的抢救工作,随时掌握各组最新动态并做出最新决策,第一时间向no、119、120、企业就援指挥部、安监部门、公安部门求援或报告灾情。平时应急领导小组成员轮流值班,值班者必须住在工地现场,24小时开通,发生紧急事故时,在工程部应急组长抵达工地前,值班者即为临时就援组长。采取紧急措施,尽一切可能抢救伤员及被困人员,防止事故进一步扩大。对抢救出的伤员,视情况采取急救处置措施,尽快送医院抢救。负责交通车辆的调配,紧急救援物资的征集及人员的餐饮供给。负责工地的平安保卫,支援其他抢救组的工作,保护现场。2.2 现场应急自救队队长、副队长职责分工工程副经理负责现场了解和掌握事故情况,指挥和组织现场抢救。平安员责及时布置现场抢救,保持与当地建设行政主管部门、劳动部门等单位的沟通,并及时通知当事人的亲人。负责维护现场秩序、保护事发现场、做好当事人周围人员的问讯记录、保持与当地公安部门的沟通。负责妥善处理好善后工作,按职能归口负责保持与当地有关部门的沟通联系。3应急处置3.1 事故应急处置程序突发平安事故时,事故发现人员立即报告工程负责人,由应急自救队队长、现场工程负责人拨打值班报告事故情况或直接报告应急救援副总指挥和总指挥,同时应急自救队队长、现场工程负责人组织开展如下自救程序。立即停止施工,通知电工拉闸断电。立即现场疏散事故影响范围内所有人员,命令各班组长清点人数。立即拨打120急救,如遇火灾须立即拨打119火警,积极寻求第三方专业救援力量支援,并派专人到工地门口和路口引导救援车辆和人员。按照现场应急自救队人员职责分工,集合现场自救队,按照现场应急处置措施,积极开展自救。公司救援指挥部和相关救援小组到来前,如果事故扩大,必须及时采用与总指挥和副总指挥及时取得联系,如实上报情况。及时了解事故初步情况和开展状况,待公司应急救援总指挥和副总指挥到达后,立即如实汇报事故和自救情况,接受公司救援指挥部领导,现场应急自救队归公司应急指挥小组指挥。3.2 现场应急处置措施3.2.1大型脚手架出现变形事故征兆时的应急处置措施因地基沉降引起的脚手架局部变形。在双排架横向截面上架设八字俄或剪刀撑,隔一排立杆架设一组,直到变形区外排。八字俄或剪刀撑下脚必须设在坚实、可靠的地基上。脚手架赖以生根的悬挑钢梁挠度变形超过规定值,应对悬挑钢梁后锚固点进行加固,钢梁上面用钢支撑加U形托旋紧后顶住屋顶。预埋钢筋环与钢梁之间有空隙,须用马楔备紧。吊挂钢梁外端的钢丝绳逐根检查,全部紧固,保证均匀受力。脚手架卸荷、拉接体系局部产生破坏,要立即按原方案制定的卸荷拉接方法将其恢复,并对已经产生变形的部位及杆件进行纠正。如纠正脚手架向外张的变形,先按每个开间设一个5t倒链,与结构绷紧,松开刚性拉接点,各点同时向内收紧倒链,至变形被纠正,做好刚性拉接,并将各卸荷点钢丝绳收紧,使其受力均匀,最后放开倒链。3.2.2大型脚手架失稳引起倒塌及造成人员伤亡时的应急处置措施迅速确定事故发生的准确位置、可能涉及的范围、脚手架损坏的程度、人员伤亡情况等,以根据不同情况进行处置。划出事故特定区域,非救援人员未经允许不得进入特定区域。迅速核实脚手架上作业人数,如有人员被坍塌的脚手架压在下面,要立即采取可靠措施加固四周,然后撤除或切割压住伤者的杆件,将伤员移出。如脚手架太重可用吊车将架体缓缓抬起,以便救人。如无人员伤亡,立即实施脚手架加固或撤除等处理措施。以上行动须由有经验的平安员和架子工长统一安排。3.2.3高处坠落事故现场处置措施救援人员首先根据伤者受伤部位立即组织抢救,促使伤者快速脱离危险环境,送往医院救治,并保护现场。观察事故现场周围有无其它危险源存在。在抢救伤员的同时迅速向上级报告事故现场情况。抢救受伤人员时几种情况的处理:一一如确认人员已死亡,立即保护现场。如发生人员昏迷、伤及内脏、骨折及大量失血:立即联系120急救车或距现场最近的医院,并说明伤情。为取得最正确抢救效果,还可根据伤情送往专科医院。外伤大出血:急救车未到前,现场采取止血措施。骨折:注意搬运时的保护,对昏迷、可能伤及脊椎、内脏或伤情不详者一律用担架或平板,禁止用搂、抱、背等方式运输伤员。般性伤情送往医院检查,防止破伤风。3.2.4触电事故现场处置措施截断电源,关上插座上的开关或拔除插头。如果够不着插座开关,就关上总开关。切勿试图关上那件电器用具的开关,因为可能正是该开关漏电。假设无法关上开关,可站在绝缘物上,如一叠厚报纸、塑料布、木板之类,用扫帚或木椅等将伤者拨离电源,或用绳子、裤子或任何干布条绕过伤者腋下或腿部,把伤者拖离电源。切勿用手触及伤者,也不要用潮湿的工具或金属物质把伤者拨开,也不要使用潮湿的物件拖动伤者。如果患者呼吸心跳停止,开始人工呼吸和胸外心脏按压。切记不能给触电的人注射强心针。假设伤者昏迷,那么将其身体放置成卧式。假设伤者曾经昏迷、身体遭烧伤,或感到不适,必须打叫救护车,或立即送伤者到医院急救。高空出现触电事故时,应立即截断电源,把伤人抬到附近平坦的地方,立即对伤人进行急救。现场抢救触电者的原那么:现场抢救触电者的经验原那么是:迅速、就地、准确、坚持。迅速一一争分夺秒时触电者脱离电源;就地一一必须在现场附近就地抢救,病人有意识后在就近送医院抢救。从触电时算起,5分钟以内及时抢救,救生率90%左右。10分钟以内抢救,救生率6.15%希望甚微;准确人工呼吸发的动作必须准确;坚持一一只要有百万分之一希望就要近百分之百努力抢救。3.2.5坍塌事故现场处置措施坍塌事故发生时,安排专人及时切断有关闸门,并对现场进行声像资料的收集。发生后立即组织抢险人员再半小时内到达现场。根据具体情况,采取人工和机械相结合的方法,对坍塌现场进行处理。抢救中如遇到坍塌巨物,人工搬运有困难时,可调集大型的吊车进行调运。在接近边坡处时,必须停止机械作业,全部改用人工扒物,防止误伤被埋人员。现场抢救中,还要安排专人对边坡、架料进行监护和清理,防止事故扩大。事故现场周围应设警戒线。统一指挥、密切协同的原那么。坍塌事故发生后,参战力量多,现场情况复杂,各种力量需在现场总指挥部的统一指挥下,积极配合、密切协同,共同完成。以快制快、行动果断的原那么。鉴于坍塌事故有突发性,在短时间内不易处理,处置行动必须做到接警调度快、到达快、准备快、疏散救人快、到达以快制快的目的。讲究科学、稳妥可靠的原那么。解决坍塌事故要讲科学,防止急躁行动引发连续坍塌事故发生。救人第一的原那么。当现场遇有人员受到威胁时,首要任务是抢救人员。伤员抢救立即与急救中心和医院联系,请求出动急救车辆并做好急救准备,确保伤员得到及时医治。救助行动中,安排人员同时做好事故调查取证工作,以利于事故处理,防止证据遗失。自我保护,在救助行动中,抢救机械设备和救助人员应严格执行平安操作规程,配齐平安设施和防护工具,加强自我保护,确保抢救行动过程中的人身平安和财产平安。3.2.6电焊伤害事故现场处置措施未受过专门训练的人员不准进行焊接工作。焊接锅炉承压部件、管道及承压容器等设备的焊工,必须按照锅炉监察规程(焊工考试局部)的要求,经过根本考试和补充考试合格,并持有合格证,方可允许工作。焊工应穿帆布工作服,戴工作帽,上衣不准扎在裤子里。口袋须有遮盖,脚下穿绝缘橡胶鞋,以免焊接时被烧伤。焊工应带绝缘手套,不得湿手作业操作,以免焊接时触电。禁止使用有缺陷的焊接工具和设备。高空电焊作业人员,应正确佩戴平安带,作业面设水平网兜并铺彩条布,周围用密目网维护,以防焊渣四溅。准在带有压力(液体压力或气体压力)的设备上或带电的设备上进行焊接。现场上固定的电源线必须加塑料套管埋地保护,以防止被加工件压迫发生触电。电焊施工前,工程要统一办理动火证。3.2.7火灾、爆炸事故事故现场处置措施事件发生时,在平安地带的施工人员可通过、对讲机向楼上施工人员传递火灾发生信息和位置。紧急事故发生后,工程负责人应立即报警,并组织自救队伍,开展自救;在自救过程中,遇有威胁人身平安情况时,应首先确保人身平安,迅速组织脱离危险区域或场所后,再采取应急措施。假设事态情况严重,难以控制和处理,应等待消防部门专业队伍到来施救,并密切配合。疏通事发现场道路,保证救援工作顺利进行;疏散人群至平安地带。切断电源、可燃气体(液体)的输送,防止事态扩大。对施工人员进行防火平安教育,帮助施工人员学习防火、灭火、避难、危险品转移等各种平安疏散知识和应对方法,提高施工人员对火灾、爆炸发生时的心理承受能和应变力。一旦发生突发事件,施工人员不仅可以沉稳自救,还可以冷静地配合外界消防员做好灭火工作,把火灾事故损失降低到最低水平。高层建筑在发生火灾时,不能使用室内电梯和外用电梯逃生。因为室内电梯井会产生“烟囱效应,外用电梯会发生电源短路情况。最好通过室内楼梯或室外脚手架马道逃生。如果下行楼梯受阻,施工人员可以在某楼层或楼顶部耐心等待救援,翻开窗户或划破平安网保持通风,同时用湿布捂住口鼻,挥舞彩色平安帽说明你所处的位置。切忌逃生时在马道上拥挤。现场加强警卫,设置警戒区,防止受灾人已经撤离或将要撤离火场时,由于某些特殊原因驱使他们再度进入火场。3.2.8机械伤害事故现场应急处置措施发生各种机械伤害时,应先切断电源,再根据伤害部位和伤害性质进行处理。迅速确定事故发生的准确位置、可能涉及的范围、设备损坏的程度、人员伤亡等情况,以根据不同情况进行处置。根据现场人员被伤害的程度,一边通知急救医院,一边对轻伤人员进行现场救护。划出事故特定区域,非救援人员、未经允许不得进入特定区域。3.2.9发生食物中毒及急性传染病现场处置接到发生食物中毒或急性传染病的情况后,应急抢救排险组与医疗救护组迅速赶到现场,确认情况后,应封闭事故发生区域,禁止无关人员进入,防止事态扩大。医疗救护组针对具体情况,对中毒者或患病者,实施简单的治疗,缓解病情,同时向指挥部汇报情况,请求向上级卫生部门求援。3.3 报警为有效开展事故救援活动,现场工程负责人应在第一时间寻求社会救援力量。医院急救中心120火警119匪警1103.4 相关应急救援单位和上级管理部门联络方式和联系人员应急救援小组成员联系一览表职务姓名联系方式组长:副组长:成员:3.5 事故报告根本要求和内容3.5.1报告内容事

    注意事项

    本文(建筑施工现场应急预案.docx)为本站会员(p**)主动上传,第壹文秘仅提供信息存储空间,仅对用户上传内容的表现方式做保护处理,对上载内容本身不做任何修改或编辑。 若此文所含内容侵犯了您的版权或隐私,请立即通知第壹文秘(点击联系客服),我们立即给予删除!

    温馨提示:如果因为网速或其他原因下载失败请重新下载,重复下载不扣分。




    关于我们 - 网站声明 - 网站地图 - 资源地图 - 友情链接 - 网站客服 - 联系我们

    copyright@ 2008-2023 1wenmi网站版权所有

    经营许可证编号:宁ICP备2022001189号-1

    本站为文档C2C交易模式,即用户上传的文档直接被用户下载,本站只是中间服务平台,本站所有文档下载所得的收益归上传人(含作者)所有。第壹文秘仅提供信息存储空间,仅对用户上传内容的表现方式做保护处理,对上载内容本身不做任何修改或编辑。若文档所含内容侵犯了您的版权或隐私,请立即通知第壹文秘网,我们立即给予删除!

    收起
    展开