欢迎来到第壹文秘! | 帮助中心 分享价值,成长自我!
第壹文秘
全部分类
  • 幼儿/小学教育>
  • 中学教育>
  • 高等教育>
  • 研究生考试>
  • 外语学习>
  • 资格/认证考试>
  • 论文>
  • IT计算机>
  • 法律/法学>
  • 建筑/环境>
  • 通信/电子>
  • 医学/心理学>
  • ImageVerifierCode 换一换
    首页 第壹文秘 > 资源分类 > DOCX文档下载
    分享到微信 分享到微博 分享到QQ空间

    PLC控制柜加工生产合同(2024年XX自动化工程技术有限公司与XX机电科技有限公司).docx

    • 资源ID:718296       资源大小:29.82KB        全文页数:3页
    • 资源格式: DOCX        下载积分:5金币
    快捷下载 游客一键下载
    账号登录下载
    三方登录下载: 微信开放平台登录 QQ登录
    下载资源需要5金币
    邮箱/手机:
    温馨提示:
    快捷下载时,如果您不填写信息,系统将为您自动创建临时账号,适用于临时下载。
    如果您填写信息,用户名和密码都是您填写的【邮箱或者手机号】(系统自动生成),方便查询和重复下载。
    如填写123,账号就是123,密码也是123。
    支付方式: 支付宝    微信支付   
    验证码:   换一换

    加入VIP,免费下载
     
    账号:
    密码:
    验证码:   换一换
      忘记密码?
        
    友情提示
    2、PDF文件下载后,可能会被浏览器默认打开,此种情况可以点击浏览器菜单,保存网页到桌面,就可以正常下载了。
    3、本站不支持迅雷下载,请使用电脑自带的IE浏览器,或者360浏览器、谷歌浏览器下载即可。
    4、本站资源下载后的文档和图纸-无水印,预览文档经过压缩,下载后原文更清晰。
    5、试题试卷类文档,如果标题没有明确说明有答案则都视为没有答案,请知晓。

    PLC控制柜加工生产合同(2024年XX自动化工程技术有限公司与XX机电科技有限公司).docx

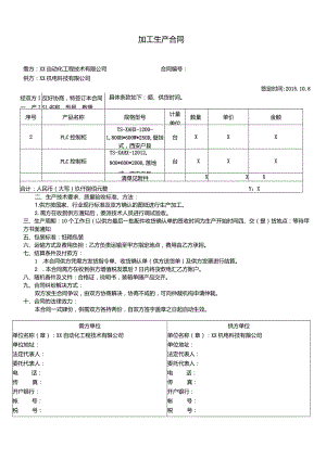
    加工生产合同需方:XX自动化工程技术有限公司合同编号:供方:XX机电科技有限公司签定时间:2015.10.8经双方I一、产I反好协商,特签订本合同Sl名称、型号、数量、金;具体条款如下:频、供货时间。序号产品名称规格型号计量单位数量单价金额2PLC控制柜TS-XAHX-1200-1,800H*600W*250D,壁挂式,西安户县台XXXPLC控制柜TS-XAHX-12012,800*600*2000,落地式,西安户县台XXX清单见附件XXX合计:人民币(大写)玖仟捌佰元整Y:X二、生产技术要求、质量验收标准、方法:1.供方按国家、行业现行标准及双方确认的图纸进行生产加工。2.需方在收到供方通知后,委派技术人员进行调试验收。三、生产周期:10个工作日(以供方最后一批配件收货确认单的签收时间为生产开始时间四、交(提)货地点:等待甲方书面通知五、包装标准:纸箱包装六、运输方式及费用负担:乙方负责运输至甲方指定地点,费用由乙方承担。七、结算条件及付款方:1 .本合同供方凭需方发货指令单、收货确认单(供方送货单)及供方发票进行结算。2 .本合同需方在收到供方增值税发票后7日内将货款电汇乙方账户。八、随机备件及文件:合格证,说明书,装箱单随产品交齐。九、合同纠纷解决方式:双方发生合同争议,由双方协商解决,协商不成的,可向仲裁机构申请仲裁。十、合同的法律效力:本合同一式肆份,供需双方各持两份,自双方签字盖章之日起自动生效。需方单位单位名称(章):XX自动化工程技术有限公司单位地址:法定代表人:委托代表人:电话:传真:开户银行:帐号:税号:邮政编码:供方单位单位名称(章):XX机电科技有限公司单位地址:法定代表人:委托代表人:电话:传真:开户银行:帐号:税号:邮政编码:序号名称规格型号单价数量小计品牌1微型断路器iC65N2PC16A2微型断路器iC65N2PClOA3模数化插座M9PC2P+E-104中间继电器RXM2LB2BD+RXZE1M4C5熔断器RT28-32X4A6端子保险JUK5-HESILED7二次端子UK5N8一次端子UKlON9柜内照明灯管220VAC10行程开关JLXKl(YBLX-Kl)/51111辅料12结构600×800×25013人工费,管理费14运费15成套箱(柜)单价自控柜1XX提供配件明细序号名称规格型号单价数量小计品牌1中央控制器(CPU)6ES7214-1HG40-0XB02触摸屏TPC1061TI3模拟量扩展模块6ES7231-4HF32-0XB04模拟量扩展模块6ES7234-4HE32-0XB05UPS不间断电源MPES2460-C3,在线式,30VA,输入AC85V-260V,输出DC24VDC12V*2,DC24V-2000mAH6电源6EP1332-1SH717逆变器DTA2430(EC35-1D200-1100)8环形变压器H0B040-269路由器H3CSOHO-WBR204n10信号转换模块WING85511信号转换模块WING85212DB9转接板公头DB9转接板公头,针13天时标牌(门楣)小14网线交叉线,L5米/条15通讯扩展模块6ES7241-1CH32-0XB016不锈钢标牌序号名称规格型号单价数量小计品牌1微型断路器iC65N2PC16A2微型断路器iC65N2PClOA3模数化插座M9PC2P+E-104中间继电器RXM2LB2BD+RXZE1M4C5熔断器RT28-32X4A6端子保险JUK5-HESILED7二次端子UK5N8一次端子UKlON9柜内照明灯管220VAC10行程开关JLXKl(YBLX-Kl)/51111辅料1210#槽钢基础800×600×10013结构800X2000X60014人工费,管理费15运费16成套箱(柜)单价自控柜2XX提供配件明细序号名称规格型号单价数量小计品牌1中央控制器(CPU)6ES7214-1HG40-0XB02触摸屏TPC1061TI3模拟量扩展模块6ES7231-4HF32-0XB04模拟量扩展模块6ES7232-4HD32-0XB05数字量扩展模块6ES7221-1BH32-0XB06数字量扩展模块6ES7222-1BF32-0XB07UPS不间断电源MPES2460-C3,在线式,30VA,输入AC85V-260V,输出DC24VDC12V*2,DC24V-2000mAH8电源6EP1332-1SH719逆变器DTA2430(EC35-1D200-1100)10环形变压器H0B040-2611路由器H3CSOHO-WBR204n12信号转换模块WING85513信号转换模块WING85214DB9转接板公头DB9转接板公头,针15天时标牌(门楣)小16网线交叉线,L5米/条17通讯扩展模块6ES7241-1CH32-0XB018不锈钢标牌

    注意事项

    本文(PLC控制柜加工生产合同(2024年XX自动化工程技术有限公司与XX机电科技有限公司).docx)为本站会员(p**)主动上传,第壹文秘仅提供信息存储空间,仅对用户上传内容的表现方式做保护处理,对上载内容本身不做任何修改或编辑。 若此文所含内容侵犯了您的版权或隐私,请立即通知第壹文秘(点击联系客服),我们立即给予删除!

    温馨提示:如果因为网速或其他原因下载失败请重新下载,重复下载不扣分。




    关于我们 - 网站声明 - 网站地图 - 资源地图 - 友情链接 - 网站客服 - 联系我们

    copyright@ 2008-2023 1wenmi网站版权所有

    经营许可证编号:宁ICP备2022001189号-1

    本站为文档C2C交易模式,即用户上传的文档直接被用户下载,本站只是中间服务平台,本站所有文档下载所得的收益归上传人(含作者)所有。第壹文秘仅提供信息存储空间,仅对用户上传内容的表现方式做保护处理,对上载内容本身不做任何修改或编辑。若文档所含内容侵犯了您的版权或隐私,请立即通知第壹文秘网,我们立即给予删除!

    收起
    展开