欢迎来到第壹文秘! | 帮助中心 分享价值,成长自我!
第壹文秘
全部分类
  • 幼儿/小学教育>
  • 中学教育>
  • 高等教育>
  • 研究生考试>
  • 外语学习>
  • 资格/认证考试>
  • 论文>
  • IT计算机>
  • 法律/法学>
  • 建筑/环境>
  • 通信/电子>
  • 医学/心理学>
  • ImageVerifierCode 换一换
    首页 第壹文秘 > 资源分类 > DOCX文档下载
    分享到微信 分享到微博 分享到QQ空间

    注塑模具设计评审表.docx

    • 资源ID:708921       资源大小:21.36KB        全文页数:2页
    • 资源格式: DOCX        下载积分:5金币
    快捷下载 游客一键下载
    账号登录下载
    三方登录下载: 微信开放平台登录 QQ登录
    下载资源需要5金币
    邮箱/手机:
    温馨提示:
    快捷下载时,如果您不填写信息,系统将为您自动创建临时账号,适用于临时下载。
    如果您填写信息,用户名和密码都是您填写的【邮箱或者手机号】(系统自动生成),方便查询和重复下载。
    如填写123,账号就是123,密码也是123。
    支付方式: 支付宝    微信支付   
    验证码:   换一换

    加入VIP,免费下载
     
    账号:
    密码:
    验证码:   换一换
      忘记密码?
        
    友情提示
    2、PDF文件下载后,可能会被浏览器默认打开,此种情况可以点击浏览器菜单,保存网页到桌面,就可以正常下载了。
    3、本站不支持迅雷下载,请使用电脑自带的IE浏览器,或者360浏览器、谷歌浏览器下载即可。
    4、本站资源下载后的文档和图纸-无水印,预览文档经过压缩,下载后原文更清晰。
    5、试题试卷类文档,如果标题没有明确说明有答案则都视为没有答案,请知晓。

    注塑模具设计评审表.docx

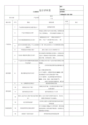
    殳计评审表编号:生效日期:土里俣兄保存期限:普通秘密机密绝密项目名称产品名称模具厂家确认项目序号描述验收标准结果×备注产品状态1产品材料及收缩率是否遵守指示?按照福田要求2产品分型线是否合理?外观面上原则不允许出现分型线,特殊情况需产品工程师确认。(供应商提供夹线确认书)3产品外观面脱模斜度是否合理?一般粗皮纹至少5°,(图形分析时用7°分析,不足7°的在图中指示出来,)细皮纹3°4是否存在影响模具强度,产生尖角薄壁的地方?小于30°的角及高宽比大于5的侧壁都应避免5外观面是否有缩水可能?筋位大端尺寸应小于壁厚的1/36产品浇口数量和位置是否合理?供应商提供详细的模流分析报告,结果要求压力适中,熔接痕在可接受范围内,无滞流现象,填充平衡,无明显变形、缩水。7产品是否有变形问题影响装配或强度不足风险?结合模流分析中的产品变形量来判断是否影响装配模具钢料8模具钢料选用是否合理?1 .内外饰外观注塑件的定模和抽芯采用进口2738或P20材料。2 .对于电镀件,定模材料要求是NAK80,动模和动模抽芯可以用2738或国产P20。3 .对于透明件,动定模和抽芯材料要求是NAK80、SI36、2343、2344和8407等。4 .如果产品的材料是酸性的,模具材料一定要有耐腐蚀要求。模具强度9动、定模强度是否满足?强度校核需满足要求10锁紧是否设计平衡?锁紧定位需平衡,在注塑过程中模具不能产生横向错位11插穿角度是否合理?插穿角度要求大于3度12模具上是否有应力集中或尖角区域存在?模具上无应力集中区域和尖角存在,若存在,调整分型面或者产品来避免。热流道系统13是否采用热流道?内外饰主要的大注塑件和重要的零部件要采用热流道14热流道类型是否满足要求?对于长度超过400mm以上的外观件,模具热流道系统原则上须采用顺序阀结构,具体情况可根据模流分析确定。15热流道厂家是否达标?使用福田规定的热流道品牌冷却系统16模具动定模水路是否满足要求?动定模的水路直径保持一致,水路必须沿着产品的外形设计,水路的长度应该满足下列条件:1、冷却水的进出口温度差要小于5C:2、水路的总长一般不超过4,000mm:3、水路的间距应为水路直径的5倍。17较大滑块、斜顶、镶块、顶块是否设计水路?较大的滑块、镶块和顶块需要设计水路:水路直径要大于6mm。18热流道喷嘴周围是否设计单独的冷却水路?热流道喷嘴周围要设计单独的冷却水路。顶出系统19模具顶出是否合理?筋位、侧壁附近均应有顶出,要求布置均匀,顶出平衡20大型模具是否采用油缸顶出?大型模具采用油缸顶出21油缸顶出的模具是否设计行程开关?油缸顶出的模具箱设计复位行程开关,防止撞模。22油路设计是否平衡?油路设计要求平衡,使油同时到达每个油缸,保障顶出平衡。模具工艺23模具加工工艺是否合理?要求模具加工工艺简洁,效率高,非胶位部分减少电火花加工的部位,尽量全部采用NC加工24模具精度和表面质量要求是否达标?有装配要求的地方的形状公差和位置公差必须满足产品图纸要求。型腔表面粗糙度要求达到RaL6,型芯抛光无刀纹。评审结论,模具供应商,零部件供应商,采购本部,模具工程师、SQE记录部门:记录人:模具工程拜记录日期:

    注意事项

    本文(注塑模具设计评审表.docx)为本站会员(p**)主动上传,第壹文秘仅提供信息存储空间,仅对用户上传内容的表现方式做保护处理,对上载内容本身不做任何修改或编辑。 若此文所含内容侵犯了您的版权或隐私,请立即通知第壹文秘(点击联系客服),我们立即给予删除!

    温馨提示:如果因为网速或其他原因下载失败请重新下载,重复下载不扣分。




    关于我们 - 网站声明 - 网站地图 - 资源地图 - 友情链接 - 网站客服 - 联系我们

    copyright@ 2008-2023 1wenmi网站版权所有

    经营许可证编号:宁ICP备2022001189号-1

    本站为文档C2C交易模式,即用户上传的文档直接被用户下载,本站只是中间服务平台,本站所有文档下载所得的收益归上传人(含作者)所有。第壹文秘仅提供信息存储空间,仅对用户上传内容的表现方式做保护处理,对上载内容本身不做任何修改或编辑。若文档所含内容侵犯了您的版权或隐私,请立即通知第壹文秘网,我们立即给予删除!

    收起
    展开