欢迎来到第壹文秘! | 帮助中心 分享价值,成长自我!
第壹文秘
全部分类
  • 幼儿/小学教育>
  • 中学教育>
  • 高等教育>
  • 研究生考试>
  • 外语学习>
  • 资格/认证考试>
  • 论文>
  • IT计算机>
  • 法律/法学>
  • 建筑/环境>
  • 通信/电子>
  • 医学/心理学>
  • ImageVerifierCode 换一换
    首页 第壹文秘 > 资源分类 > DOCX文档下载
    分享到微信 分享到微博 分享到QQ空间

    中低温容器板A515Gr70炼钢工艺.docx

    • 资源ID:708053       资源大小:17.94KB        全文页数:2页
    • 资源格式: DOCX        下载积分:5金币
    快捷下载 游客一键下载
    账号登录下载
    三方登录下载: 微信开放平台登录 QQ登录
    下载资源需要5金币
    邮箱/手机:
    温馨提示:
    快捷下载时,如果您不填写信息,系统将为您自动创建临时账号,适用于临时下载。
    如果您填写信息,用户名和密码都是您填写的【邮箱或者手机号】(系统自动生成),方便查询和重复下载。
    如填写123,账号就是123,密码也是123。
    支付方式: 支付宝    微信支付   
    验证码:   换一换

    加入VIP,免费下载
     
    账号:
    密码:
    验证码:   换一换
      忘记密码?
        
    友情提示
    2、PDF文件下载后,可能会被浏览器默认打开,此种情况可以点击浏览器菜单,保存网页到桌面,就可以正常下载了。
    3、本站不支持迅雷下载,请使用电脑自带的IE浏览器,或者360浏览器、谷歌浏览器下载即可。
    4、本站资源下载后的文档和图纸-无水印,预览文档经过压缩,下载后原文更清晰。
    5、试题试卷类文档,如果标题没有明确说明有答案则都视为没有答案,请知晓。

    中低温容器板A515Gr70炼钢工艺.docx

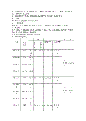
    1、A515Gr70钢系美国ASME标准压力容器用奥氏体粗晶粒钢,主要用于制造中高温焊接锅炉和压力容器。2、A515Gr70执行标准:ASMESA515/SA515M中低温压力容器用碳钢板引用标准:A20/A20M压力容器用钢板通用要求。2、材料和制造炼钢工艺-钢应为镇静钢,并应符合A20/A20M标准细奥氏体晶粒度的要求。3、热处理厚度(50mm的钢板通常以轧制状态供货了可以订货正火处理的、或消除应力处理的或正火加消除应力处理的钢板。厚度大于50mm的钢板必须经正火处理。4、A515Gr70化学成分材质厚度(mm)CMnSiPS熔炼分析成品分析熔炼分析成品分析A515Gr60250.240.900.980.15-0.400.13-0.450.0350.035515Gr6025-500.27A515Gr6050-1000.29A515Gr60100-2000.31A515Gr65250.280.900.980.15-0.400.13-0.450.0350.035A515Gr6525-500.31A515Gr6550-1000.33A515Gr65100-2000.33A515Gr70250.311.201.300.15-0.400.13-0.45A515Gr7O25-50O.33O.035O.035515Gr7O50-100O.35515Gr7O100-20OO.355、515Gr70±J学性能材质抗拉强度ksi(MPa)屈服强度ksi(MPa)伸长率(标距8in或200mm)伸长率(标距2in或50mm)A515Gr6060-80(415-550)232(220)221225A515Gr6565-85(450-585)235(240)219223A515Gr7070-90(485-620)>33(260)217221

    注意事项

    本文(中低温容器板A515Gr70炼钢工艺.docx)为本站会员(p**)主动上传,第壹文秘仅提供信息存储空间,仅对用户上传内容的表现方式做保护处理,对上载内容本身不做任何修改或编辑。 若此文所含内容侵犯了您的版权或隐私,请立即通知第壹文秘(点击联系客服),我们立即给予删除!

    温馨提示:如果因为网速或其他原因下载失败请重新下载,重复下载不扣分。




    关于我们 - 网站声明 - 网站地图 - 资源地图 - 友情链接 - 网站客服 - 联系我们

    copyright@ 2008-2023 1wenmi网站版权所有

    经营许可证编号:宁ICP备2022001189号-1

    本站为文档C2C交易模式,即用户上传的文档直接被用户下载,本站只是中间服务平台,本站所有文档下载所得的收益归上传人(含作者)所有。第壹文秘仅提供信息存储空间,仅对用户上传内容的表现方式做保护处理,对上载内容本身不做任何修改或编辑。若文档所含内容侵犯了您的版权或隐私,请立即通知第壹文秘网,我们立即给予删除!

    收起
    展开