欢迎来到第壹文秘! | 帮助中心 分享价值,成长自我!
第壹文秘
全部分类
  • 幼儿/小学教育>
  • 中学教育>
  • 高等教育>
  • 研究生考试>
  • 外语学习>
  • 资格/认证考试>
  • 论文>
  • IT计算机>
  • 法律/法学>
  • 建筑/环境>
  • 通信/电子>
  • 医学/心理学>
  • ImageVerifierCode 换一换
    首页 第壹文秘 > 资源分类 > DOCX文档下载
    分享到微信 分享到微博 分享到QQ空间

    【装饰装修】给排水管类(三).docx

    • 资源ID:707420       资源大小:19.74KB        全文页数:3页
    • 资源格式: DOCX        下载积分:5金币
    快捷下载 游客一键下载
    账号登录下载
    三方登录下载: 微信开放平台登录 QQ登录
    下载资源需要5金币
    邮箱/手机:
    温馨提示:
    快捷下载时,如果您不填写信息,系统将为您自动创建临时账号,适用于临时下载。
    如果您填写信息,用户名和密码都是您填写的【邮箱或者手机号】(系统自动生成),方便查询和重复下载。
    如填写123,账号就是123,密码也是123。
    支付方式: 支付宝    微信支付   
    验证码:   换一换

    加入VIP,免费下载
     
    账号:
    密码:
    验证码:   换一换
      忘记密码?
        
    友情提示
    2、PDF文件下载后,可能会被浏览器默认打开,此种情况可以点击浏览器菜单,保存网页到桌面,就可以正常下载了。
    3、本站不支持迅雷下载,请使用电脑自带的IE浏览器,或者360浏览器、谷歌浏览器下载即可。
    4、本站资源下载后的文档和图纸-无水印,预览文档经过压缩,下载后原文更清晰。
    5、试题试卷类文档,如果标题没有明确说明有答案则都视为没有答案,请知晓。

    【装饰装修】给排水管类(三).docx

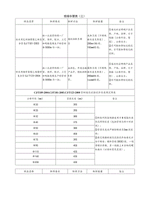
    给排水管类(三)样品名苏取样要求取样方法取样数量备注给水用孔网钢带聚乙烯复合管CJ/T181-2003按一次进货的同一厂家、原料、配方、工艺和规格连续生产的管材每5000m为一批;每批抽取5根管我取3段(不同规格长度见附表)、20OmnlX6段、100mmX3段。委托时应明确产品名称、产地、品牌、尺寸规格(公称外径、壁厚)、公称压力:尽可能取带标记的试样。尽可能取带标记的试样。给水用钢骨架聚乙烯塑料复合管CJ/T123-2004按一次进货的同一厂家、原料、配方、工艺和规格连续生产的管材每500Om为一批;在颜色、外现合格产品中,随机抽取5根管。截取3段(不同规格长度见附表)、20OmmX6段、IoommX3段。委托时应明确产品名称、产地、品牌、尺寸规格(公称外径、壁厚)、公称压力;尽可能取带标记的试样。CJT189-2004.CJT181-2003.CJ/T123-2000管材液压试验试件长度规定附表公称外径(mm)管段长度(mm)备注20395附表列有各规格适用于B型接头液压试样的长度(包括管材与封口环在内);管段长度应严格控制在±2mm误差内;其它规格的液压试验试件由委托方自行制备:截取管段300X3段,一端用堵头封堵,另一端接上4分的内螺纹接头(必要时需先变径)。25395323804037550380634007539590400110425160435200430样品名称取样要求取样方法取样数量备注给水用钢骨架聚乙烯塑料复合管件CJ/T124-2004按一次进货的同一厂家、原料、配方、工艺和规格连续生产的复合管件为一批;在颜色、外观合格产品中,随机抽取。每批抽取样品8件,其中3件加工成液压试件。液压试件由管段和一个管件电熔连接,一端用堵头堵上,另一端接上4分的内螺纹接头(必要时需先变径)。委托时应明确产品名称、产地、品牌、尺寸规格(公称外径、壁厚)、公称压力;尽可能取带标记的试样。埋地排水用硬聚氯乙烯(PVC-U)双壁波纹管GB/T18477-2007按一次进货的同一厂家、原料、配方、工艺和规格为一批,母批数量不超过30吨;在颜色、外观合格产品中,随机抽取。每批随机截取200mm长15段。委托时应明确产品名称、产地、品牌、尺寸规格(公称外径、壁厚)、环刚度等级(SN2、SN4、SN8、SNl2.5、SNI6);尽可能取带标记的试样。排水用芯层发泡聚氯乙烯(PV(MJ)管材GB/T16800-2008按一次进货的同一厂家、原料、配方、工艺、规格为一批,每批数量不超过50吨;在颜色、外观合格产品中,随机抽取。随机抽取5根,横取5根Xlm试样。委托时应明确产品名称、产地、品牌、尺寸规格(公称外径、壁厚)、环刚度等级(SO、SkS2);尽可能取带标记的试样。埋地用聚乙烯(PE)双壁波纹管(适用于埋地排水、通讯套管)GB/T19472.1-2004按一次进货的同一厂家、原料、配方、工艺、规格为一批,管材内径W500mm的,每批数量不超过60吨,管材内径500mm的,每批数量不超过300吨;在颜色、外观合格产品中,随机抽取。每批随机做取9段X30Omm试样。委托时应明确产品名称、产地、品牌、公称外径、环刚度等级(SN2、SN4、SN6.3、SN8、SN12.5、SN16);尽可能取带标记的试样。埋地用聚乙烯(PE)缠绕结构壁管(适用于排水、农田排水)GB/T19472.2-2004按一次进货的同一厂家、原料、配方、工艺、规格为一批,管材内径W500mm的,每批数量不超过60吨,管材内径500mm的,每批数量不超过300吨;在颜色、外观合格产品中,随机抽取。每批随机假取9段X30Omm试样。委托时应明确产品名称、产地、品牌、公称尺寸、结构型式(A型、B型)、环刚度等级(SN2、SN4、SN6.3、SN8、SN12.5、SN16);尽可能取带标记的试样。硬聚氯乙烯(PVe-U)电线导管JG3050-1998按一次进货的同一厂家、原料、配方、工艺、规格为一批。在颜色、外观合格产品中,随机抽取。每批抽取3根,横取1mX3段。委托时应明确产品名称、产地、品牌、公称尺寸、性能代号(如GY405);尽可能取带标记的试样。

    注意事项

    本文(【装饰装修】给排水管类(三).docx)为本站会员(p**)主动上传,第壹文秘仅提供信息存储空间,仅对用户上传内容的表现方式做保护处理,对上载内容本身不做任何修改或编辑。 若此文所含内容侵犯了您的版权或隐私,请立即通知第壹文秘(点击联系客服),我们立即给予删除!

    温馨提示:如果因为网速或其他原因下载失败请重新下载,重复下载不扣分。




    关于我们 - 网站声明 - 网站地图 - 资源地图 - 友情链接 - 网站客服 - 联系我们

    copyright@ 2008-2023 1wenmi网站版权所有

    经营许可证编号:宁ICP备2022001189号-1

    本站为文档C2C交易模式,即用户上传的文档直接被用户下载,本站只是中间服务平台,本站所有文档下载所得的收益归上传人(含作者)所有。第壹文秘仅提供信息存储空间,仅对用户上传内容的表现方式做保护处理,对上载内容本身不做任何修改或编辑。若文档所含内容侵犯了您的版权或隐私,请立即通知第壹文秘网,我们立即给予删除!

    收起
    展开