欢迎来到第壹文秘! | 帮助中心 分享价值,成长自我!
第壹文秘
全部分类
  • 幼儿/小学教育>
  • 中学教育>
  • 高等教育>
  • 研究生考试>
  • 外语学习>
  • 资格/认证考试>
  • 论文>
  • IT计算机>
  • 法律/法学>
  • 建筑/环境>
  • 通信/电子>
  • 医学/心理学>
  • ImageVerifierCode 换一换
    首页 第壹文秘 > 资源分类 > DOCX文档下载
    分享到微信 分享到微博 分享到QQ空间

    38CrSi交货状态及热处理温度.docx

    • 资源ID:704533       资源大小:16.92KB       
    • 资源格式: DOCX        下载积分:5金币
    快捷下载 游客一键下载
    账号登录下载
    三方登录下载: 微信开放平台登录 QQ登录
    下载资源需要5金币
    邮箱/手机:
    温馨提示:
    快捷下载时,如果您不填写信息,系统将为您自动创建临时账号,适用于临时下载。
    如果您填写信息,用户名和密码都是您填写的【邮箱或者手机号】(系统自动生成),方便查询和重复下载。
    如填写123,账号就是123,密码也是123。
    支付方式: 支付宝    微信支付   
    验证码:   换一换

    加入VIP,免费下载
     
    账号:
    密码:
    验证码:   换一换
      忘记密码?
        
    友情提示
    2、PDF文件下载后,可能会被浏览器默认打开,此种情况可以点击浏览器菜单,保存网页到桌面,就可以正常下载了。
    3、本站不支持迅雷下载,请使用电脑自带的IE浏览器,或者360浏览器、谷歌浏览器下载即可。
    4、本站资源下载后的文档和图纸-无水印,预览文档经过压缩,下载后原文更清晰。
    5、试题试卷类文档,如果标题没有明确说明有答案则都视为没有答案,请知晓。

    38CrSi交货状态及热处理温度.docx

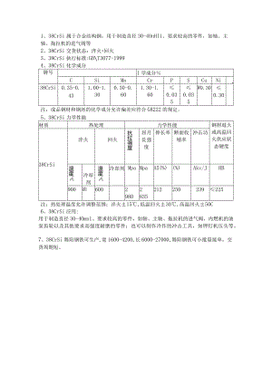
    1、38CrSi属于合金结构钢,用于制造直径30-4OnHl1、要求较高的零件,如轴、主轴、拖拉机的进气阀等2、38CrSi交货状态:淬火+回火3、38CrSi执行标准:GBT3077-19994、38CrSi化学成分牌号1学成分CSiMnCrPSCuNi-38CrSi0.35-0.431.00-1.300.30-0.601.30-1.600.0350.035W0.300.30注:成品钢材和钢坯的化学成分允许偏差应符合GB222的规定。5、38CrSi力学性能材质热处理力学性能钢材退火或高温回火供应状态硬度38CrSi淬火回火抗拉强度屈月艮强度伸长率断面收缩率冲击功温度/oC冷却剂温度/oC冷却剂MpaMpaA5(%)(%)Akv/JHB900油600r29802835212250239225注:热处理温度允许调整范围:淬火±15,低温回火±30,高温回火±50C6、38CrSi应用:用于制造直径30-4Omn1、要求较高的零件,如轴、主轴、拖拉机的进气阀,内燃机的油泵齿轮以及其他要求高强度耐磨的零件;也可以制作冷作的冲击工具,如钾钉机压头等。7、38CrSi舞阳钢铁可生产,宽1600-4200,长6000-27000,舞阳钢铁可小批量接单,交货周期短。

    注意事项

    本文(38CrSi交货状态及热处理温度.docx)为本站会员(p**)主动上传,第壹文秘仅提供信息存储空间,仅对用户上传内容的表现方式做保护处理,对上载内容本身不做任何修改或编辑。 若此文所含内容侵犯了您的版权或隐私,请立即通知第壹文秘(点击联系客服),我们立即给予删除!

    温馨提示:如果因为网速或其他原因下载失败请重新下载,重复下载不扣分。




    关于我们 - 网站声明 - 网站地图 - 资源地图 - 友情链接 - 网站客服 - 联系我们

    copyright@ 2008-2023 1wenmi网站版权所有

    经营许可证编号:宁ICP备2022001189号-1

    本站为文档C2C交易模式,即用户上传的文档直接被用户下载,本站只是中间服务平台,本站所有文档下载所得的收益归上传人(含作者)所有。第壹文秘仅提供信息存储空间,仅对用户上传内容的表现方式做保护处理,对上载内容本身不做任何修改或编辑。若文档所含内容侵犯了您的版权或隐私,请立即通知第壹文秘网,我们立即给予删除!

    收起
    展开