欢迎来到第壹文秘! | 帮助中心 分享价值,成长自我!
第壹文秘
全部分类
  • 幼儿/小学教育>
  • 中学教育>
  • 高等教育>
  • 研究生考试>
  • 外语学习>
  • 资格/认证考试>
  • 论文>
  • IT计算机>
  • 法律/法学>
  • 建筑/环境>
  • 通信/电子>
  • 医学/心理学>
  • ImageVerifierCode 换一换
    首页 第壹文秘 > 资源分类 > DOCX文档下载
    分享到微信 分享到微博 分享到QQ空间

    20CrMnMo合金钢淬火+回火20CrMnMo断面收缩率.docx

    • 资源ID:704362       资源大小:18.04KB        全文页数:2页
    • 资源格式: DOCX        下载积分:5金币
    快捷下载 游客一键下载
    账号登录下载
    三方登录下载: 微信开放平台登录 QQ登录
    下载资源需要5金币
    邮箱/手机:
    温馨提示:
    快捷下载时,如果您不填写信息,系统将为您自动创建临时账号,适用于临时下载。
    如果您填写信息,用户名和密码都是您填写的【邮箱或者手机号】(系统自动生成),方便查询和重复下载。
    如填写123,账号就是123,密码也是123。
    支付方式: 支付宝    微信支付   
    验证码:   换一换

    加入VIP,免费下载
     
    账号:
    密码:
    验证码:   换一换
      忘记密码?
        
    友情提示
    2、PDF文件下载后,可能会被浏览器默认打开,此种情况可以点击浏览器菜单,保存网页到桌面,就可以正常下载了。
    3、本站不支持迅雷下载,请使用电脑自带的IE浏览器,或者360浏览器、谷歌浏览器下载即可。
    4、本站资源下载后的文档和图纸-无水印,预览文档经过压缩,下载后原文更清晰。
    5、试题试卷类文档,如果标题没有明确说明有答案则都视为没有答案,请知晓。

    20CrMnMo合金钢淬火+回火20CrMnMo断面收缩率.docx

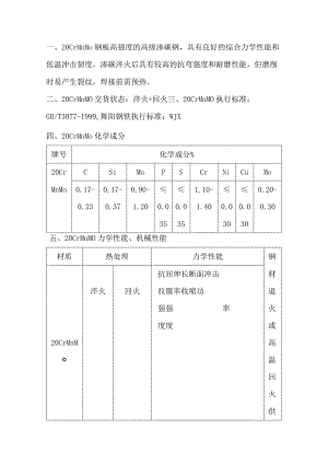
    一、20CrMnMo钢板高强度的高级渗碳钢,具有良好的综合力学性能和低温冲击韧度,渗碳淬火后具有较高的抗弯强度和耐磨性能,但磨削时易产生裂纹,焊接前需预热。二、20CrMnMO交货状态:淬火+回火三、20CrMnMO执行标准:GB/T3077-1999,舞阳钢铁执行标准:WJX四、20CrMnMo化学成分牌号化学成分%20CrCSiMnPSCrNiCuMoMnMo0.17-0.17-0.90-1.10-0.20-0.230.371.200.00.01.400.00.00.3035353030五、20CrMnMO力学性能、机械性能材质热处理力学性能钢抗屈伸长断面冲击材淬火回火拉服率收缩功退强强率火度度或20CrMnM高O温回火供应状态硬度温冷温冷MpaMpA5(%(%)Akv/HB度却度却a)J/剂/剂85油20水、N221024525500空1188821057六、20CrMnMO应用常用于制造高硬度、高强度、高韧性的较大重要渗碳件(其要求均高于15CrMnMO),如曲轴、凸轮轴、连杆、齿轮轴、齿轮、销轴,还可代替12Cr2Ni4使用。

    注意事项

    本文(20CrMnMo合金钢淬火+回火20CrMnMo断面收缩率.docx)为本站会员(p**)主动上传,第壹文秘仅提供信息存储空间,仅对用户上传内容的表现方式做保护处理,对上载内容本身不做任何修改或编辑。 若此文所含内容侵犯了您的版权或隐私,请立即通知第壹文秘(点击联系客服),我们立即给予删除!

    温馨提示:如果因为网速或其他原因下载失败请重新下载,重复下载不扣分。




    关于我们 - 网站声明 - 网站地图 - 资源地图 - 友情链接 - 网站客服 - 联系我们

    copyright@ 2008-2023 1wenmi网站版权所有

    经营许可证编号:宁ICP备2022001189号-1

    本站为文档C2C交易模式,即用户上传的文档直接被用户下载,本站只是中间服务平台,本站所有文档下载所得的收益归上传人(含作者)所有。第壹文秘仅提供信息存储空间,仅对用户上传内容的表现方式做保护处理,对上载内容本身不做任何修改或编辑。若文档所含内容侵犯了您的版权或隐私,请立即通知第壹文秘网,我们立即给予删除!

    收起
    展开