欢迎来到第壹文秘! | 帮助中心 分享价值,成长自我!
第壹文秘
全部分类
  • 幼儿/小学教育>
  • 中学教育>
  • 高等教育>
  • 研究生考试>
  • 外语学习>
  • 资格/认证考试>
  • 论文>
  • IT计算机>
  • 法律/法学>
  • 建筑/环境>
  • 通信/电子>
  • 医学/心理学>
  • ImageVerifierCode 换一换
    首页 第壹文秘 > 资源分类 > DOCX文档下载
    分享到微信 分享到微博 分享到QQ空间

    手机保护膜检验规范-钢化膜-PET保护膜.docx

    • 资源ID:701574       资源大小:94.89KB        全文页数:4页
    • 资源格式: DOCX        下载积分:5金币
    快捷下载 游客一键下载
    账号登录下载
    三方登录下载: 微信开放平台登录 QQ登录
    下载资源需要5金币
    邮箱/手机:
    温馨提示:
    快捷下载时,如果您不填写信息,系统将为您自动创建临时账号,适用于临时下载。
    如果您填写信息,用户名和密码都是您填写的【邮箱或者手机号】(系统自动生成),方便查询和重复下载。
    如填写123,账号就是123,密码也是123。
    支付方式: 支付宝    微信支付   
    验证码:   换一换

    加入VIP,免费下载
     
    账号:
    密码:
    验证码:   换一换
      忘记密码?
        
    友情提示
    2、PDF文件下载后,可能会被浏览器默认打开,此种情况可以点击浏览器菜单,保存网页到桌面,就可以正常下载了。
    3、本站不支持迅雷下载,请使用电脑自带的IE浏览器,或者360浏览器、谷歌浏览器下载即可。
    4、本站资源下载后的文档和图纸-无水印,预览文档经过压缩,下载后原文更清晰。
    5、试题试卷类文档,如果标题没有明确说明有答案则都视为没有答案,请知晓。

    手机保护膜检验规范-钢化膜-PET保护膜.docx

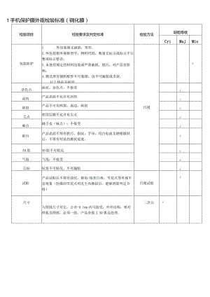
    1手机保护膜外观检验标准(钢化膜)检验项目检验要求及判定标准检验方法缺陷等级CriMajMin包装防护1 .外包装箱无破损,变形。2 .外包装箱外规格型号,物料代码,数量无标示或标示不完整或标示错误;3 .未使用规定的材料包装或严重破损,脏污,对产品有影响;4 .膜及所有辅料配件不可装错,也不可漏装或多装。以上情况不接受目视杂色点流纹,杂色点,不接受刮伤产品表面不允许有刮伤缺损产品不可有碎裂,崩边,缺损尘点使用层膜不允许有尘点麻点橘子皮(麻点):不接受脏污产品表面不得有脏污,指纹,手印,用白电油及酒精擦拭后,不得有明显的擦拭痕迹。AB胶AB胶不可贴反气泡气泡:不接受标标签不可贴反,不可漏贴试贴产品试贴后不得有波纹,锯齿/线状白痕,雪花点等外观不良现象(轻微的雪花点用无尘布擦拭后,能够消除判定合格)目视试贴尺寸与图纸尺寸对比,公差-0.Imm内可接受,外形结构,核对样板及图纸,必须一致。产品有做2.5D弧边处理。二次元2手机保护膜可靠性检验标准(钢化膜)序号实验项目实验方法检验判定标准设备/仪器图片1硬度测试使用铅笔硬度仪,在500g,450下选取5个不同点划长度为34cm,划的路径无重合铅笔硬度(911铅笔)用拭灰布擦拭后观察,无划伤,划痕硬度测试仪2耐磨测试摩擦介质:刚丝绒;摩擦面积规格:2*2cm;荷重:IooOg;行程:50mm;磨擦速度:60cyclemin;磨擦次数:1500CyCle摩擦后水滴角:290°耐磨擦测试仪,水滴角测试仪3水滴角测试常温,正常品正面滴水角:ooo水滴角测试仪4疏水疏油测试1 .抗水测试:a.用滴管滴滴水在屏幕中央,用手轻轻带动水滴在屏幕上滑动,观察水滴运动效果b.用滴管滴一滴水在屏幕中央,慢慢倾斜屏幕至45度左右,观察水滴运动效果2 .抗油测试1 .抗水测试进行a.b测试时,水滴保持水滴状,未分散2 .抗油测试记号笔只能在屏幕上留下轻微的痕迹,并且用手机擦屏布可轻易擦除痕迹油性笔/纯净水5抗冲击性测试使用钢球跌落测试仪,先摆正钢化膜位置,然后选取重量为32g的钢球,在高度为70cm处垂直跌落;在高度为90cm处重复实验70cm高度测试,产品无破裂落球测试仪6试贴,走胶在尽量保证无尘的环境下,轻轻撕开物料表面离形膜,将其贴于黑色光滑玻璃测试板上,观察其走胶速度、效果;撕下保护膜,重复贴膜操作,观察其贴合效果,走胶速度要匀速,直到完全与测试板粘贴。在离屏IOCm处观察,两次均无气泡、压痕、白边、走不到位等不良现象出现测试板附图参考7折泻测试L用游标卡尺记录钢化膜长度2. 2/3长度弯曲测试:撕开钢化膜的离型膜,将钢化膜离型膜面面朝测试者,用游标卡尺卡住钢化膜,用手从两端慢慢弯曲钢化膜,在钢化膜长度2/3处,观察钢化膜时候碎裂3. 1/2长度弯曲测试:如钢化膜在上步测试中未断裂,则继续弯曲,在钢化膜长度1/2处观察钢化膜是否断裂4. 终结测试:继续弯曲钢化膜直到断裂,记录断裂时钢化膜的长度1 .所有钢化膜均要通过2/3长度测试2 .钢化膜断裂时无玻璃细颗粒飞出3 .钢化膜裂纹为常规裂纹卡尺附图参考8变形度将产品贴合面平整的放置在大理石平台上,用塞尺测量产品与平台之间的间隙。产品变形度管控为:往AB面反向变形小于等于0.2mm接受,不可往涂油面翘曲变形。塞尺

    注意事项

    本文(手机保护膜检验规范-钢化膜-PET保护膜.docx)为本站会员(p**)主动上传,第壹文秘仅提供信息存储空间,仅对用户上传内容的表现方式做保护处理,对上载内容本身不做任何修改或编辑。 若此文所含内容侵犯了您的版权或隐私,请立即通知第壹文秘(点击联系客服),我们立即给予删除!

    温馨提示:如果因为网速或其他原因下载失败请重新下载,重复下载不扣分。




    关于我们 - 网站声明 - 网站地图 - 资源地图 - 友情链接 - 网站客服 - 联系我们

    copyright@ 2008-2023 1wenmi网站版权所有

    经营许可证编号:宁ICP备2022001189号-1

    本站为文档C2C交易模式,即用户上传的文档直接被用户下载,本站只是中间服务平台,本站所有文档下载所得的收益归上传人(含作者)所有。第壹文秘仅提供信息存储空间,仅对用户上传内容的表现方式做保护处理,对上载内容本身不做任何修改或编辑。若文档所含内容侵犯了您的版权或隐私,请立即通知第壹文秘网,我们立即给予删除!

    收起
    展开