欢迎来到第壹文秘! | 帮助中心 分享价值,成长自我!
第壹文秘
全部分类
  • 幼儿/小学教育>
  • 中学教育>
  • 高等教育>
  • 研究生考试>
  • 外语学习>
  • 资格/认证考试>
  • 论文>
  • IT计算机>
  • 法律/法学>
  • 建筑/环境>
  • 通信/电子>
  • 医学/心理学>
  • ImageVerifierCode 换一换
    首页 第壹文秘 > 资源分类 > DOCX文档下载
    分享到微信 分享到微博 分享到QQ空间

    锅炉补偿器技术规范书.docx

    • 资源ID:690141       资源大小:23.70KB        全文页数:4页
    • 资源格式: DOCX        下载积分:5金币
    快捷下载 游客一键下载
    账号登录下载
    三方登录下载: 微信开放平台登录 QQ登录
    下载资源需要5金币
    邮箱/手机:
    温馨提示:
    快捷下载时,如果您不填写信息,系统将为您自动创建临时账号,适用于临时下载。
    如果您填写信息,用户名和密码都是您填写的【邮箱或者手机号】(系统自动生成),方便查询和重复下载。
    如填写123,账号就是123,密码也是123。
    支付方式: 支付宝    微信支付   
    验证码:   换一换

    加入VIP,免费下载
     
    账号:
    密码:
    验证码:   换一换
      忘记密码?
        
    友情提示
    2、PDF文件下载后,可能会被浏览器默认打开,此种情况可以点击浏览器菜单,保存网页到桌面,就可以正常下载了。
    3、本站不支持迅雷下载,请使用电脑自带的IE浏览器,或者360浏览器、谷歌浏览器下载即可。
    4、本站资源下载后的文档和图纸-无水印,预览文档经过压缩,下载后原文更清晰。
    5、试题试卷类文档,如果标题没有明确说明有答案则都视为没有答案,请知晓。

    锅炉补偿器技术规范书.docx

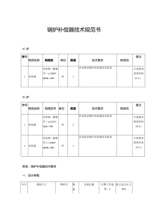
    锅炉补偿器技术规范书#1炉序号物资名称规格型单位数量技术要求物资码备注1补偿器补偿器(膨胀节)12000*6000L=800件1详见附录锅炉补偿器技术要求计划要求到货时间23.5.1#2炉序号物资名称规格型号单位数量技术要求物资码备注1补偿器补偿器(膨胀节)6162*3500L=700件2详见附录锅炉补偿器技术要求计划要求到货时间23.5.12补偿器补偿器(膨胀节八12000*6000L=800件1详见附录锅炉补偿器技术要求计划要求到货时间23.5.1附录:锅炉补偿器技术要求一、设计参数序号规格尺寸物料号数量安装位置长期工作温度。C最大运行压力KPa1补偿器(膨胀2脱硝入口烟道40015节)6162*3500L=7002补偿器(膨胀节)12000*6000L=8002脱硝催化剂烟道入口40015二、技术要求(1)设计原则膨胀节用于补偿锅炉炉膛引起的位移。膨胀节在所有运行和事故条件下都能吸收全部连接设备和锅炉的轴向和径向位移,最大拉伸轴向位移为50mm,最大压缩位移为80mm,最大横向位移±50mm,满足设计参数中温度和压力的要求,同时,达到使用寿命5年以上。(2)技术要求1、该膨胀节应能吸收锅炉各方向的膨胀变形及承受炉膛最大压力。当锅炉垂直方向的膨胀变形在±10%范围内变化时,应保证膨胀节能正常使用无破损漏泄现象。2、加工尺寸以现场实际测绘为准,所供非金属补偿器含蒙皮、内胆(隔热层)、蒙皮不锈钢螺栓(含不锈钢螺母、平垫)、内胆固定压板、内胆固定不锈钢螺栓、不锈钢螺母。3、膨胀节端部用耐磨、耐酸碱腐蚀材料包边,并用机械缝纫机全部缝合在一起。膨胀节外部蒙皮各层材料组成按下表要求名称层数温度400700°C材料组成(浇注料厚度不低于150mm)温度6001200°C材料组成(浇注料厚度不低于300mm)蒙皮材料组成第一层304不锈钢钢丝网24目310S不锈钢钢丝网24目第二层两布三胶夹不锈钢丝硅胶布(整体硫化3.0mm)夹不锈钢丝筑胶布2.0mm第三层四氟膜(04mm)x2层四氟膜(0.4mm)x2层第四层无碱玻璃纤维布(1.5mm)x2层无碱玻璃纤维布(L5mm)x2层名称层数温度400700C材料组成(浇注料厚度不低于150mm)温度6001200材料组成(浇注料厚度不低于300mm)蒙皮材料组成第一层304不锈钢钢丝网24目310S不锈钢钢丝网24目第五层四氟布(Oomm)四氟布(0.3mm)第六层夹不锈钢丝玻纤布3.5mm(总厚度不小于3.5mm,2至3层夹不锈钢丝网玻纤布,密度不小于2700克/m2,复合后不锈钢丝经纬密度不小于9×9根/cn?)夹不锈钢丝玻纤布3.5mm(总厚度不小于3.5mm,2至3层夹不锈钢丝网玻纤布,密度不小于2700克/m2,复合后不锈钢丝经纬密度不小于9×9根/cn?)第七层陶瓷纤维布(30mm)xl层陶瓷纤维布(3.0mm)x2层隔热衬垫组成第一层夹不锈钢丝玻纤布3.5mm(总厚度不小于3.5mm,2至3层夹不锈钢丝网玻纤布,密度不小于2700克/O?,复合后不锈钢丝经纬密度不小于9×9根/cn?)夹不锈钢丝玻纤布3.5mm(总厚度不小于3.5mm,2至3层夹不锈钢丝网玻纤布,密度不小于2700克/H?,复合后不锈钢丝经纬密度不小于9×9根/cn?)第二层硅酸铝棉20Omm硅酸铝棉350mm第三层夹不锈钢丝玻纤布3.5mm(总厚度不小于3.5mm,2至3层夹不锈钢丝网玻纤布,密度不小于2700克/nF复合后不锈钢丝经纬密度不小于9×9根/cn?)夹不锈钢丝玻纤布3.5mm(总厚度不小于3.5mm,2至3层夹不锈钢丝网玻纤布,密度不小于2700克/m2,复合后不锈钢丝经纬密度不小于9×9根/cn?)备注蒙皮组合应整体缝合包边,包边宽度60mm以并提供权威机构CMA检测证书。Lo氟胶布的氟含量不低于60%,4、蒙皮缝制要求:采用独立自锁“死扣”,即某一处断线后其余线扣仍能锁紧。线扣方格节距:>100X100Inm。不允许宽度方向拼接;长度方向拼接不多于6处,拼接的搭接厚度450Innb线扣20m11b现场安装只允许一个接口。5、软连接根据现场实际测量确定详细尺寸,并设置锁扣。锁扣采用耐高温材质,与纤维布配套。6、卖方提供2020年至今在300Mw及以上机组成功运行业绩(至少3家销售合同原件扫描件,并提供使用甲方专业人及联系方式),以供业主确认认可。(3)质量及验收1 .非金属膨胀节所有尺寸以现场安装合适为标准进行验收:2 .非金属膨胀节材料寿命保证期不低于5年,寿命保证期之内如果出现损坏,由供货方免费更换,并支付甲方的索赔。

    注意事项

    本文(锅炉补偿器技术规范书.docx)为本站会员(p**)主动上传,第壹文秘仅提供信息存储空间,仅对用户上传内容的表现方式做保护处理,对上载内容本身不做任何修改或编辑。 若此文所含内容侵犯了您的版权或隐私,请立即通知第壹文秘(点击联系客服),我们立即给予删除!

    温馨提示:如果因为网速或其他原因下载失败请重新下载,重复下载不扣分。




    关于我们 - 网站声明 - 网站地图 - 资源地图 - 友情链接 - 网站客服 - 联系我们

    copyright@ 2008-2023 1wenmi网站版权所有

    经营许可证编号:宁ICP备2022001189号-1

    本站为文档C2C交易模式,即用户上传的文档直接被用户下载,本站只是中间服务平台,本站所有文档下载所得的收益归上传人(含作者)所有。第壹文秘仅提供信息存储空间,仅对用户上传内容的表现方式做保护处理,对上载内容本身不做任何修改或编辑。若文档所含内容侵犯了您的版权或隐私,请立即通知第壹文秘网,我们立即给予删除!

    收起
    展开