欢迎来到第壹文秘! | 帮助中心 分享价值,成长自我!
第壹文秘
全部分类
  • 幼儿/小学教育>
  • 中学教育>
  • 高等教育>
  • 研究生考试>
  • 外语学习>
  • 资格/认证考试>
  • 论文>
  • IT计算机>
  • 法律/法学>
  • 建筑/环境>
  • 通信/电子>
  • 医学/心理学>
  • ImageVerifierCode 换一换
    首页 第壹文秘 > 资源分类 > DOCX文档下载
    分享到微信 分享到微博 分享到QQ空间

    文件修改对照表(临时用电安全管理办法修订).docx

    • 资源ID:685473       资源大小:19.37KB        全文页数:4页
    • 资源格式: DOCX        下载积分:5金币
    快捷下载 游客一键下载
    账号登录下载
    三方登录下载: 微信开放平台登录 QQ登录
    下载资源需要5金币
    邮箱/手机:
    温馨提示:
    快捷下载时,如果您不填写信息,系统将为您自动创建临时账号,适用于临时下载。
    如果您填写信息,用户名和密码都是您填写的【邮箱或者手机号】(系统自动生成),方便查询和重复下载。
    如填写123,账号就是123,密码也是123。
    支付方式: 支付宝    微信支付   
    验证码:   换一换

    加入VIP,免费下载
     
    账号:
    密码:
    验证码:   换一换
      忘记密码?
        
    友情提示
    2、PDF文件下载后,可能会被浏览器默认打开,此种情况可以点击浏览器菜单,保存网页到桌面,就可以正常下载了。
    3、本站不支持迅雷下载,请使用电脑自带的IE浏览器,或者360浏览器、谷歌浏览器下载即可。
    4、本站资源下载后的文档和图纸-无水印,预览文档经过压缩,下载后原文更清晰。
    5、试题试卷类文档,如果标题没有明确说明有答案则都视为没有答案,请知晓。

    文件修改对照表(临时用电安全管理办法修订).docx

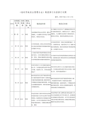
    (临时用电安全管理办法)制度修订内容修订对照编号:XNY0-TXGL-2-01-J-03序号旧制度章/表格旧制度条款增加、册IJ除、修改修改前内容修改后内容1第一章1.1修改为加强临时用电安全管理,避免人身触电、火灾爆炸及各类电气事故的发生,特制定本办法。为了确保公司安全生产,保障临时用电安全,防止触电事故发生,确保安全生产,避免人身触电、火灾爆炸及各类电气事故的发生,做到安全用电、规范用电特制定本办法。2第一章1.3.1修改公司各事业部、部室之间及各事业部、部室内部需进行架设临时线的,必须遵守本办法。公司各经营单位、部室之间范围内施工、生产、检修等作业,临时用电不大于380V的低压电缆系统,部室内部需进行架设临时线的,必须遵守本办法。3第二章2.1修改公司临时线管理按照属地化原则进行划分,公共区域的由物业公司统一管理,其他区域按照各事业部负责所辖范围内的临时接线管理。公司临时用电管理按照属地化原则进行划分,按照相关部门和经营单位负责所辖范围内的临时接线管理。第二章2.2修改各单位要有专人负责临时线的对接工作,负责临电使用过程中的安全审批、检查等工作,具体对接流程如下各经营单位要有专人负责临时线的对接工作,负责临电使用过程中的安全审批、检查等工作,具体对接流程如下第二章2.2.3修改临时线使用单位要严格按照审批的临时线使用申请单的要求进行临时线的线路布置、连接和使用,不得随意改变临时线的范围、时间以及线路的连接等,同时要加强安全措施的落实。临时用电使用单位要严格按照审批的临时线使用申请单的要求进行临时线的线路布置、连接和使用,不得随意改变临时线的范围、时间以及线路的连接等,同时要加强安全措施的落实。第二章2.2.4修改用电管理部门要经常性的巡查临时线使用部门在作业过程中的使用情况,监督检查安全措施是否落实到位。对不符合要求的环节要及时提出整改要求,并跟踪其整改情况,确保用电管理部门要(定期性进行临电巡检工作,并出具巡检报告及不符合报告书,监督检查安全措施是否落实到位。对不符合要求的环节要及时提出整改要求,并跟踪其整改情况,确保作业过程安全受控。作业过程安全受控。第三章3.1修改临时线使用单位在架线过程,必须严格遵守施工现场临时用电安全技术规范(JGJ46-202*)及公司相关安全管理规定。临时用电使用单位在架线过程,必须严格遵守旅工现场临时用电安全技术规范(JGJ46-202*)及公司相关安全管理规定。第四章4.14.2修改“奖惩与考核”内容修订4.1 对违反本制度有下列行为之一者,安全管理部门可视情节轻重经营单位或部门给予警告、限期治理或1-5分的考核。4.1.1 未按要求办理对临时线审批手续进行作业的:4.1.2临时线中清单未按要求审批或审批单弄虚作假的:1.1.1 3临时线未按标准要求接线或存在安全隐患风险的;4.1.4 临时线未定期检查或检查流于形式的:4.1.5 超过使用期限未应及时延期申请的:4.2施工单位未经审批私自接临时用电线,或对现场安全检查纠偏不据不整改,或不采取整改措施继续作业的,安全管理部门可视情节轻重对作业单位处罚2000-10000元。安全生产十项注意事项:一、工作前穿戴好规定的劳动防护品,检查设备及作业场地,做到安全可靠。二、不违章作业,并监督制止他人违章作业。三、不准擅自开动别人操作的机械,电器开关设备。登高作业应戴好安全带、安全帽、并有专人监护、防止坠落,严禁向下乱抛工具和设备零件。四、不准随便拆除各种安全防护装置、信号标志、仪表及专指示器等。保持设备齐全有效灵敏可靠。五、不准随意启动设备。机器设备停机检查或修理时,应切断电源并悬挂警示牌,取牌人应是挂牌人。开机时发出信号,听到回音确定安全后才能开机。六、不准吊装物及下行人。多人操作起重搬运要统一指挥,密切配合。不准超负荷使用机器。七、不在易燃物品附近吸烟动火,不乱扔垃圾。八、不在厂内无证驾驶机动车辆,机动车进出车间转弯必须鸣号减速。车辆行驶中严禁爬上跳下。九、工作时精力集中,不准打闹、赤脚、赤膊、穿拖鞋和高跟鞋。十、上班时间不准怠工、滋事、脱岗或擅离职守。有事请假经领导批准后方可离开岗位。

    注意事项

    本文(文件修改对照表(临时用电安全管理办法修订).docx)为本站会员(p**)主动上传,第壹文秘仅提供信息存储空间,仅对用户上传内容的表现方式做保护处理,对上载内容本身不做任何修改或编辑。 若此文所含内容侵犯了您的版权或隐私,请立即通知第壹文秘(点击联系客服),我们立即给予删除!

    温馨提示:如果因为网速或其他原因下载失败请重新下载,重复下载不扣分。




    关于我们 - 网站声明 - 网站地图 - 资源地图 - 友情链接 - 网站客服 - 联系我们

    copyright@ 2008-2023 1wenmi网站版权所有

    经营许可证编号:宁ICP备2022001189号-1

    本站为文档C2C交易模式,即用户上传的文档直接被用户下载,本站只是中间服务平台,本站所有文档下载所得的收益归上传人(含作者)所有。第壹文秘仅提供信息存储空间,仅对用户上传内容的表现方式做保护处理,对上载内容本身不做任何修改或编辑。若文档所含内容侵犯了您的版权或隐私,请立即通知第壹文秘网,我们立即给予删除!

    收起
    展开