欢迎来到第壹文秘! | 帮助中心 分享价值,成长自我!
第壹文秘
全部分类
  • 幼儿/小学教育>
  • 中学教育>
  • 高等教育>
  • 研究生考试>
  • 外语学习>
  • 资格/认证考试>
  • 论文>
  • IT计算机>
  • 法律/法学>
  • 建筑/环境>
  • 通信/电子>
  • 医学/心理学>
  • ImageVerifierCode 换一换
    首页 第壹文秘 > 资源分类 > DOCX文档下载
    分享到微信 分享到微博 分享到QQ空间

    “危大工程”专项整治检查用表.docx

    • 资源ID:684563       资源大小:25.51KB        全文页数:4页
    • 资源格式: DOCX        下载积分:5金币
    快捷下载 游客一键下载
    账号登录下载
    三方登录下载: 微信开放平台登录 QQ登录
    下载资源需要5金币
    邮箱/手机:
    温馨提示:
    快捷下载时,如果您不填写信息,系统将为您自动创建临时账号,适用于临时下载。
    如果您填写信息,用户名和密码都是您填写的【邮箱或者手机号】(系统自动生成),方便查询和重复下载。
    如填写123,账号就是123,密码也是123。
    支付方式: 支付宝    微信支付   
    验证码:   换一换

    加入VIP,免费下载
     
    账号:
    密码:
    验证码:   换一换
      忘记密码?
        
    友情提示
    2、PDF文件下载后,可能会被浏览器默认打开,此种情况可以点击浏览器菜单,保存网页到桌面,就可以正常下载了。
    3、本站不支持迅雷下载,请使用电脑自带的IE浏览器,或者360浏览器、谷歌浏览器下载即可。
    4、本站资源下载后的文档和图纸-无水印,预览文档经过压缩,下载后原文更清晰。
    5、试题试卷类文档,如果标题没有明确说明有答案则都视为没有答案,请知晓。

    “危大工程”专项整治检查用表.docx

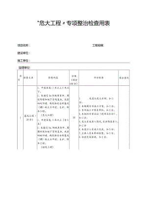
    "危大工程专项整治检查用表项目名称:工程规模:建设单位:施工单位:监理单位:序号检查大类检查内容分值(满分100分)评分标准得分情况1基坑工程(20分)1、开挖深度:3米以上5米以下。2、未超过3m但地质条件、周边环境和地下管线复杂,或影响叱邻建、构筑物安全的基坑(槽)的土方开挖、支护、降水工程。(危大工程)1、开挖深度:5米以上(含5米)2、未超过5m,但地质条件、周围环境和地下管线复杂,或影响毗邻建、构筑物安全的基坑(槽)的土方开挖、支护、降水工程。(超危工程)201 .未进行危大识别,扣3分;2 .未编制专项施工方案,扣3分;3 .专项施工方案未审批,扣2分;4 .未组织专家论证(视项目扣分),扣2分;5 .危大系统录入情况,安全隐患录入。扣2分6 .未进行人员施工交底,扣3分;7 .主要人员未带班检查,扣3分;8 .分段完成验收,扣2分;2模板工程及支撑体系(20分)1 .搭设高度:5米以上8米以下2 .搭设跨度:10米以上18米以下3 .总荷载IokN/Hi?以上15kNm2以下4 .集中线荷载15kNM以±20kNm2以下L搭设高度:8米以上2 .搭设跨度:18米以上3 .总荷载15kNm2以上4 .集中线荷载20kN112201 .未进行危大识别,扣3分;2 .未编制专项施工方案,扣3分;3 .专项施工方案未审批,扣2分;4 .未组织专家论证(视项目扣分),扣2分;5 .危大系统录入情况,安全隐患录入。扣2分6 .未进行人员施工交底,扣3分;7 .主要人员未带班检查,扣3分;8 .分段完成验收,扣2分;3起重吊装及起重机械安装拆卸工程(20分)1 .采用非常规起重设备、方法,且单件起吊重量在IOKN以上100KN以下的起重吊装工程。2 .采用起重机械进行安装的工程。3 .起重机械安装和拆卸工程L采用非常规起重设备、方法,且单件起吊重量在100kN以上的起重吊装工程。4 .起重量超过200KN的单机起重吊装工程;两台以上起重机械的抬吊安装工程。5 .起重300KN以上;高度60m及以上;基础标高60m及以上的起重机械安装和拆卸工程201 .未进行危大识别,扣3分;2 .未编制专项施工方案,扣3分;3 .专项施工方案未审批,扣2分;4 .未组织专家论证(视项目扣分),扣2分;5 .危大系统录入情况,安全隐患录入。扣2分6 .未进行人员施工交底,扣3分;7 .主要人员未带班检查,扣3分;8 .分段完成验收,扣2分;4脚手架工程(20分)1 .搭设高度24m以上30米以下的落地式钢管脚手架工程(包括采光井、电梯井脚手架)。2 .附着式升降脚手架工程。3 .悬挑式脚手架工程。4 .高处作业吊篮。5 .卸料平台、操作平台工程1 .搭设高度30m以上的落地式钢管脚手架工程。2 .提升高度80m以上的附着式升降脚手架工程或附着式升降操作平台工程。3 .分段架体搭设高度超过20m的悬挑式脚手架工程。4 .高度超过80m的其他用于建(构)筑物的各类脚手架工程。5 .高度超过30m的卸料平台、操作平台工程。201 .未进行危大识别,扣3分;2 .未编制专项施工方案,扣3分;3 .专项施工方案未审批,扣2分;4 .未组织专家论证(视项目扣分),扣2分;5 .危大系统录入情况,安全隐患录入。扣2分6 .未进行人员施工交底,扣3分;7 .主要人员未带班检查,扣3分;8 .分段完成验收,扣2分;5其它(20分)1 .建筑幕墙安装工程2 .钢结构、网架和索膜结构安装工程1 .施工高度50m及以上的建筑幕墙安装工程2 .跨度36m及以上的钢结构安装工程;3 .跨度60m及以上的网架和索膜结构安装工程。201 .未进行危大识别,扣3分;2 .未编制专项施工方案,扣3分;3 .专项施工方案未审批,扣2分;4 .未组织专家论证(视项目扣分),扣2分;5 .危大系统录入情况,安全隐患录入。扣2分6 .未进行人员施工交底,扣3分;7 .主要人员未带班检查,扣3分;8 .分段完成验收,扣2分;合计得分100实得分得分率注:(1)以上包含本数,以下不包含本数,(2)表中未涉及危大项目请用7"表示,加总时加上该分值,检查组:检查时间:建设单位负责人(签字):施工单位负责人(签字):监理单位负责人(签字):

    注意事项

    本文(“危大工程”专项整治检查用表.docx)为本站会员(p**)主动上传,第壹文秘仅提供信息存储空间,仅对用户上传内容的表现方式做保护处理,对上载内容本身不做任何修改或编辑。 若此文所含内容侵犯了您的版权或隐私,请立即通知第壹文秘(点击联系客服),我们立即给予删除!

    温馨提示:如果因为网速或其他原因下载失败请重新下载,重复下载不扣分。




    关于我们 - 网站声明 - 网站地图 - 资源地图 - 友情链接 - 网站客服 - 联系我们

    copyright@ 2008-2023 1wenmi网站版权所有

    经营许可证编号:宁ICP备2022001189号-1

    本站为文档C2C交易模式,即用户上传的文档直接被用户下载,本站只是中间服务平台,本站所有文档下载所得的收益归上传人(含作者)所有。第壹文秘仅提供信息存储空间,仅对用户上传内容的表现方式做保护处理,对上载内容本身不做任何修改或编辑。若文档所含内容侵犯了您的版权或隐私,请立即通知第壹文秘网,我们立即给予删除!

    收起
    展开