欢迎来到第壹文秘! | 帮助中心 分享价值,成长自我!
第壹文秘
全部分类
  • 幼儿/小学教育>
  • 中学教育>
  • 高等教育>
  • 研究生考试>
  • 外语学习>
  • 资格/认证考试>
  • 论文>
  • IT计算机>
  • 法律/法学>
  • 建筑/环境>
  • 通信/电子>
  • 医学/心理学>
  • ImageVerifierCode 换一换
    首页 第壹文秘 > 资源分类 > DOCX文档下载
    分享到微信 分享到微博 分享到QQ空间

    建筑施工现场外电防护设施验收表模板.docx

    • 资源ID:673933       资源大小:17.05KB       
    • 资源格式: DOCX        下载积分:5金币
    快捷下载 游客一键下载
    账号登录下载
    三方登录下载: 微信开放平台登录 QQ登录
    下载资源需要5金币
    邮箱/手机:
    温馨提示:
    快捷下载时,如果您不填写信息,系统将为您自动创建临时账号,适用于临时下载。
    如果您填写信息,用户名和密码都是您填写的【邮箱或者手机号】(系统自动生成),方便查询和重复下载。
    如填写123,账号就是123,密码也是123。
    支付方式: 支付宝    微信支付   
    验证码:   换一换

    加入VIP,免费下载
     
    账号:
    密码:
    验证码:   换一换
      忘记密码?
        
    友情提示
    2、PDF文件下载后,可能会被浏览器默认打开,此种情况可以点击浏览器菜单,保存网页到桌面,就可以正常下载了。
    3、本站不支持迅雷下载,请使用电脑自带的IE浏览器,或者360浏览器、谷歌浏览器下载即可。
    4、本站资源下载后的文档和图纸-无水印,预览文档经过压缩,下载后原文更清晰。
    5、试题试卷类文档,如果标题没有明确说明有答案则都视为没有答案,请知晓。

    建筑施工现场外电防护设施验收表模板.docx

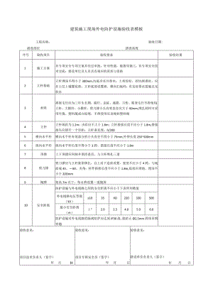
    建筑施工现场外电防护设施验收表模板工程名称:验收日期:搭设部位搭设高度序号验收项目验收要求验收结果1施工方案有专项安全专项方案并经过审批,针对性强,能指导施工;有专项安全技术交底:搭设单位及人员具有相应的资质与资格2立杆基础立杆埋深不得小于300mm,坑底夯实并垫木;土质较松,挖坑困难时,应在土层上铺置底垫,立杆底部设置纵、横向扫地杆;有良好排水措施且无积水3材质搭架毛竹应为三年生长期,腐烂、虫蛀、通裂、刀伤、霉变毛竹不得使用:立杆、大横杆、小横杆、剪刀撑小头有效直径应大于60mm,绑扎材料可采用竹蔑、塑料蔑或白棕绳,不得使用尼龙绳和塑料绳4立杆立杆纵距为1.2m:步距应不大于1.8m;立杆搭接长度不应小于1.8m,搭接接头应错开一个步距;立杆垂直度:h/2005横向水平杆横向水平杆有效部分的小头直径不得小于75mm,外伸长度250500mm6纵向水平杆纵向水平杆长度不得小于3跨,搭接长度不应小于1.8m7顶撑上下顶撑应同轴并保持垂直,与立杆绑扎三道8剪刀撑剪刀撑应与立杆紧靠绑扎,自上而下连续设置,宽度不应小于4跨,与地面成45。60。夹角;杆件搭接长度不应小于1.8m,底部应理地,埋深不小于20Omm9抛撑架高7m以下,每6跨设置一道抛掉10安全距离防护设施与外电线路之间的安全距离不应小于下表所列数值外电线路电压等级(kV)1035IlO220330500最小安全距离(m)1.72.02.54.05.06.0防护设施对外电线路的隔离防护应达到IP30级,能防止2.5mm固体异物穿越验收意见:验收意见:验收意见:项目技术负责人(签字)年月H项目专职安全员(签字)年月日搭设单位负责人(签字)年月日

    注意事项

    本文(建筑施工现场外电防护设施验收表模板.docx)为本站会员(p**)主动上传,第壹文秘仅提供信息存储空间,仅对用户上传内容的表现方式做保护处理,对上载内容本身不做任何修改或编辑。 若此文所含内容侵犯了您的版权或隐私,请立即通知第壹文秘(点击联系客服),我们立即给予删除!

    温馨提示:如果因为网速或其他原因下载失败请重新下载,重复下载不扣分。




    关于我们 - 网站声明 - 网站地图 - 资源地图 - 友情链接 - 网站客服 - 联系我们

    copyright@ 2008-2023 1wenmi网站版权所有

    经营许可证编号:宁ICP备2022001189号-1

    本站为文档C2C交易模式,即用户上传的文档直接被用户下载,本站只是中间服务平台,本站所有文档下载所得的收益归上传人(含作者)所有。第壹文秘仅提供信息存储空间,仅对用户上传内容的表现方式做保护处理,对上载内容本身不做任何修改或编辑。若文档所含内容侵犯了您的版权或隐私,请立即通知第壹文秘网,我们立即给予删除!

    收起
    展开