欢迎来到第壹文秘! | 帮助中心 分享价值,成长自我!
第壹文秘
全部分类
  • 幼儿/小学教育>
  • 中学教育>
  • 高等教育>
  • 研究生考试>
  • 外语学习>
  • 资格/认证考试>
  • 论文>
  • IT计算机>
  • 法律/法学>
  • 建筑/环境>
  • 通信/电子>
  • 医学/心理学>
  • ImageVerifierCode 换一换
    首页 第壹文秘 > 资源分类 > DOCX文档下载
    分享到微信 分享到微博 分享到QQ空间

    XX电力设备有限公司企业情况调查表(2023年).docx

    • 资源ID:669777       资源大小:19.81KB        全文页数:3页
    • 资源格式: DOCX        下载积分:5金币
    快捷下载 游客一键下载
    账号登录下载
    三方登录下载: 微信开放平台登录 QQ登录
    下载资源需要5金币
    邮箱/手机:
    温馨提示:
    快捷下载时,如果您不填写信息,系统将为您自动创建临时账号,适用于临时下载。
    如果您填写信息,用户名和密码都是您填写的【邮箱或者手机号】(系统自动生成),方便查询和重复下载。
    如填写123,账号就是123,密码也是123。
    支付方式: 支付宝    微信支付   
    验证码:   换一换

    加入VIP,免费下载
     
    账号:
    密码:
    验证码:   换一换
      忘记密码?
        
    友情提示
    2、PDF文件下载后,可能会被浏览器默认打开,此种情况可以点击浏览器菜单,保存网页到桌面,就可以正常下载了。
    3、本站不支持迅雷下载,请使用电脑自带的IE浏览器,或者360浏览器、谷歌浏览器下载即可。
    4、本站资源下载后的文档和图纸-无水印,预览文档经过压缩,下载后原文更清晰。
    5、试题试卷类文档,如果标题没有明确说明有答案则都视为没有答案,请知晓。

    XX电力设备有限公司企业情况调查表(2023年).docx

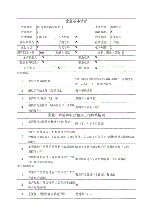
    企业基本情况企业名称XX电力设备有限公司企业性质有限公司企业地址X邮政编码X创建时间X年X月法人代表X营业执照X注册号)业务联系人X手机号码X注册资金万元固定电话X传真号码X电子邮箱X现有员工人数897经营人员数X技术、服务人员数X技术联系人X联系电话X售后服务联系人X联系电话X开户银行X银行帐号X经营状况1主导产品名称型号S9、SlKSCB9>SCB10>SCBlkSGlO.YB系列变电站、ZGSll-(Z)H组合式箱变2最近三年的主导产品销售量每年平均5亿3主要用户/业绩(近一年)见附件(业绩表)4请提供营业执照、税务登记证、组织机构的复印件见附件(企业三证)质量、环境和职业健康三标体系情况1是否推行三标系列标准?何时开始?推行了,X年7月发证2何时?由哪家认证机构对贵企业按哪种模式作出认证?(若有,请附证书复印件)X年由X认证X有限公司按照标准模式作出认证3是否编制了质量手册及相应的质量体系程序文件?编制了质量手册及相应的质量体系程序文件4对供应商是否进行评价和选择?评价和分级评定记录情况对供应商进行了评价和选择,有记录情况生产检测能力1对生产工艺是否进行工艺评定?工艺评定有无记录?对生产工艺进行了评定,有记录2生产过程中是否使用工艺跟踪卡或流转卡跟踪控制?有3主要加工及检测设备状况介绍见附表一、二4对生产过程中所需进行的检查和实验是否有书面规定要求?若有请提供有5检查记录或结论是否有记录?有6是否对测试设备的使用和校准规定了控制措施?由哪个部门进行控制?指定了措施,XX特种设备管理中心7贵企业是否具有标定计量仪器和资格?由谁授权?没有8请提供产品的型式实验报告见附件(企业实验报告)技术服务能力1企业的服务机构情况良好2专职服务人员构成情况部门经理:X人部门服务人员:X人3技术服务人员培训和授权情况公司内部自主定期培训或者聘请中国矿业大学老师4若无专门的技术服务机构,技术服务是由所代理机构负责或其他服务机构负责?5售后服务承诺内容见附表三仓储及发1成运输能力1有否单独的库房?(若有,请说明库房面积、起吊设施等)有,面积X平方米,拥有各种起吊设备2库房内产品的标识情况分区标识3库房内产品有何专门的防护设施进行防护?安全绳、安全帽和安全手套4发货运输能力公司拥有自己的运输车队和第三方合作物流公司附表一:附表二:附表三:售后服务及技术服务承诺一、对售出产品实行“三包。在保质期内,如出现由于产品制造质量引起的问题,公司负责免费进行包修、包换、包退。对由于其他原因造成的问题,公司积极协助用户解决问题,以保证产品及时投运,把事故损失降低到最低。二、大设备的安装、调试、现场技术服务,公司将由副总工程师带队上门服务,以解决用户的各种问题。三、产品安装后如有渗漏现象,公司负责处理。四、建立产品用户档案,定期实行质量跟踪,持续改进。五、配合用户搞好变压器现场运行和维护管理工作。六、坚持“质量第一,用户至上”的原则,在接到用户通知的2至4小时内给予答复,并按用户要求及时赶到现场。

    注意事项

    本文(XX电力设备有限公司企业情况调查表(2023年).docx)为本站会员(p**)主动上传,第壹文秘仅提供信息存储空间,仅对用户上传内容的表现方式做保护处理,对上载内容本身不做任何修改或编辑。 若此文所含内容侵犯了您的版权或隐私,请立即通知第壹文秘(点击联系客服),我们立即给予删除!

    温馨提示:如果因为网速或其他原因下载失败请重新下载,重复下载不扣分。




    关于我们 - 网站声明 - 网站地图 - 资源地图 - 友情链接 - 网站客服 - 联系我们

    copyright@ 2008-2023 1wenmi网站版权所有

    经营许可证编号:宁ICP备2022001189号-1

    本站为文档C2C交易模式,即用户上传的文档直接被用户下载,本站只是中间服务平台,本站所有文档下载所得的收益归上传人(含作者)所有。第壹文秘仅提供信息存储空间,仅对用户上传内容的表现方式做保护处理,对上载内容本身不做任何修改或编辑。若文档所含内容侵犯了您的版权或隐私,请立即通知第壹文秘网,我们立即给予删除!

    收起
    展开