欢迎来到第壹文秘! | 帮助中心 分享价值,成长自我!
第壹文秘
全部分类
  • 幼儿/小学教育>
  • 中学教育>
  • 高等教育>
  • 研究生考试>
  • 外语学习>
  • 资格/认证考试>
  • 论文>
  • IT计算机>
  • 法律/法学>
  • 建筑/环境>
  • 通信/电子>
  • 医学/心理学>
  • ImageVerifierCode 换一换
    首页 第壹文秘 > 资源分类 > DOCX文档下载
    分享到微信 分享到微博 分享到QQ空间

    高尔夫俱乐部水电维修工绩效考核及推进表.docx

    • 资源ID:649979       资源大小:26.55KB        全文页数:4页
    • 资源格式: DOCX        下载积分:5金币
    快捷下载 游客一键下载
    账号登录下载
    三方登录下载: 微信开放平台登录 QQ登录
    下载资源需要5金币
    邮箱/手机:
    温馨提示:
    快捷下载时,如果您不填写信息,系统将为您自动创建临时账号,适用于临时下载。
    如果您填写信息,用户名和密码都是您填写的【邮箱或者手机号】(系统自动生成),方便查询和重复下载。
    如填写123,账号就是123,密码也是123。
    支付方式: 支付宝    微信支付   
    验证码:   换一换

    加入VIP,免费下载
     
    账号:
    密码:
    验证码:   换一换
      忘记密码?
        
    友情提示
    2、PDF文件下载后,可能会被浏览器默认打开,此种情况可以点击浏览器菜单,保存网页到桌面,就可以正常下载了。
    3、本站不支持迅雷下载,请使用电脑自带的IE浏览器,或者360浏览器、谷歌浏览器下载即可。
    4、本站资源下载后的文档和图纸-无水印,预览文档经过压缩,下载后原文更清晰。
    5、试题试卷类文档,如果标题没有明确说明有答案则都视为没有答案,请知晓。

    高尔夫俱乐部水电维修工绩效考核及推进表.docx

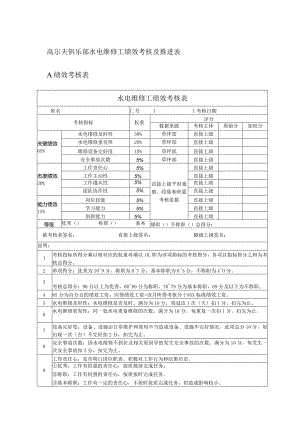
    高尔夫俱乐部水电维修工绩效考核及推进表A绩效考核表水电维修工绩效考核表姓名匚号II考核日期考核指标权重评分数据来源考核主体原始分加权分关键绩效65%水电维修及时性30%草坪部直接上级水电维修重发性20%草坪部直接上级维修设备完好度10%草坪部直接上级安全事故次数5%草坪部直接上级态度绩效20%工作责任心5%直接上级平时观察、收集和积累考核依据直接上级工作主动性5%直接上级工作遵从性5%直接上级团队协作性5%直接上级能力绩效15%岗位技能5%直接上级学习能力5%直接上级创新能力5%直接上级等级优秀()称职()基本彳掰职()不称职()总得分:被考核者签名:直接上级签名:隔级上级签名:说明:1考核指标所得分乘以相对应的权重再乘以10,即为该项指标的考核得分,各项目指标得分之和为考核总得分。2单项得分:优秀为109分,称职为87分,基本称职为65分,不称职为40分。3考核总得分:90分以上为优秀,8089分为称职,7079分为基本称职,69分及以下为不称职。485分为百分百的绩效工资,应得绩效工资=该月所得考核分÷85X标准绩效工资。5水电维修及时性:水电维修是否及时。满分为10分,每延迟1次(天)扣1分,扣完为止。6水电维修重发性:同一处水电重复维修的次数。满分为10分,每重复一次扣1分,扣完为止。7设备完好度:设备、设施由日常维护和使用不当造成设备、设施不完好情况,此项总分10分,每出现一次(台)不完好扣2分,扣完为止。8安全事故次数:因水电维修不到位及相关原因导致发生安全事故的次数。满分为10分,每发生一次安全事故扣2分,扣完为止。9工作责任心:是否明白岗位职责,积极对工作行为和结果负责。优秀:工作有很强的责任心,按质提前完成任务。称职:工作有较强的责任心,按质按时完成任务。基本称职:工作有一定的责任心,不按时按质完成任务,但造成影响较小。不称职:工作责任心不强,不按时按质完成任务,造成影响严重。不积极履行岗位职责,逃避工作或隐瞒结果,可评为不称职。10工作主动性:工作是否积极主动。优秀:长期坚持学习业务知识;对于额外任务能主动请求并且能高质量完成;工作中善于发现问题,并经常提出新思路和建议。称职:主动学习业务知识;主动承担一般的额外任务;工作中能够提出新的思路和建议。基本称职:偶尔主动学习业务知识;有时主动完成一般额外任务;有时能提出个别的新思路和建议。不称职:基本上不主动学习业务知识;很少主动请求承担额外任务;不能提出新思路和建议。完成本职工作之余,拒绝承担或者不积极完成上级安排的额外工作,即可评为不称职。11工作遵从性:是否遵守公司规章制度,服从命令,以身作则,创造良好的工作秩序。优秀:能够长期严格遵守工作规定与标准,有非常强的自觉性和纪律性。称职:能够遵守工作的规定和标准,有较强的自觉性和纪律性。基本称职:基本能够遵守工作规定和标准,基本能够遵守纪律,但有时出现自我要求不严的情况。不称职:不能遵守工作规定和标准,经常发生违规情况,自觉性和纪律性差。只要出现一次不服从上级命令的事件,即可评为不称职。12团队协作性:团队精神及与他人(部门)工作配合情况。优秀:主动协助同事出色的完成工作。称职:能够与同事保持良好的合作关系,协助完成工作。基本称职:根据同事的请求能够提供一般协助。不称职:不能积极响应同事的请求或者协作任务的完成质量较差。在职责范围内没有积极协助同事完成工作,遭到同事或部门投诉共3次及以上,评为不称职。13岗位技能:对岗位相关知识、技能的掌握、运用,工作熟练程度。优秀:业务水平高超,理论功底和技术水平扎实,得到领导和同事的一致认可。称职:业务水平达到岗位要求,能完成上级安排的各项岗位职责范围内的工作。基本称职:业务水平基本能达到岗位要求,但仍需一定的努力才能完全胜任该岗位工作。不称职:业务能力一般,工作中经常出现差错。由于专业技能原因,只要出现一次重大差错、责任事故,评为不称职。14学习能力,对学习、参加培训的态度是否积极、主动,接受新知识、新技能的速度,是否能学以致用。优秀:能够积极的学习各方面的知识,注重不断提高自己的能力,遇到问题虚心向别人请教,能不断的积累经验。称职:认真学习工作所需的专业知识和岗位技能,并在工作中能不断总结提高解决实际问题的能力。基本称职:能够学习工作中所需的专业知识和岗位技能,参加公司组织的培训,培训的考察能够通过,但是主动性不够,涉猎面不广。不称职:很少学习工作中所需的知识和技能,培训考核成绩较差,工作中遇到问题不能虚心听取别人意见。参加应参加的培训或学习次数:缺2次及以上评为不称职,并记0分。15创新能力:问题意识是否强,在改进工作方面的主动性及效果。优秀:工作中能不断提出新想法、新措施,善于学习,注意规避风险,锐意求新,在工作中有较大创新。 称职:工作中能努力学习,提出新想法、新措施与新的工作方法并有风险意识。 基本称职:按步就班,很少提出新想法、新措施与新的工作方法。 不称职:因循守旧,墨守成规。 只要申请专利一项,或发表文章一篇,或提出的新想法、新措施被采纳,可评为优秀。B绩效推进表姓名工号考核年度序号考评项目推进数据合计平均分1月2月3月4月5月6月7月8月9月10月11月12月1水电维修及时性2水电维修重发性3维修设备完好度4安全事故次数5工作责任心6工作主动性7工作遵从性8团队协作性9岗位技能10学习能力11创新能力合计月度平均得分12个月得分总和÷12年度考核得分=月度平均得分+年度加分一年度减分一、月度平均得分=二、年度加分加分情况:略三、年度减分减分情况:略评总得分:定等级优秀()称职()基本称职()不称职()说目U:90分以一上为优秀,8089分为称职,7079分为基本称职,69分及以下为不称职被考核者签名:隔级上级签名:直接上级签名:

    注意事项

    本文(高尔夫俱乐部水电维修工绩效考核及推进表.docx)为本站会员(p**)主动上传,第壹文秘仅提供信息存储空间,仅对用户上传内容的表现方式做保护处理,对上载内容本身不做任何修改或编辑。 若此文所含内容侵犯了您的版权或隐私,请立即通知第壹文秘(点击联系客服),我们立即给予删除!

    温馨提示:如果因为网速或其他原因下载失败请重新下载,重复下载不扣分。




    关于我们 - 网站声明 - 网站地图 - 资源地图 - 友情链接 - 网站客服 - 联系我们

    copyright@ 2008-2023 1wenmi网站版权所有

    经营许可证编号:宁ICP备2022001189号-1

    本站为文档C2C交易模式,即用户上传的文档直接被用户下载,本站只是中间服务平台,本站所有文档下载所得的收益归上传人(含作者)所有。第壹文秘仅提供信息存储空间,仅对用户上传内容的表现方式做保护处理,对上载内容本身不做任何修改或编辑。若文档所含内容侵犯了您的版权或隐私,请立即通知第壹文秘网,我们立即给予删除!

    收起
    展开