欢迎来到第壹文秘! | 帮助中心 分享价值,成长自我!
第壹文秘
全部分类
  • 幼儿/小学教育>
  • 中学教育>
  • 高等教育>
  • 研究生考试>
  • 外语学习>
  • 资格/认证考试>
  • 论文>
  • IT计算机>
  • 法律/法学>
  • 建筑/环境>
  • 通信/电子>
  • 医学/心理学>
  • ImageVerifierCode 换一换
    首页 第壹文秘 > 资源分类 > DOCX文档下载
    分享到微信 分享到微博 分享到QQ空间

    基于排放直接测量的企业温室气体排放因子不确定度评定报告.docx

    • 资源ID:641852       资源大小:23.72KB        全文页数:3页
    • 资源格式: DOCX        下载积分:5金币
    快捷下载 游客一键下载
    账号登录下载
    三方登录下载: 微信开放平台登录 QQ登录
    下载资源需要5金币
    邮箱/手机:
    温馨提示:
    快捷下载时,如果您不填写信息,系统将为您自动创建临时账号,适用于临时下载。
    如果您填写信息,用户名和密码都是您填写的【邮箱或者手机号】(系统自动生成),方便查询和重复下载。
    如填写123,账号就是123,密码也是123。
    支付方式: 支付宝    微信支付   
    验证码:   换一换

    加入VIP,免费下载
     
    账号:
    密码:
    验证码:   换一换
      忘记密码?
        
    友情提示
    2、PDF文件下载后,可能会被浏览器默认打开,此种情况可以点击浏览器菜单,保存网页到桌面,就可以正常下载了。
    3、本站不支持迅雷下载,请使用电脑自带的IE浏览器,或者360浏览器、谷歌浏览器下载即可。
    4、本站资源下载后的文档和图纸-无水印,预览文档经过压缩,下载后原文更清晰。
    5、试题试卷类文档,如果标题没有明确说明有答案则都视为没有答案,请知晓。

    基于排放直接测量的企业温室气体排放因子不确定度评定报告.docx

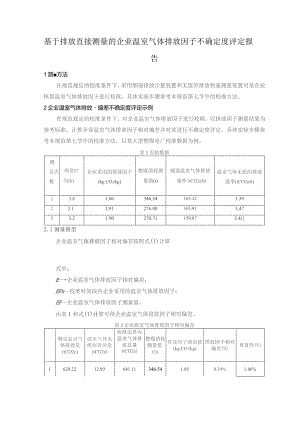
    基于排放直接测量的企业温室气体排放因子不确定度评定报告1测方法在规范规定的校准条件下,采用烟道排放计量装置和无组织排放快速测量装置对某企业核算温室气体排放因子进行校准,具体实验步骤参考本规范第七节中的校准方法。2企业温室气体排放偏差不确定度评定示例在规范规定的校准条件下,对企业温室气体排放因子进行校准。以排放因子测量结果为参考标准,计算企业温室气体排放因子相对偏差并对其进行不确定度评定。具体实验步骤参考本规范第七节中的校准方法,以某大型燃煤电厂校准数据为例。表1原始数据测量次数测量时间(h)企业采用的排放因子(kg.CO2kg)燃煤消耗测量值(t)烟道温室气体排放速率(tCO2eh)温室气体无组织排放速率(tCO2eh)3.81.86346.54165.323.3923.1L91276.00163.913,4733.21.90270.71159.873.4(2.1测量模型企业温室气体排放因子相对偏差按照式(1)计算式中:E企业温室气体排放因子相对偏差;EFn-校准时间段内企业采用的温室气体排放因子;EF-企业温室气体排放因子测量值。由表1和式(1)计算可得企业温室气体排放因子相对偏差。表2企业温室气体排放因子相对偏差烟道温室气体排放量(tCO2e)温室气体无组娠排放量(tCO2e)校准边界内温室气体排放总量(tCO2e)燃煤消耗测量值Ct)排放因子测量值(kgCOkg)排放因子相对偏差(%)重复性(%)1628.2212.89641.11346.541.850.54%1.86%2508.121076518.88276.001.881.60%3511.5810.89522.48270,711.931.55%2.2不确定度分量由测量模型可知,企业温室气体排放因子相对偏差不确定度主要由企业提供的温室气体排放因子和温室气体排放因子测量引入。外(E)=Jd(EfD)+/(EF)(2)式中:*(E)-企业温室气体排放因子相对偏差合成相对标准不确定度;1.(EFD)-由企业提供的温室气体排放因子引入的不确定度分量;Ur(EF)由温室气体排放因子测量引入的不确定度分量。2.2.1 由企业提供的温室气体排放因子引入的不确定度企业提供的温室气体排放因子的不确定度与企业排放源、燃料种类等有关,本次参与校准的企业为电力企业,燃料为标准煤,其温室气体排放因子为2.493tCO2et,相对扩展不确定度为7.6%(k=2)。由此引入的不确定度分量为与(EFD)=3.8%。2.2.2温室气体排放因子测量引入的不确定度由规范第7节式(12)、(13)和(14)可知,温室气体排放因子测量引入的不确定度主要由烟道温室气体排放量测量、温室气体无组织排放测量和燃煤活动数据三部分组成。ur(EF)=JY(M)+/(DA)高p(My)+l(M)式中:ur(M)一一企业温室气体排放量测量值相对不确定度;",(DA)企业燃煤活动数据的相对不确定度;"(",)一一烟道温室气体排放测量引入的不确定度分量;u(Mu)一一温室气体无组织排放测量引入的不确定度分量。2.2.2.1 烟道温室气体排放量测量不确定度分量烟道温室气体排放量测量不确定度由计量装置校准证书得到。由校准证书可知,烟道排放计量装置测量不确定度为5.0%(k=2),因此可得烟道温室气体排放量测量不确定度分量?(MJ=2.5%。2.2.2.2 温室气体无组织排放量测量不确定度分量同上,温室气体无组织排放量测量不确定度由快速测量系统校准证书得到。由校准证书可知,快速测量系统测量不确定度为25%(k=2),计算可得烟道温室气体排放量测量不确定度分量"r(M“)=12.5%o2.2.3 温室气体活动数据测量不确定度分量企业燃煤活动数据的不确定度由测量仪器的有效检定、校准证书或自校准评价结果给出,本次校准过程中由活动数据测量引入的相对标准不确定度为Ur(DA)=1.385%o2.2.4 企业温室气体排放因子相对偏差不确定度由上述计算结果,各不确定度分量结果见表3。表3企业温室气体排放因子相对偏差不确定度分量不确定度分量符号标准不确定度123企业提供的温室气体排放因子引入的不确定度分量Ur(EFlj)3.80%烟道温室气体排放测量引入的不确定度分量H(M1)15.71tC02e13.17tCO2el3J9tCO2e温室气体无组织排放测量不确定度分量双M,)1.61tC02e1.34tCO2e1.36tCO2e温室气体排放量测量值M641.11tCO2e518.88tCO2e522.48tCO2e燃煤活动数据引入的不确定度分量%()1.385%测量重复性引入的不确定度分量ME)1.08%温室气体排放因子相对偏差合成不确定度吃(£4.856%4.902%4.895%由表3和式(2)计算可得,企业温室气体排放量相对偏差合成不确定度为Ur(E)=4902%,扩展不确定度为U,=9.80%,(k=2)<,

    注意事项

    本文(基于排放直接测量的企业温室气体排放因子不确定度评定报告.docx)为本站会员(p**)主动上传,第壹文秘仅提供信息存储空间,仅对用户上传内容的表现方式做保护处理,对上载内容本身不做任何修改或编辑。 若此文所含内容侵犯了您的版权或隐私,请立即通知第壹文秘(点击联系客服),我们立即给予删除!

    温馨提示:如果因为网速或其他原因下载失败请重新下载,重复下载不扣分。




    关于我们 - 网站声明 - 网站地图 - 资源地图 - 友情链接 - 网站客服 - 联系我们

    copyright@ 2008-2023 1wenmi网站版权所有

    经营许可证编号:宁ICP备2022001189号-1

    本站为文档C2C交易模式,即用户上传的文档直接被用户下载,本站只是中间服务平台,本站所有文档下载所得的收益归上传人(含作者)所有。第壹文秘仅提供信息存储空间,仅对用户上传内容的表现方式做保护处理,对上载内容本身不做任何修改或编辑。若文档所含内容侵犯了您的版权或隐私,请立即通知第壹文秘网,我们立即给予删除!

    收起
    展开