欢迎来到第壹文秘! | 帮助中心 分享价值,成长自我!
第壹文秘
全部分类
  • 幼儿/小学教育>
  • 中学教育>
  • 高等教育>
  • 研究生考试>
  • 外语学习>
  • 资格/认证考试>
  • 论文>
  • IT计算机>
  • 法律/法学>
  • 建筑/环境>
  • 通信/电子>
  • 医学/心理学>
  • ImageVerifierCode 换一换
    首页 第壹文秘 > 资源分类 > DOCX文档下载
    分享到微信 分享到微博 分享到QQ空间

    计量监督百分考核细则.docx

    • 资源ID:637176       资源大小:23.27KB        全文页数:3页
    • 资源格式: DOCX        下载积分:5金币
    快捷下载 游客一键下载
    账号登录下载
    三方登录下载: 微信开放平台登录 QQ登录
    下载资源需要5金币
    邮箱/手机:
    温馨提示:
    快捷下载时,如果您不填写信息,系统将为您自动创建临时账号,适用于临时下载。
    如果您填写信息,用户名和密码都是您填写的【邮箱或者手机号】(系统自动生成),方便查询和重复下载。
    如填写123,账号就是123,密码也是123。
    支付方式: 支付宝    微信支付   
    验证码:   换一换

    加入VIP,免费下载
     
    账号:
    密码:
    验证码:   换一换
      忘记密码?
        
    友情提示
    2、PDF文件下载后,可能会被浏览器默认打开,此种情况可以点击浏览器菜单,保存网页到桌面,就可以正常下载了。
    3、本站不支持迅雷下载,请使用电脑自带的IE浏览器,或者360浏览器、谷歌浏览器下载即可。
    4、本站资源下载后的文档和图纸-无水印,预览文档经过压缩,下载后原文更清晰。
    5、试题试卷类文档,如果标题没有明确说明有答案则都视为没有答案,请知晓。

    计量监督百分考核细则.docx

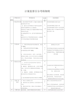
    计量监督百分考核细则序号考核项目考核标准标准分扣分标准计量监督管理1、技安部每年年初第一月25日前编计量器具检定年计划2、每月汇总车间检定计划和完成情况3.按时向指挥部汇总上报报表4每季至少抽查2次计量器具周检计划完成情况并记录5.抽查监督用户水、电计弟计量表的运行情况6.每季对于以下的考核项目进行一次检查,对不符合的提出书面的整改报告211112没有按时编制上报扣2分没有按时编制上报扣I分没有按时编制上报扣1分没有按时编制上报扣1分4-6项没有检查记录扣1分1计量标准1、计量站的标准在有效期使用、检验率100%,2、计量标准资质考核复审100%,3,计量装置完好率100%,4、计量标准的保存、便用、维护制度,周期检定制度,检定记录及检定证书核晚制度,事故报告制度,计量标准技术档案管理制度2313超期运行扣2分资质审核没有通过扣3分检定期内因维护不利不能保证完好扣1分制度不齐全,不能有效执行每项扣0.52计量检定管理1、未经检定或检查的新购计量器具-律不准投入使用;2、电能表、电测指示以表、流量计测量仪表、压力表等计量器具按周期检定、送检、校换;2、电能表、互感器、电测量指示仪表检定是否执行国标检定规程。3、检定装置操作是否执行规程或说明书。2222未经检定的计量器具使用者扣1分计量器具存在超周期运行没有送检、自检扣2分检定站检定人员有标准,检定报告符合标准,不符合扣2分各装置说明书齐全不全扣2分3计量人员1、检定人员持证上岗2检定人员没有资质证扣2分管理2、各相关队站上报检定人员资质培训年计划3、制定培训计划,持证人员定期培训、复审资质证。11检定人员资质的培训、复审没有上报培训计划扣4分没有检定人员培训计划扣4分4计费计量各级电能、水量计量器具是否定期巡3没有巡视记录扣3分如记录器具巡检检,巡检是否有记录,处理情况是否有记录,32不清、处理不及时扣减1分5电测仪表常用计量器具周检率100%,2周检率不达标计量器具周期内差错率W2%,2在检定周期内查错率高扣2分计量器具是否完成检定计划62没有完成检定计划的扣4分6水监测仪压力表、水流量仪表周检率100%,2周检率不达标扣2分表检定后的计量器具运行完好率100%2在检定期内因维护不当使器计量器具是否完成检定计划2具完好率不能达标的扣2分6没有完成计划扣2分7报表资料1在mis网上按时上报计量器具检定21-4相报表没有按时上报一计划,2在mis网上按时上报计量器具检定完成情况报表,2项扣2分3按时上报计量仪器仪表检定计划,24mis网中计量台帐输入完整与实物相符,25计量站标准检定证书齐全、完整,2保存不完整、齐全扣2分6计量标准资质相关资料保存完整、卒全7计量站计量器具检定报告保存完2资料不全扣3分整,2电能、电测仪表检定的检定报8合格证填写应正确。1告填写不正确清楚扣3分9.计量站建标报告、稳定性考核记录、3试验数据齐全真实,记录完重负性测试记录、履历书、标准维护记录10、新增更换的标准计量器具资料齐全,按规定上报考核部门202整,稽定性、重复性符合要求8电能计量计费电能表8每项不达标扣2分站管理按计划周检率100%现场校验率100%抽检合格率100%现场校验合格率100%一级电能表12按计划周检率100%现场校验率100%抽检合格率100%轮换按要求执行电能计量差错率Wl%,计量器具是否完成检定计划2091水、电计费计量点的档案齐全2营业所对电能计量装置的接线差错率、倍率差错率、电流互感器、电压互感器故障等造成计量误差的监察有无定期巡寒,应有记录22档案不全扣2分没有监察巡视扣2分水、电量统计L营业所严格抄核制度,按时抄录各点水电量:2.CT更换应及时记录并通知营业所,3.电能表、水表更换应及时记录并详细填写通知单4.电气值班人员发现电能、电测表计有问题应及时上报车间并通知营业所5.电气值班人员每天按时抄录有功无功电能表,核算变电站电量:1022222由于计量器具、测量仪器使用不当造成损坏和测量教据不准确的2

    注意事项

    本文(计量监督百分考核细则.docx)为本站会员(p**)主动上传,第壹文秘仅提供信息存储空间,仅对用户上传内容的表现方式做保护处理,对上载内容本身不做任何修改或编辑。 若此文所含内容侵犯了您的版权或隐私,请立即通知第壹文秘(点击联系客服),我们立即给予删除!

    温馨提示:如果因为网速或其他原因下载失败请重新下载,重复下载不扣分。




    关于我们 - 网站声明 - 网站地图 - 资源地图 - 友情链接 - 网站客服 - 联系我们

    copyright@ 2008-2023 1wenmi网站版权所有

    经营许可证编号:宁ICP备2022001189号-1

    本站为文档C2C交易模式,即用户上传的文档直接被用户下载,本站只是中间服务平台,本站所有文档下载所得的收益归上传人(含作者)所有。第壹文秘仅提供信息存储空间,仅对用户上传内容的表现方式做保护处理,对上载内容本身不做任何修改或编辑。若文档所含内容侵犯了您的版权或隐私,请立即通知第壹文秘网,我们立即给予删除!

    收起
    展开