欢迎来到第壹文秘! | 帮助中心 分享价值,成长自我!
第壹文秘
全部分类
  • 幼儿/小学教育>
  • 中学教育>
  • 高等教育>
  • 研究生考试>
  • 外语学习>
  • 资格/认证考试>
  • 论文>
  • IT计算机>
  • 法律/法学>
  • 建筑/环境>
  • 通信/电子>
  • 医学/心理学>
  • ImageVerifierCode 换一换
    首页 第壹文秘 > 资源分类 > DOCX文档下载
    分享到微信 分享到微博 分享到QQ空间

    建筑工程给排水及采暖工程质量验收表格及内容齐全.docx

    • 资源ID:634741       资源大小:483.79KB        全文页数:93页
    • 资源格式: DOCX        下载积分:5金币
    快捷下载 游客一键下载
    账号登录下载
    三方登录下载: 微信开放平台登录 QQ登录
    下载资源需要5金币
    邮箱/手机:
    温馨提示:
    快捷下载时,如果您不填写信息,系统将为您自动创建临时账号,适用于临时下载。
    如果您填写信息,用户名和密码都是您填写的【邮箱或者手机号】(系统自动生成),方便查询和重复下载。
    如填写123,账号就是123,密码也是123。
    支付方式: 支付宝    微信支付   
    验证码:   换一换

    加入VIP,免费下载
     
    账号:
    密码:
    验证码:   换一换
      忘记密码?
        
    友情提示
    2、PDF文件下载后,可能会被浏览器默认打开,此种情况可以点击浏览器菜单,保存网页到桌面,就可以正常下载了。
    3、本站不支持迅雷下载,请使用电脑自带的IE浏览器,或者360浏览器、谷歌浏览器下载即可。
    4、本站资源下载后的文档和图纸-无水印,预览文档经过压缩,下载后原文更清晰。
    5、试题试卷类文档,如果标题没有明确说明有答案则都视为没有答案,请知晓。

    建筑工程给排水及采暖工程质量验收表格及内容齐全.docx

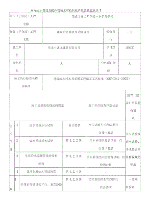
    室内给水管道及配件安装工程检验批质量验收记录表1单位(子单位)工程名称荣成市好运角学校一小学教学楼分部(子分部)工程名称建筑给水排水及采暖分部验收部位一层施工单位荣成市诚龙建筑有限公司项目经理刘祝军分包单位无分包项目经理无施工执行标准名称及编号建筑给水排水及采暖工程施工工艺标准(GB50242-2002)施工质量验收规范的规定施工单位检查评定记录监理(建设)单位验收记录主控项目1给水管道水压试验设计要求水压试验方式和结果符合设计要求水压试验及通水试验、冲洗符合质量验收规范要求2给水系统通水试验第4.2.2条给水系统经通水试验,符合设计要求3生活给水系统管道冲洗和消毒第4.2.3条给水系统经冲洗消毒试验,经检测合格4直埋金属给水管道防腐第4.2.4条/般1给排水管铺设的平行、垂直净距第4.2.5条经检查给排水管净距均符合要求一般项目检查项目2金属给水管道及管件焊接第4.2.6条/符合质量验收规范要求,超差点在允许偏差范围内3给水水平管道坡度坡向第4.2.7条管道坡度最大为4%。最小为3%o4管道支、吊架第4.2.9条管道支吊架安装符合规范要求5水表安装第42.10条水表安装符合规范要求6水平管道纵、横方向弯曲允许偏差钢管每米Imm全长25m以上>25mm塑料管、复合管每米1.5mm1111111111全长25m以上>25mm16£2120铸铁管每米2mm全长25m以上>25mm立管垂直度允许偏差钢管每米3三5m以上>8m塑料管、复合管每米2mm1111111115m以上*8mm5432214543铸铁管每米3m5m以上>IOmm成排管段和成排阀门在同一平面上的间距3mm施工单位检查评定结果专业工长(施工员)李永峰施工班组长刘强主控项目符合要求,一般项目合格。项目专业质量检查员:于德刚年月日监理(建设)单位验收结论合格通过验收专业监理工程师:(建设单位项目专业技术负责人)年月日山东省建设工启用收叔己守上必'心室内给水管道及配件安装工程检验批质量验收记录表单位(子单位)工程名称荣成市好运角学校一小学教学楼分部(子分部)工程名称建筑给水排水及采暖分部验收部位二层施工单位荣成市诚龙建筑有限公司项目经理刘祝军分包单位无分包项目经理无施工执行标准名称及编号建筑给水排水及采暖工程施工工艺标准(GB50242-2002)施工质量验收规范的规定施工单位检查评定记录监理(建设)单位验收记录主控项目1给水管道水压试验设计要求水压试验方式和结果符合设计要求水压试验及通水试验、冲洗符合质量验收规范要求2给水系统通水试验第4.2.2条给水系统经通水试验,符合设计要求3生活给水系统管道冲洗和消毒第4.2.3条给水系统经冲洗消毒试验,经检测合格4直埋金属给水管道防腐第4.2.4条/1给排水管铺设的平行、垂直净距第4.2.5条经检查给排水管净距均符合要求一般项目检查符合质量验收规范要求,超差点在允许偏差范围内2金属给水管道及管件焊接第4.2.6条/3给水水平管道坡度坡向4.2.7条管道坡度最大为4o最小为3%q般项目4管道支、吊架第4.2,9条管道支吊架安装符合规范要求5水表安装第42.10条水表安装符合规范要求6水平管道纵、横方向钢管每米Imm全长25m以上#25mm塑料管、复每米1.5mm1111111111弯曲允许偏差合管全长25m以上>25mm1182020铸铁管每米2mm全长25m以上>25mm立管垂直度允许偏差钢管每米3m5m以上*8mm塑料管、复合管每米2mm11111111115m以上>8ffii2432214543铸铁管每米3m115m以上>IOmm成排管段和成排阀门在同一平面上的间距3mm施工单位检查评定结果专业工长(施工员)李永峰施工班组长刘强主控项目符合要求,一般项目合格。项目专业质量检查员:于德刚年月日监理(建设)单位验收结论合格通过验收专业监理工程师:(建设单位项目专业技术负责人)年月日山东省建设工程质量监督总站监制室内给水管道及配件安装工程检验批质量验收记录表单位(子单位)工程名称荣成市好运角学校一小学教学楼分部(子分部)工程名称建筑给水排水及采暖分部验收部位三层施工单位荣成市诚龙建筑有限公司项目经理刘祝军分包单位无分包项口经理无施工执行标准名称及编号建筑给水排水及采暖工程施工工艺标准(GB50242-2002)施工质量验收规范的规定施工单位检查评定记录监理(建设)单位验收记录主控项目1给水管道水压试验设计要求水压试验方式和结果符合设计要求水压试验及通水试验、冲洗符合质量验收规范要求2给水系统通水试验第4.2.2条给水系统经通水试验,符合设计要求3生活给水系统管道冲洗和消毒第4,2.3条给水系统经冲洗消毒试验,经检测合格4直埋金属给水管道防腐第4.2.4条/般项I给排水管铺设的平行、垂直净距第4.2,5条经检查给排水管净距均符合要求一般项目检查符合质2金属给水管道及管件焊接第4.2.6条/3给水水平管道坡度坡向第4.2.7条管道坡度最大为4o最小为3%0量验收规范要求,超差点在允许偏差范围内4管道支、吊架第4.2.9条管道支吊架安装符合规范要求5水表安装第4.2.10条水表安装符合规范要求6水平管道纵、横方向弯曲允许偏差钢管每米Imm全长25m以上寺25mm塑料管、复合管每米1.5mm1111111111全长25m以上>25mm16£2120铸铁管每米2mm全长25m以上>25mm立管垂直度允许偏差钢管每米3m5m以上>8mm塑料管、复合管每米2m1111111115m以上8mm3432214543铸铁管每米3m5m以上#IOmm成排管段和成排阀门在同一平面上的间距3m施工单位检查评定结果专业工长(施工员)李永峰施工班组长刘强主控项目符合要求,一般项目合格。项目专业质量检查员:于德刚年月日监理(建设)单位验收结论合格通过验收专业监理工程师:(建设单位项目专业技术负责人)年月日山东省建设工程质量监督总站监制施工执行标准名称及编号室内给水管道及配件安装工程检验批质量验收记录表单位(子单位)工程名称荣成市好运角学校一小学教学楼分部(子分部)工程名称建筑给水排水及采暖分部验收部位四层施工单位荣成市诚龙建筑有限公司项目经理刘祝军分包单位无分包项目经理无建筑给水排水及采暖工程施工工艺标准(GB50242-2002)施工质量验收规范的规定施工单位检查评定记录监理(建设)单位验收记录主控项目1给水管道水压试验设计要求水压试验方式和结果符合设计要求水压试验及通水试验、冲洗符合质量验收规范要求2给水系统通水试验第4.2.2条给水系统经通水试验,符合设计要求3生活给水系统管道冲洗和消毒第4.2.3条给水系统经冲洗消毒试验,经检测合格4直埋金属给水管道防腐第4.2.4条/1给排水管铺设的平行、垂直净距第4.2.5条经检查给排水管净距均符合要求一般项目检查符合质量验收规范要求,超差点在允许偏差范围内2金属给水管道及管件焊接第4.2.6条/3给水水平管道坡度坡向4.2.7条管道坡度最大为4o最小为3%q般项目4管道支、吊架第4.2,9条管道支吊架安装符合规范要求5水表安装第42.10条水表安装符合规范要求6水平管道纵、横方向钢管每米Imm全长25m以上#25mm塑料管、复每米1.5mm1111111111弯曲允许

    注意事项

    本文(建筑工程给排水及采暖工程质量验收表格及内容齐全.docx)为本站会员(p**)主动上传,第壹文秘仅提供信息存储空间,仅对用户上传内容的表现方式做保护处理,对上载内容本身不做任何修改或编辑。 若此文所含内容侵犯了您的版权或隐私,请立即通知第壹文秘(点击联系客服),我们立即给予删除!

    温馨提示:如果因为网速或其他原因下载失败请重新下载,重复下载不扣分。




    关于我们 - 网站声明 - 网站地图 - 资源地图 - 友情链接 - 网站客服 - 联系我们

    copyright@ 2008-2023 1wenmi网站版权所有

    经营许可证编号:宁ICP备2022001189号-1

    本站为文档C2C交易模式,即用户上传的文档直接被用户下载,本站只是中间服务平台,本站所有文档下载所得的收益归上传人(含作者)所有。第壹文秘仅提供信息存储空间,仅对用户上传内容的表现方式做保护处理,对上载内容本身不做任何修改或编辑。若文档所含内容侵犯了您的版权或隐私,请立即通知第壹文秘网,我们立即给予删除!

    收起
    展开