欢迎来到第壹文秘! | 帮助中心 分享价值,成长自我!
第壹文秘
全部分类
  • 幼儿/小学教育>
  • 中学教育>
  • 高等教育>
  • 研究生考试>
  • 外语学习>
  • 资格/认证考试>
  • 论文>
  • IT计算机>
  • 法律/法学>
  • 建筑/环境>
  • 通信/电子>
  • 医学/心理学>
  • ImageVerifierCode 换一换
    首页 第壹文秘 > 资源分类 > DOCX文档下载
    分享到微信 分享到微博 分享到QQ空间

    格栅钢架施工方案.docx

    • 资源ID:634457       资源大小:32.45KB        全文页数:2页
    • 资源格式: DOCX        下载积分:5金币
    快捷下载 游客一键下载
    账号登录下载
    三方登录下载: 微信开放平台登录 QQ登录
    下载资源需要5金币
    邮箱/手机:
    温馨提示:
    快捷下载时,如果您不填写信息,系统将为您自动创建临时账号,适用于临时下载。
    如果您填写信息,用户名和密码都是您填写的【邮箱或者手机号】(系统自动生成),方便查询和重复下载。
    如填写123,账号就是123,密码也是123。
    支付方式: 支付宝    微信支付   
    验证码:   换一换

    加入VIP,免费下载
     
    账号:
    密码:
    验证码:   换一换
      忘记密码?
        
    友情提示
    2、PDF文件下载后,可能会被浏览器默认打开,此种情况可以点击浏览器菜单,保存网页到桌面,就可以正常下载了。
    3、本站不支持迅雷下载,请使用电脑自带的IE浏览器,或者360浏览器、谷歌浏览器下载即可。
    4、本站资源下载后的文档和图纸-无水印,预览文档经过压缩,下载后原文更清晰。
    5、试题试卷类文档,如果标题没有明确说明有答案则都视为没有答案,请知晓。

    格栅钢架施工方案.docx

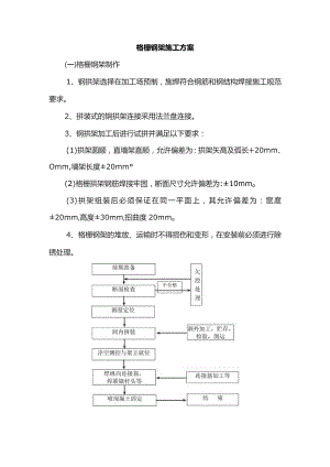
    格栅钢架施工方案(一)格栅钢架制作1、钢拱架选择在加工场预制,施焊符合钢筋和钢结构焊接施工规范要求。2、拼装式的钢拱架连接采用法兰盘连接。3、钢拱架加工后进行试拼并满足以下要求:(1)拱架圆顺,直墙架直顺,允许偏差为:拱架矢高及弧长+20mm、Omm,墙架长度±20mm°(2)格栅拱架钢筋焊接牢固,断面尺寸允许偏差为:±10mmo(3)拱架组装后必须保证在同一平面上,其允许偏差为:宽度±20mm,高度±30mm,扭曲度20mmo4、格栅钢架的堆放、运输时不得损伤和变形,在安装前必须进行除锈处理。(二)格栅钢架安装1.开挖后清除拱脚下的虚硝及其它杂物。2、每根钢拱架安装前用激光导向仪准确定出拱架安装的中线、标高及拱脚设计位置。钢格栅在开挖作业面组装,各节钢架间以螺栓连接。特别困难处也可采用焊接,但特别注意焊接质量。3、拱架安装由人工借助机具进行架立就位,拱脚必须架立在坚固的基座上,用短钢筋将拱架焊牢在锚杆上。4、为保证钢拱架的稳定和整体受力,严格按照设计要求设置纵向连接t冈筋。连接筋与钢拱架的连接点及已施工相邻拱架连接筋焊接牢固。5、在初期支护形成"闭合"结构前,为减少初期支护下沉量,每个台阶安装钢拱架时,均在其基底设一块"托板",以增大受力面积,减少下沉量。6、安装完格栅拱架以后,在每部的拱脚处各打两根锁脚锚管,锚管长3m,直径为42,钢管内注入水泥浆。

    注意事项

    本文(格栅钢架施工方案.docx)为本站会员(p**)主动上传,第壹文秘仅提供信息存储空间,仅对用户上传内容的表现方式做保护处理,对上载内容本身不做任何修改或编辑。 若此文所含内容侵犯了您的版权或隐私,请立即通知第壹文秘(点击联系客服),我们立即给予删除!

    温馨提示:如果因为网速或其他原因下载失败请重新下载,重复下载不扣分。




    关于我们 - 网站声明 - 网站地图 - 资源地图 - 友情链接 - 网站客服 - 联系我们

    copyright@ 2008-2023 1wenmi网站版权所有

    经营许可证编号:宁ICP备2022001189号-1

    本站为文档C2C交易模式,即用户上传的文档直接被用户下载,本站只是中间服务平台,本站所有文档下载所得的收益归上传人(含作者)所有。第壹文秘仅提供信息存储空间,仅对用户上传内容的表现方式做保护处理,对上载内容本身不做任何修改或编辑。若文档所含内容侵犯了您的版权或隐私,请立即通知第壹文秘网,我们立即给予删除!

    收起
    展开