欢迎来到第壹文秘! | 帮助中心 分享价值,成长自我!
第壹文秘
全部分类
  • 幼儿/小学教育>
  • 中学教育>
  • 高等教育>
  • 研究生考试>
  • 外语学习>
  • 资格/认证考试>
  • 论文>
  • IT计算机>
  • 法律/法学>
  • 建筑/环境>
  • 通信/电子>
  • 医学/心理学>
  • ImageVerifierCode 换一换
    首页 第壹文秘 > 资源分类 > DOCX文档下载
    分享到微信 分享到微博 分享到QQ空间

    TB1495.3-1992 弹条I型扣件 轨距挡板-修改单.docx

    • 资源ID:632632       资源大小:18.94KB        全文页数:2页
    • 资源格式: DOCX        下载积分:5金币
    快捷下载 游客一键下载
    账号登录下载
    三方登录下载: 微信开放平台登录 QQ登录
    下载资源需要5金币
    邮箱/手机:
    温馨提示:
    快捷下载时,如果您不填写信息,系统将为您自动创建临时账号,适用于临时下载。
    如果您填写信息,用户名和密码都是您填写的【邮箱或者手机号】(系统自动生成),方便查询和重复下载。
    如填写123,账号就是123,密码也是123。
    支付方式: 支付宝    微信支付   
    验证码:   换一换

    加入VIP,免费下载
     
    账号:
    密码:
    验证码:   换一换
      忘记密码?
        
    友情提示
    2、PDF文件下载后,可能会被浏览器默认打开,此种情况可以点击浏览器菜单,保存网页到桌面,就可以正常下载了。
    3、本站不支持迅雷下载,请使用电脑自带的IE浏览器,或者360浏览器、谷歌浏览器下载即可。
    4、本站资源下载后的文档和图纸-无水印,预览文档经过压缩,下载后原文更清晰。
    5、试题试卷类文档,如果标题没有明确说明有答案则都视为没有答案,请知晓。

    TB1495.3-1992 弹条I型扣件 轨距挡板-修改单.docx

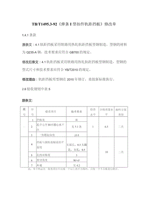
    TB/T1495.3-92弹条I型扣件轨距挡板修改单1,4,1条款原条文:4.1轨距挡板采用铁路用热轧轨距挡板型钢制造,型钢的材料为Q235-A钢,技术要求应符合GB700的规定。修改后条文:4.1轨距挡板采用铁路用热轧轨距挡板型钢制造,型钢的型式尺寸和技术要求应符合YB/T2010的规定。修改理由:轨距挡板用型钢在2010年修订,故按新标准执行。2.6验收规则中表5原条文:组号序号检查项目技术要求检查水平合格质量水平抽样方案类型1挡板宽皿16.5二次2孔中心至R15圆心水平距见5.1条3-角翘起高度0.84挡板与钢轨接触面的平面度长圆孔:0.3大圆孔、方孔:0.510二次5孔的对称度36剪切角度90o±lo7外观见4.2注:单个样品任一检查项目中出现一个以上的不合格时,只按一个不合格进行统计。修改后条文:序号检验项目技术要求检验水平接收质量限(AQL)抽样方案1挡板宽ommI2.5一次2孔中心至R15圆心水平距见5.1条12.53一角翘起高度0.8mmI2.54挡板与钢轨接触面的平面度长圆孔:0.3mm大圆孔、方孔:0.5mmI2.55孔的对称度3mmI2.56剪切角度90°±l°I2.57外观见4.2I6.5注:出厂检验时每一检验批不应大于IOoOO件。修改理由:原有标准的检验规则表述不明确,实际操作中易造成误解。且抽样方案和接收质量限水平偏低,应适当加严,确保产品质量的稳定性。

    注意事项

    本文(TB1495.3-1992 弹条I型扣件 轨距挡板-修改单.docx)为本站会员(p**)主动上传,第壹文秘仅提供信息存储空间,仅对用户上传内容的表现方式做保护处理,对上载内容本身不做任何修改或编辑。 若此文所含内容侵犯了您的版权或隐私,请立即通知第壹文秘(点击联系客服),我们立即给予删除!

    温馨提示:如果因为网速或其他原因下载失败请重新下载,重复下载不扣分。




    关于我们 - 网站声明 - 网站地图 - 资源地图 - 友情链接 - 网站客服 - 联系我们

    copyright@ 2008-2023 1wenmi网站版权所有

    经营许可证编号:宁ICP备2022001189号-1

    本站为文档C2C交易模式,即用户上传的文档直接被用户下载,本站只是中间服务平台,本站所有文档下载所得的收益归上传人(含作者)所有。第壹文秘仅提供信息存储空间,仅对用户上传内容的表现方式做保护处理,对上载内容本身不做任何修改或编辑。若文档所含内容侵犯了您的版权或隐私,请立即通知第壹文秘网,我们立即给予删除!

    收起
    展开