欢迎来到第壹文秘! | 帮助中心 分享价值,成长自我!
第壹文秘
全部分类
  • 幼儿/小学教育>
  • 中学教育>
  • 高等教育>
  • 研究生考试>
  • 外语学习>
  • 资格/认证考试>
  • 论文>
  • IT计算机>
  • 法律/法学>
  • 建筑/环境>
  • 通信/电子>
  • 医学/心理学>
  • ImageVerifierCode 换一换
    首页 第壹文秘 > 资源分类 > DOCX文档下载
    分享到微信 分享到微博 分享到QQ空间

    采购内容及技术参数指标要求.docx

    • 资源ID:630309       资源大小:21.72KB        全文页数:3页
    • 资源格式: DOCX        下载积分:5金币
    快捷下载 游客一键下载
    账号登录下载
    三方登录下载: 微信开放平台登录 QQ登录
    下载资源需要5金币
    邮箱/手机:
    温馨提示:
    快捷下载时,如果您不填写信息,系统将为您自动创建临时账号,适用于临时下载。
    如果您填写信息,用户名和密码都是您填写的【邮箱或者手机号】(系统自动生成),方便查询和重复下载。
    如填写123,账号就是123,密码也是123。
    支付方式: 支付宝    微信支付   
    验证码:   换一换

    加入VIP,免费下载
     
    账号:
    密码:
    验证码:   换一换
      忘记密码?
        
    友情提示
    2、PDF文件下载后,可能会被浏览器默认打开,此种情况可以点击浏览器菜单,保存网页到桌面,就可以正常下载了。
    3、本站不支持迅雷下载,请使用电脑自带的IE浏览器,或者360浏览器、谷歌浏览器下载即可。
    4、本站资源下载后的文档和图纸-无水印,预览文档经过压缩,下载后原文更清晰。
    5、试题试卷类文档,如果标题没有明确说明有答案则都视为没有答案,请知晓。

    采购内容及技术参数指标要求.docx

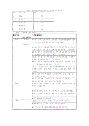
    采购内容及技术参数指标要求:(一)食堂食材配送项目编号采购内容数量单位1鲜肉1批2蔬菜水果1批3干货调料1批4米面粮油1批5其他食材1批(二)采购内容,R体技术指I标要求货物名称货物二级分类技术参数和指标鲜肉鲜猪肉颜色组织正常、无变质异味、低温储藏、使用专用配送车辆,提供与配送产品一致的检疫检验报告单、肉品合格证。猪副产品1.大肠,乳白色,稍软略带坚韧,外形完整,无变质异味,无炎症溃场、无淤血、充血、出血、水肿及其他病理现象,无肠头毛圈。2.肚子,乳白色,组织结实无异味,外形完整无溃疡及其他病变现象,无内容物、粘膜、脂肪,无淤血,无肠头毛圈。3.猪肾,淡褐色,有光泽略有弹性,组织结实外形完整,无脂肪和肾外膜,无炎症脓肿等病变,无异臭无杂质4.猪心,淡红色,脂肪乳白色稍红,结实有弹性,外形完整,心房内无淤血、凝血块及其他病变,气味正常。5.猪肝,红褐色或棕黄色,有光泽湿润,略有弹性,组织结实,肝叶完整,无脂肪、胆囊、胆管,无寄生虫、炎症水泡、薄膜,无胆汁污染。6.猪舌,品质新鲜,外形完整,无附着的肌肉、舌骨、舌苔、脂肪,无病变、无异物。7.猪脚,品质新鲜,去蹄壳,无毛,无趾间黑垢,无松香。8.猪尾,品质新鲜,去毛洁净,不带毛根或绒毛。蔬菜1.叶菜类:挺实、气味正,颜色好,无黄叶、腐烂叶和多泥根,水分充足,无过分皱皮。2.瓜菜类:成熟、新鲜,色泽、形状正常,无软化、变质现象.3.根菜类:挺实、无软化腐烂现象,色泽、形状正常,无生芽现象。4.提供每批次蔬菜农残检测报告。水果L新鲜、干净、无灰尘、无异味,保证外形完整,无破损。2.鲜果饱满、结实,外表、内部均无肉眼可见杂质3.符合相应绿色食品标准或满足绿色食品质量安全要求。干货调料1.纸箱或塑料、泡沫箱、玻璃瓶包装,经工商注册有生产许可证的企业生产,产品SC认证、检验报告、合格证齐全,包装完整无破损并注明品牌、产地、等级、厂址、生产日期、保质期,保质期内验收,且生产日期/包装日期距离收货日期的时间应1/3保质期。2.调味品包括酿造类调味品、腌菜类调味品、干货类调味品、水产类调味品及其他类调味品。产品的加工生产必须符合相关标准。3.干货包括农产品干货(含谷物)和水产品干货,农产品干货应通过风干、晾晒无水分、无污染、无杂质、无异味、无变质、无非法添加剂且包装完整无破损。水产品干货必须符合相关标准。4.特需米、面粉,指糯米、糯米粉、油条粉及面包粉等,米应乳白光亮、颗粒完整、无杂质,保质期内,理化指标及产品安全指标必须符合相关标准。专用面粉应洁白细腻、无杂质,保质期内,糯米粉的理化指标及产品安全指标必须符合相关标准,油条粉、面包粉及改良剂的产品安全指标必须符合相关标5.糕点馅料应在保质期内且包装完整,生产必须符合国家标准。6.干货调料类产品中的食品添加剂使用必须符合国家标准。7.符合国家相关行业标准及资质要求,遵守国家法律法规、遵守采购方的相关管理规定。鲜禽一是指屠宰、加工并净膛后的产品。2.应来自非疫区,并经检疫、检验合格,附带与当日配送产品一致的检疫检验报告单。3.正常视力无可见杂物或污染物,如黄色表皮、禽粪、胆汁、其他异物等。4.应修除或割除禽体各部位的外伤、血点、血污、羽毛根等。肌肉富有弹性,表皮和肌肉切面有光泽,具有禽类产品应有的气味,无异味。禽蛋1.纸箱或竹筐装,含蛋托包装.2.鲜鸡蛋,原料来自非疫区,蛋壳紧固平滑有光泽,气孔不显露,无霉斑、无裂纹,打开后无散黄或浑浊。3.成鸭蛋,原料来自非疫区,裹灰松紧适宜,厚薄均匀,无凹凸不平和露壳,蛋壳完整无裂纹、无破损,破损率不得超过1%,生产、检验、标志、包装、运输和贮存必须符合相关标4.皮蛋,原料来自非疫区,蛋壳完整呈清缸色,无破损、裂纹,生产、检验、标志、包装、运输和贮存符合标准。5.符合国家相关行业标准及资质要求,遵守国家法律法规、遵守采购方的相关管理规定。水产1.活鲜:体色正常,体态完整,对外界刺激敏感,头尾完整,无翻肚、烂嘴及其他外表损伤。鱼鳞完整有光泽,不易脱落,眼隔膜有光泽、透明,眼球突出,腹部坚实不膨胀,肛门内部洁净无异常红尾,大小均匀.2.活剖:颜色形态气味正常,大小均匀,体表无伤痕,肉质有弹性,不易压出凹陷或凹陷能迅速复平,无多余内脏及异物。3.冰冻:颜色形态气味正常,大小均匀,经工商注册有生产许可证的企业生产,包装完整、标有品牌、产地、厂址、生产日期、保质期等。米粉1.色泽:淡白色,有光泽,无返生变白现象,无杂色、斑点。2.组织状态:成圆条状、扁条状或片状,粗细、厚薄均匀,组织细腻有韧性,无明显外来杂质颗粒。3.气味:具有本品固有的米香味,无霉味及异味。4.经工商注册有生产许可证的企业生产,包装完整、注明品牌、产地、厂址、生产日期、保质期。要求提供检测报告或合格证。豆制品1.新鲜、干净、无灰尘、无异味,保证当天生产货品,外形完整,无破损。2.鲜豆腐饱满、结实,外表、内部均无肉眼可见杂质。3.符合相应食品质量安全要求,提供检测报告。大米面粉L大米贮存、运输、配送必须符合国家标准规定及相关资质要求。2.面粉贮存、运输、配送必须符合国家强制性标准规定及相关资质要求。3.符合相应绿色食品标准或满足绿色食品质量安全要求,提供相应检测报告.食用油1.知名品牌,无转基因成分IJ2.食用油贮存、运输、配送必须相应标准及要求。3.符合相应食品质量安全要求,提供相应检测报告。注:上表中未提及的其他食材产品,需符合国家食品标准和质量安全要求。配送人员需持有健康证

    注意事项

    本文(采购内容及技术参数指标要求.docx)为本站会员(p**)主动上传,第壹文秘仅提供信息存储空间,仅对用户上传内容的表现方式做保护处理,对上载内容本身不做任何修改或编辑。 若此文所含内容侵犯了您的版权或隐私,请立即通知第壹文秘(点击联系客服),我们立即给予删除!

    温馨提示:如果因为网速或其他原因下载失败请重新下载,重复下载不扣分。




    关于我们 - 网站声明 - 网站地图 - 资源地图 - 友情链接 - 网站客服 - 联系我们

    copyright@ 2008-2023 1wenmi网站版权所有

    经营许可证编号:宁ICP备2022001189号-1

    本站为文档C2C交易模式,即用户上传的文档直接被用户下载,本站只是中间服务平台,本站所有文档下载所得的收益归上传人(含作者)所有。第壹文秘仅提供信息存储空间,仅对用户上传内容的表现方式做保护处理,对上载内容本身不做任何修改或编辑。若文档所含内容侵犯了您的版权或隐私,请立即通知第壹文秘网,我们立即给予删除!

    收起
    展开