欢迎来到第壹文秘! | 帮助中心 分享价值,成长自我!
第壹文秘
全部分类
  • 幼儿/小学教育>
  • 中学教育>
  • 高等教育>
  • 研究生考试>
  • 外语学习>
  • 资格/认证考试>
  • 论文>
  • IT计算机>
  • 法律/法学>
  • 建筑/环境>
  • 通信/电子>
  • 医学/心理学>
  • ImageVerifierCode 换一换
    首页 第壹文秘 > 资源分类 > DOCX文档下载
    分享到微信 分享到微博 分享到QQ空间

    云南省大中型水库移民工作监督检查办法实施细则之附件.docx

    • 资源ID:627734       资源大小:56.13KB        全文页数:14页
    • 资源格式: DOCX        下载积分:5金币
    快捷下载 游客一键下载
    账号登录下载
    三方登录下载: 微信开放平台登录 QQ登录
    下载资源需要5金币
    邮箱/手机:
    温馨提示:
    快捷下载时,如果您不填写信息,系统将为您自动创建临时账号,适用于临时下载。
    如果您填写信息,用户名和密码都是您填写的【邮箱或者手机号】(系统自动生成),方便查询和重复下载。
    如填写123,账号就是123,密码也是123。
    支付方式: 支付宝    微信支付   
    验证码:   换一换

    加入VIP,免费下载
     
    账号:
    密码:
    验证码:   换一换
      忘记密码?
        
    友情提示
    2、PDF文件下载后,可能会被浏览器默认打开,此种情况可以点击浏览器菜单,保存网页到桌面,就可以正常下载了。
    3、本站不支持迅雷下载,请使用电脑自带的IE浏览器,或者360浏览器、谷歌浏览器下载即可。
    4、本站资源下载后的文档和图纸-无水印,预览文档经过压缩,下载后原文更清晰。
    5、试题试卷类文档,如果标题没有明确说明有答案则都视为没有答案,请知晓。

    云南省大中型水库移民工作监督检查办法实施细则之附件.docx

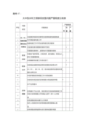
    附件IT:大中型水利工程移民安置问题严重程度分类表序号问题类型问题描述严重程度般较重严重1州(市)级移民管理机构主体责任未按要求制定和完善有关规章制度和配套制度2未开展监督检查工作3监督检查工作不符合指导意见有关要求4对监督检查问题整改复核不到位5问题整改复核时,虚报地方问题整改措施6管理体制未落实"政府领导、分级负责、县为基础、项目法人参与"的管理体制7未明确移民安置工作责任部门8配套文件未按规定或要求制定移民安置相关政策文件V9州(市)、县(市、区)级未制定移民安置相关管理办法等文件10实物调查未组织编制实物调查工作大纲或细则11未按相关规定组织实物调查大纲或细则审查V12未下达停建令13在停建令下达之前,相关单位已完成实物调查工作14未执行实物调查工作权属人签字(章)认可程序15实物调查结果未履行公示程序16地方人民政府未对实物调查成果签署确认意见17实物调查成果逾期未进行复核或重新调查18实物调查重要原始资料缺失19实物调查出现重大漏项、错项,造成移民投资增加超过10%20移民安置规划(大纲)编制和审批(审核)规划编制单位资质和设计人员资格管理不符合有关规定21未编制移民安置规划大纲22未审批移民安置规划大纲23未编制移民安置规划24移民安置规划大纲和规划未征求移民意愿25移民安置规划大纲和规划未征求有关专业部门意见26移民安置规划大纲和规划未征求地方人民政府意见27未审核移民安置规划28移民安置协议未签订移民安置协议29移民安置协议(责任书)主要内容缺失30实施管理未向移民群众公布补偿补助标准和兑付办法V31未派出移民安置综合设计代表32移民安置综合设计代表未能履职尽责33未按照批复的规划落实移民搬迁安置措施刈未按照批复的规划落实移民生产安置措施35未审核重大设计变更36年度计划管理未提出移民安置年度计划建议37未编制移民安置年度计划38未下达移民安置年度计划39未经审批或备案随意调整年度计划40未完成移民安置实施年度计划41移民安置实施进度滞后V12移民安置实施进度严重滞后已影响到工程建设进度43项目管理招投标工作不符合有关规定l44未按规定开展监理工作15监理工作不规范46项目计划申报、审批与调整不符合地方有关规定47项目实施进度滞后48项目实施进度严重滞后己影响到移民安置实施进度y49项目完成后6个月内未验收50项目验收工作不规范.51项目验收后3个月内未移交52资金管理未按时拨付征地补偿和移民安置资金Y53未按时兑付移民个人补偿补助费7)1未按合同约定支付移民项目建设相关费用J55挪用征地补偿和移民安置资金56将工程款直接支付给个人57外借征地补偿和移民安置资金58移民安置前期工作弄虚作假,套取或骗取征地补偿和移民安置资金59移民安置实施过程中弄虚作假,套取或骗取征地补偿和移民安置资金60征地补偿和移民安置资金存储期间产生的孳息未纳入征地补偿和移民安置资金61大额现金支付62财务管理未建立移民资金财务内控制度463未及时进行财务结(决)算与审计61征地补偿和移民安置资金往来款未及时清理、长期挂账65未设置财务机构和配备财务人员66票据管理不规范67违规涂改原始凭证68相关台账不健全69报账原始凭证不符合财务规定70移民验收未按规定程序组织开展移民安置自验、初验71未按规定程序组织开展移民安置终验72未按规定程序组织开展工程导(截)流阶段移民安置验收73未按规定程序组织开展下闸蓄水阶段移民安置验收74下闸蓄水阶段移民安置验收后,未及时组织移民安置竣工验收75地方设置验收条件不合现,导致移民安置验收工作滞后76档案管理未开展移民搬迁安置人口分户建档工作77未按规定开展档案收集、整理和归档工作78未按规定确保档案的完整、准确、系统、安全和有效利用79有关单位未向移民管理机构档案部门和项目法人档案部门移交档案资料80移民档案验收未与移民安置验收同步进行Xl监督评估未开展监督评估工作82未按合同约定派驻现场监督评估人员83未按有关规定或合同约定开展现场监督评估工作1违规分包监督评估工作85转包监督评估工作86未对移民安置进度、质量、资金拨付和使用中出现的问题提出整改建议87信访维稳对集体访情况或重大舆情事件处置不及时88对集体访情况或重大舆情事件处置不及时,造成严重后果89问题整改以往监督检查指出的问题未整改或整改落实不到位90上报整改意见中存在敷衍整改、虚假整改附件1-2:大中型水库移民后期扶持政策实施问题严重程度分类表序弓问题类型问题描述严重程度般较重严重1州(市)级移民管理机相相关责任未按要求制定和完善有关规章制度和配套制度2未开展监督检查工作3监督检查工作不符合指导意见有关要求J4对监督检查问题整改复核不到位5问题整改复核时,虚报地方问题整改措施6未能协调省级财政在接到财政部专项转移支付后,30日内正式分解下达到本行政区域县级(市、区)以上各级人民政府财政部门7未督促和调度后期扶持资金使用进度8配套文件州(市)、县(市、区)级未按要求制定移民后期扶持人口动态管理'项目管理、资金管理等有关配套文件9人口核定移民搬迁完成之日起超过1年未开展后期扶持人口核定登记工作10后期扶持人口核定登记工作未履行公告、户主和村组签章认可、核定成果张榜公示等程序11后期扶持人口动态管理工作不符合地方有关规定12后期扶持人口核定登记工作弄虚作假13后期扶持规划后期扶持规划调整未按规定履行程序I-I项目计划未开展项目审查筛选,未建立项目库15未编制项目资金年度实施方案16未研究提出资金和任务清单分解安排建议方案(项目计划)17提出资金和任务清单分解安排建议方案(项目计划)超过省财政预算下达时间3个月18项目计划资金和任务清单分解安排建议方案(项目计划)批复超过申报时间3个月19项目计划申报、审批与调整程序不符合地方有关规定20投资方向不符合国家、省级项目资金管理办法的有关规定21项目确定民主程序履行不符合现定22基础设施项目投向库区村、移民安置村和移民安置调地村以外23公共服务设施项目投向库区乡镇和移民安置乡镇以外24项目管理项目前期工作成果编制不规范或编制单位资质不符合规定25招投标工作不符合有关规定26招投标工作中出现串标、围标等严重问题27未签订项目合同*728项目合同签订不符合规定29未按规定开展监理工作30监理工作不规范31项目工程变更不符合规定V32项目实施进度滞后工期6个月以上33项目完成后6个月内未验收34项目验收不符合规定35生产开发项目产权归属不明确36生产开发项目收益分配机制不明确jV37资金管理未在当年底前足额发放本年移民直补资金38错发、误发直补资金未及时完成追缴39超范围发放移民直补资金40在没有签订合同或不具备施工条件下预付工程款41未按合同约定方式、数额、时限等结算与支付工程款42质保金比例不符合规定或未按合同约定扣留质保金43违规提取使用现金44资金管理财政部门收到移民管理机构审核的报账资料后,2个月内未支付资金45载留、挪用、挤占、转移或出借后期扶持资金46弄虚作假,套取或骗取后期扶持资金47项目前期工作经费超出相关行业标准48上上年度下达后期扶持资金截至上年12月底结存比例超过40%49上上年度下达后期扶持资金截至上年12月底结存比例超过30%50上年度下达后期扶持资金截至当年12月底结存比例超过60%51上年度下达后期扶持资金截至当年12月底结存比例超过40%52后期扶持资金未实行辅助账管理53后期扶持资金存款产生的利息未纳入后期扶持资金统一管理54未按规定设置会计科目V55会计报账资料收集整理不及时56会计核算及账务处理不及时57报账原始凭证不符合规定58后期扶持资金未按时使用被财政收回,相关移民管理机构未能协调申请重新安排用于移民后期扶持59后期扶持资金往来款未及时清理、长期挂账60工程进度款结算依据不齐全J

    注意事项

    本文(云南省大中型水库移民工作监督检查办法实施细则之附件.docx)为本站会员(p**)主动上传,第壹文秘仅提供信息存储空间,仅对用户上传内容的表现方式做保护处理,对上载内容本身不做任何修改或编辑。 若此文所含内容侵犯了您的版权或隐私,请立即通知第壹文秘(点击联系客服),我们立即给予删除!

    温馨提示:如果因为网速或其他原因下载失败请重新下载,重复下载不扣分。




    关于我们 - 网站声明 - 网站地图 - 资源地图 - 友情链接 - 网站客服 - 联系我们

    copyright@ 2008-2023 1wenmi网站版权所有

    经营许可证编号:宁ICP备2022001189号-1

    本站为文档C2C交易模式,即用户上传的文档直接被用户下载,本站只是中间服务平台,本站所有文档下载所得的收益归上传人(含作者)所有。第壹文秘仅提供信息存储空间,仅对用户上传内容的表现方式做保护处理,对上载内容本身不做任何修改或编辑。若文档所含内容侵犯了您的版权或隐私,请立即通知第壹文秘网,我们立即给予删除!

    收起
    展开