欢迎来到第壹文秘! | 帮助中心 分享价值,成长自我!
第壹文秘
全部分类
  • 幼儿/小学教育>
  • 中学教育>
  • 高等教育>
  • 研究生考试>
  • 外语学习>
  • 资格/认证考试>
  • 论文>
  • IT计算机>
  • 法律/法学>
  • 建筑/环境>
  • 通信/电子>
  • 医学/心理学>
  • ImageVerifierCode 换一换
    首页 第壹文秘 > 资源分类 > DOCX文档下载
    分享到微信 分享到微博 分享到QQ空间

    镁水泥基本配合比试验.docx

    • 资源ID:625868       资源大小:21.65KB        全文页数:2页
    • 资源格式: DOCX        下载积分:5金币
    快捷下载 游客一键下载
    账号登录下载
    三方登录下载: 微信开放平台登录 QQ登录
    下载资源需要5金币
    邮箱/手机:
    温馨提示:
    快捷下载时,如果您不填写信息,系统将为您自动创建临时账号,适用于临时下载。
    如果您填写信息,用户名和密码都是您填写的【邮箱或者手机号】(系统自动生成),方便查询和重复下载。
    如填写123,账号就是123,密码也是123。
    支付方式: 支付宝    微信支付   
    验证码:   换一换

    加入VIP,免费下载
     
    账号:
    密码:
    验证码:   换一换
      忘记密码?
        
    友情提示
    2、PDF文件下载后,可能会被浏览器默认打开,此种情况可以点击浏览器菜单,保存网页到桌面,就可以正常下载了。
    3、本站不支持迅雷下载,请使用电脑自带的IE浏览器,或者360浏览器、谷歌浏览器下载即可。
    4、本站资源下载后的文档和图纸-无水印,预览文档经过压缩,下载后原文更清晰。
    5、试题试卷类文档,如果标题没有明确说明有答案则都视为没有答案,请知晓。

    镁水泥基本配合比试验.docx

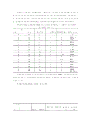
    本周烧了一大批9OO。C1.5h的铢粉,本来打算做第一批试验,即镁水泥基本配合比试验,结果发现在试验时凝结时间和强度与之前的结果都有很大差别。由于年前买的磷酸二氢钾和硼砂已不多,而且购买时间也较长,为了和后面的试验保持一致,所以我们又重新买了新的,但是这次的磷酸二氢钾颗粒粒径要比年前购买的大些,而硼砂和年前的都是同一厂家产的!具体结果如下:1,凝结时间测定(正常的搅拌时间是2min,大于2min表示浆体较干,在2min时仍没有成型)。正交试验方案L16(45)素试验AP/MB水胶比C硼砂(%)搅拌时间5in)凝结时间(min)11/30,13241421/30.144214'30、31/30.1562195(F41/30.168224''40、51/40.1343'30'、10x40's61/40,142419'71/40.158223081/40J66218'2(91/50J363、30-153Cr101/50.1482250"、Il1/50.1523"3(215、121/50,1642154(131/60.138419'4(141/60J464161(151/60.1543165C161/60J62324、50、结果发现此次的试验,需水量要比以前的大些,很多组在搅拌2min'时,仍然还没成浆体状态,凝结时间也都较长,¼凝时表面没有出现白色乳状液体,而且在清洗的时候也较容易,能感觉到强度并不是很高!另外我们又用以前的配合比做了一组对比试验。月素试水胶比硼砂(%)搅拌时间凝结时间3h抗折强度3h抗压强度X(MPa)(MPa)11/4(旧P,新M)0J44(新)T3012、I(T4,326,6421/4(新P,新M)0.144(新)2"3(120'、3.826.7731/4(旧P,新M)0.144(ID)29'40'、5.533.9341/4(新P,旧M)0.144(新)33.9526.055(以前试验)1/4(旧P,旧M)0J44(旧)212"(6.3842.02注:新P.新硼砂指的是刚购买的:旧P,旧硼砂指的是年前购买的;新M指的是刚烧的一大批镁粉,旧M指的是上次做试验剩下的镁粉。分析:通过1和2对比,可以看出磷酸二氢钾对其影响不大;1和3对比发现,硼砂对其凝结时间和强度都有一定的影响;2和4,3和5变量是镁粉,但是两者对于镁粉的影响却是矛盾的。通过这些试验也并不能说明影响因素是什么,有文献说到随着磷酸二氢钾晶体主粒度增大,MPC浆体终凝时间延长,硬化体在各龄期的抗压强度逐步降低,这和我们的试验结果也不相符。而且购买的磷酸二氢钾包装袋上也没有具体的厂家地址以及晶体粒度,这使我们分析起来也比较困难。我们觉得主要原因就是镁粉的影响因素太多,烧出来的镁粉性能不稳定,即使是大批量的生产并混合均匀,可能镁粉的性质也不同。现在还在思考接下来的试验!

    注意事项

    本文(镁水泥基本配合比试验.docx)为本站会员(p**)主动上传,第壹文秘仅提供信息存储空间,仅对用户上传内容的表现方式做保护处理,对上载内容本身不做任何修改或编辑。 若此文所含内容侵犯了您的版权或隐私,请立即通知第壹文秘(点击联系客服),我们立即给予删除!

    温馨提示:如果因为网速或其他原因下载失败请重新下载,重复下载不扣分。




    关于我们 - 网站声明 - 网站地图 - 资源地图 - 友情链接 - 网站客服 - 联系我们

    copyright@ 2008-2023 1wenmi网站版权所有

    经营许可证编号:宁ICP备2022001189号-1

    本站为文档C2C交易模式,即用户上传的文档直接被用户下载,本站只是中间服务平台,本站所有文档下载所得的收益归上传人(含作者)所有。第壹文秘仅提供信息存储空间,仅对用户上传内容的表现方式做保护处理,对上载内容本身不做任何修改或编辑。若文档所含内容侵犯了您的版权或隐私,请立即通知第壹文秘网,我们立即给予删除!

    收起
    展开