欢迎来到第壹文秘! | 帮助中心 分享价值,成长自我!
第壹文秘
全部分类
  • 幼儿/小学教育>
  • 中学教育>
  • 高等教育>
  • 研究生考试>
  • 外语学习>
  • 资格/认证考试>
  • 论文>
  • IT计算机>
  • 法律/法学>
  • 建筑/环境>
  • 通信/电子>
  • 医学/心理学>
  • ImageVerifierCode 换一换
    首页 第壹文秘 > 资源分类 > DOCX文档下载
    分享到微信 分享到微博 分享到QQ空间

    消防维保工作表格.docx

    • 资源ID:623968       资源大小:30.53KB        全文页数:4页
    • 资源格式: DOCX        下载积分:5金币
    快捷下载 游客一键下载
    账号登录下载
    三方登录下载: 微信开放平台登录 QQ登录
    下载资源需要5金币
    邮箱/手机:
    温馨提示:
    快捷下载时,如果您不填写信息,系统将为您自动创建临时账号,适用于临时下载。
    如果您填写信息,用户名和密码都是您填写的【邮箱或者手机号】(系统自动生成),方便查询和重复下载。
    如填写123,账号就是123,密码也是123。
    支付方式: 支付宝    微信支付   
    验证码:   换一换

    加入VIP,免费下载
     
    账号:
    密码:
    验证码:   换一换
      忘记密码?
        
    友情提示
    2、PDF文件下载后,可能会被浏览器默认打开,此种情况可以点击浏览器菜单,保存网页到桌面,就可以正常下载了。
    3、本站不支持迅雷下载,请使用电脑自带的IE浏览器,或者360浏览器、谷歌浏览器下载即可。
    4、本站资源下载后的文档和图纸-无水印,预览文档经过压缩,下载后原文更清晰。
    5、试题试卷类文档,如果标题没有明确说明有答案则都视为没有答案,请知晓。

    消防维保工作表格.docx

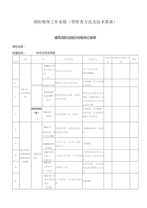
    消防维保工作表格(带检查方法及技术要求)建筑消防设施日检维保记录表单位名称:检查时间:年月日至年月日序号系统项目技术要求检查方法检查结论问题描述及解决方法备注15.2火灾自动报警系统报警控制器5.22Ll控制器开机运行情况应能正常开机运行处于"自动"状态,*看自检情况25.2.2J.2外观面板及外壳应干净无污垢目测观察、用手去触摸外光四周35.2,2.1.23电脑CRT显示应能准确显示故障、报警的部位及时间观察记录电脑显示的故障、报警的情况,以及电脑建筑平面与实际是否相符4消防控制柜(盘)522.2.1外观外壳及面板干净、无污垢目测观察、用手触摸,查看水箱、水池的液位器处于正常状态55.3含清火栓和喷淋系统的消防供水系统消防供水设备53.2.1.1消防水池、高位消防水箱各消防水池、水箱的水位应满足设计要求目测观察观察、查对数据65.3214电控柜外观外壳应干净、无污垢,线路连接正常目测观察753.2.1.5电控柜工作指示灯工作应正常,处F“白动"状态目测观察检查所有工作指示灯工作是否正常8532.1.6电控柜电压、电流表读数指示正常水泵启动时、电压衣及电流表读数指示应正常953.2.1.8水泵外观质量及安装质量应干净整洁、无污物且安装牢固目测观察序号系统项目技术要求检查方法检查结论问题描述及解决方法备注105.321.9电机外观应干净整洁、无污垢目测观察1I5.4室内、外消火栓系统管网、支吊架、阀门5-423.1管道外观表面应无灰尘、污垢、油漆无脱落目测观察12消火栓箱5.4.2.4.5水枪外观齐全完好、无腐蚀、变形、与水带相匹配目测观察135.4.2.4.6卷盘组件完整性应配有铜闸阀、卷盘、喷咀及其手柄目测观察M54247卷盘质量无漏水、腐烂破损目测观察155.424.8卷盘铜闸阀开启状态应处于关闭状态,且有水目测观察,动作16消火栓箱5.4.2.4.9箱内清洁箱内应干净、无灰尘杂物目测观察175.4,2.4.11消火栓启动按钮消火检启动按钮、指示灯控制线路,应功能正常、无故障、线路的敷设应满足要求目测观察185.4室内、外消火栓系统消火栓542.7消火栓泉外观质量及安装质量应干净整洁、无污物且安装牢固目测观察195.5自动灭火系统自动啧水灭火系统5.5.1.2.3电机外观应干净整洁、无污垢目测观察20551.2.9水流指示器外观表面应干净、无污垢、油漆无脱落目测观察21551210末端试水装置安装质量牢固、无渗漏目测观察225.6机械防排烟系统送风机、排烟风机及控制柜5.6.1.1.2电控柜外观外壳应干净、无污垢23电动挡烟垂壁561.4.2现场手动应能正常卜降且灵敏、可靠目测观察2456143动作信号能准确反馈回消目测观察序号系统项目技术要求检查方法检查结论问题描述及解决方法备注动作信号反馈防中心255.6.1.4.4手动(自动)复位应能正常复位目测观察26电动排烟窗56】51排烟窗外观表面应干净、无遮挡物目测观察275.6.1.5.2现场手动应能正常打开且灵敏、可靠目测观察28电动排烟窗5.6,1.5.3动作信号反馈动作信号能准确反馈问消防中心目测观察2956154手动(自动)复位应能正常复位目测观察305.8消防通讯设备及火灾应急广播系统消防电话及电话插孔5.8.1.2.1安装安装牢固、无松动目测观察、手感31581.3"119"直拨电话消防控制室应设置可直接报警的外线电话,且能正常通话目测观察观察并实地操作,看是否可拨通外线325.9防火分隔构件防火卷帘59231外观检查防火卷帘的帘板(面)、导轨、门楣、卷门机等组件齐全完好,紧固件无松动现象。门扇各接缝处、导轨、卷筒等缝隙,有防火防烟密封措施防止烟火南入。防火卷帘上部、周用的缝隙采用不燃烧材料填充、封隔。帘面平整、光洁.金属零部件的表面无裂纹、压坑及明显的凹痕或机械损伤。防火卷帘F方不得有影响其下降的障碍物目测观察335.11建筑灭火器巡查5.11.2,1.1配置点状况灭火器配置点符合安装配置图表要求,配置点及其灭火器箱上有符合规定要求的指示标识。结合安装配置图表,目测观察3151212灭火器数量符合配置安装结合安装配置图序号系统项目技术要求检查方法检查结论问题描述及解决方法备注数量要求。表,目测观察355121.3外观灭火器外观无明显损伤和缺陷,保险装置的铅封(塑料带、线封)完好无损目测观察365.11建筑灭火器巡北5.11.2.1.4维修标识经维修的灭火器,维修标识符合规定查看维修记录和维修标识375J1.2J.5压力指示器灭火器压力指示器指向绿区目测观察38检查5J1,2,2J配置方式手提式灭火器的挂钩、托架能婚承受规定静载荷,无松动、脱落、断裂和明显变形:灭火器箱未上锁,箱内干燥、清洁;推车式灭火器未出现自行滑动目测观察395.11.222铭牌标志灭火器铭牌清晰明了.无残缺;其灭火剂、驱动气体的种类、充装压力、总质量、灭火级别、制造厂名和生产日期或维修日期等标志及操作说明齐全、清晰目测观察405.11.123保险装置保险装置的铅封、销闩等完好行效、未遗失415,11.2,24筒体外观无明显的损伤(磕伤、划伤)、缺陷、锈蚀(特别是筒底和焊缝)、泄漏目测观察4251.225喷射软管完好,无明显龟裂,喷嘴不堵塞目测观察435.11.2.2.6压力指示器灭火器压力指示器与灭火器类型匹配,指针指向绿区范围内:二氧化碳灭火器和储气瓶式灭火器称重符合要求目测观察415.11.2,2.7其他零部件其他零部件齐全,无松动、脱落或者损伤目测观察填表说明:在检查结论中按照从周一到周日填写每日日检结论,合格在下发对应方框内打"不合格打"X"

    注意事项

    本文(消防维保工作表格.docx)为本站会员(p**)主动上传,第壹文秘仅提供信息存储空间,仅对用户上传内容的表现方式做保护处理,对上载内容本身不做任何修改或编辑。 若此文所含内容侵犯了您的版权或隐私,请立即通知第壹文秘(点击联系客服),我们立即给予删除!

    温馨提示:如果因为网速或其他原因下载失败请重新下载,重复下载不扣分。




    关于我们 - 网站声明 - 网站地图 - 资源地图 - 友情链接 - 网站客服 - 联系我们

    copyright@ 2008-2023 1wenmi网站版权所有

    经营许可证编号:宁ICP备2022001189号-1

    本站为文档C2C交易模式,即用户上传的文档直接被用户下载,本站只是中间服务平台,本站所有文档下载所得的收益归上传人(含作者)所有。第壹文秘仅提供信息存储空间,仅对用户上传内容的表现方式做保护处理,对上载内容本身不做任何修改或编辑。若文档所含内容侵犯了您的版权或隐私,请立即通知第壹文秘网,我们立即给予删除!

    收起
    展开