欢迎来到第壹文秘! | 帮助中心 分享价值,成长自我!
第壹文秘
全部分类
  • 幼儿/小学教育>
  • 中学教育>
  • 高等教育>
  • 研究生考试>
  • 外语学习>
  • 资格/认证考试>
  • 论文>
  • IT计算机>
  • 法律/法学>
  • 建筑/环境>
  • 通信/电子>
  • 医学/心理学>
  • ImageVerifierCode 换一换
    首页 第壹文秘 > 资源分类 > DOCX文档下载
    分享到微信 分享到微博 分享到QQ空间

    玻璃家具绿色工厂评价指标.docx

    • 资源ID:61872       资源大小:16.54KB        全文页数:5页
    • 资源格式: DOCX        下载积分:5金币
    快捷下载 游客一键下载
    账号登录下载
    三方登录下载: 微信开放平台登录 QQ登录
    下载资源需要5金币
    邮箱/手机:
    温馨提示:
    快捷下载时,如果您不填写信息,系统将为您自动创建临时账号,适用于临时下载。
    如果您填写信息,用户名和密码都是您填写的【邮箱或者手机号】(系统自动生成),方便查询和重复下载。
    如填写123,账号就是123,密码也是123。
    支付方式: 支付宝    微信支付   
    验证码:   换一换

    加入VIP,免费下载
     
    账号:
    密码:
    验证码:   换一换
      忘记密码?
        
    友情提示
    2、PDF文件下载后,可能会被浏览器默认打开,此种情况可以点击浏览器菜单,保存网页到桌面,就可以正常下载了。
    3、本站不支持迅雷下载,请使用电脑自带的IE浏览器,或者360浏览器、谷歌浏览器下载即可。
    4、本站资源下载后的文档和图纸-无水印,预览文档经过压缩,下载后原文更清晰。
    5、试题试卷类文档,如果标题没有明确说明有答案则都视为没有答案,请知晓。

    玻璃家具绿色工厂评价指标.docx

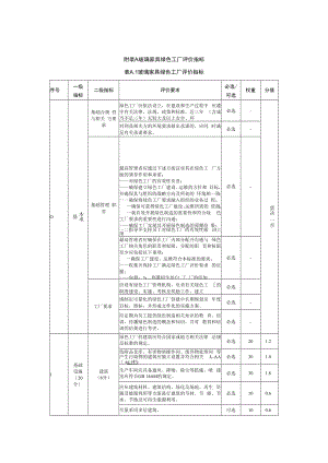
    附录A玻璃家具绿色工厂评价指标表A.1玻璃家具绿色工厂评价指标序号一级 指标二级指标评价要求必选/ 可选权重分值O本求基基础合规 性与相关 方要求绿色工厂应依法设立,在建设和生产过程中 应遵守有关法律、法规、政策和标准,近三年 (含成当不足三年)无较大及以上安全、环必选-票决 一否对利益相关方的环境要求做出承诺的,应同 时满足有关承诺要求。必选-基础管理 职责最高管理者应通过下述方面证实其在绿色工 厂方面的领导作用和承诺:对绿色工厂的有效性负责:确保建立绿色工厂建设、运维的方针和 目标,并确保其与组织的战略方向及所处的 环境相一致;一一确保将绿色工厂要求融入组织的业务过 程;确保可获得绿色工厂建设、运维所需的 资源;一就有效开展绿色制造的重要性和符合绿 色工厂要求的重要性进行沟通;一确保工厂实现其开展绿色制造的预期结 果:一二指导并支持员工对绿色工厂的有效性做 ill工用必选-最高管理者应确保在工厂内部分配并沟通与 绿色工厂相关角色的职责和权限。分配的职 责和权限至少应包括以下事项:一确保工厂建设、运维符合本标准的要求;收集并保持工厂满足绿色工厂评价要求 的证据;向斜; ,刑署招生处白 丁 厂的结加必选-工厂要求应设有绿色工厂管理机构,负责有关绿色工 的制度建设、实施、考核及奖励工作,建立必选成制定可量化的绿色工厂创建中长期规划及 年度目标、指标,并形成文件化的实施方案。必选-应定期为员工提供绿色制造相关知识的教 育、培训,传播绿色制造的概念和知识,并对 教育和培训的结果进行考评。必选-1基础 设施 (20分)建筑(6分)绿色工厂的建筑应符合国家或地方相关法律 法规及标准的规定。必选201.2危险品仓库、有害物质操作间、废弃物处理间 等产生污染物的建筑应独立设置并符合相关 J1-A( ag r4必选301.8生产车间应具备通风、降噪、除尘等措施,喷 漆室应符合GB 14444的规定。必选301.8应从建筑材料、建筑结构、绿化及场地、再生 资源及能源利用等方面进行建筑的节材、节 能、节水、节地及可再生能源利用。必选100.6尽量采用多层建筑。可选100.61基础 设施 (20分)照明 (2分)绿色工厂的照明应符合以下规定:一厂区及各房间或场所的照明应尽量利用 自然光,人工照明应符合GB 50034的规定: 不同场所的照明应进行分级设计: 一一公共场所的照明应采取分区、分组与定 时自动调光等措施。必选1002设备设施 (12 分)专用设备应符合相关国家和行业标准的规 定C必选151.8专用设备宜选用数控机床、自动化生产线、柔 性加工中心等自动化、数字化、智能化生产设 备,提高生产效率,降低能源与资源消耗,减 小3;仇枷脚fr可选202.4不应使用国家及地方政府已经明令淘汰的设 名、T艺”必选101.2通用设备或其系统的实际运行效率或主要运 行参数应符合该设备经济运行的要求。必选101.2通用设备宜采用效率高、能耗低、水耗低、物 耗低的产品。可选101.2计量设备应依据GB 17167、GB 24789等要求 配备、使用和管理能源、水资源的计量器具和 装置。能源及资源使用的类型不同时,应进行 八业? I.XX必选151.8应配备适宜的环保设备并有效运行,以确保 其污染物排放达到相关法律法规及标准要 求。环保设备的处理能力应与工厂排放相适 应,设备应满足通用设备的节能方面的要求。必选202.42管理 体系 (15分)一般要求 (4分)绿色工厂应建立、实施并保持满足GB/T 19001 要求的质量管理体系。必选201.0绿色工厂应建立、实施并保持满足GB/T 45001 要求的职业健康安全管理体系。必选201.0质量管理体系和职业健康安全管理体系宜通 过有资质的第三方认证。可选201.0工厂生产规程满足JC/T 2278的规定必选401.0环境管理 体系(4 分)绿色工厂应建立、实施并保持满足GB/T 24001 要求的环境管理体系。必选702.8环境管理体系宜通过有资质的第三方认证。可选301.2能源管理 体系(3分)绿色工厂应建立、实施并保持满足GB/T 23331 以及RB/T Ill的要求的能源管理体系。必选702. 1能源管理体系宜通过有资质的第三方认证。可选300.9社会责任(2分)绿色工厂宜依据GB/T 36000和GB/T 36001的 要求每年发布社会责任报告,说明履行利益 相关方责任的情况,特别是环境社会责任的 履行情况,报告公开可获得。可选1002信息化和 工业化融 合管理(2绿色工厂宜依据GB/T 23001的要求建立并有 效实施信息化和工业化融合管理体系。可选10023能源 与资能源投入(5分)应优化用能结构,在保证安全、质量的前提下 减少不可再生能源的投入。必选251源投 入 (15分)应依据有关政策法规及标准开展节能管理, 提高能源利用效率。必选201宜使用可再生能源代替不可再生能源,提高 清洁能源、可再生能源的应用比例,充分利用 生产系统的余热余压。可选201玻璃部件钢化、夹胶、热弯等生产工序应满足 能源消耗限额标准的准入要求或优于行业平 均水平可选201工厂建有能源管理系统,实现或部分实现能 源消耗在线监控、统计与分析等功能可选151资源投入 (5分)应按照GB/T 7119的要求开展节水评价工作。必选201应提高原辅材料的利用率,减少原辅材料、尤 其是有害物质的使用,并应按照GB/T 29115的 要求对原辅材料的消耗量、利用率和节约量 进行评价。必选301应提高可回收和可再生材料的使用比例,材 料资源属性应符合GB/T 35607-2017中表1规 定的指标要求。必选302工厂采用节水工艺、技术和装备,提高用水效 率,降低单位产品新鲜水取用量可选201采购5 分)应制定并实施包含环保要求的选择、评价和 重新评价供方的准则,以确保采购产品的环 保性能符合要求。必选301.5应确定并实施检验或其他必要的活动,确保 采购的产品满足规定的采购要求。必选301.5必要时,绿色工厂向供方提供的采购信息应 包含有害物质使用、可回收材料使用等环保 要求。必选201宜满足绿色供应链评价要求,优先选择绿色 产品。可选2014产品(10 分)产品品质 (4分)绿色工厂宜生产绿色家具产品。可选401.6产品品质应符合产品执行标准以及强制性国 家标准的规定,产品有害物质应符合GB/T 356072017标准的规定。必选602.4生态设计 (2分)绿色工厂应在产品设计中引入生态设计的理 念。必选501宜按照GB/T 24256对生产的产品进行生态设 计,并按GB/T 32161对生产的产品进行生态设 计评价。可选501有害物质 使用1 分)绿色工厂生产的产品应减少有害物质的使 用,避免有害物质泄漏。必选1001减碳(2 分)绿色工厂宜采用ISO M067等标准规范对产品 进行碳足迹核算或核查,核算结果宜对外公 布,并利用核算结果对其产品的碳排放进行 改善。可选501适用时,产品宜满足相应低碳产品认证要求。可选501可回收利 用率(1 分)绿色工厂宜按照GB/T 20862的要求计算产品 的可回收利用率,并利用计算结果对产品的 可回收利用率进行改善。可选10015境放 环排大气污染 物(4分)绿色工厂应对产生大气污染物的生产工艺和 设备设立局部或整体的收集系统和净化处理 装置。必选502(15 分)大气污染物排放应符合GB 16297以及相关标 准的要求,并满足区域内排放总量控制要求。必选502水体污染 物(3分)绿色工厂的水体污染物排放应符合GB 8978和 地方标准的要求,或在满足要求的前提下委 托具备相应能力和资质的单位进行处理,并 满足区域内排放总量控制要求。必选10035环境 排放 (15分)固体废弃 物(3分)绿色工厂产生的固体废弃物应符合GB 18597 和GB 18599的要求。必选501.5工厂无法自行处理的,应将固体废弃物转交 给具备相应能力和资质的单位进行处理。必选501.5噪声(3 分)绿色工厂应建立厂界和作业环境噪声监测方 案并定期进行监测,厂界噪声监测结果应符 合GB 12348的要求,作业环境噪声监测结果应 符合GBZ 2. 2-2007中11. 2的要求。必选1003温室气体(2分)绿色工厂应依据GB/T 32150或适用的规范对 其厂界范围内的温室气体排放进行核算或核 查。必选501核查结果宜对外公布。可行时,工厂应利用核 算或核查结果对其温室气体的排放进行改 可可选5016综合 绩效 (25 分)一般要求 (1分)绿色工厂应依据GB/T 36132-2018中提供的方 法计算或评估绩效,并利用结果进行绩效改 善。必选1001用地集约 化(6分)工厂容积率不低于0. 7必选201工厂容积率不低于L4可选101工厂建筑密度不低于30%必选201工厂建筑密度不低于45%可选101工厂单位用地面积产能满足行业准入要求必选201工厂单位用地面积产能达到行业先进水平可选201原料无害 化(2分)绿色物料使用率指标应满足行业准入要求。必选601.2绿色物料使用率指标宜达到行业先进水平。可选400.8生产洁净 化(6分)单位产品主要污染物产生量、单位产品废气 产生量、单位产品废水产生量等指标应满足 行业准入要求。必选603.6单位产品主要污染物产生量、单位产品废气 产生量、单位产品废水产生量等指标宜达到 行业先进水平。可选402.4废物资源 化(6分)玻璃原片利用率达到80%必选201玻璃原片利用率达到90%可选201碎玻璃回收利用率95%必选201金属废料回收利用率95%必选101工厂废水处理回用率不低于70%必选201工厂废水处理回用率到达90%可选101能源低碳 化(4分)单位产品综合能耗、单位产品碳排放量等指 标应满足行业准入要求。必选402单位产品综合能耗、单位产品碳排放量等指 标宜达到行业先进水平。可选301钢化玻璃单位产品能耗限额满足GB 21340中 等级1的要求可选301

    注意事项

    本文(玻璃家具绿色工厂评价指标.docx)为本站会员(p**)主动上传,第壹文秘仅提供信息存储空间,仅对用户上传内容的表现方式做保护处理,对上载内容本身不做任何修改或编辑。 若此文所含内容侵犯了您的版权或隐私,请立即通知第壹文秘(点击联系客服),我们立即给予删除!

    温馨提示:如果因为网速或其他原因下载失败请重新下载,重复下载不扣分。




    关于我们 - 网站声明 - 网站地图 - 资源地图 - 友情链接 - 网站客服 - 联系我们

    copyright@ 2008-2023 1wenmi网站版权所有

    经营许可证编号:宁ICP备2022001189号-1

    本站为文档C2C交易模式,即用户上传的文档直接被用户下载,本站只是中间服务平台,本站所有文档下载所得的收益归上传人(含作者)所有。第壹文秘仅提供信息存储空间,仅对用户上传内容的表现方式做保护处理,对上载内容本身不做任何修改或编辑。若文档所含内容侵犯了您的版权或隐私,请立即通知第壹文秘网,我们立即给予删除!

    收起
    展开