欢迎来到第壹文秘! | 帮助中心 分享价值,成长自我!
第壹文秘
全部分类
  • 幼儿/小学教育>
  • 中学教育>
  • 高等教育>
  • 研究生考试>
  • 外语学习>
  • 资格/认证考试>
  • 论文>
  • IT计算机>
  • 法律/法学>
  • 建筑/环境>
  • 通信/电子>
  • 医学/心理学>
  • ImageVerifierCode 换一换
    首页 第壹文秘 > 资源分类 > DOCX文档下载
    分享到微信 分享到微博 分享到QQ空间

    鱼香茄子饭套餐加工考核评价标准.docx

    • 资源ID:616818       资源大小:30.61KB        全文页数:3页
    • 资源格式: DOCX        下载积分:5金币
    快捷下载 游客一键下载
    账号登录下载
    三方登录下载: 微信开放平台登录 QQ登录
    下载资源需要5金币
    邮箱/手机:
    温馨提示:
    快捷下载时,如果您不填写信息,系统将为您自动创建临时账号,适用于临时下载。
    如果您填写信息,用户名和密码都是您填写的【邮箱或者手机号】(系统自动生成),方便查询和重复下载。
    如填写123,账号就是123,密码也是123。
    支付方式: 支付宝    微信支付   
    验证码:   换一换

    加入VIP,免费下载
     
    账号:
    密码:
    验证码:   换一换
      忘记密码?
        
    友情提示
    2、PDF文件下载后,可能会被浏览器默认打开,此种情况可以点击浏览器菜单,保存网页到桌面,就可以正常下载了。
    3、本站不支持迅雷下载,请使用电脑自带的IE浏览器,或者360浏览器、谷歌浏览器下载即可。
    4、本站资源下载后的文档和图纸-无水印,预览文档经过压缩,下载后原文更清晰。
    5、试题试卷类文档,如果标题没有明确说明有答案则都视为没有答案,请知晓。

    鱼香茄子饭套餐加工考核评价标准.docx

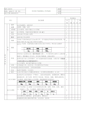
    编码:XX531鱼香茄子饭套餐加工考评标准编制版别:20XX年(第一版)审核成文日期:20XX/03/31签发项目加工标准考评得分分值次次次四次茄块及调料原料选料标准1.长形或圆形,表面光泽12.新鲜,质嫩,无籽3采购量3.当天够用,最多不超过1.5天用量1储存4.专用筐装,常温存放或冷藏存放(04C)1清洗5.洗去茄子外表泥土杂物1削皮6.削尽茄子外皮和蒂1切制7.将茄子尽量切成边长为3cm的方形,若不能满足形状的先考虑其重量,每块茄子重约1012g,长茄子形状可为菱形。1裹粉8.技勺下比例,先将鸡蛋去壳挽匀后加入茄子中拌匀,然后加入淀粉拌3茄子块鸡蛋淀粉2IoOg200g炸制9.锅内加入适量色拉油(最多重复用三次),中火烧至四五成热卜己裹好粉的茄子,期间翻动三至五次,炸至茄子刚熟透、表面金黄色310.捞出茄子块入专用容器中,沥干表面附着的多余的油,自然冷却(每批茄子块炸好捞出后必须将残渣捞尽)111.当天够用,最大量不超过L5天用量1分装12.包装盒干净,内无生水(当天使用可以不分装)1茄块标准状态13.表面色泽金黄色,无明显油浸现象314.茄子块成形,大小较匀1储存15.茄子块分装后入冷藏库或冷柜内,分日期归位摆放整齐,041茄子红调料16.姜洗净去皮切成姜沫(严禁剁),蒜洗净剁成蒜粒,泡辣椒剁碎,铜梁豆瓣机器打碎。按下比例,锅里先下色拉油,将姜沫、泡椒、铜梁豆瓣炒香,当天够用,最多不超过1.5天用量,蒜粒烧制茄子时再加入3铜梁豆Je红泡撒姜沫蒜粒色拉油90g90g24g72g85g茄子白调料1-按下比例抽王、水混合1(12份)在专用容器内将白糖、陈醋、味精、淀粉、老曲匀:当天够用,最多不超过1.5天用量3白糖陈醋味精淀粉水老抽王24Og135g5g30g30g5g18.红调料和白调料使J日时先搅匀,稠度适中319.按配料比将红调料冷锅下料,小火炒香,勿炒焦3茄子块鸡蛋淀粉2kg100g20Og铜梁豆Je红泡撒姜沫蒜粒色拉油90g90g24g72g85g项目加工标准考评得多分值次二次三次四次加工烧制20.炒香后,按配料比向锅中加入水、茄子块,轻轻推匀,中火烧开约2分钟(茄子烧透),将白调料加入锅内迅速搅匀,至汁稠状后起锅(加水量可根据餐厅实际使用灶具及火力大小增减,但产品状态符合标准要求5份红调料水茄子白调料11.5平勺/30l勺1清勾/150nl勺150g/1516块1满勺/31句57平勺/30b1勺5满勺/150ml勺750g/7680块5满勺/30nl勺21.低峰见票加工,高峰一次烧制量半小时内售完122.高峰备量加工时,用专用套餐盒单份分装1制作盛饭23.用专用量具将米饭松散的盛装在专用盘内,每份米饭重量350±IOg(造型整齐美观)1加茄子24.将鱼香茄子浇在米饭表面侧,洒上1520粒香葱(造型整齐美观);若茄子块温度低于70C,用微波炉再次加热至70C以上3加小菜25.在米饭另一侧左右各放上一块小油菜(约75g)1剩余处理26.当日营业结束,剩余的茄子块、红调料、白调料封好,冷藏储存,04也127.当日营业结束,剩余的已烧茄子报废1鱼香茄子饭/套餐标准状态28.专用盘装、干净、无水渍、无老化、无破损329.造型整齐美观,盘边干净I30.茄子块浅黄,表面挂汁,汁色泽红亮331.茄子块成形I32.茄子口感滋润,鲜、香333.小油菜或西兰花色泽新鲜,刚断生334.小油菜或西兰花,清淡爽口、鲜、香335.米饭松散(没有明显饭团、锅巴)336.米饭软硬适中,口感滋润,回味微甜537.整份鱼香茄子饭汁量、甜度及辣度适中,微酸,鱼香味浓338.送餐前温度:米饭260C;茄子块270C;小油菜或西兰花常温;作套餐销售时,配约250g蔬菜蛋汤一份,温度28(TC3考评总分值807777实际考评总分值实际考评总项数考评合格分值考评合格项数考评分值合格率(考评合格分值+实际考评总分值Xlo0%)考评项数合格率(考评合格项数+实际考评总项数XlO0%)

    注意事项

    本文(鱼香茄子饭套餐加工考核评价标准.docx)为本站会员(p**)主动上传,第壹文秘仅提供信息存储空间,仅对用户上传内容的表现方式做保护处理,对上载内容本身不做任何修改或编辑。 若此文所含内容侵犯了您的版权或隐私,请立即通知第壹文秘(点击联系客服),我们立即给予删除!

    温馨提示:如果因为网速或其他原因下载失败请重新下载,重复下载不扣分。




    关于我们 - 网站声明 - 网站地图 - 资源地图 - 友情链接 - 网站客服 - 联系我们

    copyright@ 2008-2023 1wenmi网站版权所有

    经营许可证编号:宁ICP备2022001189号-1

    本站为文档C2C交易模式,即用户上传的文档直接被用户下载,本站只是中间服务平台,本站所有文档下载所得的收益归上传人(含作者)所有。第壹文秘仅提供信息存储空间,仅对用户上传内容的表现方式做保护处理,对上载内容本身不做任何修改或编辑。若文档所含内容侵犯了您的版权或隐私,请立即通知第壹文秘网,我们立即给予删除!

    收起
    展开