欢迎来到第壹文秘! | 帮助中心 分享价值,成长自我!
第壹文秘
全部分类
  • 幼儿/小学教育>
  • 中学教育>
  • 高等教育>
  • 研究生考试>
  • 外语学习>
  • 资格/认证考试>
  • 论文>
  • IT计算机>
  • 法律/法学>
  • 建筑/环境>
  • 通信/电子>
  • 医学/心理学>
  • ImageVerifierCode 换一换
    首页 第壹文秘 > 资源分类 > DOCX文档下载
    分享到微信 分享到微博 分享到QQ空间

    物业公司泳池管理作业指导书.docx

    • 资源ID:615756       资源大小:60.26KB        全文页数:4页
    • 资源格式: DOCX        下载积分:5金币
    快捷下载 游客一键下载
    账号登录下载
    三方登录下载: 微信开放平台登录 QQ登录
    下载资源需要5金币
    邮箱/手机:
    温馨提示:
    快捷下载时,如果您不填写信息,系统将为您自动创建临时账号,适用于临时下载。
    如果您填写信息,用户名和密码都是您填写的【邮箱或者手机号】(系统自动生成),方便查询和重复下载。
    如填写123,账号就是123,密码也是123。
    支付方式: 支付宝    微信支付   
    验证码:   换一换

    加入VIP,免费下载
     
    账号:
    密码:
    验证码:   换一换
      忘记密码?
        
    友情提示
    2、PDF文件下载后,可能会被浏览器默认打开,此种情况可以点击浏览器菜单,保存网页到桌面,就可以正常下载了。
    3、本站不支持迅雷下载,请使用电脑自带的IE浏览器,或者360浏览器、谷歌浏览器下载即可。
    4、本站资源下载后的文档和图纸-无水印,预览文档经过压缩,下载后原文更清晰。
    5、试题试卷类文档,如果标题没有明确说明有答案则都视为没有答案,请知晓。

    物业公司泳池管理作业指导书.docx

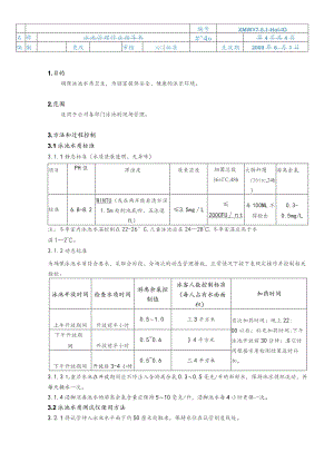
    编号XMWY7.5.1-HoI-IO名称泳池管理作业指导书#4»第4页共4页编制更改审核¼<|批准生效期2009年6.月1日1.目的确保泳池水质卫生,为顾客提供安全、健康的泳乐环境。2.范围适用于公司各部门泳池的现场管理。3.方法和过程控制3.1泳池水质标淮3.1.1静态标准(水质清澈透明、无异味)项目PH值浑浊度尿素浓度细菌总数36±C,48h大肠杆菌(36±rc,24h)游离余氯标准6.8-8.2WINTU(或在两岸能看清水深1.5m处的池底四、五泳道线)3.5mgL200CFUt每100ML不得检出0.3-0.5mg/L注:冬季室内泳池水温控制在22-26°C,儿童泳池应在2428,冬季室温应高于水温12。3.1.2动态标准为确保泳池水质符合要求,采取分时段、分场次的动态管理措施,正常情况下按下表规定操作并控制相关指标:泳池开放时间检查水质时间游离余氯控制值泳客人数控制标准(每人占有水面面积)加药时间上午开放期间开放前半小时0.51.0三3平方米首次加药时间:晚上22:00以后:补充加药时间:下午泳池开放前30分钟:其它时间根据水质检测结果适时补加。下午开放期间开放前半小时0.50.64平方米下午开放期间开放后3-4小时0.50.6三4平方米3.1.3儿童涉水池在开放期间应不停注入含游离余氯0.30.5毫克/升的新鲜水,保持池水循环流动,并每天换水一次。3.1.4浸脚消毒池水的游离余氯含量应保持510毫克/升,浸脚池水每4小时更换一次。3.2泳池水质测试仪使用方法3.2.1将试管伸入泳池水平面下约50厘米处取水,保持水住在试管刻度线处。JuWMHfeO44编号XMWY7.5.1-HolO名春泳池管理作业指导书B/4第4页共4页编制更拴审核¼<|批准杨霞生效期2009年6.月1日3.2.2在PH值试管中加入5滴PH试剂,在余氯值试管中加入5滴OTO试剂。3.2.3盖上两个试管盖,用手摇动,使试管中水与试剂液混合均匀o3.2.4现察两试管中液体颜色,分别与各自的标准色对比。与标准色颜色最接近者即为所测水的PH值和余氯值。3.2.5测试后请勿将测试液倒入泳池中,每次使用后清洗整套测试用具。3.2.6试管、试剂请储存于干燥、阴凉的环境中。3.2.7为提高精度,建议每年更换试剂。3.3水质调试药品及使用方法药品名称药品性能药品影状加药量注意事项强氯_精消毒剂,用于杀灭水中的细菌及池底的藻类粉剂23m3水使用时先溶于水后直接洒入泳池。由于该药刺激性强,使用时应做好安全防护。明矶絮凝剂,用于吸附沉淀水中的杂质晶体2025克r水聚合氯化铝絮凝剂,用于吸附沉淀水中的杂质粉剂510/m3水使用时先溶于水后直接洒入泳池食用碳酸钠PH值调节剂,粉剂1015克/tn?水当PH值小于6.8时调高PH值,用量按实际测试中PH值得出片碱PH值调节剂颗粒10克/r水当PH值小于6.8时调高PH值,用量按实际测试中PH值得出盐酸PH值调节剂液体510/m3水当PH值大于8.2时调低PH值,用量按实际测试中PH值得出硫酸铜杀藻剂.用于杀虫、杀灭藻类液体1-2克/m3水投入次数不能多,每月投1-2次即可(或发现小虫或青苔时使用).3.4泳池换水与开放前的准备工作3.4.1泳池每年需换水一次以上。换水操作流程如下:编号XMWY7.5.1-HoI-IO名称泳池管理作业指导书#4»第4页共4页编制更改审核¼<|批准生效期2009年6.月1日3.4.2泳池正式对外开放前必须办理有效的卫生许可证,并引导泳客在指定医院体检,办理健康证;对在泳池开发期间没有健康证人员,须填写本人健康申明<泳池的水质检测合格证书和卫生许可证的复印件必须在泳池现场公示。3.4.3泳池开放前,救生人员必须参加救生员培训,必须持有效的救生员上岗证、卫生知识培训合格证和健康证方可上岗。救生员在上班时段,须随身携带救生员上岗证。3.4.4非开放期间,应避免水质浑浊,无悬浮物。3.5泳池开放时间及现场管理3.5.1泳池须保证在5月1日一10月31日开放,部门可根据顾客的要求延长开放期间。3.5.2开放期间,部门可视具体情况编制入场须知、游客须知、史衣室使用管理规定,确定泳池开放的时段:非泳池维修、换水时期的开放时间一般为上午9:0012:00,下午14:0022:OOo3.5.3泳池底部、周围无锋利有棱甬的硬物,泳池及过水沟无青苔、砂粒等异物。栏杆无水迹、灰尘。泳池照明灯具完好,使用安全电压、无外露管线。人工泳池需按照国家规定配备足够的救生员:现场配置救生观察台、救生杆和足够数量的救生图、设置各类警示性标识牌:晚间水面照明符合国家标准;填写当天早、晚测定的水温。3.5.4每天须对检测结果、加药情况、开机循环时间等内容作好记录。3.5.5开放期间,泳池救生员应严格执行泳池管理规定,要求泳客凭健康合格证或健康申明入场,并按照排便T冲洗T强制淋浴T浸脚消毒T入池的卫生程序引导泳客入池,有责任阻止患有肝炎、心脏病、皮肤癣疹(包括脚癣)、重症砂眼、急性结膜炎、中耳炎、肠道传染病、精神病等患者和酗酒者进入泳池游泳。3.5.6禁止在泳池内吃食物、吸烟、吐痰、探鼻涕等,禁止在泳池内及泳池边进行嬉戏、打闹等影响泳池秩序或具有潜在危险的行为,12岁以下或1.4M以下的儿童必须有成人现场监护,且不允许到深水区。3.5.7泳池开放期间救生员不能离开泳池,并保持高度警惕,采取定位观察与巡视观察相结合的方法(每15分钟巡视泳池一遍),仔细观察泳池内述堡情况,特殊情况需短暂离开时须有能胜任的人员顶岗。一个泳池配有多名救生员的,至少须保证其中一人为巡逻岗。3.5.8遇政府部门抽检水质时应及时告知部门负贡人,并跟进抽检结果,异常情况及时采取补救措施。3.5.9救生员应随时清除池水中的污染物,每天停场后对各种卫生设施场地进行彻底清扫,并使用0.30.6%氯消毒液进行消毒。3.6开放期间的水质处理步骤与方法3.6.1防止青苔生长:投放硫酸铜,每月以投放1-2次为佳,且在投放2小时以后方可进行下一步骤。3.6.2调节PH值(酸碱度):使用碳酸钠或氢氧化钠提高池水的碱度,每升高1.O度履用方科物业廖务有限公司编号XMWY7.5.1-HOiO名春泳池管理作业指导书B/4第4页共4页编制5更改审核¼<I批准生效期2009年6.月1日按每立方米水15克的剂量投放。3.6.3杀菌、消毒:使用强氯精,每提高0.5度按每立方米水2克的剂量投放。3.6.4沉淀:使用明砒,按每立方水20-25克的剂量投放,启动循环系统半小时,使药物分布均匀.3.6.5吸尘:待以上步骤完成后,静止6-8小时,方可进行吸尘。3.6.6在水质处理时段应谢绝顾客下水游泳,并在泳池入口及周边显眼位置放置标识牌。3.6.7循环过滤:为减少池水中悬浮物,保证消毒杀菌效果,保持水质的清澈透明,每天开放时段内须对池水进行循环过滤。3.6.8如开放期间游客人数较多,应适当增加水质检测频次,以保证水质合格。3.6.9新购泳池消毒药品在首次使用时,应增加检测频次,以确认药物的有效性,发现药物异常时应及时向上级报告,并通知供应商处理。3.6.10当遇到高温、下雨天气时,应随时监测水质变化。在台风暴雨、降雨等不良天气下,泳池水质的变化主要表现为细菌及微生物的数量增多,有机物、悬浮物增加,池水浑浊度加大,甚至池水不受控制变成墨绿色。处理方法主要以预防为主:遇降雨等不良天气时,首先用强氯精提高游离余氯含量至1.0(遇台风暴雨天气游离余氯含量至2.0左右),其次加强循环过滤效果,调节PH值至7.88.5,再加聚合氯化铝(或明矶类絮凝剂),通过混凝、沉淀、吸污等一系列水质处理过程,使池水保持在标准水质范围内。3.6.11泳池关闭期间参照喷泉池水质处理规定。3.7喷泉池水质及操作要求3.7.1水质要求3.7.1.1喷泉水景水质不浑浊、无青苔、明显沉淀物和漂浮物:3.7.1.2.沟渠河等无异味、无杂物、无污水横流、无大量泡沫、无漂浮异物、蚊幼虫不超过1只/100ml;3.7.1.3.水景开放管理有明确规定。3.7.2开泵前准备工作3.7.2.1检查水池水位,并用小铁丝检查各喷嘴有无堵塞情况,然后调节各喷嘴旁边进水开关调至中间位置。3.7.2.2检查池灯完好情况。3.7.2.3检查控制箱各接触器接线情况,上述情况均无异常后方可开泵。3.7.3开泵后应观察喷泉水池水位,及时补水或放水至喷嘴合适位置。3.8冰池药品、清洁用品除少量的放在泳池仓库备用外,主要存在在部门设置的危险品仓库。4记就表格XMWY7.5.1-H01-10-Fl消杀工作记录表XMWY7.5.1-H01-11-F1泳池、泳乐设施运行记录表

    注意事项

    本文(物业公司泳池管理作业指导书.docx)为本站会员(p**)主动上传,第壹文秘仅提供信息存储空间,仅对用户上传内容的表现方式做保护处理,对上载内容本身不做任何修改或编辑。 若此文所含内容侵犯了您的版权或隐私,请立即通知第壹文秘(点击联系客服),我们立即给予删除!

    温馨提示:如果因为网速或其他原因下载失败请重新下载,重复下载不扣分。




    关于我们 - 网站声明 - 网站地图 - 资源地图 - 友情链接 - 网站客服 - 联系我们

    copyright@ 2008-2023 1wenmi网站版权所有

    经营许可证编号:宁ICP备2022001189号-1

    本站为文档C2C交易模式,即用户上传的文档直接被用户下载,本站只是中间服务平台,本站所有文档下载所得的收益归上传人(含作者)所有。第壹文秘仅提供信息存储空间,仅对用户上传内容的表现方式做保护处理,对上载内容本身不做任何修改或编辑。若文档所含内容侵犯了您的版权或隐私,请立即通知第壹文秘网,我们立即给予删除!

    收起
    展开