欢迎来到第壹文秘! | 帮助中心 分享价值,成长自我!
第壹文秘
全部分类
  • 幼儿/小学教育>
  • 中学教育>
  • 高等教育>
  • 研究生考试>
  • 外语学习>
  • 资格/认证考试>
  • 论文>
  • IT计算机>
  • 法律/法学>
  • 建筑/环境>
  • 通信/电子>
  • 医学/心理学>
  • ImageVerifierCode 换一换
    首页 第壹文秘 > 资源分类 > DOCX文档下载
    分享到微信 分享到微博 分享到QQ空间

    液化石油气企业检查用表.docx

    • 资源ID:61418       资源大小:8.06KB       
    • 资源格式: DOCX        下载积分:5金币
    快捷下载 游客一键下载
    账号登录下载
    三方登录下载: 微信开放平台登录 QQ登录
    下载资源需要5金币
    邮箱/手机:
    温馨提示:
    快捷下载时,如果您不填写信息,系统将为您自动创建临时账号,适用于临时下载。
    如果您填写信息,用户名和密码都是您填写的【邮箱或者手机号】(系统自动生成),方便查询和重复下载。
    如填写123,账号就是123,密码也是123。
    支付方式: 支付宝    微信支付   
    验证码:   换一换

    加入VIP,免费下载
     
    账号:
    密码:
    验证码:   换一换
      忘记密码?
        
    友情提示
    2、PDF文件下载后,可能会被浏览器默认打开,此种情况可以点击浏览器菜单,保存网页到桌面,就可以正常下载了。
    3、本站不支持迅雷下载,请使用电脑自带的IE浏览器,或者360浏览器、谷歌浏览器下载即可。
    4、本站资源下载后的文档和图纸-无水印,预览文档经过压缩,下载后原文更清晰。
    5、试题试卷类文档,如果标题没有明确说明有答案则都视为没有答案,请知晓。

    液化石油气企业检查用表.docx

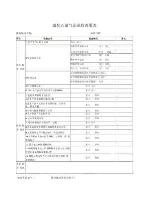
    液化石油气企业检查用表被检场站名称:检查日期:项目检查内容检查情况备注资料 检查 情况1.安全学习、培训记录有口 无口2.安全检查记录班组日常巡检记录有口 无口公司安全检查记录有口无口重大节假日检查记录有 无口槽车卸车记录有口 无口钢瓶充装记录有口 无口用户入户安检记录有口 无口3.检测记录压力表检测是否在有效期是 否安全阀检测是否在有效期是 否口防雷检测是否在有效期是口 否口4.应急演练记录有口 无口5.用户入户安全检查率是否达到100%是口 否口现场 检查 情况1.监控预警系统是否正常是口否口2.进生产区车辆是否戴防火帽是口否口3.进生产区人员是否穿防静电服、关闭手 机、禁带火种是口否口4.可燃气体报警器是否正常是口否口5.水封井是否有水封作用是口否口6.灭火器是否有效是口否口7.消火栓箱是否放置水带、水枪是口 否8.发电机带动水泵进行储罐喷淋是否正常是口否口9.实瓶摆放是否不超过6排、不超过两层是口否口10.是否存在充装非自有钢瓶、过期瓶、报 废瓶的行为是口否口11.是否建立钢瓶溯源系统是口否口12.钢瓶溯源系统上的钢瓶数量是否与市 场监管部门备案的钢瓶数量致是口否口13.储配站是否存在安全距离不符合规范 要求的情况是口否口其他 检查 情况检查人员签字:被检场站负责人签字:

    注意事项

    本文(液化石油气企业检查用表.docx)为本站会员(p**)主动上传,第壹文秘仅提供信息存储空间,仅对用户上传内容的表现方式做保护处理,对上载内容本身不做任何修改或编辑。 若此文所含内容侵犯了您的版权或隐私,请立即通知第壹文秘(点击联系客服),我们立即给予删除!

    温馨提示:如果因为网速或其他原因下载失败请重新下载,重复下载不扣分。




    关于我们 - 网站声明 - 网站地图 - 资源地图 - 友情链接 - 网站客服 - 联系我们

    copyright@ 2008-2023 1wenmi网站版权所有

    经营许可证编号:宁ICP备2022001189号-1

    本站为文档C2C交易模式,即用户上传的文档直接被用户下载,本站只是中间服务平台,本站所有文档下载所得的收益归上传人(含作者)所有。第壹文秘仅提供信息存储空间,仅对用户上传内容的表现方式做保护处理,对上载内容本身不做任何修改或编辑。若文档所含内容侵犯了您的版权或隐私,请立即通知第壹文秘网,我们立即给予删除!

    收起
    展开