欢迎来到第壹文秘! | 帮助中心 分享价值,成长自我!
第壹文秘
全部分类
  • 幼儿/小学教育>
  • 中学教育>
  • 高等教育>
  • 研究生考试>
  • 外语学习>
  • 资格/认证考试>
  • 论文>
  • IT计算机>
  • 法律/法学>
  • 建筑/环境>
  • 通信/电子>
  • 医学/心理学>
  • ImageVerifierCode 换一换
    首页 第壹文秘 > 资源分类 > DOCX文档下载
    分享到微信 分享到微博 分享到QQ空间

    落地式(悬挑)脚手架搭设验收表.docx

    • 资源ID:608094       资源大小:16.83KB        全文页数:2页
    • 资源格式: DOCX        下载积分:5金币
    快捷下载 游客一键下载
    账号登录下载
    三方登录下载: 微信开放平台登录 QQ登录
    下载资源需要5金币
    邮箱/手机:
    温馨提示:
    快捷下载时,如果您不填写信息,系统将为您自动创建临时账号,适用于临时下载。
    如果您填写信息,用户名和密码都是您填写的【邮箱或者手机号】(系统自动生成),方便查询和重复下载。
    如填写123,账号就是123,密码也是123。
    支付方式: 支付宝    微信支付   
    验证码:   换一换

    加入VIP,免费下载
     
    账号:
    密码:
    验证码:   换一换
      忘记密码?
        
    友情提示
    2、PDF文件下载后,可能会被浏览器默认打开,此种情况可以点击浏览器菜单,保存网页到桌面,就可以正常下载了。
    3、本站不支持迅雷下载,请使用电脑自带的IE浏览器,或者360浏览器、谷歌浏览器下载即可。
    4、本站资源下载后的文档和图纸-无水印,预览文档经过压缩,下载后原文更清晰。
    5、试题试卷类文档,如果标题没有明确说明有答案则都视为没有答案,请知晓。

    落地式(悬挑)脚手架搭设验收表.docx

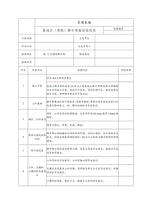
    管理表格落地式(悬挑)脚手架搭设验收表表格编号工程名称总包单位作业队伍总包负责人验收部位B、C区满堂脚手架搭设高度验收时间序号检查项目检查内容验收结果1施工方案符合JGJ-130规范要求悬挑式脚手架和高度20米以上的落地式脚手架搭设前必须编制安全专项施工方案,附设计计算书,审批手续齐全。搭设前需有技术交底。特殊脚手架应有专家论证。2立杆基础脚手架基础必须平整坚实,有排水措施,架体必须支搭在底座(托)或通长脚手板上。纵、横向扫地杆应符合要求。3钢管、扣件要求钢管、扣件有复试检测报告。应采用外径48.3mm,壁厚3.6mm的钢管。钢管无裂纹、弯曲、压扁、锈蚀。4架体与建筑结构拉结脚手架必须按楼层与结构拉结牢固,拉结点垂直、水平距离符合要求,拉结必须使用钢性材料。20米以上的高大脚手架须有卸荷措施。5剪刀撑设置脚手架必须设置连续剪刀撑,宽度及角度符合要求。搭接方式应符合规范要求。6立杆、大横杆、小横杆的设置要求立杆间距应符合要求;立杆对接必须符合要求。大横杆宜设置在立杆内侧,其间距及固定方式应符合要求;对接须符合有关规定。小横杆的间距、固定方式、搭接方式等应符合要求。7脚手板及密目网的设置操作面脚手板铺设必须符合规范要求。操作面护身栏杆和挡脚板的设置符合要求。操作面下方净空超3米时须设一道水平网。架体须用密目网沿内侧进行封闭,并固定牢固。8悬挑设置情况悬挑梁设置应符合设计要求;外挑杆件与建筑结构连接牢固;悬挑梁无变形;立杆底部应固定牢固;9其他卸料平台、泵管、缆风绳等不能固定在脚手架上;脚手架与外电架空线之间的距离应符合规范要求,特殊情况须采取防护措施;马道搭设符合要求;门洞口的搭设符合要求。10其他增加的验收项目11验收结论:验收入签名项目总工项目生产经理搭设单位负责人项目安全负责人搭设班组其他验收人员

    注意事项

    本文(落地式(悬挑)脚手架搭设验收表.docx)为本站会员(p**)主动上传,第壹文秘仅提供信息存储空间,仅对用户上传内容的表现方式做保护处理,对上载内容本身不做任何修改或编辑。 若此文所含内容侵犯了您的版权或隐私,请立即通知第壹文秘(点击联系客服),我们立即给予删除!

    温馨提示:如果因为网速或其他原因下载失败请重新下载,重复下载不扣分。




    关于我们 - 网站声明 - 网站地图 - 资源地图 - 友情链接 - 网站客服 - 联系我们

    copyright@ 2008-2023 1wenmi网站版权所有

    经营许可证编号:宁ICP备2022001189号-1

    本站为文档C2C交易模式,即用户上传的文档直接被用户下载,本站只是中间服务平台,本站所有文档下载所得的收益归上传人(含作者)所有。第壹文秘仅提供信息存储空间,仅对用户上传内容的表现方式做保护处理,对上载内容本身不做任何修改或编辑。若文档所含内容侵犯了您的版权或隐私,请立即通知第壹文秘网,我们立即给予删除!

    收起
    展开