欢迎来到第壹文秘! | 帮助中心 分享价值,成长自我!
第壹文秘
全部分类
  • 幼儿/小学教育>
  • 中学教育>
  • 高等教育>
  • 研究生考试>
  • 外语学习>
  • 资格/认证考试>
  • 论文>
  • IT计算机>
  • 法律/法学>
  • 建筑/环境>
  • 通信/电子>
  • 医学/心理学>
  • ImageVerifierCode 换一换
    首页 第壹文秘 > 资源分类 > DOCX文档下载
    分享到微信 分享到微博 分享到QQ空间

    工程质量管理计划.docx

    • 资源ID:605636       资源大小:25.14KB        全文页数:4页
    • 资源格式: DOCX        下载积分:5金币
    快捷下载 游客一键下载
    账号登录下载
    三方登录下载: 微信开放平台登录 QQ登录
    下载资源需要5金币
    邮箱/手机:
    温馨提示:
    快捷下载时,如果您不填写信息,系统将为您自动创建临时账号,适用于临时下载。
    如果您填写信息,用户名和密码都是您填写的【邮箱或者手机号】(系统自动生成),方便查询和重复下载。
    如填写123,账号就是123,密码也是123。
    支付方式: 支付宝    微信支付   
    验证码:   换一换

    加入VIP,免费下载
     
    账号:
    密码:
    验证码:   换一换
      忘记密码?
        
    友情提示
    2、PDF文件下载后,可能会被浏览器默认打开,此种情况可以点击浏览器菜单,保存网页到桌面,就可以正常下载了。
    3、本站不支持迅雷下载,请使用电脑自带的IE浏览器,或者360浏览器、谷歌浏览器下载即可。
    4、本站资源下载后的文档和图纸-无水印,预览文档经过压缩,下载后原文更清晰。
    5、试题试卷类文档,如果标题没有明确说明有答案则都视为没有答案,请知晓。

    工程质量管理计划.docx

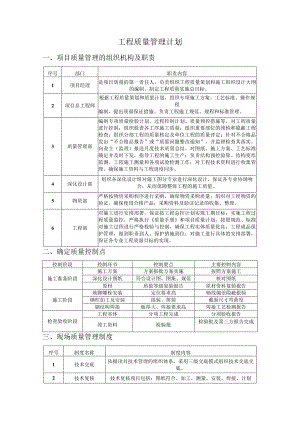
    工程质量管理计划一、项目质量管理的组织机构及职责序号部门职责内容1项目经理是项目质量的第一责任人,负责组织工程质量策划和施工组织设计大纲的编制,制定工程质量实施总目标。2项目总工程师根据工程质量策划和质量计划,组织专项施工方案、工艺标准、操作规程编制,提出质量保证措施。负责工程施工规范、规程和标准管理。3质量管理部编制专项质量检验计划、过程控制计划、质量预控措施等,对工程质量进行控制;组织检查各工序施工质量,组织重要部位的预检和隐蔽工程检查;组织分部工程的质量核定及单位工程的质量评定;针对不合格品发出“不合格品报告”或“质量问题整改通知”,并监督检查其落实。向业主(监理)报送月度技术质量总结。对图纸、施工方案、工艺标准确定并及时下发,指导工程的施工生产;负责结构预控验算、结构变形监测、工程施工测量和各项试验检测工作;对工程技术资料进行收集管理,确保施工资料与工程进度同步。4深化设计部组织各深化设计组对施工图分专业进行深化设计,保证各专业协调吻合,从而保障整体工程的施工质量。5物资部严格按物资采购程序进行采购,确保物资采购质量;组织对工程物资的验证,确保使用合格产品;采购资料及验证记录的收集、整理。6工程部对施工进行安排部署,保证按工程总控计划实现工期目标;实施工程过程质量监控,严格执行质量手册和项目质量计划,按照规范、标准对施工过程进行严格检验与控制,确保工程实体质量优良;工程成品保护管理,做到职责到人,保护措施到位;对施工进行具体的安排部署,保证各专业工程质量目标的实现。二、确定质量控制点控制阶段控制环节控制要点主要控制内容施工准备阶段施工方案方案报批方案实施按照方案施工深化设计图纸符合设计图、图集、规范核对图纸原材质量等级复验报告原材资料复验报告施工阶段地脚螺栓安装定位要求高轴线偏差隐蔽报验钢柱加工及安装组装、拼装截面尺寸弯曲度钢结构焊接板厚大、焊接要求高焊接工艺检测报告检查验收阶段工程实体分项工程完成分项验收报告竣工资料检验批检验批及第三方报告完成三、现场质量管理制度序号制度名称制度内容1技术交底依据项目技术管理的组织体系,采用三级交底模式组织技术交底交底。2技术复核技术复核项目包括:图纸符合、加工、测量、安装、焊接、计划要求、时间要求、复核结果处理要求、免核表格式要求、资料归档要求。3检验试验管理按照流程进行物资的验收及施工试验。4计量管理根据工程需要及时配备工程所必须的测量设备,并能满足预期使用要求。按要求建立计量器具台帐,并及时上报变动情况;监管测量设备的选择,制订配置计划并存档。5样板引路在分项工程开工前,由项目经理部的责任工程师,根据专项方案、技术交底及现行的国家规范、标准,组织进行样板分项(材料样板、工序样板、分项工程样板、等)施工,样板工程验收合格后才能进行专项工程的施工。6质量三检及隐蔽验收自检、交接检、专检;隐蔽验收:按流程实施对隐蔽工程的技术组织,重点加强对协调准备、检查验收两环节的组织控制7实测实量对所承建所有单位工程进行实测实量工作,对测量数据可通过喷涂标记于现场实测构建处,同时对测量结果进行收集、汇总,形成书面的实测数据。8不合格品控制及时发现不合格品,指定处置意见,按要求整改。四、工程施工质量分解目标序号分项工程名称检查项目合格率1钢结构焊接工程主控项目:焊材应与母材匹配;焊工需持证上岗;焊接工艺评定;超声波探伤;焊脚尺寸;焊缝外观;磁环烘焙;栓钉方曲试验。100%一般项目:焊缝预热;二、三级焊缝外观;焊缝感观;焊钉根部焊脚检查。100%2紧固件连接工程主控项目:摩擦面抗滑移系数试验;扭剪型螺栓终拧后梅花头检查。100%一般项目:施拧顺序;外露丝长;摩擦面清洁度;螺栓是否自由穿入。100%3钢零件及钢部件加工工程主控项目:切割面无裂纹、夹渣、分层、缺棱;截面校正尺寸;边缘加工;制孔精度及孔壁表面粗糙度。100%一般项目:1)切割面尺寸偏差;2)构件校正后偏差;3)边缘加工尺寸偏差。100%4钢构件组装工程主控项目:端铳;构件外形尺寸。100%一般项目:焊接H型钢拼缝错开200mm以上;H型钢的偏差;焊接连接允许偏差;安装焊缝坡口;外形尺寸偏差。100%序号分项工程名称检查项目合格率5多层及Sj层钢结构安装工程主控项目:地脚螺栓定位;安装前校正与修补;钢柱安装偏差;整体垂直度、整体平面弯曲。100%一般项目:构件表面洁净;钢柱中心偏差;钢构件安装偏差;钢平台、钢楼梯、栏杆的安装精度。100%6压型金属板工程主控项目:成型后基板表面裂纹;涂层裂纹;压型金属板可靠固定;搭接长度。100%一般项目:尺寸偏差;表面干净,无凹凸和皱褶;现场安装偏差;压型金属板安装应平整、顺直,无残留物和污物。100%7钢结构涂装工程主控项目:钢材表面除锈符合要求;涂料、涂装遍数、图层厚度。防火涂料的粘结强度;防火涂料表面裂纹。100%一般项目:涂装均匀度;附着力检测;涂装完成后的构件标识清晰完整;基层无污染;表面无脱层、空鼓、明显凹陷、粉化松散和浮浆。100%8钢结构焊接工程主控项目:焊材应与母材匹配;焊工需持证上岗;焊接工艺评定;超声波探伤;焊脚尺寸;焊缝外观;磁环烘焙;栓钉弯曲试验。100%一般项目:焊缝预热;二、三级焊缝外观;焊缝感观;焊钉根部焊脚检查。100%9紧固件连接工程主控项目:摩擦面抗滑移系数试验;扭剪型螺栓终拧后梅花头检查。100%一般项目:施拧顺序;外露丝长;摩擦面清洁度;螺栓是否自由穿入。100%10钢零件及钢部件加工工程主控项目:切割面无裂纹、夹渣、分层、缺棱;截面校正尺寸;边缘加工;制孔精度及孔壁表面粗糙度。100%11一般项目:D切割面尺寸偏差;2)构件校正后偏差;边缘加工尺寸偏差;孔距。100%12钢构件组装工程主控项目:端铳;构件外形尺寸。100%一般项目:焊接H型钢拼缝错开200mm以上;H型钢的偏差;焊接连接允许偏差;安装焊缝坡口;外形尺寸偏差。100%序号分项工程名称检查项目合格率13多层及Sj层钢结构安装工程主控项目:地脚螺栓定位;安装前校正与修补;钢柱安装偏差;整体垂直度、整体平面弯曲。100%一般项目:构件表面洁净;钢柱中心偏差;钢构件安装偏差;钢平台、钢楼梯、栏杆的安装精度。100%14钢结构涂装工程主控项目:钢材表面除锈符合要求;涂料、涂装遍数、图层厚度。防火涂料的粘结强度;防火涂料表面裂纹。100%一般项目:涂装均匀度;附着力检测;涂装完成后的构件标识清晰完整;基层无污染;表面无脱层、空鼓、明显凹陷、粉化松散和浮浆。100%五、原材取样送检制度为了指导本工程项目部严格按要求做好各类原材料、试件的送检工作,保证工程结构安全和各项使用功能满足设计和规范要求,顺利实现工程建设质量控制目标,特制定本见证取样与送检制度。六、取样送检的规定取样是按有关技术标准、规范的规定,从检验(测)对象中抽取实验样品,送检是指取样后将试件从现场移交给有检测资格的单位承检的过程。取样和送检是工程质量检测的重要环节,其真实性和代表性直接影响检测数据的公正性。为保证试件能代表母体的质量状况和取样的真实,保证建设工程质量,根据建2000211号文件要求,在建设工程质量检测中实行见证取样和送检制度,即在监理单位见证员的见证下,由施工单位取样员在现场取样,送至检测机构进行检测试验。七、取样送检的程序施工单位在取样前,通知监理单位见证员到场,在见证员的见证下施工单位取样员按要求从材料堆中抽取试件后,进行封样、送样,试验。见证员在取样后,对试件进行标识、登记,确认试件和委托试验单上所标识为同一组试件,并在委托单上签字。

    注意事项

    本文(工程质量管理计划.docx)为本站会员(p**)主动上传,第壹文秘仅提供信息存储空间,仅对用户上传内容的表现方式做保护处理,对上载内容本身不做任何修改或编辑。 若此文所含内容侵犯了您的版权或隐私,请立即通知第壹文秘(点击联系客服),我们立即给予删除!

    温馨提示:如果因为网速或其他原因下载失败请重新下载,重复下载不扣分。




    关于我们 - 网站声明 - 网站地图 - 资源地图 - 友情链接 - 网站客服 - 联系我们

    copyright@ 2008-2023 1wenmi网站版权所有

    经营许可证编号:宁ICP备2022001189号-1

    本站为文档C2C交易模式,即用户上传的文档直接被用户下载,本站只是中间服务平台,本站所有文档下载所得的收益归上传人(含作者)所有。第壹文秘仅提供信息存储空间,仅对用户上传内容的表现方式做保护处理,对上载内容本身不做任何修改或编辑。若文档所含内容侵犯了您的版权或隐私,请立即通知第壹文秘网,我们立即给予删除!

    收起
    展开