欢迎来到第壹文秘! | 帮助中心 分享价值,成长自我!
第壹文秘
全部分类
  • 幼儿/小学教育>
  • 中学教育>
  • 高等教育>
  • 研究生考试>
  • 外语学习>
  • 资格/认证考试>
  • 论文>
  • IT计算机>
  • 法律/法学>
  • 建筑/环境>
  • 通信/电子>
  • 医学/心理学>
  • ImageVerifierCode 换一换
    首页 第壹文秘 > 资源分类 > DOCX文档下载
    分享到微信 分享到微博 分享到QQ空间

    对苯二酚的安全技术说明书.docx

    • 资源ID:605509       资源大小:28.22KB        全文页数:4页
    • 资源格式: DOCX        下载积分:5金币
    快捷下载 游客一键下载
    账号登录下载
    三方登录下载: 微信开放平台登录 QQ登录
    下载资源需要5金币
    邮箱/手机:
    温馨提示:
    快捷下载时,如果您不填写信息,系统将为您自动创建临时账号,适用于临时下载。
    如果您填写信息,用户名和密码都是您填写的【邮箱或者手机号】(系统自动生成),方便查询和重复下载。
    如填写123,账号就是123,密码也是123。
    支付方式: 支付宝    微信支付   
    验证码:   换一换

    加入VIP,免费下载
     
    账号:
    密码:
    验证码:   换一换
      忘记密码?
        
    友情提示
    2、PDF文件下载后,可能会被浏览器默认打开,此种情况可以点击浏览器菜单,保存网页到桌面,就可以正常下载了。
    3、本站不支持迅雷下载,请使用电脑自带的IE浏览器,或者360浏览器、谷歌浏览器下载即可。
    4、本站资源下载后的文档和图纸-无水印,预览文档经过压缩,下载后原文更清晰。
    5、试题试卷类文档,如果标题没有明确说明有答案则都视为没有答案,请知晓。

    对苯二酚的安全技术说明书.docx

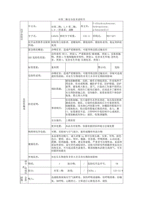
    对苯二酚安全技术说明书化学品标识中文名:对苯二酚;1,4-苯二酚;1,4-二羟基苯;氢醒英文名:P-dihydroxybenzene;hydroquinone;p-benzenediol分子式:CeHeOz相对分子质量:110.11结构式:H(>-()11化学品的推荐及限制用途:制取黑白显影剂、意醍染料、偶氮染料、橡胶防老剂、稳定剂和抗氧剂危险性概述紧急情况概述:吞咽有害,造成严重眼损伤,可能导致皮肤过敏反应GHS危险性类别:急性毒性-经口,类别4;严重眼损伤/眼刺激,类别1;皮肤致敏物,类别1;生殖细胞致突变性,类别2;危害水生环境-急性危害,类别1;危害水生环境-长期危害,类别1标签要素:象形图警示词:危险危险性说明:吞咽有害,造成严重眼损伤,可能导致皮肤过敏反应,怀疑可造成遗传性缺陷,对水生生物毒性非常大并具有长期持续影响防范说明:预防措施:避免接触眼睛、皮肤,操作后彻底清洗。作业场所不得进食、饮水或吸烟。戴防护手套、防护眼镜、防护面罩。避免吸入粉尘、蒸气。污染的工作服不得带出工作场所。得到专门指导后操作。在阅读并了解所有安全预防措施之前,切勿操作。按要求使用个体防护装备。禁止排入环境事故响应:如皮肤接触:用大量肥皂水和水清洗。如出现皮肤刺激或皮疹:就医。污染的衣服清洗后方可重新使用。接触眼睛:用水细心冲洗数分钟。如戴隐形眼镜并可方便地取出,取出隐形眼镜后继续冲洗。食入:漱口。如果感觉不适,立即呼叫中毒控制中心或就医。如果接触或有担心,就医。收集泄漏物。安全储存:上锁保管废弃处置:本品及内装物、容器依据国家和地方法规处置物理和化学危险:可燃,其粉体与空气混合,能形成爆炸性混合物健康危害:本品毒性比酚大。成人误服1g,即可出现头痛、头晕、耳鸣、面色苍白、紫绢、恶心、呕吐、腹捕、窒息感、呼吸困难、心动过速、震颤、肌肉抽搐、惊厥、澹妄和虚脱。严重者可出现呕血,血尿和溶血性黄痘。尿呈青色或棕绿色。皮肤可因原发性刺激和变态反应而致皮炎,可引起皮肤色素脱失。眼部接触本品粉尘或蒸气,可有结膜和角膜炎环境危害:对水生生物毒性非常大并具有长期持续影响成分、组成信息物质:混合物:/危险化学品序号:58组分:对苯二酚浓度:/CASNo.:123-31-9急救一措施一吸入:迅速脱离现场至空气新鲜处。保持呼吸道通畅。如呼吸困难,给输氧。如呼吸、心跳停止,立即进行心肺复苏术。就医皮肤接触:立即脱去污染的衣物,用大量流动清水彻底冲洗污染创面,同时使用浸过聚乙烯二醇(PEG400或PEG300)的棉球或浸过30%50%酒精棉球擦洗创面至无酚味为止(注意不能将患处浸泡于清洗液中)。可继续用4%5%碳酸氢钠溶液湿敷创面。就医眼睛接触:立即分开眼睑,用大量流动清水或生理盐水彻底冲洗1015mi11o就医食入:漱口,给服植物油1530ml,催吐。对食入时间长者禁用植物油,可口服牛奶或蛋清。就医对保护施救者的忠告:根据需要使用个人防护设备对医生的特别提示:对症处理消防措施灭火剂:用雾状水、抗溶性泡沫、干粉、二氧化碳、砂土灭火特别危险性:与强氧化剂接触可发生化学反应。受高热分解放出有毒的气体。燃烧生成有害的一氧化碳灭火注意事项及防护措施:消防人员必须佩戴空气呼吸器、穿全身防火防毒服,在上风向灭火。尽可能将容器从火场移至空旷处。喷水保持火场容器冷却,直至灭火结束泄漏应急处理作业人员防护措施、防护装备和应急处置程序:隔离泄漏污染区,限制出入。消防所有点火源。建议应急处理人员戴防尘口罩。穿防毒服,戴橡胶手套。穿上适当的防护服前严禁接触破裂的容器和泄露物。尽可能切断泄漏源。用塑料布覆盖泄漏物,减少飞散。勿使水进入包装容器内。环境保护措施:无资料泄漏化学品的收容、清除方法及所使用的处置材料:用洁净的铲子收集泄露物,置于干净、干燥、盖子较松的容器中,将容器移离泄漏区操作处置与储存操作注意事项:密闭操作,提供充分的局部排风。尽可能采取隔离操作。操作人员必须经过专门培训,严格遵守操作规程。建议操作人员佩戴自吸过滤式防尘口罩,戴化学安全防护眼镜,穿防毒物渗透工作服,戴橡胶手套。远离火种、热源。工作场所严禁吸烟。使用防爆型的通风系统和设备。避免产生粉尘。避免与氧化剂、酸类、碱类接触。搬运时要轻装轻卸,防止包装及容器损坏。配备相应品种和数量的消防器材及泄漏应急处理设备。倒空的容器可能残留有害物储存注意事项:储存于阴凉、通风的库房。远离火种、热源。包装要求密封,不可与空气接触。应与氧化剂、酸类、碱类、食用化学品分开存放,切忌混储。配备相应品种和数量的消防器材。储区应备有合适的材料收容泄露物接触控制、个体防护职业接触限值:中国PC-TWA:lmgm3;PC-STEL:2mgm3美国(ACGlH)TVL-TWA:2mg/m3敏生物接触限值:未制定标准监测方法:空气中有毒物质测定方法:高效液相色谱法生物监测检验方法:未制定标准工程控制:严加密闭,提供充分的局部排风。尽可能采取隔离操作。提供安全的淋浴和洗眼设备个体防护装备:呼吸系统防护空气中粉尘浓度超标时,佩戴过滤式防尘呼吸器。紧急事态抢救或撤离时,应该佩戴空气呼吸器眼睛防护戴化学安全防护眼镜皮肤和身体防护穿防毒物渗透工作服手防护戴橡胶手套理化特性外观与性状:白色结晶PH值:无意义熔点():170.5沸点():285相对密度(水=1):1.33相对密度(空气-1):3.81饱和蒸气压(kPa):0.13(132.4C)燃烧热(kjmol):-2849.8临界温度():549.9临界压力(MPa):7.45辛醇/水分配系数:0.59闪点():165(CC)自燃温度():516分解温度(eC):无资料爆炸下限(%):1.6爆炸上限():15.3黏度(mPas):无资料溶解性:溶于水,易溶于乙醇、乙醛稳定性和反应性稳定性:稳定危险反应:与强氧化剂等禁配物发生反应避免接触的条件:光照、接触空气禁配物:酰基氯、酸酊、碱、强氧化剂、强酸危险的分解产物:无资料毒理学信息急性毒性:LD50:320mg/kg(大鼠经口)皮肤刺激或腐蚀:人经皮:2%,轻度刺激;5%,重度刺激眼睛刺激或腐蚀:无资料呼吸或皮肤过敏:无资料致癌性:IARC致癌性评论:组3,现有的证据不能对人类致癌性进行分类。对人及动物致癌性证据不足生殖细胞突变性:微生物致突变性:鼠伤寒沙门式菌2umol皿。微核试验:人淋巴细胞75m。"L。性染色体缺失和不分离:人淋巴细胞6mgkgoDNA损伤:人骨髓50OnK)I/L生殖毒性:兔孕后614d经口给予最低中毒剂量(TDLo)1950mgkg,致颅面部(包括鼻、舌)、肌肉骨骼系统发育畸形。大鼠经最低中毒剂量(TD-Lo):2500mgkg(孕l22d),致植入后的死亡率升高。大鼠皮下最低中毒剂量(TDLo):5mgkg(51d,雄性),影响睾丸、附睾、输精管、前列腺、精囊等,对雄性生育指数有影响吸入危害:无资料特异性靶器官系统毒性-一次接触:无资料特异性靶器官系统毒性-反笈接触:动物亚急性中毒表现为溶血性黄疸、贫血、白细胞增多,红细胞脆性增加、低血糖、皮毛无光泽和明显的恶病质生态学信息生态毒性:LcSo:0.1-0.18mgL(黑头呆鱼)EC50:0.061mgL(48h)(水蚤)ErC50:0.053mgL(72h)(羊角月牙藻)NOEC:0.0029mgI.(21d)(水蚤)持久性和降解性:生物降解性:易快速生物降解非生物降解性:空气中,当羟基自由基浓度为5.OOXIO,个c111,时,降解半衰期为16.8h(理论)潜在的生物累积性:根据E值预测,该物质的生物累积性可能较弱土壤中的迁移性:根据优值预测,该物质可能易发生迁移废弃处置废弃化学品:建议用焚烧法处置污染包装物:将容器返还生产商或按照国家和地方法规处置废弃注意事项:处置前应参阅国家和地方有关法规。把倒空的容器归还厂商或在规定场所掩埋运输信息联合国危险货物编号(UN号):3077联合国运输名称:对环境有害的固态物质,未另作规定的(1,4-苯二酚)联合国危险性类别:9包装类别:In类包装包装标志:9/海洋污染物:是运输注意事项:运输前应先检查包装容器是否完整、密封,运输过程中要确保容器不泄漏、不倒塌、不坠落、不损坏。严禁与酸类、氧化剂、食品及食品添加剂混运。运输车辆应配备相应品种和数量的消防器材及泄漏应急处理设备。运输途中应防曝晒、雨淋,防高温法规信息下列法律、法规、规章和标准,对该化学品的管理作了相应的规定。中华人民共和国职业病防治法职业病分类和目录:未列入危险化学品安全管理条例危险化学品目录:列入。易制爆危险化学品目录:未列入。重点监管的危险化学品名录:未列入。GB18218-2018危险化学品重大危险源辨识(表1):未列入。使用有毒物品作业场所劳动保护条例高毒物品目录:未列入易制毒化学品管理条例易制毒化学品的分类和品种目录:未列入国际公约斯德哥尔摩公约:未列入。鹿特丹公约:未列入。蒙特利尔议定书:未列入

    注意事项

    本文(对苯二酚的安全技术说明书.docx)为本站会员(p**)主动上传,第壹文秘仅提供信息存储空间,仅对用户上传内容的表现方式做保护处理,对上载内容本身不做任何修改或编辑。 若此文所含内容侵犯了您的版权或隐私,请立即通知第壹文秘(点击联系客服),我们立即给予删除!

    温馨提示:如果因为网速或其他原因下载失败请重新下载,重复下载不扣分。




    关于我们 - 网站声明 - 网站地图 - 资源地图 - 友情链接 - 网站客服 - 联系我们

    copyright@ 2008-2023 1wenmi网站版权所有

    经营许可证编号:宁ICP备2022001189号-1

    本站为文档C2C交易模式,即用户上传的文档直接被用户下载,本站只是中间服务平台,本站所有文档下载所得的收益归上传人(含作者)所有。第壹文秘仅提供信息存储空间,仅对用户上传内容的表现方式做保护处理,对上载内容本身不做任何修改或编辑。若文档所含内容侵犯了您的版权或隐私,请立即通知第壹文秘网,我们立即给予删除!

    收起
    展开