欢迎来到第壹文秘! | 帮助中心 分享价值,成长自我!
第壹文秘
全部分类
  • 幼儿/小学教育>
  • 中学教育>
  • 高等教育>
  • 研究生考试>
  • 外语学习>
  • 资格/认证考试>
  • 论文>
  • IT计算机>
  • 法律/法学>
  • 建筑/环境>
  • 通信/电子>
  • 医学/心理学>
  • ImageVerifierCode 换一换
    首页 第壹文秘 > 资源分类 > DOCX文档下载
    分享到微信 分享到微博 分享到QQ空间

    专业应急救援队伍能力建设之个人防护类装备物资配备相关示例.docx

    • 资源ID:604279       资源大小:15.75KB       
    • 资源格式: DOCX        下载积分:5金币
    快捷下载 游客一键下载
    账号登录下载
    三方登录下载: 微信开放平台登录 QQ登录
    下载资源需要5金币
    邮箱/手机:
    温馨提示:
    快捷下载时,如果您不填写信息,系统将为您自动创建临时账号,适用于临时下载。
    如果您填写信息,用户名和密码都是您填写的【邮箱或者手机号】(系统自动生成),方便查询和重复下载。
    如填写123,账号就是123,密码也是123。
    支付方式: 支付宝    微信支付   
    验证码:   换一换

    加入VIP,免费下载
     
    账号:
    密码:
    验证码:   换一换
      忘记密码?
        
    友情提示
    2、PDF文件下载后,可能会被浏览器默认打开,此种情况可以点击浏览器菜单,保存网页到桌面,就可以正常下载了。
    3、本站不支持迅雷下载,请使用电脑自带的IE浏览器,或者360浏览器、谷歌浏览器下载即可。
    4、本站资源下载后的文档和图纸-无水印,预览文档经过压缩,下载后原文更清晰。
    5、试题试卷类文档,如果标题没有明确说明有答案则都视为没有答案,请知晓。

    专业应急救援队伍能力建设之个人防护类装备物资配备相关示例.docx

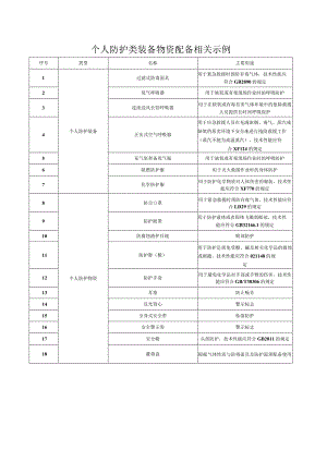
    个人防护类装备物资配备相关示例序号类型名称主要用途1个人防护装备过滤式防毒面具用于紧急救援时预防有毒气体,技术性能应符合GB2890的规定2氧气呼吸器用于缺氧或有毒现场作业时的呼吸防护3连续送风长管呼吸器用于在缺氧或有毒有害气体环境中的抢险救援人员提供长时间呼吸保护4正压式空气呼吸器用于应急救援人员在充满浓烟、毒气、蒸汽或缺氧的恶劣环境下安全地进行抢险救援工作(蒸汽不能为高温蒸汽),技术性能应符合XF124的规定5充气泵和备用气瓶用于缺氧或有毒现场作业时的呼吸防护6阻燃防护服用于灭火救援作业时的身体防护7化学防护服用于防护化学物质对人体伤害的服装,技术性能应符合XF770的规定8个人防护物资防尘口罩用于紧急救援时预防有毒气体,技术性能应符合LD29的规定9防护眼罩用于防护液体或者固体飞溅到眼部,技术性能应符合GB32166.1的规定10防腐蚀液护目镜眼部防护11防护鞋(靴)用于防护足部免受酸、碱及相关化学品的腐蚀或刺激,技术性能应符合021148的规定12防护手套用于避免化学品对手部或手臂的伤害,技术性能应符合GB/T38306的规定13耳塞防止噪音14反光背心警示标志15全身式安全带坠落防护16安全警示带警示标志17安全帽头部防护,技术性能应符合GB2811的规定18灌毒盒根据气体性质与防毒面具及防护面罩配备使用

    注意事项

    本文(专业应急救援队伍能力建设之个人防护类装备物资配备相关示例.docx)为本站会员(p**)主动上传,第壹文秘仅提供信息存储空间,仅对用户上传内容的表现方式做保护处理,对上载内容本身不做任何修改或编辑。 若此文所含内容侵犯了您的版权或隐私,请立即通知第壹文秘(点击联系客服),我们立即给予删除!

    温馨提示:如果因为网速或其他原因下载失败请重新下载,重复下载不扣分。




    关于我们 - 网站声明 - 网站地图 - 资源地图 - 友情链接 - 网站客服 - 联系我们

    copyright@ 2008-2023 1wenmi网站版权所有

    经营许可证编号:宁ICP备2022001189号-1

    本站为文档C2C交易模式,即用户上传的文档直接被用户下载,本站只是中间服务平台,本站所有文档下载所得的收益归上传人(含作者)所有。第壹文秘仅提供信息存储空间,仅对用户上传内容的表现方式做保护处理,对上载内容本身不做任何修改或编辑。若文档所含内容侵犯了您的版权或隐私,请立即通知第壹文秘网,我们立即给予删除!

    收起
    展开