欢迎来到第壹文秘! | 帮助中心 分享价值,成长自我!
第壹文秘
全部分类
  • 幼儿/小学教育>
  • 中学教育>
  • 高等教育>
  • 研究生考试>
  • 外语学习>
  • 资格/认证考试>
  • 论文>
  • IT计算机>
  • 法律/法学>
  • 建筑/环境>
  • 通信/电子>
  • 医学/心理学>
  • ImageVerifierCode 换一换
    首页 第壹文秘 > 资源分类 > DOCX文档下载
    分享到微信 分享到微博 分享到QQ空间

    特种作业人员实际操作训练设备设施配备标准(金属非金属矿山支柱作业).docx

    • 资源ID:596029       资源大小:21.74KB        全文页数:4页
    • 资源格式: DOCX        下载积分:5金币
    快捷下载 游客一键下载
    账号登录下载
    三方登录下载: 微信开放平台登录 QQ登录
    下载资源需要5金币
    邮箱/手机:
    温馨提示:
    快捷下载时,如果您不填写信息,系统将为您自动创建临时账号,适用于临时下载。
    如果您填写信息,用户名和密码都是您填写的【邮箱或者手机号】(系统自动生成),方便查询和重复下载。
    如填写123,账号就是123,密码也是123。
    支付方式: 支付宝    微信支付   
    验证码:   换一换

    加入VIP,免费下载
     
    账号:
    密码:
    验证码:   换一换
      忘记密码?
        
    友情提示
    2、PDF文件下载后,可能会被浏览器默认打开,此种情况可以点击浏览器菜单,保存网页到桌面,就可以正常下载了。
    3、本站不支持迅雷下载,请使用电脑自带的IE浏览器,或者360浏览器、谷歌浏览器下载即可。
    4、本站资源下载后的文档和图纸-无水印,预览文档经过压缩,下载后原文更清晰。
    5、试题试卷类文档,如果标题没有明确说明有答案则都视为没有答案,请知晓。

    特种作业人员实际操作训练设备设施配备标准(金属非金属矿山支柱作业).docx

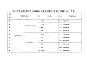
    特种作业人员实际操作训练设备设施配备标准准(金属非金属矿山支柱作业)培训类别设备类别/用途序号设备/器材数量参考型号/规格金1安全帽次个符合相关标准属个人劳动防护用品的穿戴2工作服次套符合相关标准非3套鞋»双符合相关标准金4口罩次个符合相关标准属一、安全用具使用5手电筒次个符合相关标准矿6OT次个符合相关标准山安全用具的使用7铁锤次把符合相关标准支8撬棍次个符合相关标准柱9风镐26把符合相关标准作10千斤顶“个符合相关标准业二、安全操作技术棚架支护作业11模拟巷道岁.个1:1比例模拟,高2.5m,宽2.5m,20米;能够反映裂隙、构造、冒顶、透水等危岩体12工字钢次根120×120mm或150×150mm13钢垫板若干25025Omm或30030Omm,厚5IOmm浇灌混凝土硝支护14模拟巷道L个1:1比例模拟,高2.5m,宽2.5m,卫0米;能够反映作业程序、要点等15混凝土若干符合相关标准16钢筋若干符合相关标准锚杆(砂浆锚杆、摩擦锚杆)支护作业17模拟巷道界个1:1比例模拟,高2.5m,宽2.5m,次O米;18砂浆锚杆和摩擦式锚杆及配套垫若干模杆径2022mm,长1.8m板19锚杆机或凿岩机“台锚杆机(M-28)、凿岩机(YT-28和YT-45)20锚杆拉力计二个符合相关标准喷浆支护作业21模拟巷道L个1:1比例模拟,高2.5m,宽2.5m,次0米;22喷浆机、喷射管道和喷头各项个符合相关标准23矿车22个1mj三、安全隐患排除裂隙、断层的认知24模拟巷道Nl个1:1比例模拟,高2.5m,宽2.5m,“0米;撬毛作业25模拟巷道“个1:1比例模拟,高2.5m,宽2.5m,20米;四、现场应急处置冒顶应急处置26模拟巷道界个1:1比例模拟,高2.5m,宽2.5m,次0米;27矿车“个1s28风管若干透水应急处置29模拟巷道L个1:1比例模拟,高2.5m,宽2.5m,“0米;30风管若干符合国家安全相关标准备注:L设备型号统一按原设备要求标准比照列举,实施中可参照执行。2、不同操作项目所需的相同设施设备,本表中不重复列举。通用工具材料仅列举一处。

    注意事项

    本文(特种作业人员实际操作训练设备设施配备标准(金属非金属矿山支柱作业).docx)为本站会员(p**)主动上传,第壹文秘仅提供信息存储空间,仅对用户上传内容的表现方式做保护处理,对上载内容本身不做任何修改或编辑。 若此文所含内容侵犯了您的版权或隐私,请立即通知第壹文秘(点击联系客服),我们立即给予删除!

    温馨提示:如果因为网速或其他原因下载失败请重新下载,重复下载不扣分。




    关于我们 - 网站声明 - 网站地图 - 资源地图 - 友情链接 - 网站客服 - 联系我们

    copyright@ 2008-2023 1wenmi网站版权所有

    经营许可证编号:宁ICP备2022001189号-1

    本站为文档C2C交易模式,即用户上传的文档直接被用户下载,本站只是中间服务平台,本站所有文档下载所得的收益归上传人(含作者)所有。第壹文秘仅提供信息存储空间,仅对用户上传内容的表现方式做保护处理,对上载内容本身不做任何修改或编辑。若文档所含内容侵犯了您的版权或隐私,请立即通知第壹文秘网,我们立即给予删除!

    收起
    展开