欢迎来到第壹文秘! | 帮助中心 分享价值,成长自我!
第壹文秘
全部分类
  • 幼儿/小学教育>
  • 中学教育>
  • 高等教育>
  • 研究生考试>
  • 外语学习>
  • 资格/认证考试>
  • 论文>
  • IT计算机>
  • 法律/法学>
  • 建筑/环境>
  • 通信/电子>
  • 医学/心理学>
  • ImageVerifierCode 换一换
    首页 第壹文秘 > 资源分类 > DOCX文档下载
    分享到微信 分享到微博 分享到QQ空间

    燃气监管信息系统 分类代码表、数据编码规则、数据标准.docx

    • 资源ID:583366       资源大小:52.65KB        全文页数:10页
    • 资源格式: DOCX        下载积分:5金币
    快捷下载 游客一键下载
    账号登录下载
    三方登录下载: 微信开放平台登录 QQ登录
    下载资源需要5金币
    邮箱/手机:
    温馨提示:
    快捷下载时,如果您不填写信息,系统将为您自动创建临时账号,适用于临时下载。
    如果您填写信息,用户名和密码都是您填写的【邮箱或者手机号】(系统自动生成),方便查询和重复下载。
    如填写123,账号就是123,密码也是123。
    支付方式: 支付宝    微信支付   
    验证码:   换一换

    加入VIP,免费下载
     
    账号:
    密码:
    验证码:   换一换
      忘记密码?
        
    友情提示
    2、PDF文件下载后,可能会被浏览器默认打开,此种情况可以点击浏览器菜单,保存网页到桌面,就可以正常下载了。
    3、本站不支持迅雷下载,请使用电脑自带的IE浏览器,或者360浏览器、谷歌浏览器下载即可。
    4、本站资源下载后的文档和图纸-无水印,预览文档经过压缩,下载后原文更清晰。
    5、试题试卷类文档,如果标题没有明确说明有答案则都视为没有答案,请知晓。

    燃气监管信息系统 分类代码表、数据编码规则、数据标准.docx

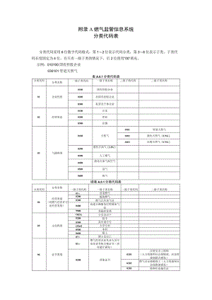
    附录A燃气监管信息系统分类代码表分类代码采用6位数字代码格式,第12位表示代码分类,第36位表示子类。子类代码长度固定为4位,在只有一级子类的情况下,后2位使用“00”填充。示例:010100国有控股企业030101管道天然气表A.0.1分类代码表分类代码分类名称一级子类代码一级子类名称二级子类代码二级子类名称01企业性质0100国有控股企业0200非国有控股企业0300私营及个体企业02经营状态0100正常0200停业0300注销03气源种类0100天然气0101管道天然气0102液化天然气(LNG)0103压缩天然气(CNG)0200液化石油气(LPG)0300人工煤气0400液化石油气混空气0500沼气0600氧气续表A.0.1分类代码表分类代码分类名称一级子类代码一级子类名称二级子类代码二级子类名称04经营类别(同燃气经营许可证经营类别)01管道燃气0200瓶装燃气0300燃气汽车加气站0400高速公路服务区附属加气站9900其他经营类05文化程度Ol(X)小学及以下0200初中0300高中或中专(MoO大学专科0500本科0600硕士07博士及以上06证书类别01燃气经营企业从业人员专业培训考核合格证书(省住建厅颁发)0200其他证书0201注册安全工程师(人力资源和社会保障部、应急管理部联合颁发)0202燃气具安装维修工(人力资源和社会保障部颁发)0203特种作业操作证(安全监管总局颁发)0204特种设备作业人历(市场监督管理总局颁发)0205安全生产知识和管理功能考核合格证(省应急管理厅颁发07人员类别0100企业主要负贡人0200安全生产管理人员0300运行、维护和抢修人员0301燃气输配场站运行工0302液化石油气库站运行工续表A.0.1分类代码表分类代码分类名称级子类代码级子类名称二级子类代码二级子类名称0303压缩天然气场站运行工0304液化天然气储运工0305汽车加气站操作工0306燃气管网运行工0307燃气用户安装检修工0308瓶装燃气送气工08证件类型Ol(X)居民身份证()200港澳台居民居住证()300外国人永久居留身份证9900其他09燃气表计类型OI(X)普通膜式燃气表02IC卡智能燃气表(含非物联智能燃气表)0300物联网智能燃气表10开通状态Ol(X)未开通0200正常0300用户申请停用0400安全原因停用Il用气场景Ol(X)灶具0200热水器0300采暧0400制冷()50()工业生产12技防措施O100居民用户OIOl燃气浓度检测报警装苴(含可燃气体报警器等)0102报警联动切断装置0103自闭阀0104燃气专用金属软管(含不锈钢波纹管、笆装管等)0200单位用户0201燃气浓度检测报警装置续表A.0.1分类代码表分类代码分类名称级子类代码级子类名称二级子类代码二级子类名称0202,氧化碳浓度检测报警装置0203报警联动切断装置0204自闭阀0205通排风设备0206排烟设施0207火灾自动报警系统0208自动灭火系统0209超压报警和安全放散装置.0210防窗和防静电措施0300钢瓶0301钢瓶电子标签0302自闭阀0303智能向阀0400场站0401燃气浓度检测报警装置0402超限报警及连锁装身0403消防系统0404防雷及防静电接地装置0405激光云台0406视频安防系统0407防第:方入侵系统0408监控和数据采集系统(SCADA)0500管道附属设施0501阴极保护装置0502泄漏监测报警装置0503压力、温度监测装置0504流量监测装贵0505管网仿真系统13单位用户类型O100监管侧OlOl餐饮单位.0102社会机构(组织)0103机关企事业雎位02企业侧0201工业0202商业0203公福14压力等级O100超高压0200高压0300次高压0400中压续表A.0.1分类代码表分类代码分类名称一级子类代码一级子类名称二级子类代码二级子类名称0500低压15管材01钢管0200铸铁管0300非金属管道9900其他16敷设方式O100埋地(含直埋、管埋等)()200架空17管线分段节点类型OI(X)三通()200拐点0300末端18场站类型O100燃气储配站0200门站0300气化站04混气站0500加气站0600潴装站07供应站08调压站9900其他19管道附城设施类型Ol(X)阀门井0200调压装置20应急车辆类型Ol(X)指挥车0200抢险救援车0300后勤保障车0400应急发电车9900其他21应急物资类型OI(X)灭火装备0200侦检设备03(X)通讯器材0400警戒器材()5(X)救生.器材0600基本防护装备99其他附录B燃气监管信息系统数据编码规则一、行政区划代码使用国家统计局编制的统计用区划代码,总长度为12位。本平台中分为两个使用场景:(一)代表市、县级数据,使用县级行政区划代码,长度为6位。(二)代表乡镇、村级数据,使用村级行政区划代码,长度为12位。二、分类码使用分类码区分不同的数据主体,所有数据主体编码的前2位为分类码。表B.0.1数据主体编码表数据主体分类码燃气企业11管线12管线分段13管线分段节点14管道附属设施15场站16液化石油气钢瓶17应急预案21抢修队伍22应急物资库23应急物资24续表B.0.1数据主体编码表数据主体分类码居民小区(居住区)51管道燃气居民用户52瓶装燃气居民用户53单位燃气用户54从业人m61三、数据主体编码(一)燃气企业编码长度11位。分类码Il6位县级行政区划编码3位县城顺序码示例:11130101-OOl(本文档中使用横杠“-”分割编码段便于浏览,实际使用时无横杠。下同。(二)管线编码长度14位。分类码129位去除分类码的企业编码3位顺序码示例:12T3O1O1-OO1-OO1(三)管线分段编码长度17位。分类码1312位去除分类码的管线编码3位顺序码示例:13/30101-001-001-001(四)管线分段节点编码长度20位。分类码1412位去除分类码的管线编码6位顺序码示例:14-130101-001-001-000001(五)管道附属设施编码长度16位。分类码159位去除分类码的企业编码5位顺序码示例:15-130101-001-00001(六)场站编码长度14位。分类码169位去除分类码的企业编码3位顺序码示例:16-130101-001-001(七)液化石油气钢瓶编码长度17位。分类码179位去除分类码的企业编码6位顺序码示例:17-130101-001-000001(八)应急预案燃气企业应急预案编码长度11位。分类码219位去除分类码的企业编码示例:21-130101-001监管部门应急预案编码长度8位。分类码216位县级行政区划编码示例:21-130101(九)抢修队伍编码长度13位。分类码229位去除分类码的企业编码2位顺序码示例:22-130101-001-01(十)应急物资库编码长度13位。分类码239位去除分类码的企业编码2位顺序码示例:23-130101-001-01(十一)应急物资编码长度14位。分类码249位去除分类码的企业编码3位顺序码示例:24-130101-l-l(十二)居民小区(居住区)编码长度13位。分类码516位县级行政区划编码5位顺序码示例:51-130101-00001(十三)燃气用户管道燃气居民用户编码长度15位。分类码526位县级行政区划编码7位顺序码示例:52-130101-0000001瓶装燃气居民用户编码长度15位。分类码536位县级行政区划编码7位顺序码示例:53-130101-0000001单位用户编码长度14位。分类码546位县级行政区划编码6位顺序码示例:54-130101-(X)0001(十四)从业人员编码长度14位。行政区划代码使用人员首次录入平台时所属企业所在县级行政区划代码。分类码616位县级行政区划编码6位顺序码示例:61-130101-000001附录C燃气监管信息系统数据标准河北省城乡燃气监管信息平台数据标准应满足以下数据目录及数据流向要求。续表C(M河北省城乡燃气监管信息平台数据标准目录和数据流向部分分类子类数据来源和流向企业信息营业执照省级平台从政务办对接获取,通过接口下发至市级平台燃气经营许可证附加信息市级平台采集,通过库表对接上传至省级平台违法违规信息省级平台从河北省住房城乡建设行业信用信息管理系统对接获取,通过接口下发至市级平台表彰奖励信息信用评级结果市级平台采集,通过接口对接上传至省级平台从业人员信息人员基本信息数据随

    注意事项

    本文(燃气监管信息系统 分类代码表、数据编码规则、数据标准.docx)为本站会员(p**)主动上传,第壹文秘仅提供信息存储空间,仅对用户上传内容的表现方式做保护处理,对上载内容本身不做任何修改或编辑。 若此文所含内容侵犯了您的版权或隐私,请立即通知第壹文秘(点击联系客服),我们立即给予删除!

    温馨提示:如果因为网速或其他原因下载失败请重新下载,重复下载不扣分。




    关于我们 - 网站声明 - 网站地图 - 资源地图 - 友情链接 - 网站客服 - 联系我们

    copyright@ 2008-2023 1wenmi网站版权所有

    经营许可证编号:宁ICP备2022001189号-1

    本站为文档C2C交易模式,即用户上传的文档直接被用户下载,本站只是中间服务平台,本站所有文档下载所得的收益归上传人(含作者)所有。第壹文秘仅提供信息存储空间,仅对用户上传内容的表现方式做保护处理,对上载内容本身不做任何修改或编辑。若文档所含内容侵犯了您的版权或隐私,请立即通知第壹文秘网,我们立即给予删除!

    收起
    展开