欢迎来到第壹文秘! | 帮助中心 分享价值,成长自我!
第壹文秘
全部分类
  • 幼儿/小学教育>
  • 中学教育>
  • 高等教育>
  • 研究生考试>
  • 外语学习>
  • 资格/认证考试>
  • 论文>
  • IT计算机>
  • 法律/法学>
  • 建筑/环境>
  • 通信/电子>
  • 医学/心理学>
  • ImageVerifierCode 换一换
    首页 第壹文秘 > 资源分类 > DOCX文档下载
    分享到微信 分享到微博 分享到QQ空间

    常用石膏自流平砂浆楼板的热工与隔声性能设计参数表、典型保温隔声楼面的构造做法.docx

    • 资源ID:58108       资源大小:20.52KB        全文页数:3页
    • 资源格式: DOCX        下载积分:5金币
    快捷下载 游客一键下载
    账号登录下载
    三方登录下载: 微信开放平台登录 QQ登录
    下载资源需要5金币
    邮箱/手机:
    温馨提示:
    快捷下载时,如果您不填写信息,系统将为您自动创建临时账号,适用于临时下载。
    如果您填写信息,用户名和密码都是您填写的【邮箱或者手机号】(系统自动生成),方便查询和重复下载。
    如填写123,账号就是123,密码也是123。
    支付方式: 支付宝    微信支付   
    验证码:   换一换

    加入VIP,免费下载
     
    账号:
    密码:
    验证码:   换一换
      忘记密码?
        
    友情提示
    2、PDF文件下载后,可能会被浏览器默认打开,此种情况可以点击浏览器菜单,保存网页到桌面,就可以正常下载了。
    3、本站不支持迅雷下载,请使用电脑自带的IE浏览器,或者360浏览器、谷歌浏览器下载即可。
    4、本站资源下载后的文档和图纸-无水印,预览文档经过压缩,下载后原文更清晰。
    5、试题试卷类文档,如果标题没有明确说明有答案则都视为没有答案,请知晓。

    常用石膏自流平砂浆楼板的热工与隔声性能设计参数表、典型保温隔声楼面的构造做法.docx

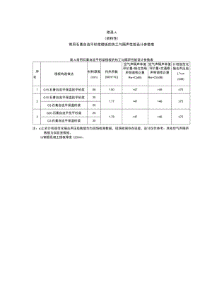
    附录A(资料性)常用石膏自流平砂浆楼板的热工与隔声性能设计参数表表A常用石膏自流平砂浆楼板的热工与隔声性能设计参数表序号楼板构造做法材料厚度(mm)传热系数W(m2K)空气声隔声单值评价量+粉红色噪声频谱修正量Rw+C(dB)空气声隔声单值评价量+交通噪声频谱修正量Rw+Ctr(dB)计权规范化撞击声压级L*n.w(ClB)1G15石膏自流平保温找平砂浆681.80>47>46752G15石膏自流平保温找平砂浆301.77>47>4675G3石膏自流平保温砂浆253G20石膏自流平找平砂浆251.78>47>4675G3石膏自流平保温砂浆35注:a)上衣计权规范化撞击声压级数值均为现场检测数据,现场检测存在误差,设计仅作参考:其他空气声隔声数据为实验室数据。b)钢筋混凝土楼板厚度120mm。附录B(资料性)典型保温隔声楼面的构造做法8.1 装修楼面保温隔声构造做法见表B.1。表B.1装修楼面保温隔声构造做法表序号名称构造用料做法性能指标1G15楼面 10厚硬木地板 3厚可发性聚苯乙烯防潮垫(EPE珍珠棉) 30厚G15石膏自流平保温找平砂浆 界面剂 120厚钢筋混凝土楼板楼板总厚度:163mm,降板高度:43mm楼面传热系数WL80W(KK)计权规范化撞击声压级Ln.w<75dB2G15楼面(设减振垫板) 8厚硬木地板 5厚减振垫板 30厚G15石膏自流平保温找平砂浆 界面剂 120厚钢筋混凝土楼板楼板总厚度:163mm,降板高度:43mm楼面传热系数W1.80W(MK)计权规范化撞击声压级Uw<65dB3G3+G20楼面 10厚陶瓷地砖 5厚墙地砖粘结剂 30厚G20石膏自流平砂浆 30厚G3石膏自流平保温砂浆 界面剂 120厚钢筋混凝土楼板楼板总厚度:195mm,降板高度:75mm楼面传热系数Wl80W(HK)计权规范化撞击声压级Ln.w<75dB4G3+G20楼面(设减振垫板) 10厚陶瓷地砖 5厚墙地砖粘结剂 25厚G20石膏自流平砂浆 25厚G3石膏自流平保温砂浆 5厚减振垫板 界面剂 120厚钢筋混凝土楼板楼板总厚度:190mm,降板高度:70mm楼面传热系数W1.80W(HK)计权规范化撞击声压级Lmw<65dB注:减振垫板为电子交联发泡聚乙烯板或发泡橡胶板.密度为656kgm3,导热系数为0.149WmK08.2 非装修楼面保温隔声构造做法见表B.2o表B-2非装修楼面保温隔声构造做法表序号名称构造用料做法性能指标1G15楼面68厚G15石膏自流平保温找平砂浆界面剂120厚钢筋混凝土楼板楼板总厚度:188mm,降板高度:68mm楼面传热系数1.80W(H-K)计权规范化撞击声压级Ln.w<75dB2G3+G15楼面 25厚G15石膏自流平保温找平砂浆 30厚G3石膏自流平保温砂浆界面剂 120厚钢筋混凝土楼板楼板总厚度:175mm,降板高度:55mm楼板传热系数Wl80W/(RK)计权规范化撞击声压级Ln.w<75dB3G3+G20楼面 35厚G20石膏自流平砂浆 30厚G3石膏自流平保温砂浆 界面剂 120厚钢筋混凝土楼板楼板总厚度:185mm,降板高度:65mm楼板传热系数WL80W(BK)计权规范化撞击声压级LmW<75dB

    注意事项

    本文(常用石膏自流平砂浆楼板的热工与隔声性能设计参数表、典型保温隔声楼面的构造做法.docx)为本站会员(p**)主动上传,第壹文秘仅提供信息存储空间,仅对用户上传内容的表现方式做保护处理,对上载内容本身不做任何修改或编辑。 若此文所含内容侵犯了您的版权或隐私,请立即通知第壹文秘(点击联系客服),我们立即给予删除!

    温馨提示:如果因为网速或其他原因下载失败请重新下载,重复下载不扣分。




    关于我们 - 网站声明 - 网站地图 - 资源地图 - 友情链接 - 网站客服 - 联系我们

    copyright@ 2008-2023 1wenmi网站版权所有

    经营许可证编号:宁ICP备2022001189号-1

    本站为文档C2C交易模式,即用户上传的文档直接被用户下载,本站只是中间服务平台,本站所有文档下载所得的收益归上传人(含作者)所有。第壹文秘仅提供信息存储空间,仅对用户上传内容的表现方式做保护处理,对上载内容本身不做任何修改或编辑。若文档所含内容侵犯了您的版权或隐私,请立即通知第壹文秘网,我们立即给予删除!

    收起
    展开