欢迎来到第壹文秘! | 帮助中心 分享价值,成长自我!
第壹文秘
全部分类
  • 幼儿/小学教育>
  • 中学教育>
  • 高等教育>
  • 研究生考试>
  • 外语学习>
  • 资格/认证考试>
  • 论文>
  • IT计算机>
  • 法律/法学>
  • 建筑/环境>
  • 通信/电子>
  • 医学/心理学>
  • ImageVerifierCode 换一换
    首页 第壹文秘 > 资源分类 > DOCX文档下载
    分享到微信 分享到微博 分享到QQ空间

    疏水阀采购技术要求.docx

    • 资源ID:567621       资源大小:18.74KB        全文页数:4页
    • 资源格式: DOCX        下载积分:5金币
    快捷下载 游客一键下载
    账号登录下载
    三方登录下载: 微信开放平台登录 QQ登录
    下载资源需要5金币
    邮箱/手机:
    温馨提示:
    快捷下载时,如果您不填写信息,系统将为您自动创建临时账号,适用于临时下载。
    如果您填写信息,用户名和密码都是您填写的【邮箱或者手机号】(系统自动生成),方便查询和重复下载。
    如填写123,账号就是123,密码也是123。
    支付方式: 支付宝    微信支付   
    验证码:   换一换

    加入VIP,免费下载
     
    账号:
    密码:
    验证码:   换一换
      忘记密码?
        
    友情提示
    2、PDF文件下载后,可能会被浏览器默认打开,此种情况可以点击浏览器菜单,保存网页到桌面,就可以正常下载了。
    3、本站不支持迅雷下载,请使用电脑自带的IE浏览器,或者360浏览器、谷歌浏览器下载即可。
    4、本站资源下载后的文档和图纸-无水印,预览文档经过压缩,下载后原文更清晰。
    5、试题试卷类文档,如果标题没有明确说明有答案则都视为没有答案,请知晓。

    疏水阀采购技术要求.docx

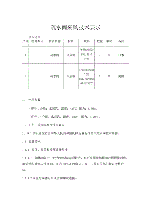
    疏水阀采购技术要求一、供货清单:序号物料编码物资名称材质规格数量单位备注1疏水阀合金钢P65SRNDN25PN6.5T425C4只日本2疏水阀合金钢Armstrong815型PNl.7MPaDN50T2322只美国二、使用参数(序号D介质:水蒸汽,温度:425,压力:6.5Mpao(序号2)介质:水蒸汽,温度:232,压力:1.7MPa。三、工艺、质量标准及技术要求1、阀门的设计应符合中华人民共和国机械行业标准蒸汽疏水阀技术条件。1.1 设计要求1.1.1 阀体、阀盖和端部连接尺寸1.1.1.1 阀体和法兰一般为整体铸造或锻造,也可采用承插焊和对焊焊接而成。承插焊和对焊应符合GB/150和GB/151的规定,焊工应按有关部门规定考核合格。1.1.1.2阀盖与阀体可用法兰和螺纹连接。1.1,1.4铁制疏水阀的法兰按GB/T4216.2-4216.5的规定。1.LL5直通式疏水阀法兰连接的两端法兰密封面的平行度公差按GB/T1184中规定的10级精度。1.1,1.6直通式疏水阀螺纹连接的两端螺纹同轴度公差按GB/T1184中规定的10级精度。1.1.1.7连接法兰的螺栓孔轴线相对于理论正确位置的位置度公差应不大于螺栓与螺栓孔间隙的1/4,两侧法兰相对螺栓孔同轴度公差应不大于螺栓与螺栓孔间隙的1/2。1.1.1.8结构长度按GB/T12250的规定。1. 1.2过滤网1.1. 2.1疏水阀应设有过滤网,不设过滤网的疏水阀应带有单独的过滤器。1.2. 2.2过滤网用板材冲制时其网孔孔径应不大于Imm02.3过滤网流通面积应不小于疏水阀过流面积的1.5倍。1.L2.4过滤网应有足够刚度,其焊缝应牢固可靠。1. 1.3内件1.1. 3.1机械型疏水阀的杠杆、销轴等内件应保证动作灵活可靠,具有足够的强度和耐腐蚀性。1.2. 3.2热静力型疏水阀的驱动零件应有足够的强度,在最高工作压力和温度下动作应灵敏可靠。1.1.3.3热动力型疏水阀的启闭件应具有足够的强度与耐磨性,动作灵敏可靠,不得有卡阻现象。L1.4疏水阀应具有自动排气功能。5.2材料要求5.2.1灰铸铁件按GB/T12226的规定。的规定。5.2.4奥氏体钢铸件按GB/T12230的规定。5.2.5球墨铸铁件按GB/T12227的规定。5.2.6铜合金铸件按GB/T12225的规定。5.3性能要求5.3.1壳体强度按GB/T12251中4.1的规定。5.3.2动作按GB/T12251中4.2的规定。5.3.3最低工作压力不大于设计给定值。5.3.4最高工作压力不小于设计给定值。5.3.5最高背压率:a)机械型不小于80%;b)热动力型不小于50%,其中脉冲式不小于25%:5.3.6排除空气和其它不凝性气体时不能有气堵现象。5.3.7最大过冷度和最小过冷度不大于设计给定值。c)热静力型不小于30%。四、供货及验收方法:1、乙方签订合同后,20天送货到现场。五、质量保证及售后服务1、乙方保证所提供的产品能正常装配及连续安全稳定运行,所提供的测绘备件完全满足原设备使用技术条件。如有加工质量问题,乙方在接到甲方通知后48小时内到达现场,免费负责处理、更换。2、乙方所提供的产品,在两年内如发生因材料选用不当产生的损坏,乙方负责免费更换。3、乙方所提供的产品在两年内如发生因制造质量、工艺问题产生的损坏,经招、投双方共同界定、协商,乙方负责免费更换或维修。4、甲方提供的参考国标,如有最新版本则依据最新标准;乙方所采用的标准与甲方有冲突时,采用最高等级标准。六、乙方交货时应向甲方提供如下技术报告和资料1、产品装箱清单、产品合格证、产品安装使用说明书进口等相关资料。2、生产部件的原材料化学成分报告3、产品相关检测技术报告、图纸资料。七、其他1、本技术规范书解释权在甲方。2、其它未尽事宜双方协商解决。

    注意事项

    本文(疏水阀采购技术要求.docx)为本站会员(p**)主动上传,第壹文秘仅提供信息存储空间,仅对用户上传内容的表现方式做保护处理,对上载内容本身不做任何修改或编辑。 若此文所含内容侵犯了您的版权或隐私,请立即通知第壹文秘(点击联系客服),我们立即给予删除!

    温馨提示:如果因为网速或其他原因下载失败请重新下载,重复下载不扣分。




    关于我们 - 网站声明 - 网站地图 - 资源地图 - 友情链接 - 网站客服 - 联系我们

    copyright@ 2008-2023 1wenmi网站版权所有

    经营许可证编号:宁ICP备2022001189号-1

    本站为文档C2C交易模式,即用户上传的文档直接被用户下载,本站只是中间服务平台,本站所有文档下载所得的收益归上传人(含作者)所有。第壹文秘仅提供信息存储空间,仅对用户上传内容的表现方式做保护处理,对上载内容本身不做任何修改或编辑。若文档所含内容侵犯了您的版权或隐私,请立即通知第壹文秘网,我们立即给予删除!

    收起
    展开