欢迎来到第壹文秘! | 帮助中心 分享价值,成长自我!
第壹文秘
全部分类
  • 幼儿/小学教育>
  • 中学教育>
  • 高等教育>
  • 研究生考试>
  • 外语学习>
  • 资格/认证考试>
  • 论文>
  • IT计算机>
  • 法律/法学>
  • 建筑/环境>
  • 通信/电子>
  • 医学/心理学>
  • ImageVerifierCode 换一换
    首页 第壹文秘 > 资源分类 > DOCX文档下载
    分享到微信 分享到微博 分享到QQ空间

    第二篇-第四章-建筑防火间距二.docx

    • 资源ID:563900       资源大小:232.30KB        全文页数:9页
    • 资源格式: DOCX        下载积分:5金币
    快捷下载 游客一键下载
    账号登录下载
    三方登录下载: 微信开放平台登录 QQ登录
    下载资源需要5金币
    邮箱/手机:
    温馨提示:
    快捷下载时,如果您不填写信息,系统将为您自动创建临时账号,适用于临时下载。
    如果您填写信息,用户名和密码都是您填写的【邮箱或者手机号】(系统自动生成),方便查询和重复下载。
    如填写123,账号就是123,密码也是123。
    支付方式: 支付宝    微信支付   
    验证码:   换一换

    加入VIP,免费下载
     
    账号:
    密码:
    验证码:   换一换
      忘记密码?
        
    友情提示
    2、PDF文件下载后,可能会被浏览器默认打开,此种情况可以点击浏览器菜单,保存网页到桌面,就可以正常下载了。
    3、本站不支持迅雷下载,请使用电脑自带的IE浏览器,或者360浏览器、谷歌浏览器下载即可。
    4、本站资源下载后的文档和图纸-无水印,预览文档经过压缩,下载后原文更清晰。
    5、试题试卷类文档,如果标题没有明确说明有答案则都视为没有答案,请知晓。

    第二篇-第四章-建筑防火间距二.docx

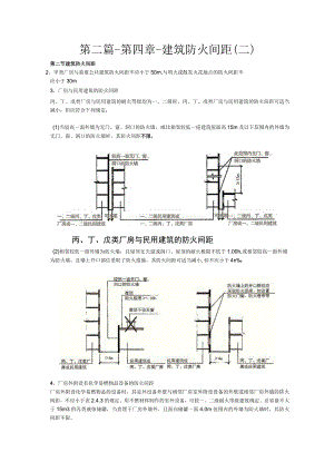
    第二篇-第四章-建筑防火间距(二)第二节建筑防火间距2、甲类厂房与重要公共建筑防火间距不应小于50m,与明火或散发火花地点的防火间距不应小于30m3、厂房与民用建筑的防火间距丙、丁、戊类厂房与民用建筑的耐火等级均为一、二级时,丙、丁、戊类厂房与民用建筑的防火间距可适当减小,但应符合下列规定:(1)当较高一面外墙为无门、窗、洞口的防火墙,或比相邻较低一座建筑屋面高15m及以下范围内的外墙为无门、窗、洞口的防火墙时,其防火间距不限,丙、丁、戊类厂房与民用建筑的防火间距(2)相邻较低一面外墙为防火墙,且屋顶无天窗或洞口、屋顶的耐火极限不低于1.00h,或相邻较高一面外墙为防火墙,且墙上开口部位采取了防火措施,其防火间距可适当减小,但不应小于4n4、厂房外附设有化学易燃物品设备的防火间距厂房外附设化学易燃物品的设备时,其室外设备外壁与相邻厂房室外附设设备的外壁或相邻厂房外墙的防火间距,不应小于表2.4.3的规定。用不燃材料制作的室外设备,可按一、二级耐火等级建筑确定。总容量不大于15m3的丙类液体储罐,当直埋于厂房外墙外,且面向储罐一面4.0m范围内的外墙为防火墙时,其防火间距不限。剖面示怠图平面示意图立面示意图5、厂区围墙与厂区内建筑之间的防火间距厂区围墙与厂区内建筑的间距不宜小于5m,围墙两侧建筑的间距应满足相应建筑的防火间距要求。6、同一座U形或山形厂房中相邻两翼之间的防火间距同一座U形或山形厂房中相邻两翼之间的防火间距,不宜小于建筑设计防火规范(GB50016)的规定,但当厂房的占地面积小于建筑设计防火规范(GB50016)规定的每个防火分区最大允许建筑面积时,其防火间距可为6m“工业建筑防火间距表格外考点总结:建筑建筑防火间距乙类厂房重要公共建筑不宜小于50m乙类厂房明火或散发火花地点不宜小于30m甲类厂房重要公共建筑不应小于50m甲类厂房明火或散发火花地点不应小于30m单、多层戊类厂房戊类仓库按表的规定减少2m单、多层戊类厂房民用建筑等同民用建筑丙、丁、戊类厂房的生活用房丙、丁、戊类厂房不应小于6m工业建筑防火间距表格外重点考点力、结:建筑类型防火措施防火间距两座厂房(甲类除外)较高+防火墙不限相同+一、二级+防火墙+屋顶Ih甲类厂房之间较高+防火墙不应小于4m丙、丁、戊类厂房不燃性墙(无外露可燃性屋檐)+洞口面积忘5%+不正对防火间距减少25%一、二级厂房较低防火墙+屋顶无天窗+耐火极限大于1小时甲、乙类不应小于6m丙、丁、戊类不应小于4m较高+洞口+甲级丙、丁、戊类厂房+民用建筑+一、二级较高+防火墙不限屋面高出较低建筑15m范围+防火墙较低+防火墙+屋顶无天窗+1h不应小于4m较高+防火墙+开口+防火措施【例2015年-单选题】某工厂有一座建筑高度为21m的丙类生产厂房,耐火等级为二级。现要在旁边新建一座耐火等级为二级、建筑高度为15m、屋顶耐火极限不低于LOOh且屋面无天窗的丁类生产厂房。如该丁类生产厂房与丙类厂房相邻一侧的外墙采用无任何开口的防火墙,则两座厂房之间的防火间距不应小于()moA.10B.3.5C.4D.6网校答案:C网校解析,两座一、二级耐火等级的厂房,当相邻较低一面外墙为防火墙且较低一座厂房的屋顶无天窗,屋顶的耐火极限不低于LOOh,或相邻较高一面外墙的门、窗等开口部位设置甲级防火门、窗或防火分隔水幕,或按建筑设计防火规范的规定设置防火卷帘时,甲、乙类厂房之间的防火间距不应小于6m;丙、丁、戊类厂房之间的防火间距不应小于4m。(二)仓库的防火间距1、甲类仓库之间及其与其他建筑、明火或散发火花地点、铁路、道路等的防火间距甲类仓库之间及其与其他建筑、明火或散发火花地点、铁路、道路等的防火间距不应小于下表的规定,设置装卸台的甲类仓库与厂内铁路装卸线的防火间距可不受限制。名称甲类仓库(储量,t)甲类储存物品第3、4项甲类储存物品第1、2、5、6项5t>5t10t>10t高层民用建筑、重要公共建筑50裙房、其他民用建筑、明火或散发火花地点30402530甲类仓库20202020厂房和乙、丙、丁、戊类仓库一、二级15201215三级20251520四级25302025电力系统电压为35500kV且每台变压器容量不小于1OMV-A的室外变、配电站,工业企业的变压器总油量大于5t的室外降压变电站。30402530厂外铁路线中心线40厂内铁路线中心线30厂外道路路边20厂内道路路边主要10次要5注:甲类仓库之间的防火间距,当第3、4项物品储量不大于2t,第1、2、5、6项物品储量不大于5t时,不应小于12m,甲类仓库与高层仓库的防火间距不应小于13m。2、乙、丙、丁、戊类仓库之间及其与民用建筑之间的防火间距乙、丙、丁、戊类仓库之间及其与民用建筑之间的防火间距,不应小于下表的规定。名称乙类仓库丙类仓库丁、戊类仓库单、多层高层单、多层高层单、多层高层二级级-二级二级级四级二级二级级四级级乙、丙、丁、戊类仓库单、多层二级1012131012141310121413三级1214151214161512141615四级1416171416181714161817高层二级1315131315171313151713民用建筑裙房,单、多层-¼二级251012141310121413三级251214161512141615四级251416181714161817高层一类502025252015181815二类501520201513151513在执行表2-4-5时应注意以下几点:(1)单层、多层戊类仓库之间的防火间距,可按表2-4-5减少2m。(2)两座仓库的相邻外墙均为防火墙时,防火间距可以减小,但丙类仓库不应小于6m:丁、戊类仓库不应小于4m。两座仓库相邻较高一面外墙为防火墙,或相邻两座高度相同的一、二级耐火等级建筑中相邻任一侧外墙为防火墙且屋顶的耐火极限不低于LOOh,且总占地面积不大于建筑设计防火规范(GB50016)有关一座仓库的最大允许占地面积规定时,其防火间距不限。(3)除乙类第6项物品外的乙类仓库,与民用建筑之间的防火间距不宜小于25m,与重要公共建筑的防火间距不应小于50m,与铁路、道路等的防火间距不宜小于表2-4-4中甲类仓库与铁路、道路等的防火间距。(三)民用建筑的防火间距民用建筑之间的防火间距不应小于下表的规定。建筑类别高层民用建筑裙房和其他民用建筑一、二级一、二级三级四级高层民用建筑一、二级1391114裙房和其他民用建筑一、二级9679三级117810四级14910121、相邻两座单、多层建筑,当相邻外墙为不燃性墙体且无外露的可燃性屋檐,每面外墙上无防火保护的门、窗、洞口不正对开设且面积之和不大于该外墙面积的5%时,其防火间距可按表中规定减少25%o不燃性及檐(2)期面外墙上无防火保护 的门、窗、洞口不正对开设.相邻两座单、多层建筑防火间距相邻两座单、多层建筑防火间距2、两座建筑相邻较高一面外墙为防火墙,或高出相邻较低一座一、二级耐火等级建筑的屋面15m及以下范围内的外墙为防火墙时,其防火间距可不限。3、相邻两座高度相同的一、二级耐火等级建筑中相邻任一侧外墙为防火墙,屋顶的耐火极限不低于Looh时,其防火间距可不限。(1)相邻两座建筑高度相同,且相邻任J不限相邻两座建筑中较低一座建筑的耐火等级不低于二级,屋顶的耐火极限不低于Looh,屋顶无天窗且相邻较低一面外墙为防火墙时,其防火间距不应小于3.5m;对于高层建筑,不应小于4m5、相邻两座建筑中较低一座建筑的耐火等级不低于二级且屋顶无天窗,相邻较高一面外墙高出较低一座建筑的屋面15m及以下范围内的开口部位设置甲级防火门、窗,或设置符合规范规定的防火分隔水幕或防火卷帘时,其防火间距不应小于3.5m:对于高层建筑,不应小于4m(1)此范围内设置甲级防火门、窗或设置符合现行国家标准自动喷水灭火系统设6、相邻建筑通过底部的建筑物、连廊或天桥等连接时,其间距不应小于表的规定。7、耐火等级低于四级的既有建筑的耐火等级可按四级确定。8、建筑高度大于100m的民用建筑与相邻建筑的防火间距,当符合建筑设计防火规范(GB50016)有关允许减小的条件时,仍不应减小。9、民用建筑与IOkV及以下的预装式变电站的防火间距不应小于3m。民用建筑防火间距调整小结:民用建筑防火间距的调整序号措施防火间距1单、多层:不燃性墙体(屋檐)+洞口不正对+面积W5%减少25%2较高+防火墙防火间距不限相同+一二级+屋顶+防火墙高出15m+防火墙+一二级3较低+二级+屋顶+无天窗+防火墙3.5¾层4m4较低+二级+无天窗+高出15m+甲级5通过连廊、天桥+底部连接间距不小于本表6低于四级按四级7高度大于WOm仍不应减小【例2017年-单选题】在建筑高度为126.2m的办公塔楼短边侧拟建座建筑高度为23.9m,耐火等级为二级的商业建筑。该商业建筑屋面板耐火极限为1.0Oh且无天窗,毗邻办公塔楼的外墙为防火墙,其防火间距不应小于()moA.4B.9C.6D.13网校答案:B网校解析:建筑高度大于100m的民用建筑与相邻建筑的防火间距,当符合现行国家标准允许减少的条件时,仍不应减少。三、防火间距不足的措施1、改变建筑物的生产和使用性质,尽量降低建筑物的火灾危险性,改变房屋部分结构的耐火性能,提高建筑物的耐火等级。2、调整生产厂房的部分工艺流程,限制库房的储存物品的数量,提高部分构件的耐火极限和燃烧性能。3、将建筑物的普通外墙改造为防火墙或减少相邻建筑的开口面积,如开设门窗,应采用防火门窗或加防火水幕保护。4、拆除部分耐火等级低、占地面积小、使用价值低且与新建筑物相邻的原有陈旧建筑物。5、设置独立的室外防火墙。

    注意事项

    本文(第二篇-第四章-建筑防火间距二.docx)为本站会员(p**)主动上传,第壹文秘仅提供信息存储空间,仅对用户上传内容的表现方式做保护处理,对上载内容本身不做任何修改或编辑。 若此文所含内容侵犯了您的版权或隐私,请立即通知第壹文秘(点击联系客服),我们立即给予删除!

    温馨提示:如果因为网速或其他原因下载失败请重新下载,重复下载不扣分。




    关于我们 - 网站声明 - 网站地图 - 资源地图 - 友情链接 - 网站客服 - 联系我们

    copyright@ 2008-2023 1wenmi网站版权所有

    经营许可证编号:宁ICP备2022001189号-1

    本站为文档C2C交易模式,即用户上传的文档直接被用户下载,本站只是中间服务平台,本站所有文档下载所得的收益归上传人(含作者)所有。第壹文秘仅提供信息存储空间,仅对用户上传内容的表现方式做保护处理,对上载内容本身不做任何修改或编辑。若文档所含内容侵犯了您的版权或隐私,请立即通知第壹文秘网,我们立即给予删除!

    收起
    展开