欢迎来到第壹文秘! | 帮助中心 分享价值,成长自我!
第壹文秘
全部分类
  • 幼儿/小学教育>
  • 中学教育>
  • 高等教育>
  • 研究生考试>
  • 外语学习>
  • 资格/认证考试>
  • 论文>
  • IT计算机>
  • 法律/法学>
  • 建筑/环境>
  • 通信/电子>
  • 医学/心理学>
  • ImageVerifierCode 换一换
    首页 第壹文秘 > 资源分类 > DOCX文档下载
    分享到微信 分享到微博 分享到QQ空间

    物业公司工程管理房屋本体室外公共设施的维修养护周期及质量标准.docx

    • 资源ID:563416       资源大小:20.35KB       
    • 资源格式: DOCX        下载积分:5金币
    快捷下载 游客一键下载
    账号登录下载
    三方登录下载: 微信开放平台登录 QQ登录
    下载资源需要5金币
    邮箱/手机:
    温馨提示:
    快捷下载时,如果您不填写信息,系统将为您自动创建临时账号,适用于临时下载。
    如果您填写信息,用户名和密码都是您填写的【邮箱或者手机号】(系统自动生成),方便查询和重复下载。
    如填写123,账号就是123,密码也是123。
    支付方式: 支付宝    微信支付   
    验证码:   换一换

    加入VIP,免费下载
     
    账号:
    密码:
    验证码:   换一换
      忘记密码?
        
    友情提示
    2、PDF文件下载后,可能会被浏览器默认打开,此种情况可以点击浏览器菜单,保存网页到桌面,就可以正常下载了。
    3、本站不支持迅雷下载,请使用电脑自带的IE浏览器,或者360浏览器、谷歌浏览器下载即可。
    4、本站资源下载后的文档和图纸-无水印,预览文档经过压缩,下载后原文更清晰。
    5、试题试卷类文档,如果标题没有明确说明有答案则都视为没有答案,请知晓。

    物业公司工程管理房屋本体室外公共设施的维修养护周期及质量标准.docx

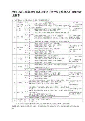
    物业公司工程管理房屋本体室外公共设施的维修养护周期及质量标准1. O房屋本体、室外公共设施的维修养护周期及质量标准:序号项目名称周期巡视维护要点质量标准1基础及承重结构(柱、梁、板、墙)每日1 .检查承重结构有无裂纹、变形和腐蚀。2 .发现问题及时联系有专业维修队伍,按全国物业管理考评标准要求对建筑物进行维护。1 .基础沉降在国标允许范围之内。2 .承重结构无大的损伤及变形。每年1 .检查基础及承重结构整体的结构性能是否完好。2 .检查基础有无不均匀沉降,勒脚有无破损。2天面、平台每日1 .检查天面及平台地面伸缩缝密封胶有无变硬、疏松开裂、脱落现象。2 .检查地面是否有裂缝、起鼓、空洞,有无渗漏现象。1 .无大面积积水现象。2 .无渗、漏水现象。3 .无起鼓、空洞现象。每年1 .伸缩缝密封胶老化问题发现后,清除旧胶,重新灌注新密封胶。2 .对地面裂缝,因会造成防水性能降低,必须请专业维修补漏施工队进行处理。3楼地面及楼梯每日1 .检查地面瓷砖是否有损坏、空鼓、脱落现象。2 .检查楼梯踢面和踏面有无破损、空鼓、松脱现象。3 .检查楼道扶手有无损坏、锈蚀现象。4 .检查大理石面是否有裂纹、划痕、松动现象。1 .瓷片无松脱,扶手无锈迹损坏。2 .大理石无污渍、划痕,光洁、平整。每月1.对大理石进行固定、抛光,做晶面处理。每年1 .对楼梯扶手除锈,涂刷一次保护漆。2 .更换或重贴损坏或脱落的瓷砖。4内墙面每日1 .检查墙面涂料颜色是否一致,有无水渍印。2 .检查墙面是否有裂纹、起鼓、脱落现象。3 .检查大理石、瓷片墙面是否有损坏、脱落、松动现象。1 .瓷片无脱落、污渍。2 .墙面无污渍、水渍及霉变痕迹。半年1 .对墙面涂料及裂纹脱落现象发现后及时填补粉刷。2 .对松动脱落的大理石重新装贴。5外墙面每日1 .检查外墙面是否清洁,有无污渍,玻璃幕墙有无损伤、污渍。2 .检查瓷片有无损坏、脱落。3 .检查大理石墙面有无污渍、损伤及锈渍。1.外观清洁,无损伤。2.无渗、漏水。半年请专业施工人员进行外墙清洗及修补工作。6门、窗每日1 .检查门窗有无损坏、松脱现象。2 .检查门窗与墙体缝隙密封材料有无开裂、脱落。3 .检查门窗转动部位是否灵活,转动时有无噪音。1 .门窗、玻璃完好无损,清洁美观,无霉变。2 .门窗关闭灵活,无异响。每年1 .维修损坏门窗,更换损坏部件。2 .为转动部位加注润滑油。7吊顶天花每日1 .检查吊顶天花有无损伤、擦、划痕及裂纹,如有问题及时更换、修补。2 .检查吊顶天花有无水渍印和霉变印,发现问题及时清除。3 .检查吊顶天花有无陷落,若有问题重新安装或更换。1 .天花吊顶平整,无污渍。2 .无裂缝及破损。8道路、广场每日1 .检查路面、广场有无塌陷、起壳、地鼓、开裂现象,对出现的问题及时处理。2 .检查广场瓷砖是否损坏、松脱,标志线是否整齐,对有损坏脱落部位及时更换修补。3 .检查广场及道路伸缩缝是否完好无损。九检查道路道牙是否完好无损,油漆是否脱落。1 .道路广场整洁,无堆放杂物。2 .地面瓷砖无脱落,路面无塌陷,伸缩缝正常。半年1.更换损坏的道牙,对道牙进行一次刷漆9儿童游乐设施每日每天检查一次,如上涧滑油,紧固等每月每月保养一次,2. O各部门发现的问题及时填写部门往来联络单报工程部进行维修、周期公共建筑设施保养计划填写相应的保养记录。管理处其他人员若发现建筑物异常,及时通知责任人或值班人员处理。

    注意事项

    本文(物业公司工程管理房屋本体室外公共设施的维修养护周期及质量标准.docx)为本站会员(p**)主动上传,第壹文秘仅提供信息存储空间,仅对用户上传内容的表现方式做保护处理,对上载内容本身不做任何修改或编辑。 若此文所含内容侵犯了您的版权或隐私,请立即通知第壹文秘(点击联系客服),我们立即给予删除!

    温馨提示:如果因为网速或其他原因下载失败请重新下载,重复下载不扣分。




    关于我们 - 网站声明 - 网站地图 - 资源地图 - 友情链接 - 网站客服 - 联系我们

    copyright@ 2008-2023 1wenmi网站版权所有

    经营许可证编号:宁ICP备2022001189号-1

    本站为文档C2C交易模式,即用户上传的文档直接被用户下载,本站只是中间服务平台,本站所有文档下载所得的收益归上传人(含作者)所有。第壹文秘仅提供信息存储空间,仅对用户上传内容的表现方式做保护处理,对上载内容本身不做任何修改或编辑。若文档所含内容侵犯了您的版权或隐私,请立即通知第壹文秘网,我们立即给予删除!

    收起
    展开