欢迎来到第壹文秘! | 帮助中心 分享价值,成长自我!
第壹文秘
全部分类
  • 幼儿/小学教育>
  • 中学教育>
  • 高等教育>
  • 研究生考试>
  • 外语学习>
  • 资格/认证考试>
  • 论文>
  • IT计算机>
  • 法律/法学>
  • 建筑/环境>
  • 通信/电子>
  • 医学/心理学>
  • ImageVerifierCode 换一换
    首页 第壹文秘 > 资源分类 > DOCX文档下载
    分享到微信 分享到微博 分享到QQ空间

    农田建设项目单项工程计划表.docx

    • 资源ID:561829       资源大小:97.31KB        全文页数:23页
    • 资源格式: DOCX        下载积分:5金币
    快捷下载 游客一键下载
    账号登录下载
    三方登录下载: 微信开放平台登录 QQ登录
    下载资源需要5金币
    邮箱/手机:
    温馨提示:
    快捷下载时,如果您不填写信息,系统将为您自动创建临时账号,适用于临时下载。
    如果您填写信息,用户名和密码都是您填写的【邮箱或者手机号】(系统自动生成),方便查询和重复下载。
    如填写123,账号就是123,密码也是123。
    支付方式: 支付宝    微信支付   
    验证码:   换一换

    加入VIP,免费下载
     
    账号:
    密码:
    验证码:   换一换
      忘记密码?
        
    友情提示
    2、PDF文件下载后,可能会被浏览器默认打开,此种情况可以点击浏览器菜单,保存网页到桌面,就可以正常下载了。
    3、本站不支持迅雷下载,请使用电脑自带的IE浏览器,或者360浏览器、谷歌浏览器下载即可。
    4、本站资源下载后的文档和图纸-无水印,预览文档经过压缩,下载后原文更清晰。
    5、试题试卷类文档,如果标题没有明确说明有答案则都视为没有答案,请知晓。

    农田建设项目单项工程计划表.docx

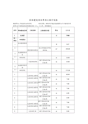
    农田建设项目单项工程计划表编制单位:泸溪县农业农村局项目名称:湘西州泸溪县洗溪镇等6个乡镇鸡子潭村等14个村高标准农田建设项目(二。二三年,新增建设)序号明细措施名称工程名称主要建设内容单位任务量I总投资亩7100笫一部分田块整治合水镇新桥村亩0.67(一)蓄鱼塘田块恢复客土回填被水冲毁的田块m2450.00二武溪镇桥东社区(一)田坎修筑m14.001肖溪田坎修筑M7.5浆砌石衬砌2.5m高m14.00三洗溪镇布条坪村(一)田坎修筑m171.001大溶田坎1#修筑M7.5浆砌石衬砌2.5m高m40.002大溶田坎2#修筑M7.5浆砌石衬砌2.5m高m7.003大溶田坎3#修筑M7.5浆砌石衬砌2.5m高m7.004大溶田坎4#修筑M7.5浆砌石衬砌2.5m高m7.005大溶田坎5#修筑M7.5浆砌石衬砌2.5m高m6.006大溶田坎6#修筑M7.5浆砌石衬砌2.5m高m6.007大溶田坎7#修筑M7.5浆砌石衬砌2.5m高m7.008大溶田坎8#修筑M7.5浆砌石衬砌2.5m高m7.009大溶田坎9#M7.5浆砌石衬砌m8.00序号明细措施名称工程名称主要建设内容单位任务量修筑2.5mS10大溶田坎10#修筑M7.5浆砌石衬砌2.5m高m7.0011大溶田坎11#修筑M7.5浆砌石衬砌2.5m高m6.0012大溶田坎12#修筑M7.5浆砌石衬砌2.5m高m7.0013大溶田坎13#修筑M7.5浆砌石衬砌2.5m高m8.0014大溶田坎14#修筑M7.5浆砌石衬砌2.5m高m7.0015大溶田坎15#修筑M7.5浆砌石衬砌2.5m高m7.0016大溶田坎16#修筑M7.5浆砌石衬砌2.5m高m6.0017大溶田坎17#修筑M7.5浆砌石衬砌2.5m高m7.0018大溶田坎18#修筑M7.5浆砌石衬砌2.5m高m7.0019大溶田坎19#修筑M7.5浆砌石衬砌2.5m高m7.0020大溶田坎20#修筑M7.5浆砌石衬砌2.5m高m7.00第二部分农田地力提升亩6450.00洗溪镇芭蕉坪村亩450.00(一)贫瘠土壤改良(绿肥)撒施油菜种子1.5Kg亩450.00二洗溪镇鸡子潭村亩1000.00(一)贫瘠土壤改良(商品有机肥)撒施商品有机肥150Kg亩550.00(二)贫瘠土壤改良(绿肥)撒施油菜种子1.5Kg亩450.00三石榴坪乡兰村亩550.00(一)土壤改良(深翻耕)砍杂、挖机清理树根、液压翻转犁农田深翻30Cm亩100.00序号明细措施名称工程名称主要建设内容单位任务量(二)贫瘠土壤改良(商品有机肥)撒施商品有机肥150Kg亩200.00(三)贫瘠土壤改良(绿肥)撒施油菜种子1.5Kg三亩350.00四石榴坪乡石榴坪村亩800.00(一)贫瘠土壤改良(绿肥)撒施油菜种子1.5Kg亩800.00五浦市镇麻拢村亩1000.00(一)贫瘠土壤改良(商品有机肥)撒施商品有机肥15OKg亩300.00(二)贫瘠土壤改良(绿肥)撒施油菜种子1.5Kg亩700.00六浦市镇麻溪口村亩700.00(一)贫瘠土壤改良(绿肥)撒施油菜种子1.5Kg亩亩700.00七武溪镇桥东社区亩600.00(一)贫瘠土壤改良(绿肥)撒施油菜种子1.5Kg亩600.00A合水镇新桥村亩1050.00(一)贫瘠土壤改良(商品有机肥)撒施商品有机肥15OKg亩200.00(二)贫瘠土壤改良(绿肥)撒施油菜种子1.5Kg亩850.00九塘食溪村亩200.00(一)土壤改良(深翻耕)砍杂、挖机清理树根、液压翻转犁农田深翻30Cm亩200.00(二)贫瘠土壤改良(商品有机肥)撒施商品有机肥150Kg亩200.00+都用村亩100.00(一)土壤改良(深翻耕)砍杂、挖机清理树根、液压翻转犁农田深翻30Cm亩100.00(二)贫瘠土壤改良(商品有机肥)撒施商品有机肥150Kg亩100.00序号明细措施名称工程名称主要建设内容单位任务量第三部分濯溉排水一合水镇新桥村(一)水源工程1小型拦河坝座2(1)蓄鱼塘1#拦河坝”浆砌石溢流坝(斜坡型)坝长7米,坝高0.8米”座1.00(2)蓄鱼塘2#拦河坝”浆砌石溢流坝(斜坡型)坝长5米,坝高0.8米”座1.00(二)输水工程1明渠m185.00(1)畜鱼塘灌排渠1#右岸护坡M7.5浆砌石衬砌明渠单边1.5m高m20.00(2)畜鱼塘灌排渠2#右岸护坡M7.5浆砌石衬砌明渠单边2m高m165.00(三)渠系建筑物处1.001生物通道现浇斜坡“8”字砖贴面处1.00二合水镇横坡村(一)渠系建筑物工程处15i杨洲田机耕桥现浇硅,尺寸3.5m宽x2m长×2m高座1.002下田坡道M7.5浆砌石路基,C25舲路面厚150mm处5.003过路涵管200(6m)直径20Omm过路涵管长6m座8.004过路涵管400(6m)直径400mm过路涵管长6m座1.00三浦市镇麻拢村(一)输水工程序号明细措施名称工程名称主要建设内容单位任务量1明渠m279.00(1)桥头坪灌排渠M7.5浆砌石衬砌明渠1.5m高m279.00(二)排水工程1明沟m647(1)村部后排水沟右岸护坡M7.5浆砌石衬砌单边1.5m高m98.00(2)桥头坪排水沟右岸护坡M7.5浆砌石衬砌明渠单边3m高m134.00(3)管山排水沟M7.5浆砌石衬砌明渠单边1.2m高m415.00(三)渠系建筑物处321沉砂池M7.5浆砌石,尺寸2.5m×2.5m×1.5m高座1.002人行盖板(1.5m宽×3.7m长)现浇C25钢筋砂(1.5m宽x3.7m长x.3m)座1.003人行盖板(1.5m宽×3.48m长)现浇C25钢筋舲(1.5m宽x3.48m长x.3m)座5.004过路涵管200(6m)直径20Omm过路涵管长6m座5.005过路涵管400(6m)直径400mm过路涵管长6m座3.006过路涵管800(6m)直径80Omm过路涵管长6m座1.007取水码头(1.5m高)浆砌石基础,现浇踏步处2.008取水码头(3m高)浆砌石基础,现浇踏步座1.009下田坡道M7.5浆砌石路基,C25舲路面厚150mm处10.0010量水设施量水标尺处2.0011生物通道现浇斜坡“8”字褚贴面处1.00序号明细措施名称工程名称主要建设内容单位任务量四浦市镇麻溪口村(一)输水工程1明渠m838.00(1)向字坪灌排渠M7.5浆砌石衬砌明渠单边1.2m高m838.00(二)渠系建筑物处91过路涵管800(6m)直径800mm过路涵管长6m座2.002过路涵管400(6m)直径400mm过路涵管长6m座2.003取水码头(1.5m高)浆砌石基础,现浇踏步处2.004下田坡道M7.5浆砌石路基,C25硅路面厚150mm处2.005生物通道现浇斜坡“8”字稿贴面处1.00五浦市镇岩门溪村(一)排水工程1明沟m378(1)岩门溪排水沟左岸护坡M7.5浆砌石衬砌单边2.3m高m134.00(2)岩门溪排水沟右岸护坡M7.5浆砌石衬砌单边2.3m高m159.00(3)叶家坡排水沟M7.5浆砌石衬砌单边2m高m85.00六浦市镇印家桥社区(一)输水工程I明渠m336.00(1)杨球坪灌渠现浇衬砌明渠HBO.3*O.3m336.00(二)渠系建筑物处3.001沉砂池(0.5m×0.6m现浇C20硅尺寸0.5m×0.6m座3.00序号明细措施名称工程名称主要建设内容单位任务量)七石榴坪乡兰村村(一)排水工程1明沟m273.00(1)油房排水沟现浇衬砌明渠HB0.6*0.6m273.00(二)渠系建筑物处71沉砂池现浇建,尺寸:0.6m×0.6m×LOm高座1.002人行盖板现浇C25钢筋碎(0.5m宽Xlm长×0.15m)座6.00A石榴坪乡石榴坪村(一)排水工程1明沟m439(1)小溪排水沟1#右岸护坡

    注意事项

    本文(农田建设项目单项工程计划表.docx)为本站会员(p**)主动上传,第壹文秘仅提供信息存储空间,仅对用户上传内容的表现方式做保护处理,对上载内容本身不做任何修改或编辑。 若此文所含内容侵犯了您的版权或隐私,请立即通知第壹文秘(点击联系客服),我们立即给予删除!

    温馨提示:如果因为网速或其他原因下载失败请重新下载,重复下载不扣分。




    关于我们 - 网站声明 - 网站地图 - 资源地图 - 友情链接 - 网站客服 - 联系我们

    copyright@ 2008-2023 1wenmi网站版权所有

    经营许可证编号:宁ICP备2022001189号-1

    本站为文档C2C交易模式,即用户上传的文档直接被用户下载,本站只是中间服务平台,本站所有文档下载所得的收益归上传人(含作者)所有。第壹文秘仅提供信息存储空间,仅对用户上传内容的表现方式做保护处理,对上载内容本身不做任何修改或编辑。若文档所含内容侵犯了您的版权或隐私,请立即通知第壹文秘网,我们立即给予删除!

    收起
    展开