欢迎来到第壹文秘! | 帮助中心 分享价值,成长自我!
第壹文秘
全部分类
  • 幼儿/小学教育>
  • 中学教育>
  • 高等教育>
  • 研究生考试>
  • 外语学习>
  • 资格/认证考试>
  • 论文>
  • IT计算机>
  • 法律/法学>
  • 建筑/环境>
  • 通信/电子>
  • 医学/心理学>
  • ImageVerifierCode 换一换
    首页 第壹文秘 > 资源分类 > DOCX文档下载
    分享到微信 分享到微博 分享到QQ空间

    TB6板式楼梯计算书.docx

    • 资源ID:555493       资源大小:42.75KB        全文页数:5页
    • 资源格式: DOCX        下载积分:5金币
    快捷下载 游客一键下载
    账号登录下载
    三方登录下载: 微信开放平台登录 QQ登录
    下载资源需要5金币
    邮箱/手机:
    温馨提示:
    快捷下载时,如果您不填写信息,系统将为您自动创建临时账号,适用于临时下载。
    如果您填写信息,用户名和密码都是您填写的【邮箱或者手机号】(系统自动生成),方便查询和重复下载。
    如填写123,账号就是123,密码也是123。
    支付方式: 支付宝    微信支付   
    验证码:   换一换

    加入VIP,免费下载
     
    账号:
    密码:
    验证码:   换一换
      忘记密码?
        
    友情提示
    2、PDF文件下载后,可能会被浏览器默认打开,此种情况可以点击浏览器菜单,保存网页到桌面,就可以正常下载了。
    3、本站不支持迅雷下载,请使用电脑自带的IE浏览器,或者360浏览器、谷歌浏览器下载即可。
    4、本站资源下载后的文档和图纸-无水印,预览文档经过压缩,下载后原文更清晰。
    5、试题试卷类文档,如果标题没有明确说明有答案则都视为没有答案,请知晓。

    TB6板式楼梯计算书.docx

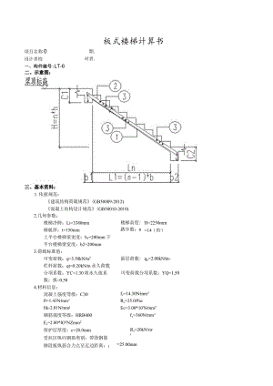
    板式楼梯计算书项目名称0设计者校一、构件编号:LT-6期.对者.1.依据规范:建筑结构荷载规范(GB50009-2012)混凝土结构设计规范(GB50010-2010)2 .几何参数:楼梯净跨:Li=3380mm梯板厚:t=150mm上平台楼梯梁宽度:b1=200mm下平台楼梯梁宽度:b2=200mm3 .荷载标准值:可变荷载:q=3.50kNm2栏杆荷载:qt=0.20kNm永久荷载分项系数:YC=1.30准永久值系数:弧=0.504 .材料信息:混凝土强度等级:C30楼梯高度:踏步数:n面层荷载:H=2250nm=14(阶)qn=2.00kNm-可变荷载分项系数:YQ=1.50ft=1.43Nmmfk-2.01Nmmj钢筋强度等级:HRB400Es=2.00*IO5NZmm2保护层厚度:c=20.0mm受拉区纵向钢筋类别:带肋钢筋梯段板纵筋合力点至近边距离:;fc=14.30NmmRc=25.0WmEc=3.00*10'Nmm2fy=360NmmRs=20kN/m:i=25.00mm支座负筋系数:=0.25考虑踏步系数=0.8四、计算过程:1 .楼梯几何参数:踏步高度:h=0.1607m踏步宽度:b=0.2600m计算跨度:Lo=L1+(b1+b2)2=3.38+(0.20÷0.20)/2=3.58m梯段板与水平方向夹角余弦值:CoSQ=0.8512 .荷载计算(取B=Im宽板带):(1)梯段板:面层:gk»=(B÷B*hb)*q=(1+1*0.16/0.26)*2.00=3.24kN/m自重:gkt=Rl-*B*(tcosa+h2)=25*1*(0.15/0.851+0.16/2)=6.42kN/m抹灰:gks=Rs*B*ccosa=20*1*0.02/0.851=0.47kN/m恒荷标准值:Pk=gl<n+gkl+gks+qr=3.24+6.42+0.47+0.20=10.32kN/m恒荷控制:Pn(G)=1.35*Pk+a*0.7*B*q=1.35*10.32+1.50*0.7*1*3.50=17.61kN/m活荷控制:Pn(L)=c*Pk+o*B*q=1.30*10.32÷1.50*1*3.50=18.67kN/m荷载设计值:Pn=maxP11(G),P11(L)=18.67kN/m3 .正截面受弯承载力计算:左端支座反力:Ri=33.42kN右端支座反力:Rr=33.42kN最大弯矩截面距左支座的距离:L皿=1.79m最大弯矩截面距左边弯折处的距离:X=1.79mMnaX=R*L皿Pn*22=33.42*1.79-18.67*1.7922=29.91kNm相对受压区高度:=0.144282配筋率:P=0.005731纵筋(1号)计算面积:AX=716.40mm支座负筋(2、3号)计算面积:As,=a*As=0.25*716.40=179.10mm2五、计算结果:(为每米宽板带的配筋)1.1 号钢筋计算结果(跨中)计算面积A,:716.40mmJ采用方案:10100实配面积:785mm2 .2号钢筋计算结果(支座)计算面积Aj:179.10mm采用方案:10200实配面积:393mm23 .3号钢筋计算结果采用方案:6200实配面积:141mm2六、跨中挠度计算:Mq按荷载效应的准永久组合计算的弯矩值1.计算永久组合弯距值Mq:Mq=Mgk+M,tk=(q>k+q*qlk)*Lo28=(10.32+O.50*3.500)*3.5828=19.343kN*m4 .计算受弯构件的短期刚度BUtD计算按荷载荷载效应的两种组合作用下,构件纵向受拉钢筋应力(Jitq=Mq/(0.87*h0*As)混规(7.1.4-3)=19.343*107(0.87*125*785)=226.469N/mm2)计算按有效受拉混凝土截面面积计算的纵向受拉钢筋配筋率矩形截面积:Ale=0.5*b*h=0.5*1000*150=75000mm2Pu=AsAu.混规(7.1.25)=785/75000=1.047%3)计算裂缝间纵向受拉钢筋应变不均匀系数q=1.1-0.65*f(ple*sq)混规(7.1.22)=1.1-0.65*2.01/(1.047%*226.469)=0.5494)计算钢筋弹性模量与混凝土模量的比值QE=Es/Ec=2.00*107(3.00*10,)=6.6675)计算受压翼缘面积与腹板有效面积的比值1-矩形截面,Yr=O6)计算纵向受拉钢筋配筋率PP=As/(b*ho)=785/(1000*125)=0.628%7)计算受弯构件的短期刚度BsBsq=Es*As*h02l.15*u+0.2+6*E*p(1+3.5*f)混规(7.2.3T)=2.00*105*785*1252l.15*0.549+0.2+6*6.667*0.628%/(1+3.5*0.0)=22.667*IO2kN*m25 .计算受弯构件的长期刚度BD确定考虑荷载长期效应组合对挠度影响增大影响系数0当p'=0时,0=2.0混规(7.2.5)2)计算受弯构件的长期刚度BBq=B混规(7.2.2-2)=22.667/2.000*IO2=11.334*102kN*m26 .计算受弯构件挠度f0axk=5*(qk+q*qqk)*U7(384*B)=5*0.80*(10.32+0.5*3.500)*3.587(384*11.334*102)=16.228mm7 .验算挠度挠度限值fo=L2OO=3.58/200=17.900mmf11ax=16.228mm<fo=17.900mm,满足规范要求。七、裂缝宽度验算:1.计算准永久组合弯距值Mq:Mq=Mgk+Mqk=(qgk+qqk)*Lo28=(10.32+0.50*3.500)*3.5828=19.343kN*m8 .带肋钢筋,所以取值V尸1.09 .C=2010 计算按荷载荷载效应的准永久组合作用下,构件纵向受拉钢筋应力Osq=Mq/(0.87*h0*As)混规(7.1.43)=19.343*107(0.87*125.00*785)=226.469N/mm11 计算按有效受拉混凝土截面面积计算的纵向受拉钢筋配筋率矩形截面积:Ate=0.5*b*h=0.5*1000*150=75000mm2Ple=AsAu.混规(7.1.25)=785/75000=1.047%12 计算裂缝间纵向受拉钢筋应变不均匀系数=1.1-0.65*f(ple*sq)混规(7.1.22)=1.1-0.65*2.01/(1.047%*226.469)=0.54913 计算单位面积钢筋根数nn=1000/s=1000/100=1014 计算受拉区纵向钢筋的等效直径d”d<=(n1*dl2)/(n*Vl*d)=10*107(10*1.0*10)=1015 计算最大裂缝宽度nax=cr*Es*(l.9*C+0.08*deqPte)混规(7.1.21)=1.9*0.549*226.469/2.0*105*(l.9*20+0.08*10/1.047%)=0.1351mm0.30mm,满足规范要求

    注意事项

    本文(TB6板式楼梯计算书.docx)为本站会员(p**)主动上传,第壹文秘仅提供信息存储空间,仅对用户上传内容的表现方式做保护处理,对上载内容本身不做任何修改或编辑。 若此文所含内容侵犯了您的版权或隐私,请立即通知第壹文秘(点击联系客服),我们立即给予删除!

    温馨提示:如果因为网速或其他原因下载失败请重新下载,重复下载不扣分。




    关于我们 - 网站声明 - 网站地图 - 资源地图 - 友情链接 - 网站客服 - 联系我们

    copyright@ 2008-2023 1wenmi网站版权所有

    经营许可证编号:宁ICP备2022001189号-1

    本站为文档C2C交易模式,即用户上传的文档直接被用户下载,本站只是中间服务平台,本站所有文档下载所得的收益归上传人(含作者)所有。第壹文秘仅提供信息存储空间,仅对用户上传内容的表现方式做保护处理,对上载内容本身不做任何修改或编辑。若文档所含内容侵犯了您的版权或隐私,请立即通知第壹文秘网,我们立即给予删除!

    收起
    展开