欢迎来到第壹文秘! | 帮助中心 分享价值,成长自我!
第壹文秘
全部分类
  • 幼儿/小学教育>
  • 中学教育>
  • 高等教育>
  • 研究生考试>
  • 外语学习>
  • 资格/认证考试>
  • 论文>
  • IT计算机>
  • 法律/法学>
  • 建筑/环境>
  • 通信/电子>
  • 医学/心理学>
  • ImageVerifierCode 换一换
    首页 第壹文秘 > 资源分类 > DOCX文档下载
    分享到微信 分享到微博 分享到QQ空间

    公路建设项目智慧工地节点划分、设备接口要求表.docx

    • 资源ID:553458       资源大小:33.33KB        全文页数:8页
    • 资源格式: DOCX        下载积分:5金币
    快捷下载 游客一键下载
    账号登录下载
    三方登录下载: 微信开放平台登录 QQ登录
    下载资源需要5金币
    邮箱/手机:
    温馨提示:
    快捷下载时,如果您不填写信息,系统将为您自动创建临时账号,适用于临时下载。
    如果您填写信息,用户名和密码都是您填写的【邮箱或者手机号】(系统自动生成),方便查询和重复下载。
    如填写123,账号就是123,密码也是123。
    支付方式: 支付宝    微信支付   
    验证码:   换一换

    加入VIP,免费下载
     
    账号:
    密码:
    验证码:   换一换
      忘记密码?
        
    友情提示
    2、PDF文件下载后,可能会被浏览器默认打开,此种情况可以点击浏览器菜单,保存网页到桌面,就可以正常下载了。
    3、本站不支持迅雷下载,请使用电脑自带的IE浏览器,或者360浏览器、谷歌浏览器下载即可。
    4、本站资源下载后的文档和图纸-无水印,预览文档经过压缩,下载后原文更清晰。
    5、试题试卷类文档,如果标题没有明确说明有答案则都视为没有答案,请知晓。

    公路建设项目智慧工地节点划分、设备接口要求表.docx

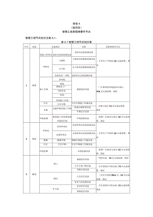
    附录A(规范性)智慧工地里程碑事件节点智慧工地节点划分见表A.1。表A.1智慧工地节点划分表序号类别安装部位名称里程碑事件节点1路基混凝土拌和站混拌站质量监测设备混拌站质量监测设备正常生产开始前2d完成部署、调试实验室万能机万能机实验数据监测设备压力机压力机实验数据监测设备抗折抗压一体机抗折抗压实验监测设备施工区域拌和场视频监控设备厂区和网络环境建设完成后,30d内完成部署、调试梁场钢筋加工厂小配件场料场其他施工区域压实压实车辆压实车辆施工纠偏设备车辆入场后7d内完成安装和调试车辆运输车辆及施工车辆机械车辆管理设备车辆定位设备环境监测路基施工时需要监测环境的区域环境监测设备监测厂区建设完成后5d内完成部署、调试2路面拌和站沥青拌和站沥青拌和站质量监测设备正常生产开始前2d完成部署、调试水稳拌和站水稳拌和站质量监测设备摊铺摊铺车辆摊铺车辆施工纠偏设备压实压实车辆压实车辆施工纠偏设备环境监测一环境监测设备监测厂区建设完成后5d内完成部署、调试3隧道洞口视频监控设备明洞完成,3d内完成部署、调试人车分离门禁设备台车进洞后开始安装,7d内完成部署、调试考勤识别设备洞内人员定位设备二衬台车进洞80m后,3d内完成部署、调试有害气体监测设备台车进洞后开始安装,7d完成部署、调试学子面语音呼叫设备视频监控设备序号类别安装部位名称里程碑事件节点爆破预警设备安全步距预警设备环境监测环境监测设备监测厂区建设完成后5d内完成部署、调试表A.1智:晨工地节点划分表修序号类别安装部位名称里程碑事件节点4桥梁桥梁两端视频监控设备监测部位具备安装条件后,15d内完成部署、调试桥体-位移位移监测设备应变应变监测设备梁场预应力张拉监测设备孔道压浆监测设备预制梁场管理设备梁厂生产前2d完成部署、调试环境监测环境监测设备监测厂区建设完成后Sd内完成部署、调试5边坡边坡关键部位边坡监测设备监测部位具备安装条件后,15d内完成部署、调试环境监测一环境监测设备监测厂区建设完成后Sd内完成部署、调试6全项目周期重点部分二维码信息设备进场后7d内完成部署、调试巡检设备人员管理人员进场前完成部署、调试附录B(规范性)智慧工地相关设备接口要求智慧工地设备接口要求见表B.1。表B.1智慧工地设备接口要求表序号一级模块二级模块数据内容数据格式数据传输1综合信息管理-支持JSON.XML.文本等数据交换格式支持施工现场采集,支持数据共享,支持人员录入,支持有线和无线两种数据传输方式,采用HnP、TCP、UDP、FTP等互联网通信协议进行网络传输2人员信息管理考勤信息项目标段、项目名称、劳务公司、考勤月份、当月进场人数、当月离场人数、月末在场人数、平均出勤率、状态等字段信息人员信息人员编号、项目标段、劳务公司、姓名、性别、年龄、联系电话、身份证号、入场时间、退场时间等字段信息人员履约人员编号、姓名、工种、出勤天数、缺勤天数、出勤率、计量数量、计量单位等字段信息健康管理项目标段、上报人、上报时间、体温、身体状况、所在位置等字段信息3机具设备管理车辆管理料车名称、车牌号、终端编号、GNSSID、内部车号等字段信息特种机械设备管理机械名称、设备编号、机构、GNSSID、规格型号、机械类型、功率、生产厂家、出厂时间、状态(进场、离场)、进场时间、离场时间、租赁价格、租赁单位、安拆单位、安装时间、拆除时间、安装负责人、安全员、设备租赁责任人、驾驶员、设备照片等字段信息车辆数据车辆ID、经度、经度、纬度、类型、速度、添加时间等字段信息智能地基桩机施工监测倾角、深度、流量等传感器数据,桩孔的位置、深度、倾斜度、灌料量等等字段信息电子围栏围栏名称、创建时间、更新时间、围栏坐标内容、是否启用、机构编号等字段信息围栏与车辆关联围栏ID、车辆ID等字段信息机械设备履约机械名称、设备编号、机构、GNSSID、规格型号、机械类型、功率、生产厂家、出厂时间、状态(进场、离场)、进场时间、离场时间、租赁价格、租赁单位、安拆单位、安装时间、拆除时间、安装负责人、安全员、设备租赁责任人、驾驶员、设备照片等字段信息4物料信息管理拌和站动态监控管理数据:包含拌和站ID、机构编号、拌和站名称、终端编号、经度、纬度等字段信息序号一级模块二级模块数据内容数据格式数据传输4物料信息管理拌和站动态监控水泥混凝土拌和站生产数据:包含拌和站ID、工程名称、施工部位、碎等级、坍落度、生产数量、生产时间、搅拌时间、操作员、采集时间、碎石、砂、水、水泥、粉料、外加剂等字段信息。沥青混凝土拌和站生产数据:包含拌和站ID、结构层、级配名称、生产时间、采集时间、石、粉料、沥青、油石比、温度、每锅产能、是否合格等字段信息水稔层拌和站生产数据:包含拌和站ID、施工层级、施工部位、生产时间、采集时间、骨料、含水量、水泥用量、每锅产能、是否合格等字段信息支持JSONxXML文本等数据交换格式支持施工现场采集,支持数据共享,支持人员录入,支持有线和无线两种数据传输方式,采用HTTP、TCP、UDP、FrP等互联网通信协议进行网络传输种类设置:包含机构编号、级配类型、结构层、种类等字段信息试验室级配:包含拌和站ID、结构层、级配类型、料仓名称、材料名称、矿料比例、筛孔通过率等字段信息。报警数据:包含接收人、职务、发送时间、发送内容、发送状态、报警等级、设备类型等字段信息5质量监测管理摊铺碾压智能监测工程数据:工程名、单位名称、人员信息、时间质量数据:摊铺温度、厚度、速度等,碾压位置、时间、速度、温度、面枳、轨迹、压实遍数试验数据管理设备数据:包含万能机、压力机、沥青针入度仪等主要试验检测设备的ID、机构编号、名称、终端编号等字段信息万能机试验数据:包含试验时间、试验人员、采集时间、样品编号、试验类型、公称直径、最大力、抗拉强度、上屈服力、上屈服强度、下屈服力、下屈服强度、状态、工程部位等字段信息压力机、抗折抗压一体机数据:包含压力机设备、样品编号、试验类型、强度等级、承压面积、龄期、荷载、荷载代表值、强度代表值、工程部位等字段信息沥青针入度数据:包含沥青针入度监测设备、样品编号、样品名称、试验时间、采集时间、针入度、针入度平均值、标准值、工程部位等字段信息序号一级模块二级模块数据内容数据格式数据传输沥青软化点数据:包含沥青软化点ID、样品编号、样品名称、试验时间、采集时间、软化点、软化点平均值、标准值、工程部位等字段信息序号一级模块二级模块数据内容数据格式数据传输5质量监测管理试验数据管理沥青延度数据:包含沥青延度的ID、样品编号、样品名称、试验时间、采集时间、延度、延度平均值、标准值、工程部位等字段信息支持JSON.XML.文本等数据交换格式支持施工现场采集,支持数据共享,支持人员录入,支持有线和无线两种数据传输方式,采用HnP、TCP、UDP、FTP等互联网通信协议进行网络传输沥青马歇尔稳定度数据:包含马歇尔稳定度设备、样品编号、样品名称、试验时间、采集时间、流值、稳定度值、荷载、形变、工程部位等字段信息标养室数据:包含标养室的ID、温度、湿度、采集时间等字段信息超标预警数据:包含接收人、职务、发送时间、发送内容、发送状态、报警等级、设备类型等字段信息预制梁场管理梁场基础信息:梁场ID、项目(高速)ID、标段ID、梁场名称等字段信息工点(桥梁)基础信息:工点ID、梁场ID、桥梁名称等字段信息梁板基础信息:梁板ID、工点ID、浇筑时间、梁板长度、梁板类型、梁板孔数、生产厂家等字段信息智能张拉公共数据:梁板ID、张拉时间、张拉顺序、混凝土设计强度、混凝土强度、弹性模量(混泥土)、钢绞线弹模、钢绞线强度、钢绞线控制应力、张拉仪编号、千斤顶编号、千斤顶校验日期、施工员、施工员照片、监理人员、监理员照片、质量检测员、断丝及处理情况、张拉环境温度、张拉状态等字段信息智能张拉结果数据:梁板ID、钢束编号、张拉比例(张拉行程)、张拉顺序(同一钢束张拉顺序)、设计力值、总伸长量、理论伸长量、伸长量偏差、断丝及处理情况、设备张拉力、设备张拉伸长量、备注等字段信息智能压浆公共数据:梁板ID、压浆时间、压浆顺序、水泥名称及标号、压浆剂名称、压浆方向、搅拌时间、初始流动度、浆液温度、环境温度、配合比(水泥:压浆:水)、施工员、施工员照片、监理人员、监理员照片、质量检测员等字段信息智能压浆结果数据:梁板ID、钢束编号、进浆压力、返浆压力、水胶比、持压时间等字段信息6安全管理视频监控序号一级模块二级模块数据内容数据格式数据传输起重机械安全监测序号一级模块二级模块数据内容数据格式数据传输6安全管理支架/高模架监测一支持JSON.XML,文本等数据交换格式支持施工现场采集,支持数据共享,支持人员录入,支持仃线和无线两种数据传输方式,采用HnP、C1UDP、FTP等互联网通信协议进行网络传输桥梁安全监测监测数据:根据桥梁实际情况,包含监测应力应变、位移变形、沉降等所有监测实时数据和历史数据等字段信息报警数据:监测数据触发的报警信息,包含报警桥梁、报警监测项、报警阈值、报警推送时间及人员等字段信息隧道安全监测人员进出洞信息:姓名、卡号、电话、工种、工作部门、进洞时间、出洞时间、停留时间等字段信息车辆进出洞信息:车辆类型、车辆号码、驾驶员、电话、进洞时间、出洞时间、停留时间等字段信息人员数据:姓名、卡号、电话、工种、工作部门、进洞时间、当前位置(距洞口)停留、历史轨迹等字段信息气体粉尘监测数据:隧道名称、监测位置、监测时间、浓度标准、采集浓度、超限情况等字段信息安全步距数据:隧道名称、工点数、监测点位、当前超限点位、累计超限次数、更新等字段信息边坡安全监测监测数据:表面位移、裂缝、深部位移、护坡/挡土墙压力、锚杆应力、挡土墙倾斜、土壤温湿度、地卜水位、降雨量、视频等所有监测实时数据和历史数据等字段信息报警数据:报警边坡、报警监测项、报警阈值、报警推送时间及人员等字段信息危险源管理7施工环境监测环境参数数据TSP、PMl0、PM2.5、噪音、温度、湿度、风向、风速、大气压、降雨量等等字段信息统计报表数据汇总分析、报表统计、分类统计、时间段统计等字段信息8资料电子化管理一一

    注意事项

    本文(公路建设项目智慧工地节点划分、设备接口要求表.docx)为本站会员(p**)主动上传,第壹文秘仅提供信息存储空间,仅对用户上传内容的表现方式做保护处理,对上载内容本身不做任何修改或编辑。 若此文所含内容侵犯了您的版权或隐私,请立即通知第壹文秘(点击联系客服),我们立即给予删除!

    温馨提示:如果因为网速或其他原因下载失败请重新下载,重复下载不扣分。




    关于我们 - 网站声明 - 网站地图 - 资源地图 - 友情链接 - 网站客服 - 联系我们

    copyright@ 2008-2023 1wenmi网站版权所有

    经营许可证编号:宁ICP备2022001189号-1

    本站为文档C2C交易模式,即用户上传的文档直接被用户下载,本站只是中间服务平台,本站所有文档下载所得的收益归上传人(含作者)所有。第壹文秘仅提供信息存储空间,仅对用户上传内容的表现方式做保护处理,对上载内容本身不做任何修改或编辑。若文档所含内容侵犯了您的版权或隐私,请立即通知第壹文秘网,我们立即给予删除!

    收起
    展开